刷直流電機或場定向控制 (FOC) 無刷交流電機,確實可以實現無需任何旋轉角度傳感器即可工作。但實際情況是,工業和人形機器人、自主移動機器人和直線電機運輸系統等終端設備,旋轉角度傳感器或線性位置傳感器依然是不可或缺的關鍵組件。
2025-08-07 14:25:08
5648 
在無刷電機使用的位置傳感器通常是磁傳感器(霍爾元件,霍爾IC)。下圖是表示無刷電機的電機結構和無刷電機的傳感器布局的示意圖。
2021-02-25 15:38:13
14376 
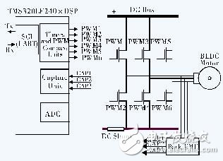
在無刷直流電機控制系統中,位置傳感器(如霍爾傳感器等)雖然為轉子位置提供了最直接最有效的檢測方法,但是它們也使電機的體積變大,需要的信號引線增多,生產成本增加。
2023-07-07 14:12:47
4549 
位置傳感器是組成無刷直流電動機系統的三大部分之一,也是區別于有刷直流電動機的主要標志。其作用是檢測主轉子在運動過程中的位置,將轉子磁鋼磁極的位置信號轉換成電信號,為邏輯開關電路提供正確的換相信息,以
2019-06-28 04:20:10
序換向,形成氣隙中步進式的旋轉磁場,驅動永磁轉子連續不斷地旋轉。直流無刷電機需要位置傳感器來測量轉子的位置,電機控制器通過接受位置傳感器信號來讓逆變器換相與轉子同步來驅動電機持續運轉。盡管直流無刷電機也
2016-10-09 15:13:14
近年來,國內市場上電動車使用的電機主要有三種:有刷電機、有位置傳感器無刷電機和無位置傳感器無刷電機。使用有刷直流電機容易解決換相問題,但是噪音大,而且碳刷容易磨損或損壞,這會增大維護、維修難度,增加
2019-09-03 07:03:34
、減少了電機及控制系統的引線數量 由于無刷直流電機內部安裝有位置傳感器,使三相無刷電機的引出線最少也要八根,而無位置傳感器只要三根引出線就行了。 三、大幅度提高電機及控制系統可靠性 由于省去了電機
2018-10-30 16:00:02
本帖最后由 eehome 于 2013-1-5 10:01 編輯
無傳感器的直流無刷電機控制器ML4435及其應用
2012-08-20 10:53:48
傳感器無刷直流電機在無刷直流電機的基礎上進一步取消了位置傳感器,使電機結構更為緊湊,進一步降低了電機成本,減少了電機維修費用,擴大了電機應用場合. 但無位置傳感器無刷直流電機控制系統存在一些技術上
2018-11-13 11:15:52
硬件語言編程實現了 PI 調節模塊、過零檢測模塊,脈沖寬度調制發生模塊、換相模塊、啟動模塊等功能,整個控制系統響應速度快、超調小,穩態誤差小,可靠性高、靈活性強,實現了全數字控制,在無位置傳感器直流
2025-07-10 16:35:19
針對無刷直流電機傳統控制的不足,在 STM32 控制框架內設計了無位置傳感器電機矢量控制系統,采用基于鎖相環的滑模觀測器對轉子位置及轉速精確估計并完成電機矢量控制。給出控制系統的總體設計框架及其實現
2025-08-04 14:42:11
信號相位誤差。根據濾波電路的特點提出了基于直線擬合技術的轉子位置信號相位補償方法,并將其用于BLDCM 無位置傳感器控制系統。實驗結果表明,該補償策略能顯著提高轉子位置的辨識精度,改善電機運行性能
2025-07-10 16:40:19
在無位置傳感器直流無刷電機的弱磁控制過程中,隨著弱礁程度加深,電流波動會越來越嚴重,導致電機電礁轉矩波動的厲害。實驗表明,不同的 PWIM 控制方式會使得電流波動的大小不同。從理論上分析為什么PWM
2025-08-04 14:51:12
本文闡述了無位置傳感器直流無刷電機控制中退磁與轉子位置檢測的關系,通過對退磁過程的分析,提出了通過 PWM 配置使斷電繞組具有最大反向電壓的加速退方法。
純分享帖,點擊下方附件免費獲取完整資料
2025-08-04 14:45:50
為了解決無位置傳感器直流無刷電機在起動時基于反電動勢的位置檢測方法無法提取出位置信息的問題,分析了無位置傳感器直流無刷電機的起動方法,針對電動車這一特殊的應用場合進行了相應的改進,電動車在起動時有
2025-08-04 14:49:53
。那么,無位置傳感器,是否也能控制電機?答案是可以的。二、方案。方案如下圖所示。其中,3Phase Inverter由6個MOS管和MOS管驅動組成。VBUS測量電機的母線電壓,假設電機由直流50V供電,...
2021-07-05 06:00:21
引言 傳統上把具有梯形波反電勢的永磁同步電機稱為直流無刷電機。直流無刷電機的轉矩控制需要轉子位置信息來實現有效的定子電流控制。而且,對于轉速控制,也需要速度信號,使用位置傳感器是直流無刷電機
2018-11-07 10:41:54
電動機的調速系統方案,并仿真得到理論上的PI參數。根據調速系統方案,在MPLAB系統開發平臺上運用匯編語言分別用電機自帶的位置傳感器和反電動勢過零檢測法兩種方法進行編程、調試,實現無刷直流電動機的數字控制
2016-01-04 14:05:39
摘要:通過分析無刷直流電動機數學模型,利用MalabSimulink對無刷直流電機無位置傳感器控制系統進行了建模和仿真。分別用Simuink庫中自帶的電機模型,反電動勢過零點檢測法、速度P控制和電流
2025-07-08 18:37:06
使用正弦波輸出控制無刷電機,使電機旋轉平滑穩定;為了實現云臺電機轉動角度的精準控制,需要結合磁阻傳感器(例如使用TLE5012B磁組傳感器)精準反饋電機轉動的角度,將該反饋角度融合到矢量控制系統FOC中
2016-03-23 18:38:32
,驗證了控制系統的合理性和可行性。 無刷直流電機的無傳感器控制是近年來電機驅動領域關注的一項技術。無位置傳感器控制的關鍵在于獲得可靠的轉子位置信號,即從軟、硬件兩個方面間接獲得可靠的轉子位置信號來代替傳統
2016-01-15 15:35:26
無刷電機的轉子的位置,從而控制換相功率,在三相直流無刷電機里,用三個霍爾傳感器就可以記錄六個相位的位置。隨著電力電子技術的發展,無刷直流電機得到了越來越廣泛的應用,在電動車輛、家用電器、紡織機械等領域
2019-10-31 08:00:00
推薦課程:張飛軟硬開源:基于STM32的BLDC直流無刷電機驅動器(視頻+硬件)http://url.elecfans.com/u/73ad899cfd視頻演示在無傳感器電機系統使用RL78/G1F
2019-05-21 16:28:43
本文小結一下,電機無位置控制中的一種--滑模觀測器的設計,還有自適應觀測器的設計等其他內容,等有時間之后再來總結。現代永磁同步電機控制原理及MATLAB仿真永磁同步電機無位置傳感器控制系統的研究
2021-08-30 06:33:08
中使用廣泛,帶位置傳感器直流無刷電機就是靠霍爾傳感器來確定轉子位置,以使定子各相繞組順序導通實現換相;而無傳感器直流無刷機則是利用電子線路代替位置傳感器(圖2),通過檢測電機在運行過程中產生的反電勢過
2019-07-22 04:00:00
了解無傳感器無刷直流電動機控制器,一些示例IC以及使用此類電動機的一些缺點。有刷和無刷直流電動機的快速回顧無刷直流(BLDC)電機已比其前身有刷直流電機(參見下圖)大受歡迎。顧名思義,“有刷
2019-10-25 09:51:07
ATmega 16 單片機作為控制芯片,反電勢過零檢測以及軟件啟動的控制方式,并延遲30°進行換向。正常啟動后,單片機輸出PWM 實現無刷直流電機轉速調節。同時設計了電壓、電流監測電路,保證系統安全,因而,該系統能夠正常驅動無位置傳感器無刷直流電機,并且能夠應用于四軸飛行器。
2018-10-08 15:13:09
參考方案: 基于836M直流無刷電機無傳感器磁場定向控制方案方案介紹直流無刷電機由于其效率高、體積小、可靠性高等優點,使用范圍越來越廣。通常采用梯形波控制,控制簡單,但換向噪聲較大,在一些特定
2018-12-04 09:57:38
請問誰做過基于STM32無位置傳感器無刷直流電機控制系統,有沒有STM32無刷直流電機控制部分的C程序,發給我參考下吧。
2014-01-18 09:24:22
設計的一種無刷直流電機的控制器。系統采用TMS320F28027作為控制核心或者純硬件控制系統,設計電機驅動電路、電流檢測電路、速度檢測電路、位置檢測電路以及保護電路等,建立實物驗證平臺,進行實驗
2021-04-16 10:35:55
知道轉子的位置,但并不需要連續的位置信息,只要知道換相點的位置即可。 在直流無刷電機中,一般采用三個開關型霍爾傳感器測量轉子的位置。常被選用的是雙極鎖存霍爾和單極霍爾。由其輸出的三位二進制編碼去控制逆變器中
2017-12-20 16:21:38
如何去開發一款基于DSPic33的直流無刷電機無傳感器控制系統?直流無刷電機無傳感器控制系統的作用是什么?
2021-07-27 07:53:40
直流無刷電機的工作原理是什么?電機霍爾傳感器工作原理是什么?怎么實現無刷直流電機驅動電路的設計?
2021-10-09 07:04:15
什么是無速度傳感器矢量控制系統?怎樣對無速度傳感器矢量控制系統進行調試?
2021-04-28 06:49:48
該參考設計是3相無刷直流(BLDC)電機的無傳感器用于風機,泵和壓縮機基于低成本NXP驅動? 56F801X數字信號控制器(DSC)。該概念是閉環速度控制的BLDC驅動器,無需位置或速度傳感器它是
2018-07-18 14:13:44
基于MEGA8單片機的無傳感器無刷直流電機控制系統設計-De ign of Control Sy tem Ba ed on MEGA8 Single Chip Computer for Sen orle and Bru hle DC Motor
摘要針對航模用無傳感器無刷直流電機具有體
2009-02-09 10:42:40
135 介紹了利用無位置傳感器無刷直流電機控制器TDA 5142T 結合電機專用功率逆變橋M P6403 在無位置傳感器BLDCM 調速系統中的應用, 它是電機驅動控制的一種新的方法。實驗結果表明, 該方
2009-07-03 09:14:37
67 討論了無刷直流電機無位置傳感器控制 提出一種基于擾動觀測器的無位置傳感器控制方案。無刷直流電機電勢平衡方程的非線性由反電勢所引起 如果假設反電勢為常值擾動 就
2009-07-10 15:49:04
66 介紹了數字信號處理芯片TM S320L F2407 的結構和性能, 研究了PWM 控制和A öD 轉換技術, 采用反電勢法實現了無刷直流電機的無位置傳感器控制, 并給出了相關的實驗結果。關鍵詞
2009-07-11 10:58:53
20 介紹了幾種無位置傳感器無刷直流電動機的轉子位置檢測方法, 并對它們的基本原理、實現途徑、改進策略、適用場合做了詳細的說明。
2009-07-13 11:44:54
30 研究了無位置傳感器無刷直流電機的控制方法,深入分析了反電勢法的原理以及啟動等技術要點。
2009-07-18 16:04:07
35 針對以往無刷直流電動機反電勢法無傳感器控制系統存在的一些問題,設計了一種基于數字信號處理器的無刷直流電動機無傳感器控制系統。
2009-07-18 16:38:49
14 霍爾傳感器應用于無刷電機驅動控制:討論了利用霍爾元件在無刷電機控制系統中使用的問題,并對霍爾集成傳感器進行了探討。介紹了2種利用霍爾集成傳感器組成無刷電機控制電路
2009-11-14 14:39:23
481 介紹了一種基于DSP+CPLD的全數字方式的無位置傳感器無刷直流電動機控制系統,采用速度和電流雙閉環對無刷電機進行控制,運用高度集成化的芯片6AM15作為電機的驅動電路,同時選用電
2010-07-14 14:42:20
96 針對Actel公司推出的Fusion系列混合信號FPGA,介紹了一種基于Fusion FPGA的無刷電機無位置傳感器的控制器。試驗結果表明,采用Fusion混合信號FPGA的無刷電機控制器具有集成度高,性能
2010-12-17 16:37:59
31
無傳感器的直流無刷電機控制器ML4425及其應用(2)
?
摘要:介紹了ML4425脈寬調制
2009-07-08 14:19:55
6257 
無傳感器的直流無刷電機控制器ML4425及其應用(1)??
摘要:介紹了ML4425脈寬調制電機控制器的功能及其應用。
關
2009-07-09 10:31:05
3567 
應用于光伏水泵系統中的無位置傳感器無刷直流電機的控制
摘要:介紹了應用于光伏水泵系統中的直流無刷電機及其控制方法,利用
2009-07-11 10:29:36
1342 
無傳感器的直流無刷電機控制器ML4435及其應用??
摘要:ML4435脈寬調制式電動機控制器,為起動和控制△接或Y接
2009-07-16 09:16:53
3624 
微型無刷直流電機的無位置傳感器控制
0 引言
??? 在一些應用場合要求使用的電機體積小、效率高、轉速高,微型永磁無刷直流電機能夠較好地滿足要
2009-12-02 09:32:20
2042 
摘 要:介紹了無位置傳感器無刷直流電動機系統的控制原理,討論了該系統控制的實現方法,最后對基于數字信號處理器(DSP)芯片TMS320LF2407A的無位置傳感器無刷直流電動機控制系統的軟、硬件實現作了詳細論述。 關鍵詞:無位置傳感器;無刷直流電機;反電動勢
2011-03-01 01:37:58
269 本文為用51單片機實現無位置傳感器無刷 直流電機 的控制,論文首先探討了無刷直流電機的研究現狀和常用控制方法,闡述了其基本組成和工作原理,并給出了詳細的設計過程。
2011-07-14 17:00:39
265 基于STM32的無位置傳感器無刷直流電機控制系統
2015-11-09 18:03:28
40 基于DSP的異步電機無速度傳感器矢量控制系統的研究與實現
2016-04-18 09:47:49
23 論文在詳細介紹無刷直流電機的運行原理及數學模型基礎上,對反電勢過零檢測法無位置傳感器控制的原理以及過零檢測電路的設計進行了詳細的分析研究。同時采用高頻脈沖檢測轉子零初始位置方法啟動電機,而后切換至反
2016-04-26 18:16:42
20 異步電機無速度傳感器直接轉矩控制系統研究
2016-05-04 15:26:28
10 基于DSP的直流無刷電機控制系統研究,下來看看
2016-05-05 11:37:39
12 基于MEGA8 單片機的無傳感器無刷直流電機控制系統設計
2016-05-05 11:37:39
41 的一個重要發展方向。本文介紹一種以st7fmc1k2為核心的無傳感器無刷直流電機控制系統。 通常無刷直流電機采用電子或機電式位置傳感器獲取轉子位置信息,然而有些傳感器的分辨率低或運行特性不好,有的對環境條件如震動,潮濕
2016-11-04 18:39:18
1408 
傳統的永磁無刷直流電機均需一個附加的位置傳感器,用以向逆變橋提供必要的換向信號。它的存在給直流無刷電機的應用帶來很多不便:首先,位置傳感器會增加電機的體積和成本;其次,連線眾多的位置傳感器會降低電機
2016-11-05 03:21:12
1450 
無位置傳感器無刷直流電機數控調速器設計
2016-12-20 22:55:15
7 基于線反電動勢的無刷直流電機無位置傳感器控制_李志強
2017-01-12 12:55:54
20 雙饋電機直流并網系統無位置傳感器運行策略_年珩
2017-01-07 18:12:51
4 超高速永磁無刷電機無位置傳感器半閉環啟動法_張前
2017-01-07 18:12:51
9 異步電機無速度傳感器直接轉矩控制系統
2017-01-21 11:49:35
1 無位置傳感器無刷直流電機控制系統設計_沈鵬程
2017-03-15 11:24:32
7 艦船電機的傳感器控制是保障艦船電機穩定供電輸出的關鍵技術,電機控制容易受到電磁耦合小擾動干擾,導致控制精度不高,提出基于滑模觀測器的艦船電機無位置傳感器控制方法,采用滑模觀測器進行艦船電機輸出的電流
2018-01-19 16:12:40
0 直流無刷電機(BLDC)是近幾年來小型電機行業發展最快的品種之一,由于其具有體積小、重量輕、效率高、調速性能好、轉動慣量小、沒有勵磁損耗等問題,因此在多個領域具有廣泛的應用。直流無刷電機控制系統目前
2018-01-23 14:28:49
8 隨著磁性材料、電力電子器件和控制技術的發展,無刷直流電機的應用越來越廣泛。無刷直流電機與直流電機和交流異步電機相比,具有調速特性好、無換相器和效率高的特點。因為無刷直流電機沒有換相器,需要采取一定
2018-02-09 14:07:57
9 為了實現面裝式永磁同步電機( SMPMSM)驅動系統的無位置傳感器運行或位置傳感器故障下的系統自適應容錯運行,首先介紹基于微分代數的SMPMSM驅動系統轉子位置和轉速的獲取方法,其次研究逆變器死區
2018-03-14 15:48:28
1 永磁同步電機無速度傳感器控制系統, 通過測量電機定子側電流和端電壓算出轉子位置, 替代了傳統的機械位置傳感器, 系統成本低、可靠性較高。 轉子位置可由開環算法或通過閉環觀測器觀測得到。 利用電機的非
2018-08-09 08:00:00
45 直流電機的主控制芯片。ML4425是MicroLinear公司推出的一種智能型無位置傳感器永磁無刷電機控制器專用電路。該電路內置起動電路、鎖相環邏輯換相電路、PWM速度控制電路和過電流保護電路。該芯片集成度高,應用范圍廣,適合各種負載和電壓的Δ形或Y形繞組的無刷電機控制系統。
2018-09-30 08:34:00
7078 
4864338
2018-08-28 20:22:23
1645 分析目前直流無刷電機控制器的現狀,設計了一種直流無刷電機通用的控制系統,通過開關選擇有位置傳感器或者無位置傳感器控制模式,實現了相同額定電壓額定功率的直流無刷電機控制器的通用,并可通過RS
2018-10-16 10:33:42
26 隨著真空吸塵器、洗碗機和冰箱等電機驅動設備和電動工具對節能和系統成本的要求日益提高,傳統內置位置傳感器電機正逐漸被無位置傳感器無刷直流電機(BLDC)所取代。
2019-01-09 10:55:47
10075 
相反的反電動勢的過零點,就可以獲得轉子的幾個關鍵位置來實現無霍爾傳感器的直流無刷電機換相控制了。2、反電動勢三次諧波法將濾波之后的三次諧波通過電壓過零比較器,反映三次諧波相位信息的方波直接輸入DSP
2019-04-28 20:19:03
13416 很多特定的條件下,無位置傳感器的無刷電機就成為了很多用戶的理想選擇。風機驅動用無位置傳感器BLDC無刷電機采用有位置傳感器驅動零碎,是一種正在發展的新型直流無刷電機。因為在通常的的直流無刷電機及中擱置
2019-07-30 18:46:45
7010 無刷電機驅動應用普通的是反電動勢過零測試法,由于控制簡單,容易實現,一般的工程方案大多為反電動勢過零檢測法,此處也使用反電動勢過零檢測法實現直流無刷電機無位置傳感器的控制。通過檢測端電壓,經過分壓后
2019-08-14 22:46:56
7680 兩級裝有霍爾位置傳感器,控制芯片。而且還使用了企業制造當做功率逆變系統的控制芯片,完整的控制系統設計結構,器構成電路分別是:控制芯片、驅動電路、逆變電路、過壓與過流保護電路以及外圍電路。 
2019-10-18 08:01:30
5446 信號檢測措施來代替,即以提高電路和控制的復雜性來降低電機的復雜性。所以,目前永磁無刷直流電機無位置傳感器控制研究的核心和關鍵就是架構一轉子位置信號檢測線路,從軟硬件兩個方面來間接獲得可靠的轉子位置信號,借以觸發導通相應的功率器件,驅動電機運轉。
2020-03-02 09:29:33
2459 
直流無刷電機控制系統中,電機的換相是由轉子的位置決定的,因此必須有轉子位置傳感器對轉子位置進行實時檢測。
2020-04-03 10:27:55
13356 
直流無刷電機為獲得轉子當前位置,需要采用某種轉子位置檢測環節。在有位置傳感器的系統中,轉子位置的檢測是通過一系列霍爾效應傳感器來實現的。霍爾效應傳感器能夠感知轉子永磁磁極的位置。但位置傳感器的存在
2020-04-22 11:39:05
8249 
如前所述,直流無刷電機的工作原理必須有轉子磁場位置的信息,以控制逆變器功率器件的開/關實現繞組的換相。例如,三相六狀態運行的無刷電機在內部安放三個轉子位置傳感器確定六個換相點時刻。傳統的直流無刷電機
2020-05-09 15:01:11
1834 方波直流無刷電機轉子位置傳感器和控制器比較簡單、體積小、控制成本低,在直流無刷電機中占有很高的比例。控制器的產量很大,特別是電動自行車的控制器,全國的產量非常大,每年要生產數千萬只,其中
2020-05-11 09:46:36
3911 系統的電子部分,然而位置傳感器需要相當大的工時和電機的空間用于安裝。這使得在永磁無刷直流電機驅動系統的控制中,無位置傳感器的運行更加重要。 lw
2020-05-28 08:39:05
1352 近年來,直流無刷電機的無位置傳感器技術日益受到人們的關注,無位置傳感器控制技術已成為直流無刷電機控制技術的一個發展方向。下面就簡單介紹一下常用的幾種無位置傳感器控制方式: 1、反電勢過零檢測法 在
2020-08-05 11:22:30
6881 直流無刷電機位置傳感器有:磁敏式、光電式和電磁式三種類型。 使用磁敏式位置傳感器的直流無刷電機,其磁敏器件(如霍爾元件、磁敏二極管、磁敏導電管、磁敏電阻或專用集成電路等)被安裝在一個定子組件上,用于
2020-12-31 10:35:27
6716 介紹了一種通過DSP軟件示波器結合無位置傳感器的無刷直流電動機控制系統來實時地觀測電機運行時的各種變量波形的方法。同時示波器在運行時可以改變輸出的變量的值,以檢測控制系統的控制算法。
2021-04-28 10:59:58
28 詳細介紹了無刷直流電動機的無位置傳感器控制原理,提出了以數字信號處理器(DSP)為核心構建的控制系統,從硬、軟件兩方面進行了闡述。
2021-05-06 14:21:57
7 設計了一種無位置傳感器無刷直流電機( Brushless dc motor,簡稱BDCM)的變頻調速系統。該系統基于PS2255智能功率模塊(IPM)和TMS320LF2407A數字信號處理器DP
2021-05-07 09:44:15
12 基于PIC16的無傳感器無刷直流電機控制實現說明。
2021-05-10 14:13:49
47 基于FPGA的無位置無刷直流電機控制系統設計(安徽力普拉斯電源技術有限公司招聘)-該文檔為基于FPGA的無位置無刷直流電機控制系統設計講解文檔,是一份不錯的參考資料,感興趣的可以下載看看,,,,,,,,,,,
2021-09-24 16:24:59
13 詳細介紹了無刷直流電機的運行原理及數學模型的基礎上,對反電勢過
零檢測法無位置傳感器控制的原理以及過零檢測電路的設計進行了詳細的分析和研
究.
2022-07-23 09:18:59
0 在 STM32 控制框架內設計了無位置傳感器電機矢量控制系統,采用基于鎖相環的滑模觀測器對轉子位置及轉速精確估計并完成電機矢量控制。給出控制系統的總體設計框架及其實現方法,進行性能仿真分析。
2022-10-21 15:53:54
3 本文將介紹“無刷電機位置傳感器的作用及其布局”相關的內容,這也是在“無刷電機有傳感器驅動和無傳感器驅動的特征及區分使用”中“無刷電機有位置傳感器的驅動”應注意的要點。在無刷電機使用的位置傳感器通常是磁傳感器(霍爾元件,霍爾IC)。
2023-02-15 16:12:07
4186 
一、概述在無刷直流電機控制系統中,位置傳感器(如霍爾傳感器等)雖然為轉子位置提供了最直接最有效 的檢測方法,但是它們也使電機的體積變大,需要的信號引線增多,生產成本增加。在某些應用場合(如 高溫高壓
2025-04-08 15:27:22
1
評論