數據通道和支持元件。雖然設計者并不想這樣做,但是電源卻必須壓縮到剩下的有限空間之內。功能和密度的增加,耗電也相應增加。這就為電源設計者帶來了一個很大的挑戰,即如何以更小的占位提供更高的電源?
2013-08-15 10:55:59
1526 
組件進行開關節點電壓轉換速率的調整。 散熱設計。雖然高密度布局一般有利于提升轉換效率,但它可能會形成一個散熱性能瓶頸。要在更小的占位空間內實現相同功耗的想法變得站不住腳。組件溫度攀升會使較高的故障率
2018-09-05 15:24:36
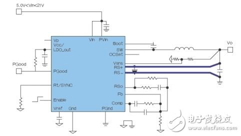
:25A同步降壓型轉換器PCB布局和實施方案本設計的主要原則是實現高功率密度和低材料清單(BOM)成本。它總共占用的PCB面積為2.2cm2(0.34in2),每單位面積產生的有效電流密度為11.3A
2018-09-05 15:24:34
高密度FIFO器件在視頻和圖像領域中的應用是什么
2021-06-02 06:32:43
設計中先期進行NRE投資,以最大限度地提高性能、降低尺寸以及降低大批量制造時的成本?或者設計隊伍應該為市場設計只有FPGA能夠提供的具有高度可配置功能、能夠快速完成任務的最終產品? 事實上,由于高密度
2019-07-15 07:00:39
高密度印制電路板(HDI)簡介印刷電路板在制成最終產品時,其上會安裝積體電路、電晶體、二極體、被動元件(如:電阻、電容、連接器等)及其他各種各樣的電子零件。藉著導線連通,可以形成電子訊號連結及應有
2010-03-16 09:28:51
高密度多重埋孔印制板的設計與制造
2009-03-26 21:51:41
需求:人數較多,大概有60多人,平時大家都用手機連接wifi 哪個牌子的無線AP好用,要室內的,謝謝自己看了豐潤達的一種雙頻的AP。聽說雙頻的適合高密度接入,是么?
2016-07-25 17:45:55
高密度服務器播放 rtsp 流出現斷連情況驗證
2023-09-18 07:14:50
高密度電路板HDI希望提高鏈接密度,因此采用小盲孔結構設計,特定產品會采用RCC材料或孔上孔結構制作增層線路。若薄膠片并沒有足夠膠量填充埋孔,就必須用其他填孔膠來填充孔,這種程序就是塞孔制程。 塞孔
2018-11-28 16:58:24
的噪聲注入并節省了電容器,最終簡化了布局。 利用帶有真正差分遠程檢測功能的大電流IR3847,IR解決了受到散熱和空間限制的高密度和大電流應用方面的挑戰。當與標準的分立解決方案相比時,IR3847將
2018-09-26 15:51:48
的范例涉及功率級組件的放置和布線。精心的布局可同時提高開關性能、降低組件溫度并減少電磁干擾(EMI)信號。請細看圖1中的功率級布局和原理圖。圖1:四開關降壓-升壓型轉換器功率級布局和原理圖 在筆者看來,這些都是設計高密度DC/DC轉換器時所面臨的挑戰: 組件技術。組件技術的進步是降低整體功耗的關鍵,尤…
2022-11-18 06:23:45
到UUT的測試儀器上。 客戶需要一個緊湊的,可擴展和易于維護的模塊化測試架構,所以他們選擇PXI作為他們的首選平臺。在市面上沒有他們所需的高性能高密度PXI多路復用器,他們來到了Pickering
2015-02-04 10:03:56
PCB。 圖1:25A同步降壓型轉換器PCB布局和實施方案 本設計的主要原則是實現高功率密度和低材料清單(BOM)成本。它總共占用的PCB面積為2.2cm2(0.34in2),每單位面積產生的有效電流密度為11…
2022-11-18 06:02:21
DN409 - 三路輸出三相控制器節省了空間,并改善高密度功率轉換器性能
2019-07-29 12:48:33
請問關于高密度布線技術有什么要求?
2021-04-25 06:26:34
。它具有可編程頻率、軟啟動、外部補償、可調電流限制和 OCP/OVP/OTP 特性。它還能為低電流軌添加 PMBus 功能。它適用于數字高密度低電流電源軌 (
2018-12-20 15:11:40
PoL 中的 NexFET 電源塊 CSD87350。它還能為大電流軌添加 PMBus 功能。使用電阻器選件可將其輕松配置為雙路 30A 或單路 60A 輸出。它適用于數字高密度大電流電源軌 (
2018-10-30 10:58:07
面積比,是比較理想的封裝方案。在相同面積上,典型的BGA 封裝互聯數量是四方扁平(QFP) 封裝的兩倍。而且,BGA焊球要比QFP 引線強度高的多,可靠的封裝能夠承受更強的沖擊。Altera 為高密度
2009-09-12 10:47:02
PoL 中的 NexFET 電源塊 CSD87330。它還能為低電流軌添加 PMBus 功能。使用電阻器選件可將其輕松配置為雙路 10A 或單路 20A 輸出。它適用于數字高密度低電流電源軌 (
2018-10-08 08:57:23
本文介紹如何使用高密度STM32F10xxx FSMC接口來連接TFT LCD屏
2022-12-01 06:24:43
如何去設計一款能適應高密度FPGA的配置?
2021-04-08 06:07:38
如何去面對高速高密度PCB設計的新挑戰?
2021-04-23 06:18:11
富致科技新推出新型表面粘著式自復式保險絲,應用于高密度電路板。該公司FSMD產品系列提供為過電流保護。據介紹,其FSMD1206系列主要是應用于高密度電路板方面,并由獲得美國專利的正溫度系數高分子
2018-08-31 11:40:14
本文旨在介紹一種全新的多內核平臺,其能夠通過優化內核通信、任務管理及存儲器接入實現高密度視頻處理能力,此外,本文還闡述了擴展實施的結果如何支持多通道和多內核 HD 視頻應用的高密度視頻處理。
2021-06-01 06:20:28
液晶拼接這兩種顯示技術的占據著市場先機,他們雖然各有優勢,但是卻都共同存在一個問題,那就是顯示單元之間的拼縫。高密度LED顯示屏具有先天優勢可以實現無縫拼接。高密度顯示屏像素越來越小,分辨率越來越高
2019-01-25 10:55:17
FPGA 的 60W~72W 高密度電源的電氣性能、熱性能及布局設計之深入分析
2019-06-14 17:13:29
高頻數字信號串擾的產生及變化趨勢串擾導致的影響是什么怎么解決高速高密度電路設計中的串擾問題?
2021-04-27 06:13:27
`AP15N10 N溝道100V(D-S)MOSFET一般說明AP15N10是N通道邏輯增強型電源場效應晶體管是使用高單元密度的DMOS來生產的溝槽技術。這種高密度工藝特別適合于最小化導通電阻。這些
2021-07-08 09:35:56
、外部補償、可調電流限制和 OCP/OVP/OTP 特性。它適用于高密度低電流電源軌。主要特色緊湊的雙 5.5A PoL,尺寸為 0.63 英寸 x 0.74 英寸 (16mm x 18.8mm)在
2018-08-22 08:51:58
`重慶回收施耐德高密度,CC 140AII33000 Quantum RTD/TC 輸入 回收140ACI03000 Quantum 模擬量輸入,單極性高速,8通道,4-20mA或
2020-08-14 21:09:17
1000V100A30KW高壓高密度程控直流電源支持60臺電源級聯操作,具有高功率因數、高轉換效率、高精確度、高穩定度、高可靠度、低紋波、低噪音、小體積(高密度)、極速響應等特點,廣泛應用于半導體
2021-12-29 08:23:41
DN1001- 高效率,高密度電源,無需散熱器即可提供200A電流
2019-05-31 12:51:49
本文介紹高速高密度PCB設計的關鍵技術問題(信號完整性、電源完整性、EMC /EM I和熱分析)和相關EDA技術的新進展,討論高速高密度PCB設計的幾種重要趨勢。
2021-04-25 07:07:17
高速高密度多層PCB設計和布局布線技術
2012-08-12 10:47:09
高速高密度PCB 設計中電容器的選擇
摘要:電容器在電子電路中有重要而廣泛的用途。與傳統的 PCB 設計相比,高速高密度PCB 設計面臨很多新挑戰,對所使用的
2009-11-18 11:19:48
20 高密度PCB(HDI)檢驗標準 術語和定義 HDI:High Density Interconnect,高密度互連,也稱BUM(Build-up Multilayer或Build-up PCB),即積層法多層板。積層互聯通常采用微孔技術,一
2009-11-19 17:35:29
59 高密度封裝技術推動測試技術發展鮮 飛(烽火通信科技股份有限公司,湖北 武漢 430074)摘要:高密度封裝技術的飛速發展也給測試技術提出了新挑戰。為了應對挑戰,新的測
2009-12-14 11:33:43
8 采用RCC與化學蝕刻法制作高密度互連印制板 &
2006-04-16 21:23:49
1582 HDI 板:專為高密度應用而設計的可靠解決方案在當今日新月異的電子產品市場中,對PCB的性能和可靠性要求越來越高。作為PCB銷售專家,我很高興向您介紹我們針對高密度互連(HDI)應用而設計的優質
2024-06-26 09:16:21
何謂高密度印制電路板
2006-06-30 19:26:45
1245 創造高密度的VoIP處理器
任何高密度VoIP平臺的關鍵需求之一,是它必須在低功耗和有限使用面積下,盡可能提供最多的通道。對于信
2009-11-27 20:42:08
900 
高密度印制電路板(HDI),高密度印制電路板(HDI)是什么意思 印刷電路板是以絕緣材料輔以導體配線所形成的結構性元件。在制成最終產品時,其上
2010-03-10 08:56:41
3061 隨著信號上升時間(下降時間)越來越短, PCB 的RE越來越嚴重,已逐步成為影響產品EMC性能的重要因素之一,PCB設計過程中必須采取綜合措施抑制RE。從高速高密度PCB設計的角度,總結
2011-08-15 10:41:53
0 隨著數字電子產品向高速高密度發展,SI問題逐漸成為決定產品性能的因素之一,高速高密度PCB設計必須有效應對SI問題。在PCB級,影響SI的3個主要方面是互聯阻抗不連續引起的反射、鄰
2011-09-09 11:00:09
0 實現下一代高密度電源轉換 ,小電源的內容。
2016-01-06 18:00:09
0 散熱應考慮的問題:確保第二代高密度DC-DC轉化器模塊性能
2016-01-07 10:26:42
0 散熱應考慮的問題:確保第二代高密度DC-DC轉化器模塊性能
2016-05-24 17:12:50
0 關于電源設計的,關于 實現下一代高密度電源轉換
2016-06-01 17:48:06
22 GaN產品應用于可靠和高密度電源的設計
2018-08-16 00:55:00
3952 更小外形的適配器。安森美半導體的NCP1340能解決此問題,設計高密度的適配器。本研討會將談論NCP1340的特點、高密度適配器參考設計和測試結果,以及設計高密度高開關頻率AC-DC適配器應注意的事項。
2019-03-04 06:39:00
5874 
許多人把芯片規模的BGA封裝看作是由便攜式電子產品所需的空間限制的一個可行的解決方案,它同時滿足這些產品更高功能與性能的要求。為便攜式產品的高密度電路設計應該為裝配工藝著想。
2020-05-05 15:32:00
3455 SMT貼片加工的發展道路已經朝著高密度的方向迅速發展,隨著電子科技的發展,市場也需要電子產品更加的小型化、精密化。高密度的SMT貼片加工可以帶來的好處多不勝數,許多電子OEM加工的訂單都是采用的高密度貼片加工,那么到底有些什么好處呢?
2020-07-01 10:06:51
3506 不同的類型和尺寸。這些通孔中的每一個都需要進行管理[鏈接到管理約束條件],以便正確使用它以確保最佳的電路板性能和無錯誤的可制造性。讓我們仔細研究一下PCB設計中管理高密度通孔的需求以及如何做到這一點。 驅動高密度印刷電路
2020-12-14 12:44:24
2728 高密度光盤存儲技術及記錄材料。
2021-03-19 17:28:20
11 DN1001-高效率、高密度電源提供200A電流,無散熱器
2021-04-27 10:44:50
4 AN77-適用于大電流應用的高效率、高密度多相變換器
2021-04-27 15:55:05
2 基于32位MCU的高密度高性能線臂STM32F103xC系列
2021-06-16 09:34:55
2 基于ARM的高密度高性能線STM32F103xC
2021-06-25 09:17:34
0 HDI PCB具有高密度屬性,包括激光微孔、挨次層壓布局、細線和高性能薄質料。這種增加的密度使每個單位面積的功效更多。先進技術HDI PCB具有多層添補銅的堆積微通孔,締造了允許更復雜的連接布局。這些復雜的布局為當今高科技產品中的大引腳數目、細間距和高速芯片提供了須要的布線和燈號完備性辦理方案。
2021-09-02 09:05:01
1374 模式和節能模式。瞬時PWM結構,實現迅速瞬態響應。Cyntec高密度uPOL模塊作用包括遠程啟用作用、內部軟啟動、無阻塞過電流保護和良好的電源供應。 Cyntec高密度uPOL模塊重量輕、封裝緊湊
2021-10-29 09:24:34
2510 由于 eGaN FET 和 IC 具有緊湊的尺寸、超快速開關和低導通電阻,因此能夠實現非常高密度的功率轉換器設計。大多數高密度轉換器中輸出功率的限制因素是結溫,這促使需要更有效的熱設計。eGaN
2022-08-09 09:28:16
1539 
高密度光纖配線架正逐漸成為常用的布線產品,尤其適用于數據中心和服務器機房等高密度布線環境,既然應用廣泛,那高密度光纖配線架安裝方法大家一定要了解清楚,下面科蘭通訊小編為您詳細講解一下。 高密度光纖
2022-09-01 10:18:40
2757 的才是最好的。高密度配線架怎樣選擇正確的型號?科蘭通訊為您解答。 ? 高密度配線架可以在1U的機架空間內提供144個LC連接密度。對于某些用戶來說,如此超高密度的好處多多,因為這些用戶機房內的導向器幾乎占據了機柜中所有的
2022-09-01 10:49:12
682 應用: 數據中心、企業網等大型機房 mpo高密度光纖配線架特點: 1、 安裝于19英寸機架及機柜中,用于模塊盒的集中管理 2、 通過模塊化設計實現端口數量的增長,提供光纖高密度連接能力 3、 MPO 1U 光纖配線箱可安裝4個MPO預端接盒,端接盒安裝雙工LC適配器最大
2022-09-14 10:09:37
1520 
在設計高速高密度PCB時,串擾(crosstalk interference)確實是要特別注意的,因為它對時序(timing)與信號完整性(signal integrity)有很大的影響。以下提供幾個注意的地方:
2022-09-16 08:54:05
2560 
數據中心機房高密度布線是我們現在經常關注的問題,這是因為高密度光纖配線箱的使用,很多人對于這一點有很多疑問,其實我們從數據中心機房網絡布線系統的結構就可以看出,當前最重要的有四種,分別是集中化直連
2022-09-21 10:21:12
1534 電子OEM加工的發展趨勢是比較良好的,研發型企業可以將生產方面的事全部交給專業PCBA代工代料的加工企業,將更多的精力和資源全部集中在產品研發和市場開發上面。在電子OEM加工中采用高密度PCBA
2022-11-07 09:58:23
1703 AN2931 在高密度的STM32F103xx微控制器中實現ADPCM算法
2022-11-24 08:34:26
2 高密度互連 (HDI) 需求主要來自于芯片供應商。最初的球柵陣列封裝 (BGA) 支持常規過孔。
2023-06-01 16:43:58
1194 
數據中心機房高密度布線是我們現在經常關注的問題,這是因為高密度光纖配線箱的使用,很多人對于這一點有很多疑問,其實我們從數據中心機房網絡布線系統的結構就可以看出,當前最重要的有四種,分別是集中化直連
2023-08-29 10:13:49
992 
電子發燒友網站提供《高密度布線設計指南.pdf》資料免費下載
2023-09-01 15:21:43
1 器件高密度BGA封裝設計-Altera
2022-12-30 09:21:18
3 高密度、高復雜性的多層壓合pcb電路板
2023-11-09 17:15:32
2975 高密度互連印刷電路板:如何實現高密度互連 HDI
2023-12-05 16:42:39
1817 
室外光纜接到高密度配線架有以下幾個步驟: 準備工具和材料:需要準備光纖連接器、光纜剝皮刀、光纖熔接機、光纜夾具、清潔用品等。 確定光纜接入位置:根據實際情況,在高密度配線架上確定光纜的接入位置和數
2024-03-11 13:37:42
1078 高密度光纖配線架的安裝是一個系統性的過程,需要遵循一定的步驟和注意事項。以下是安裝高密度光纖配線架的詳細步驟和歸納: 一、安裝前的準備 確定安裝位置:首先,確定高密度光纖配線架的安裝位置,通常應選
2024-06-19 10:43:31
1458 配線架的詳細解析: 一、定義與功能 定義:MPO配線架通過將一個連接器上實現多芯光纖的連接,大大提高了連接密度,實現了高密度、高效率的光纖連接。 功能:主要用于數據中心的光纖主干連接及配線管理,支持高速數據傳輸和交換,具備高度的可擴展性和靈活性。 二、
2024-09-10 10:05:41
1468 的數據,并且支持在時鐘信號的上升沿和下降沿都進行數據傳輸,從而實現了數據傳輸速率的倍增。高密度DDR芯片的內部結構復雜而精細,采用了先進的納 米級制程技術和多層布線技術。芯片內部集成了大量的存儲單元、控制邏輯、I/O接口和時鐘電路等,能夠實現高速、高效的數據存儲和訪問。
2024-11-05 11:05:05
1644 隨著電子技術的飛速發展,高密度集成電路(IC)的需求日益增長,而高密度有機基板作為支撐這些先進芯片的關鍵材料,其重要性也日益凸顯。本文將詳細介紹高密度有機基板的分類、特性、應用以及未來的發展趨勢。
2024-12-18 14:32:29
1753 
電子發燒友網站提供《AN77-適用于大電流應用的高效率、高密度多相轉換器.pdf》資料免費下載
2025-01-08 14:26:18
0 高密度互連(HDI)PCB因其細線、更緊密的空間和更密集的布線等特點,在現代電子設備中得到了廣泛應用。 一、HDI PCB具有以下顯著優勢: 細線和高密度布線:允許更快的電氣連接,同時減少了PCB
2025-01-10 17:00:00
1534 
電子發燒友網站提供《AI革命的高密度電源.pdf》資料免費下載
2025-01-22 15:03:32
1 隨著半導體技術的飛速發展,芯片集成度和性能要求日益提升。傳統的二維封裝技術已經難以滿足現代電子產品的需求,因此,高密度3-D封裝技術應運而生。3-D封裝技術通過垂直堆疊多個芯片或芯片層,實現前所未有的集成密度和性能提升,成為半導體封裝領域的重要發展方向。
2025-02-13 11:34:38
1613 
高密度封裝技術在近些年迅猛發展,同時也給失效分析過程帶來新的挑戰。常規的失效分析手段難以滿足結構復雜、線寬微小的高密度封裝分析需求,需要針對具體分析對象對分析手法進行調整和改進。
2025-03-05 11:07:53
1290 
光纖高密度ODF(Optical Distribution Frame,光纖配線架) 是一種用于光纖通信系統中,專門設計用于高效管理和分配大量光纖線路的設備。它通過高密度設計,實現了光纖線路的集中化
2025-04-14 11:08:00
1582 高密度配線架與中密度配線架的核心區別體現在端口密度、空間利用率、應用場景適配性、成本結構及擴展能力等方面,以下為具體分析: 一、端口密度與空間利用率 高密度配線架 端口密度:每單位空間(如1U機架
2025-06-13 10:18:58
700 高密度配線架和中密度配線架的核心區別在于端口密度、空間利用率、應用場景及管理效率,具體對比如下: 一、核心區別:端口密度與空間占用 示例: 高密度配線架:1U高度可容納96個LC雙工光纖端口(48芯
2025-10-11 09:56:16
268 
根據參考信息,?沉金工藝(ENIG)? 是更適合高密度PCB的表面處理工藝?。以下是具體原因: 平整度優勢 高密度PCB(如使用BGA、QFN等封裝)的焊盤多且密集,對表面平整度要求極高。噴錫工藝
2025-11-06 10:16:33
359 Amphenol ICC 3000W EnergyEdge? X-treme 卡邊連接器:高功率與高密度的完美結合 在電子設備不斷向高功率、高密度方向發展的今天,連接器的性能和設計顯得尤為重要
2025-12-12 13:55:06
195
評論