汽車制造商減少內燃機 CO2 排放量并滿足其目標的一種方式是實現汽車電氣化,類似于電動火車: 混合動力電動汽車將內燃機與 50 kW 至 100 kW 電動機相結合,只要可能都可以加速或關閉引擎,能夠減少 CO2 排放量 20% 至 40%。
2015-09-28 09:55:19
932 V15 XENSIV? PAS CO2 5V傳感器。XENSIV? PAS CO2 5V傳感器采用光聲光譜法精確測量二氧化碳 (CO2) 含量。該傳感器可集成到暖通空調系統、智能家居和樓宇設備以及智慧農業方案中
2024-11-19 16:08:24
918 1引言 自1973年第一臺射頻(RF)波導激光器問世至今已26年多。最初是將線圈繞在波導上,實現了RF激勵波導激光器的發光。它首次顯示了低電壓激勵的優越性。那時,還有許多不完善的地方。存在的主要
2019-06-19 06:26:07
我對電子一竅不通。我幾周前才了解微控制器、Arduino 等。
我剛收到 Senseair S8 CO2 傳感器,正在等待。
并未展示如何組合并為 CO2 傳感器和 OLED 顯示器供電。
我應該使用那些:
OLED VDD → NMCU VIN
Senseair G + → NMCU VU嗎?
2023-06-02 07:58:40
在PCB生產中,需要根據一定的規格進行打孔和切割,如果每一次操作都需要模具或者保護板,則太麻煩,效率不高。使用激光切割,就比較簡便。激光切割主要有二氧化碳激光(CO2激光)和紫外激光(UV激光
2016-12-29 17:25:22
德國Taufenbach激光打標機電源維修RFE020激光打標機維修范圍包括:CO2激光打標機,半導體激光打標機、光纖激光打標機和YAG激光打標機。激光打標機主要應用于一些要求更精細、精度更高的場合
2021-12-31 06:29:58
T系列CO2激光電源是鐳之源針對CO2激光切割機、CO2激光雕刻機研發的一種通用型激光電源。T系列電源是我們銷量最多的電源,產品的穩定性和效率高,受到業內人事一致好評
2019-12-07 16:27:41
申請理由:我公司是做新風系統和空氣凈化器的公司,目前只是把PM2.5和CO2的數據顯示到機器的顯示器上。現在智能家居非常火,公司也想做這方面的開發,這個板子正好可以用來開發我們的模塊。項目描述:把
2015-08-19 09:01:39
各位高手請指點下,您的指導是他人前進的不竭動力。為什么我用51單片機發送5個字節的命令,傳感器沒有返回5個值,而我不用51單片機,直接用串口調試助手給CO2濃度傳感器發送相同的5個字節的命令,CO2
2014-08-10 19:13:40
本帖最后由 eehome 于 2013-1-5 10:07 編輯
現在正在做關于室內CO2檢測的項目,選擇的CO2傳感器是MG811,根據傳感器的資料如圖 靈敏度曲線如圖但是我拿實物上電測量
2012-08-06 10:21:19
本文主要記錄利用STM32的USART2串口采集CO2傳感器數據,并通過USART1串口利用串口調試助手顯示CO2數值。一、實驗器材正點原子STM32MINI開發板,煒盛科技CO2(MH-Z19C
2022-02-22 07:40:14
如何利用STM32的USART2串口采集CO2傳感器數據呢?怎樣通過USART1串口利用串口調試助手顯示CO2數值?
2021-12-10 07:50:50
我有一個MG811 CO2 傳感器,想將它與 ESP32 一起使用。MG811 需要 6V 電源。我猜ESP32只支持 3.3V是否有可能以低于 6V 的電壓運行 MG811,例如 3.3V如果不行,有沒有辦法從 ESP32 中獲得 6V?
2023-04-13 09:05:40
基于51單片機的CO2檢測報警系統有何功能?如何對基于51單片機的CO2檢測報警系統進行Protues仿真?
2021-10-18 06:13:19
本人學生,畢業設計要做基于stm32的co2濃度監測,可是網上到處都找不到有關6004的技術資料,在此求助于各位大神。給點建議
2013-05-15 10:45:21
既然我有一個可用的 USB 供電的 8266 TTGO 板 + CO2 傳感器,我想構建一個電池 + USB 供電的替代品,這樣我就不必攜帶移動電源或 USB 充電器了。
2023-05-11 07:23:49
最近實驗中發現了這樣一個問題。空氣和二氧化碳配制的混合氣體通過管道輸送到實驗設備,在管道一端接了一個三通,在三通側向的出口放入一個測量CO2濃度的探頭,進行CO2濃度的實時測量。見附件的圖。我
2014-08-23 23:29:22
【作者】:閆廷光;肖豐霞;王金平;崔維群;李育德;【來源】:《強激光與粒子束》2010年02期【摘要】:報道了軸對稱-折疊組合腔CO2激光器原理性實驗研究,激光器能在CW模式下成功運行。研究得到
2010-04-22 11:39:00
二氧化碳傳感器模塊用于密閉大棚種植CO2濃度檢測
2020-12-01 07:05:22
將非接觸超聲傳感焊縫跟蹤技術引入到氣體保護焊中。因為保護氣體不同,超聲波信號的衰減也不同。通過試驗對Ar、CO2 ,和Ar + CO2 等氣體對超聲波信號的影響進行了研究。結果表明,Ar
2009-07-16 10:26:13
12 通過對CO2 焊接形式的分析, 找出影響焊接質量的原因及解決方法, 以充分發揮其焊接變形小、焊接強度高、節能、高效的特點。關鍵詞: 客車骨架 CO2 焊接 焊接質量 影響因
2009-07-25 16:35:30
13 通過對客車骨架CO2 焊接中出現的質量問題的研究分析, 找出其主要影響因素, 從而制定提高焊接質量的工藝措施。關鍵詞: 客車 骨架 CO2 焊接 焊接質量 工藝措施Abstract:
2009-07-25 16:47:59
11 本文介紹一基于 TDLAS 技術的便攜式CO 和CO2 遙測儀的設計。對該遙測儀的工作原理,系統設計與嵌入式軟硬件實現作了較詳細的分析。利用地面等作
2009-09-05 08:18:52
48 研究基于雙恒流外特性的新型CO2焊逆變電源,該電源采用雙恒流外特性,由微機控制系統在燃弧階段自動切換恒流值,在短路階段優化控制電流波形,從而達到減小飛濺和改善焊縫
2010-02-01 16:04:50
41 報道了軸對稱-折疊組合腔CO2激光器原理性實驗研究,激光器能在CW模式下成功運行。研究得到了激光器最佳的氣體比率和氣體壓強。通過研究CO2激光器的不同方面,如激勵門電壓和
2010-03-05 15:13:57
19 擅要:以CO2焊機常用的電路為例,分別從主電路、控制電路、動作程序、機械故障等幾十方面介紹了常見焊接故障及排除方法。美t詞:埠機;CO2:焊;NBC系列抽頭武;常見故障及
2010-05-28 08:26:41
181 全橋CO2逆變電源主電路元件的選擇與參數計算摘要:在介紹CO2 逆變電源主電路的組成及工作原理的基礎上,對主電路中各元件的參數進行了計算,并根據計算
2010-06-02 17:21:01
53 TEA CO2激光器脈沖高壓電源電壓通常在40-60KV,電流甚小;而高速流動連續波大功率CO2激光,又需要安培級的大電流直流電源,電壓較低,約10KV以下,這兩套電源都是高壓大功率電源,加上調
2010-06-05 09:32:18
57 摘 要:介紹了高功率CO2激光器開關電源的工作原理。提供了一種新的采用單片機控制脈沖輸出的方法,實現了激光脈沖頻率和占空比的實時可控,且對試驗結果進行了分析。關鍵詞:
2010-11-23 21:49:22
48 摘要:采用拍頻法測量CO2激光器頻率穩定度。計算機通過IEEE488接口直接從計數器上接收數據,并通過程序計算得出激光器的頻率穩定度。采用脈沖外差法測量脈沖CO2激光器頻率穩定度
2010-11-23 22:40:07
22 提要 報道了電光調Q射頻波導CO2激光器,其中波導長度400mm,在插入電光調Q晶體但不加調制電壓情況下,激光器的連續輸出功率為315W。調Q脈沖重復頻率1Hz~10kHz可調,在10kHz重復頻率時,
2010-11-27 23:00:51
31
CO2傳感器電路圖
2009-07-08 11:29:53
2281 
CO2焊接逆變電源及其智能模糊控制
摘要:在分析CO2焊接過程控制特點的基礎上,設計了恒流型IGBT逆變電源。在不同的熔滴過渡形式下,提出了弧長和
2009-07-27 08:27:45
892 
圖1中第1部分為整流濾波電路,采用全波橋式整流與電容濾波將220V交流變為311V平滑直流。第2部分為開關電源,將311V直流變為100kHz脈沖電流,再經電容、電感濾波后
2009-07-27 08:37:21
4977 
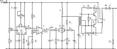
IGBT在CO2氣體保護焊電源中的電路原理圖
IGBT在CO2氣體保護焊電源中的應用電路圖如圖所示
2010-02-17 17:14:12
3400 
CO2激光器原理
CO2激光器光電效率相對較高,不造成工作介質損害,發射出10.6μm波長的不可見激光,是
2010-05-08 10:00:59
7114 
基于CO2激光器進行塑料產品機械加工工藝
CO2激光器被廣泛用于加工從柔性電路到商業招牌的塑料產品。CO2激光器的遠紅外發射和較高的平
2010-05-08 17:06:11
1143 CO2激光器的供氣設備的選擇方法和要點
位于美國Ohio州Lima市的Allen County Fabrica-tion公司是一家從事加工制造行業的廠商,它采用了TRUMPF公司L3050 5kW CO2
2010-05-08 17:11:34
1523 前面介紹的CO2激光器電源都使用了工頻變壓器,由于激光輸出功率較大,電源消耗的電功率也比較大,所以電源的體
2010-11-13 12:20:43
6768 
圖中給出橫向激勵大氣壓CO2激光器(TEA CO2激光器)使用的電源.它由充電電源儲能電容器,火花隙開關等構成主回路.
2010-11-13 16:05:29
2168 
常用CO2傳感器
2011-01-09 23:39:25
97 本文基于電抗囂對。 弧焊電源動特性的影響.給出了晶鬧管逆變式CO2弧焊電源電子電抗囂的設計方法、實例和實驗結果 使用這種電抗囂,既能減小電源的體積和重量,又能有效地改善
2011-10-14 17:56:42
44 為了使人們能在一個舒適的環境中工作、學習,設計了一種CO2氣體檢測報警及自動排除裝置。目的是當室內空氣中CO2氣體濃度超標至危及人體健康和安全時,此裝置將報警并自動啟動通
2013-03-04 16:08:43
62 美國TeraDiode公司開發出一款超高亮度千瓦級直接半導體激光器。該激光器具有與工業用光纖與CO2激光器相比擬的亮度,比現金最好的直接半導體激光器輸出光束高十倍以上。
2013-05-22 11:39:59
8045 
基于紅外傳感器的CO2氣體檢測電路設計,下來看看
2016-12-17 11:38:23
53 2016-2019年CO2激光設備市場研究及前景預測報告
2017-01-14 01:56:57
0 美國麥克公司儀器在CO2溫室氣體貯存中的應用
2017-02-14 16:43:27
13 為何使用CO2激光器? CO2激光器與普通工業激光器相比很獨特,因為它以長波紅外線的形式輸出時,波長通常為10.6m。許多有機材料對這類長波長的吸收能力都很強,包括紙、木材、塑料、橡膠、紡織物和皮革
2017-10-12 19:02:47
9 ,CO2激光打標機,半導體激光打標機、光纖激光打標機和YAG激光打標機,目前激光打標機主要應用于一些要求更精細、精度更高的場合。應用于電子元器件、集成電路(IC)、電工電器、手機通訊、五金制品、工具配件、精密器械、眼鏡鐘表、首飾飾品、汽車配件、塑
2017-10-19 11:18:46
27 日本特殊陶業展出了通過紅外吸收型CO2氣體傳感器,該傳感器的主要用途是檢測CO2泄漏。使用CO2的制冷機以家庭用途為開端開始普及。
2018-04-20 17:21:00
2597 
以前分析呼氣中CO2水平的方法對用戶來說不是特別友好。諸如肺活量計的干線供電裝置需要特定的技巧下才能得出一致的結果,這樣的技巧對年幼和年長的用戶帶了來極大的麻煩和挑戰。此外,這些系統不能快速或足夠
2018-06-08 10:37:12
3386 CO2分子為線性對稱分子,兩個氧原子分別在碳原子的兩頭,所表明的是原子的平衡位置。分子里的各原子一向運動著,要繞其平衡位置不停地振動。
2019-07-08 15:42:35
49201 CO2激光器是一種分子激光,主要的物質是二氧化碳分子。與其它氣體激光器一樣,CO2激光器工作原理其受激發射過程也較復雜。分子有三種不同的運動,即分子里電子的運動,其運動決定了分子的電子能態。
2019-07-08 15:46:03
18489 
利用CO2分子的振動-轉動能級間的躍遷的,有比較豐富的譜線,在10微米附近有幾十條譜線的激光輸出。近年來發現的高氣壓二氧化碳激光器,甚至可做到從9~10微米間連續可調諧的輸出。
2019-07-08 15:51:48
31161 CO2激光器是一種以CO2來產生激光輻射的氣體激光器,是目前用最廣泛的激光器之一,它有著一些非常突出的高功率、高質量等優點。CO2激光器是目前連續輸出功率較高的一種激光器,它發展較早,商業產品較為成熟,被廣泛應用到材料加工、醫療使用、軍事武器、環境量測等各個領域。
2019-07-08 15:55:44
6922 CO2氣體保護焊的電流密度大,可達100~300A/mm2,因此電弧熱量集中,焊絲的熔化效率高,母材的熔透厚度大,焊接速度快,同時焊后不需要清渣,所以能夠顯著提高效率,節省電能。
2019-11-18 09:45:00
38212 CO2氣體保護焊時,為了保證電弧的穩定燃燒,一般采用直流反接,即焊件接負極,焊槍接正極。只有在堆焊或焊補鑄鋼件時,才采用正接法。
2019-11-18 10:06:16
22772 應用產品:環保中央空調 推薦傳感器:FAD-AN 應用介紹:在系統正常運行時,新風量控制CO2氣體濃度。 典型應用:中央空調、環保空調的CO2濃度監測,監控房間時候缺氧 原理:CO2傳感器能時刻監測新風的CO2的含量,提醒并控制通風。 圖例:
2020-03-19 16:43:00
1636 推薦傳感器:FAD-AN 應用介紹:二氧化碳(CO2)在高濃度下能抑制大多數需氧菌和霉菌的繁殖生長,有利于抑制微生物的繁殖。大型氣調糧倉的CO2濃度的快速檢測 典型應用:氣調保鮮包裝機;糧食倉庫氣體測定儀 圖例: 相關傳感器:溫濕度/PH3
2020-03-19 16:25:00
1437 一般激光切割機使用的激光管內填充的主要氣體為CO2,因此這種激光管成為CO2激光管,而使用這種激光管的激光切割機稱之為CO2激光切割機。
2019-12-10 11:35:41
7909 舉個例子,如果培養箱中的CO2濃度設定為5%,培養液中碳酸氫鈉的添加量應為1.97克/升;如果CO2濃度保持在10%,碳酸氫鈉的添加量應為3.95克/升。
2020-08-03 14:56:54
1965 ExplorIR?-M(以前稱為MinIR)是一種堅固,低功耗的微型CO2傳感器。其緊湊的設計可輕松集成到氣體監測和檢測系統中。該傳感器可在惡劣環境中可靠地測量CO2濃度,濃度高達100%。這包括暴露于不同程度的壓力和高振動條件的應用。
2020-10-25 14:46:29
3028 SprintIR?-6S是一種響應速度非常快的CO2傳感器。響應速度比SprintIR?-W快6倍,6S是目前最快的響應NDIR CO2傳感器。該傳感器每秒讀取20個讀數,這使其成為高速傳感要求和測量快速變化的CO2水平的理想選擇。
2020-10-25 14:49:10
2951 如今,激光設備日新月異,新設備代替老設備成為制造行業的新主流的步伐正不斷地加快,如光纖激光切割機代替CO2激光切割機。為何光纖激光切割機能替代CO2激光切割機,下面從三個方面來分析一下。
2020-12-25 11:03:58
1675 二氧化碳(CO2)大家都知道,是一種我們看不見摸不到的氣體,但是從某種意義上講,二氧化碳也是作物生長必不可少的一種肥料。因此,在現代農業生產中,很多農業種植者使用co2記錄儀來測量記錄二氧化碳含量
2020-12-28 15:50:26
761 目前,致密油藏的高效開采仍是世界研究的重點及難點,其中CO2壓裂技術受到廣泛重視。為了進一步明確CO2前置壓裂流體之間的相互作用機理,利用室內實驗對地層條件下CO2注入后原油高壓物性(密度、黏度
2021-04-15 15:08:19
4 銳龍焊機維修手冊(CO2氣保焊系列)
2022-01-12 10:11:38
5 El.En.S.P.A.(艾倫激光)是一家位于意大利佛羅倫薩的著名激光器制造商,專業為激光加工業提供射頻CO2激光源,3D激光掃描振鏡和定制化激光設備。自1981年成立以來,艾倫激光與全球超過
2022-06-09 13:57:02
4165 大氣中二氧化碳(CO2)的濃度持續增加,使得環境災害頻發等問題日趨嚴重,CO2回收及轉化利用亟需進一步的研究和發展。
2022-10-10 17:23:52
3901 CO2電解的安培級電流密度對于實現多碳 (C2+) 燃料的工業生產至關重要。 然而,在如此大的電流密度下,催化劑表面較差的 CO 中間體 (*CO) 覆蓋會引發競爭性析氫反應,從而阻礙 CO2 還原反應 (CO2RR)。
2022-10-18 11:54:26
3166 CO2電還原制CO被認為是最有希望獲得具有成本競爭力的產品的途徑之一。新型氣體擴散電極 (GDEs) 由活性催化劑、疏水粘結劑和導電添加劑組成,迅速擴大了電化學CO2還原反應 (eCO2RR) 的范圍
2022-10-18 15:40:12
2136 基于此,本文基于雙波段單氣路設計,提出了一種基于紅外熱釋電效應的微型化非分光紅外CO2傳感器。采用標定法,探究了溫度補償方法,測量了不同濃度、不同溫度下探測器的輸出值,建立了溫度、CO2濃度與探測器輸出值之間的關系模型,實現了傳感器的溫度補償,使其能夠在不同溫度與不同濃度的環境下進行精確測量。
2022-10-24 17:01:01
1720 電子發燒友網站提供《使用帶有Arduino的Atlas Scientific CO2傳感器.zip》資料免費下載
2022-11-07 11:13:26
0 本方案是一個基于 Arduino UNO 的CO2測量儀,將教您如何制作臺式二氧化碳測量儀。在這個項目中,我們將進行使用臺式式CO2儀表傳感器從阿特拉斯科學迷上了一個Arduino UNO。以
2022-12-21 10:59:22
0 水溶液中CO2的電化學還原受到競爭性析氫和CO2低溶解度的限制。最近的研究表明,熔融鹽可以作為理想的電解質,捕獲、激活并將CO2轉化為碳材料和碳氫化合物。
2022-12-30 10:38:10
2956 電化學還原CO2為增值化學品引起了科研人員的廣泛關注,但由于CO2電還原反應的復雜性質,報道一種新的CO2電催化劑或新的反應器設計的性能并不重要。
2023-01-08 11:38:37
2473 在酸性介質中的電催化CO2還原反應(CO2RR),通過防止碳酸鹽/碳酸氫鹽的形成,以更有效的利用CO2。
2023-01-10 09:24:06
2720 結構表征揭示,在CO2的輔助下,La2CuO4鈣鈦礦氧化物中的La位點能夠從晶格中脫出溶解,誘導了晶格中Cu位點的還原和重排,最終形成富含晶界的多晶銅納米電催化劑。電化學測試表明,該催化劑在中性電解液中表現出優異的CO2還原性能
2023-03-17 11:28:17
1801 CO2射頻激光器覆蓋9.3um、10.2um、10.6um等多個波段,功率從25W-450W各個不同型號。
2023-06-16 09:21:44
1853 
上海昊量光電設備有限公司與意大利El.En.激光簽署射頻CO2激光器獨家代理協議!El.En.S.P.A.(艾倫激光)是一家位于意大利佛羅倫薩的著名激光器制造商,專業為激光加工業提供射頻CO2激光
2022-06-09 11:26:35
2466 
通過STM32F103C8T6單片機進行主控,二氧化碳傳感器(TPM-200A-CO2)進行CO2濃度檢測,按鍵設置參數閾值,CO2濃度超限就會通過繼電器調節。
2023-07-19 09:47:24
4894 
來源:半導體芯科技編譯 Brewer Science將在墨西哥坎昆舉行的Carbon 2023會議上用對比研究來展示由不同碳材料制備的印刷和柔性CO2傳感器。 氣體傳感器是智能檢測系統的重要組成部分
2023-07-19 16:32:46
874 將CO2還原為具有附加產值的化合物具有極大的經濟效益,同時也能降低人類對化石燃料的依賴以及緩解溫室效應。
2023-09-25 10:02:05
3690 
激光技術是一種先進的加工技術,面向輕工業企業客戶群的中功率CO2激光器用途廣泛,根據不同的產品應用領域可分為低端、中端、高端,形成不同層次的產品梯次結構,滿足不同檔次的客戶需求。塑膠、玻璃、模具等
2023-11-06 08:07:37
1243 
ZPR零相位延遲鏡是利用高度增強的零相薄膜涂層,應用于硅或銅反射鏡基板。這種設計為低損耗偏振不敏感CO2激光反射鏡奠定了基礎,這樣的CO2零相位延遲反射鏡的功能主要是在保持光束傳輸系統的圓偏振。
2024-03-12 11:36:05
1575 
CO2激光切割機光纖改造
2024-04-23 11:55:47
1 CO2通快與百超聚焦鏡選擇方法
2024-04-23 11:56:10
1 英飛凌全新的PAS 5V CO2傳感器,能實時精確檢測CO2 濃度,專為暖通空調(HVAC)和智能家居應用場景中的空氣質量監測所設計。
2024-08-07 10:20:26
1519 
????????? CO2氣體保護焊機的維修是一項既要有理論知識,又要有豐富的實踐經驗的綜合性工作。這就要求修理人員既要懂得CO2氣體保護焊的基本知識,又要了解CO2焊機的工作原理并掌握焊機的各種
2024-12-18 14:21:02
1 隨著科技的進步,人們對于生活以及身體健康關注越來越高。CO2(二氧化碳)是地球大氣的重要組成部分,與人類生活息息相關。關注CO2(二氧化碳)氣體,監測CO2(二氧化碳)氣體至關重要。CO2(二氧化碳)傳感器的應用領域和選擇方案值得我們關注。
2025-01-07 17:01:09
1187 
二氧化碳 (CO2) 傳感器。STCC4采用超小型4 × 3 × 1.2mm3封裝,可直接測量CO2濃度,適用于室內的空氣質量監測器、空調、智能恒溫器等空間受限的環境監測應用。 ? Sensirion
2025-09-15 18:29:45
426 
XENSIV? PAS CO2 迷你板:高精度 CO? 傳感解決方案 在電子工程師的工作中,尋找高精度、小尺寸且易于集成的傳感器是一項持續的挑戰。而英飛凌的 XENSIV? PAS CO2 迷你板
2025-12-19 14:50:03
148 XENSIV? PAS CO2 Sensor2Go評估套件快速上手指南 在電子工程領域,對于二氧化碳($CO_2$)傳感器的評估和應用是一個重要的研究方向。英飛凌的XENSIV? PAS CO2
2025-12-19 16:15:02
242
評論