|
串聯堆積式多電平變換器運行特性的實驗研究 摘要:在比較分析三種多電平變換器的拓撲結構、工作原理和控制特點基礎上,對其中串聯堆積式多電平變換器進行了實驗研究,指出它固有自平衡、自穩定以及低開關電壓應力的運行特性,因而將會廣泛地應用于高壓變換器中。 關鍵詞:多電平;變換器;高壓
1? 前言 ??? 隨著電力電子技術的不斷發展,對電能變換裝置的要求越來越高。近年來,多電平技術在電力電子的應用中得到了廣泛的重視。它可以用于整流、逆變以及直流斬波等多種能量變換電路中。歸納起來,多電平主要有以下幾方面特點: ??? 1)在整流或逆變電路中,采用多電平技術可以使輸入或輸出電流近似正弦波,大大減小了諧波污染,提高了功率因數; ??? 2)多電平的引入可以使開關器件的電壓額定值成倍減低,使低壓開關管能夠應用于高壓場合中; ??? 3)箝位多電平技術可以實現穩態和動態時均衡分壓,并且限制dv/dt,抑制電磁干擾影響; ??? 4)在DC/DC變換中可以將準諧振軟開關與多電平技術相結合,減小開關損耗,提高效率; ??? 5)多電平技術使變換器模塊化成為可能,提高額定容量,增加冗余。 ??? 基于以上特點,多電平技術未來將會在電力電子技術的發展中起到重要作用。以下將在比較研究串級式多電平(cascade multi-level)、箝位二極管式多電平(diode clamp multi-level)和串聯堆積式多電(series-stacked multi-level)三種變換器的拓撲結構、工作原理和控制方式基礎上,對串聯堆積式多電平變換器工作特性進行實驗研究。 2? 三種多電平變換器分析比較 2.1? 串級式多電平變換器 ??? 串級式多電平變換器如圖1所示,是將多個功率變換器模塊串聯后直接給負載供電。 ??? 從圖1可見,串級式多電平結構簡單,串聯的每個功率變換器僅向負載提供一部分電壓,從而即提高了輸出電壓等級,并且可以使變換器產生多級電平輸出。在控制過程中,它不需要對各模塊內部進行控制調節,而由主輸出閉環控制器對模塊工作進行監控。
圖1? 串級式多電平變換器 ??? 該電路拓撲的一個重要特點是它需要多級隔離母線,因而適用于如蓄電池等輸入隔離的電源場合,一般用于低頻(電源基頻)變換中。 2.2? 箝位二極管式多電平變換器 ??? 圖2為一典型的箝位二極管式多電平變換器拓撲。箝位二極管式多電平變換器是直接在高壓直流電源側并聯多級串聯電容及箝位二極管來減小功率開關管的電壓應力。
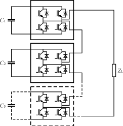
圖2? 箝位二極管式五電平變換器拓撲 ??? 該種變換器非常適合于三相功率因數校正電路,因為這時電路直流側Vdc的電壓一般為750~800V,甚至達到1000V。這就要求大幅度地提高PFC后級直流變換器電壓額定值,成本大幅度地上升。串級式多電平變換器拓撲就可根據已有的開關器件,成倍地減小開關電壓應力,例如原來必須采用1000V開關器件的,現在三電平變換器拓撲后只須500V開關管就足夠了,降低了成本,滿足了實際需要。因此目前,在中高電壓大功率DC/DC變換器中,主要采用三電平變換器拓撲。 ??? 但該種變換器在高于三電平時,電路拓撲及控制較復雜。 2.3? 串聯堆積式多電平變換器 ??? 串聯堆積式多電平變換器如圖3所示,它可以看做串級式多電平變換器和箝位二極管式多電平變換器的組合,即利用后者直流高壓電源側并聯多級串聯電容降低各輸入變換器電壓應力,又利用前者多個功率變換器模塊串聯來產生多級電平輸出,因而兼有兩者的優點,所不同之處在于它的各變換器模塊之間需通過變壓器耦合后再對負載供電。
圖3? 串聯堆積多電平變換器 ??? 此拓撲結構一般采用了分散邏輯控制方法[1]。與多級串級式多電平變換器相比,無須利用多光纖來傳送驅動信號和狀態反饋信號以及為減少各模塊之間的共模電壓干擾對被測各模塊的電壓和電流進行隔離。在分散控制中,僅需一條光纖傳送驅動信號和狀態反饋信號,每一模塊可以現場檢測電壓和電流,減小了模塊之間的共模電壓干擾。因此提高了系統的可靠性。 3? 串聯堆積式多電平變換器實驗研究 ??? 實驗電路是一臺單相串聯堆積式三電平逆變器,如圖4所示。實驗電路主要參數如表1所列。 表1? 實驗電路主要參數
圖4? 三電平串聯堆積式逆變器 ??? 外加電阻Run接在第一級電平母線上,通過這個外加電阻的開或合來模擬三電平逆變器輸入直流母線電壓的不平衡。圖5是測試得到的三電平電壓(V1、V2和V3)和輸出交流電壓(Vo),從圖5中可以看到,輸出交流電壓Vo有效值即使在母線不平衡條件下仍能保持恒定,具有較好的自平衡、自穩定瞬態響應能力。三電平母線電壓經過大約500ms將達到新的平衡,新平衡母線電壓值比原來起始母線電壓值低約25V。
圖5? 逆變器自平衡波形 ??? 如果再引入一個簡單的外環控制將進一步降低逆變器的自平衡響應時間。這個外環控制采用比例控制,將各模塊變換器電壓與母線之間電壓差比較輸出。圖6是加入外環控制后的測試結果。從圖6中可以看到,經過20ms母線上各電壓即可達到新的平衡,比不加外環控制時平衡時間縮短了約25倍。因此,經過對控制系統的優化,此串聯堆積三電平逆變器的自平衡能力將得到有效的改善。
圖6? 帶外環控制逆變器自平衡波形 ??? 以上研究表明,串聯堆積式多電平變換器由于固有自平衡、自穩定以及功率開關電壓應力低等特點,使它能廣泛地應用于高電壓變換器中,是大功率高電壓輸入模塊變換器的良好解決方案。 4? 結語 ??? 本文分析比較了三種多電平變換器。經過對它們各自特點的研究,將使多電平技術能更好地應用于電力電子變換器的設計中。可以預見,基于多電平的鮮明特點,它將在今后變換器設計中起到越來越重要的作用。最后,值得一提的是,高于三電平的多電平控制技術還有待于進一步研究。 |
串聯堆積式多電平變換器運行特性的實驗研究
- 變換器(112227)
相關推薦
熱點推薦
一種新型混合多電平逆變器的研究
1981年,日本的Nabae等人提出了多電平變換器的思想,近年來成為了高壓大功率變頻領域的一個研究熱點。多電平逆變器輸出電壓階梯多,從而可以使輸出的電壓波形具有較小的諧波和較
2011-10-09 11:15:42
2824
2824
雙向全橋LLC諧振DC-DC變換器的研究—雙向諧振變換器
常見的雙向諧振變換器主要有雙向串聯諧振變換器(Serious Resonant Converter, SRC)和雙向 LLC 諧振變換器。
2023-12-05 11:27:50
23194
23194
串聯諧振變換器
電壓轉換比特性的改善。按照諧振元件的諧振方式可分為串聯諧振(也稱為串聯諧振試驗裝置)變換器、并聯諧振變換器以及兩者結合產生的串并聯諧振變換器。串聯諧振:由于是串聯分壓方式,其直流增益總是小于1,類似
2020-10-13 16:49:00
多電平雙向DCDC變換器的工作原理是什么
多電平雙向DCDC變換器的工作原理一、所用論文和參考文獻1.1 主要是中文的文獻二、工作原理和重要概念2.1 飛跨電容的作用2.2 三電平的工作原理1.3 多電平的優點二,一些注意點2.1 電感
2021-11-16 07:09:50
Boost-Buck光伏接口變換器控制策略研究
外特性要求,設計了基于功率匹配、參考取小的控制方案;對使用單管工作產生的升降壓模式切換問題,給出加入雙管降頻區間的解決策略。實驗研究結果表明所采用的控制策略簡單有效,實現了變換器高效率和平滑的運行,滿足直流總線供電系統控制要求。
2019-06-03 05:00:03
LLC變換器設計要素(資料下載)
最近 LCC 諧振變換器備受關注,因為它優于常規串聯諧振變換器和并聯諧振變換器:在負載和輸入變化較大時,頻率變化仍很小,且全負載范圍內切換可實現零電壓轉換(ZVS)。本文介紹了LLC 型諧振
2016-01-19 14:54:05
LLC諧振變換器的研究
LLC諧振變換器的研究諧振變換器相對硬開關PWM變換器,具有開關頻率高、關斷損耗小、效率高、重量輕、體積小、EMI噪聲小、開關應力小等優點。而LLC諧振變換器具有原邊開關管易實現全負載范圍內的ZVS
2018-07-26 08:05:45
U/F變換器和F/U變換器
波、鋸齒波、矩形波等。如果U/F變換電路輸出波形是對稱的,如正弦波、三角波、方波等,這種電路稱為壓控振蕩器(VCO),如果輸出波形是不對稱的,則為U/F變換器。 U/F變換器和F/U變換器有模塊式
2011-11-10 11:28:24
同軸線變換器怎么分析?
介紹了一種分析同軸線變換器的新方法,建立了理想與通用模型,降低了分析難度和簡化了分析過程。通過研究分析,提出了一種同軸變換器與集總元件相結合的匹配電路設計方法,通過優化同軸線和集總元件的參數,實現
2019-08-19 07:42:07
基于pwm的buck變換器電路的開環實驗
基于pwm的buck變換器電路的開環實驗怎么做?是使用信號發生器給電路送pwm信號嗎?還是其他方法?我是個新手,只懂些理論不會實踐,還請大佬不吝賜教,感謝!
2020-09-14 19:42:55
開關變換器的實用仿真與測試技術
《開關變換器的實用仿真與測試技術》系統地論述了開關變換器模型、控制方面的基本原理和實用設計方法、基本仿真和實驗測試技術,以及開關調節系統設計中的仿真與測試技術的應用。主要內容有:DC-DC變換器模型
2016-06-11 16:50:47
無橋PFC變換器綜述
) 的 PFC 變換器在低壓輸入時效率較低的現狀,無橋 PFC 變換器拓撲引起國內外研究者的關注。本文介紹了無橋 PFC 變換器的發展現狀,并對 Boost、Sepic、Cuk 無橋 PFC 變換器
2025-03-13 13:50:36
熱電式傳感器的特性研究實驗
熱電式傳感器的特性研究實驗 熱電式傳感器熱電式傳感器是利用轉換元件的電磁參量隨溫度變化特性,對溫度及其有的參量進行檢測的裝置。其中,將溫度變化轉換為電阻變化的是熱電阻傳感器。將溫度
2008-06-04 12:59:08
矩陣式變換器雙向開關四步換流技術研究
本帖最后由 eehome 于 2013-1-5 09:43 編輯
矩陣式變換器雙向開關四步換流技術研究 對矩陣式變換器(MC)中雙向開關的安全換流課題進行了研究。分析了各種換流方案,進而
2013-01-04 18:45:53
資料分享:LLC 諧振變換器的研究
橋臂實現 ZVS 的負載范圍較小;整流二極管存在反向恢復問題,不利于效率的提高;輸入電壓較高時,變換器效率較低,不適合輸入電壓高和有掉電維持時間限制的高性能開關電源。 LLC串聯諧振DC/DC 變換器
2019-09-28 20:36:43
選擇最佳DC/DC變換器的要點及途徑
輸出調節 ①電感式DC/DC變換器:電感式DC/DC變換器具有良好的輸出調節能力。一些電感式DC/DC變換器還具有外部補償引腳,允許根據應用“精細調整”輸出的瞬態響應特性。 ②無電壓調節的電荷泵
2018-09-28 16:03:17
選擇最佳DC/DC變換器的要點及途徑
調節能力。一些電感式DC/DC變換器還具有外部補償引腳,允許根據應用“精細調整”輸出的瞬態響應特性。 ②無電壓調節的電荷泵:此類器件輸出沒有電壓調節,它們只簡單地將輸人電壓變換為負或刀倍的輸出電壓。困此
2014-06-05 15:15:32
采用先進的IGBT 門極驅動器技術為多電平變換器提供安全驅動
具有高級有源鉗位(AAC)功能,為多電平變換器設計提供簡單、安全的IGBT 驅動器。IGBT 出現短路故障時,所有IGBT 無需以特定的關斷時序來避免IGBT集電極過電壓。而是在檢測到故障時立即關斷IGBT,AAC 功能可以將IGBT 的集電極電壓限定在安全工作區內。
2019-04-20 16:09:39
輸入并聯輸出串聯直流變換器控制策略的研究
輸入并聯輸出串聯型直流變換器能降低開關管的電流應力,適用于高輸出電壓、大功率的直流變換場合。為了保證該變換器的可靠工作,必須確保其輸入電流均流和輸出電容電壓均
2009-04-08 14:59:17
67
67新型ZVS 軟開關直流變換器的研究
新型ZVS 軟開關直流變換器的研究:摘要:綜述了幾種新型的零電壓(ZVS)DC/DC變換器,并分析了變換器的優缺點,研究了一種新型MOSFET作為開關器件的三電平ZVS變換器,并分析了這種
2009-06-19 19:49:33
58
58基于UC3875的軟開關DCDC變換器研究
本文介紹了移相式準諧振變換器控制集成電路UC3875 特點及應用場合,并就其組成全橋ZVS 軟開關3KW DC/DC 變換器進行分析研究,給出了電路組成及實驗波形。
2009-09-18 10:51:05
165
165RLC串聯電路諧振特性的實驗研究
RLC串聯電路諧振特性的實驗研究
RLC 串聯電路諧振頻率ω0 及品質因數Q 是兩個很重要的物理概念,不僅用于物理分析[1 ] ,而且在物理實驗中亦作為測量的基本內容[
2010-03-30 15:37:17
57
57基于LabVIEW的LRC串聯電路諧振特性的研究
基于LabVIEW的LRC串聯電路諧振特性的研究
應用LabVIEW8.2 軟件進行LRC 串聯電路諧振特性的研究,介紹了虛擬實驗系統的組成以及應用系統進行實驗仿真的方法,并
2010-03-30 15:44:23
63
63激光電源中的串聯諧振變換器的分析
摘要:串聯諧振變換器是一種直流-直流變換器,由于它的輸出波形接近正弦波,變換頻率較高且具有恒流源的性質,充電效率高,故在激光電源中廣泛采用串聯諧振型變換器作為充
2010-05-20 11:45:18
33
33LLC串聯諧振變換器創新設計
對LLC 串聯諧振全橋DC/DC 變換器的工作原理進行了詳細研究,利用基頻分量近似法建立了變換器的數學模型,確定了主開關管實現ZVS 的條件,推導了邊界負載條件和邊界頻率,確定了
2010-08-28 08:32:21
82
82三電平變換器中點電壓平衡問題的研究
三電平變換器中點電壓平衡問題的研究
0 引言
二極管中點箝位型逆變器[1]是最近研究的一個熱點。這種拓撲結構,每個功率開關管承
2009-07-04 12:14:12
4099
4099
多電平變換器的拓撲結構和控制策略
多電平變換器的拓撲結構和控制策略
0 引言
多電平變換器的概念自從A.Nabael在1980年的IAS年會上提出以后,以其獨特的優點受到廣泛的
2009-07-06 08:13:13
3083
3083
基于SG3525電壓調節芯片的PWM Buck三電平變換器
基于SG3525電壓調節芯片的PWM Buck三電平變換器
摘要:闡述了用SG3525電壓調節芯片實現PWM Buck三電平變換器的交錯控制。相對于采用分立元件實現PWM Buck三電平變換器的
2009-07-06 09:20:18
7690
7690
降壓型變換器的分叉及其混沌行為的研究
降壓型變換器的分叉及其混沌行為的研究
DC/DC變換器運行中產生大量的非線性現象,主要是功率器件開關引起的[1]。已有研究表明,在DC/DC開關變換器實際運行中,
2009-07-06 18:35:44
871
871
采用變壓器次級輔助繞組的軟開關PWM三電平變換器
采用變壓器次級輔助繞組的軟開關PWM三電平變換器
摘要:提出一種新型的ZVZCSPWM三電平直流變換器,在變壓器的次級側附加
2009-07-07 10:38:12
1074
1074
基于DSP正弦波調制的三電平變換器
基于DSP正弦波調制的三電平變換器
摘要:首先介紹了三電平PWM變換器的特點,比較了空間矢量控制方法、SHEPWM方法和SPWM方法的優缺
2009-07-11 10:26:35
2303
2303
一種改進型零電壓開關PWM三電平直流變換器的研究
一種改進型零電壓開關PWM三電平直流變換器的研究
摘要:介紹了一種帶輸出飽和電感的移相零電壓開關PWM三電平直流
2009-07-15 08:51:10
1165
1165
串聯共振型DCDC變換器的特性解析
摘 要 對串聯共振型DC2DC 變換器主電路的構成原理, 電路拓撲和存在的工作模式進行 了詳細的分析討論。作出對應的狀態軌跡圖, 通過仿真和實測, 求出相應的電壓、電流波形及輸 出特性, 從中得出有益的結論。 關鍵詞 DC2DC 變換器 串聯共振 拓撲 狀態軌跡圖
2011-01-14 15:06:09
47
47基于MATLAB的負阻抗變換器的特性研究
采用實驗的方法研究負阻抗變換器的特性及其應用,存在數據處理量大、特性曲線繪制困難等問題,設計出基于MATLAB的仿真實驗方案。與傳統的實驗方法相比,MATLAB利用群元素計算特性
2011-05-03 17:02:43
107
107基于SVPWM的雙三電平變換器研究
詳細分析了三電平 SVPWM 的簡化算法,將傳統兩電平電壓空間矢量控制算法應用于雙三電平變換器。在d2q 坐標系下建立基于開關函數的三電平中點鉗位電壓型整流器高頻數學模型,在此基礎
2011-07-06 15:55:59
44
44混合級聯型多電平逆變器拓撲結構研究
在交流電動機調速領域,大容量多 電平變換器 的應用越來越廣泛,為了改善系統性能,各種各樣的多電平拓撲結構被提出。本文提出了一種新穎的混合級聯式多電平拓撲結構,該結構
2011-08-11 16:57:02
47
47推挽式Boost DC/DC 變換器的研究
文章提出在雙向DC/DC 變換器中用到的一種推挽式Boost DC/DC 變換器,全面分析這種變換器的工作原理并闡述其缺點,利用PSPICE 仿真軟件對其進行建模仿真。
2011-08-15 09:39:44
17140
17140
新穎三電平軟開關諧振型DC_DC變換器
該文提出一種新顆的三電平LLc串聯電流諧振型Dc,Dc變換器。每個主開關電壓應力是輸入電壓的一半,并且全范圍實現zvs而不用附加任何電路。整流二極管工作在zcs狀態。該變換器通過
2012-03-29 11:13:07
46
46Buck 三電平變換器
本文提出一種 Bw k三電平變換器,該變換器中開關管的電壓應力為輸人電壓的一半,采用交錯控制方式,可以大大減小輸出濾波器的大小。 本文詳細分析 Buck 三電平變換器的工作原理,分析該變換器的輸人輸出特性,討論主要參數的設計,提出一種使輸人分壓電容電壓均衡的方法,并進行實驗驗證。
2016-05-10 14:24:39
8
8三電平變換器-一種適用于高壓大功率變換的直流變換器
(半橋)三電平變換器的優點是其開關管的電壓應力為輸人電壓的一半,本文從另一個角度提出它的推導思路,從中提出兩種三電平開關單元。 將(半橋)三電平變換器的推導思路推廣到所有的直流變換器.提出了三電平
2016-05-11 15:26:21
7
7輸入串聯輸出并聯全橋變換器強制負載法均壓策略
,研究了該型變換器負載大小對輸入均壓的影響,定量分析了負載大小和輸入不均壓程度的關系公式;基于這種分析,提出了通過均壓電阻強制給定負載的方法實現輸入均壓,從而實現了該型變換器的控制簡化。文章最后通過仿真和樣機實驗驗
2017-11-16 17:22:00
6
6多電平換流閥運行試驗電路暫態特性研究
模塊化多電平換流閥運行試驗裝置的參數設計和控制策略制定,需要研究試驗電路的暫態特性。建立了H橋型運行試驗電路的小信號模型,證明了試驗電路是全局漸進穩定的,試驗回路中可以產生穩定的交、直流電流,從而
2017-12-15 10:47:09
6
6基于單諧振支路的多電平均壓型DC-DC變換器
提出一種基于單諧振支路的多電平均壓型DC-DC變換器通用型拓撲及其簡化拓撲。在該拓撲結構的基礎上,給出順序控制和循環控制兩種控制策略,并分別對這兩種控制策略下的變換器工作原理進行分析。所提出的拓撲
2017-12-28 14:00:16
0
0適用于直流電網的多電平DC-DC變換器
LCL-DC/DC變換器的拓撲優點,提出了一種LCL諧振式模塊化多電平DC/DC變換器拓撲。首先,介紹了該變換器電氣拓撲,并分析了其工作原理,包括運行方式、功率傳遞機理等;其次,從功率傳遞和諧波抑制等角度提出了該變換器中LCL諧振網絡的參數設計方法;然后,提出了適應于該變換器的控制保護策略,保
2018-01-03 15:35:06
3
3輸入串聯輸出并聯變換器的控制器
輸入串聯輸出并聯(ISOP)變換器具有低電壓、電流應力、模塊化等優點,在高壓至低壓的功率變換領域得到廣泛的應用。以輸入電壓平衡作為基本控制思想,結合ISOP變換器的等效雙閉環控制框圖,提出了相應
2018-01-14 16:36:02
3
3LLC諧振變換器多電平控制策略
的前提下將輸入電壓適應范圍擴大一倍。對LLC變換器的電壓增益特性及功率損耗進行分析,明確了其輸入電壓適應范圍的限制因素。通過分析LLC變換器多電平工作模式及其對輸入電壓適應范圍的影響,確定了多電平工作模式的控制策略。仿真和
2018-03-08 10:44:39
4
4超高頻功率變換器研究綜述
隨著電力電子技術的不斷發展,超高頻( 30300 MHz)功率變換器逐漸成為研究熱點。超高頻功率變換器能有效減小系統無源元件的數值與體積,極大地提高系統的功率密度。但是極高的開關頻率對系統的開關特性
2018-03-21 14:50:34
4
4多電平變換器的UPFC環流抑制
針對模塊化多電平變換器( MMC)在統一潮流控制器(UPFC)中應用時存在嚴重的環流諧波問題,對三相橋臂間環流產生的原因及其抑制方面進行了研究,對子模塊電容電壓均衡控制策略進行了歸納,設計了基于二倍
2018-03-21 15:27:23
0
0模塊化多電平儲能系統開路故障診斷方法
能量傳遞的橋梁,在系統中起著至關重要的作用,其安全性及可靠性影響著系統的安全運行。但是,隨著串聯半橋變換器數量的增多,模塊化多電平變換器出現故障的概率隨之增大,因此能快速準確地對系統故障進行實時檢測、診斷及定位的方法一直受到學者的廣泛關注。
2018-04-20 11:24:49
4
4級聯式直流變換器原理分析
與三電平直流變換器試將普通二電平變換器中的功率開關用三電平開關單元代替不一一樣,它實際_上是二個通常的二電平直流變換器的串聯疊加。
由于串聯電路的輸出電流相同,只要做到二個變換器的輸出電壓相等,就可以做到變換器的功率均分保證二個變換器的輸入電壓相等。
2018-08-20 16:46:38
6252
6252LLC諧振變換器的設計過程和LLC諧振變換器的移相控制特性分析
諧振變換技術是提升開關電源功率密度的有效途徑,近年來LLC諧振變換器技術獲得了廣泛的應用。為了擴展容量或減小輸出電流紋波,可以將LLC諧振變換器交錯并聯使用。為實現變換器之間的輸出均流,通常引入移相控制,本文重點分析LLC諧振變換器的移相控制特性,探討兩路LLC交錯并聯的移相均流控制技術。
2018-12-13 11:40:00
169
169串聯變換器研究資料下載
電子發燒友網為你提供串聯變換器研究資料下載的電子資料下載,更有其他相關的電路圖、源代碼、課件教程、中文資料、英文資料、參考設計、用戶指南、解決方案等資料,希望可以幫助到廣大的電子工程師們。
2021-04-15 08:43:21
8
8升壓式變換器的工作原理是什么?
升壓式DC/DC變換器,簡稱升壓式變換器,英文為BoostConverter,也稱Boost變換器,也是常用的DC/DC變換器之一。
2021-06-13 09:08:23
8316
8316
LLC串聯諧振全橋DCDC變換器研究
LLC串聯諧振全橋DCDC變換器研究(開關電源技術與設計第二版pdf)-高頻化、高功率密度和高效率,是DC/DC變換器的發展趨勢。傳統的硬開關變換器限制了開關頻率和功率密度的提高。移相全橋 PWM
2021-08-31 18:36:36
68
68一種三電平全橋直流變換器新型控制策略研究
一種三電平全橋直流變換器新型控制策略研究(現代電源技術王建輝課后答案)-一種三電平全橋直流變換器新型控制策略研究? ? ? ? ? ? ? ? ??
2021-08-31 18:40:23
11
11基于反激式電路拓撲的DCDC變換器并聯輸出的均流變換器設計
基于反激式電路拓撲的DCDC變換器并聯輸出的均流變換器設計(通信電源技術手冊在線閱讀)-該文檔為基于反激式電路拓撲的DCDC變換器并聯輸出的均流變換器設計總結文檔,是一份不錯的參考資料,感興趣的可以下載看看,,,,,,,,,,,,,,,,,
2021-09-22 12:16:42
29
29多電平雙向DC/DC直流變換器的工作原理(以三電平為例子)
多電平雙向DCDC變換器的工作原理一、所用論文和參考文獻1.1 主要是中文的文獻二、工作原理和重要概念2.1 飛跨電容的作用2.2 三電平的工作原理1.3 多電平的優點二,一些注意點2.1 電感
2021-11-09 17:21:01
38
38ZVS三電平DC/DC變換器的研究
DC/DC 變換器。文中給出了 Saber 軟件 的仿真結果,進一步證明改進方案的正確性和可行性。針對前面討論的兩種半橋式三 電平 DC/DC 變換器,設計了實驗電路來驗證理論分析的正確性,文中給出了實驗結果。 接著研究了一種新型 ZVS 三電平 LLC 諧振型
2023-05-08 09:14:17
4
4雙管正激式變換器相比其他變換器的作用
雙管正激式變換器(Dual Active Bridge, DAB)是一種高效的電力電子變換器,廣泛應用于高功率密度、高效率、高可靠性的電力傳輸和能量轉換領域。 一、雙管正激式變換器的工作原理 雙管正
2024-08-28 14:21:43
2071
2071
電子發燒友App










評論