隨著背對背三電平[中性點]()箝位(NPC)變換器功率和電壓水平的不斷提高,高幅值高頻共模電壓(CMV)已成為一個亟待解決的問題。
2023-12-06 14:37:09
4010 
產品上應用。 ? 三電平拓撲通過中點鉗位或雙向開關結構,使輸出電壓呈現正、零、負三個電平狀態,相比傳統兩電平拓撲有幾個主要優勢。首先是電壓應力減半的器件保護機制,所有功率器件僅承受直流母線電壓的 1/2,例如 800V 平臺中單個器
2025-11-22 07:18:00
9021 本帖最后由 筆調清風 于 2024-7-10 15:28 編輯
標簽:三電平中點電位平衡
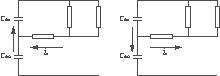
在設計單相T型三電平逆變器的時候,輸出端加入LC濾波器會出現中點電位不平衡。如下圖所示,圖2部分輸出端
2024-06-22 14:56:57
電壓源高頻交流環節AC-AC變換器原理研究
2012-08-20 16:20:38
LLC諧振變換器的研究諧振變換器相對硬開關PWM變換器,具有開關頻率高、關斷損耗小、效率高、重量輕、體積小、EMI噪聲小、開關應力小等優點。而LLC諧振變換器具有原邊開關管易實現全負載范圍內的ZVS
2018-07-26 08:05:45
電壓/頻率變換電路簡稱為U/F變換電路或U/F變換器(UFC),頻率/電壓變換電路簡稱為F/U變換電路或F/U變換器(FUC)。集成的U/F變換器和F/U變換器在電子技術、自動控制、數字儀表
2011-11-10 11:28:24
半橋變換器的隔直電容對變壓器偏磁的自動平衡很巧妙,為什么推挽不能采取同樣的措施呢??學生party一枚剛學電源求解答!!
2017-03-16 22:14:38
本人在做雙半橋雙向變換器,當變換器工作與BOOST狀態時,輸出電壓值總是打不到穩態值。低壓側輸入電壓為24V,高壓側輸出電壓為100V,現在高壓側輸出電壓只有96V。不知道什么原因。跪求大俠解答,不勝感激。
2016-04-14 21:18:38
由于正激變換器的輸出功率不像反激變換器那樣受變壓器儲能的限制,因此輸出功率較反激變換器大,但是正激變換器的開關電壓應力高,為兩倍輸入電壓,有時甚至超過兩倍輸入電壓,過高的開關電壓應力成為限制正激變換器容量繼續增加的一個關鍵因素。
2019-09-17 09:02:28
四分之一波長平衡變換器是1:1變換器,輸入輸出阻抗相同,只進行平衡-不平衡變換。它的應用例如在基本半波振子天線中,半波振子天線屬平衡型,同軸電纜屬不平衡型,需要進行平衡-不平衡變換。
2021-04-26 06:11:46
多電平雙向DCDC變換器的工作原理一、所用論文和參考文獻1.1 主要是中文的文獻二、工作原理和重要概念2.1 飛跨電容的作用2.2 三電平的工作原理1.3 多電平的優點二,一些注意點2.1 電感
2021-11-16 07:09:50
求助:我想要一個輸入DC60~160V,輸出DC24V 或者15V的寬電壓變換器設計方案,謝謝
2015-08-14 19:55:32
領域還未有系統性的綜述文獻。本文是作者對國內外的相關文獻進行了仔細研讀,并對PFC技術進行了深入研究,對無橋PFC變換器拓撲的合成方案進行的綜述,總結了三大類無橋PFC變換器拓撲的合成方案,比較了三
2025-03-13 13:50:36
正激變換器的分析與設計(一)正激是一個帶變壓器隔離的BUCK,因此研究BUCK如何工作類似于研究正激如何工作。我們都知道BUCK是降壓電路,尤其使用在極低電壓輸出的場合,例如1.2V,3.3V輸出等
2019-04-21 12:55:32
時域仿真模型。對風電場電壓波動及三電平中點箝位變換器(NPC)的控制等問題進行了仿真,通過仿真計算驗證了三電平變換器用于風力發電系統電壓波動抑制的有效性。Abstract: In this paper
2010-02-22 09:52:08
邏輯電平變換器電路圖
2019-10-10 09:11:31
橋臂實現 ZVS 的負載范圍較小;整流二極管存在反向恢復問題,不利于效率的提高;輸入電壓較高時,變換器效率較低,不適合輸入電壓高和有掉電維持時間限制的高性能開關電源。 LLC串聯諧振DC/DC 變換器
2019-09-28 20:36:43
三電平結構的變頻器有一個問題就是中點電位不平衡,在軟件控制層面有三種平衡模式,默認模式、比例模式和PI模式,或許叫法有所不同,總之是這三種平衡模式吧,請問這三種平衡模式是什么意思,具體而言有什么不同,這三種模式是如何對中點電壓平衡做補償的?
2024-01-09 16:12:28
非隔離三電平變換器中分壓電容均壓的一種方法
2019-05-14 09:13:59
本文研究了采用STATCOM 抑制風電場電壓波動的相關問題。 Matlab/simulink和PLECS軟件平臺中建立了完整的風力發電系統動態時域仿真模型。對風電場電壓波動及三電平中點箝位變換器
2009-04-08 14:46:37
32 新型ZVS 軟開關直流變換器的研究:摘要:綜述了幾種新型的零電壓(ZVS)DC/DC變換器,并分析了變換器的優缺點,研究了一種新型MOSFET作為開關器件的三電平ZVS變換器,并分析了這種
2009-06-19 19:49:33
58 應用諧波平衡法推導出帶PI補償電壓模式buck變換器的輸入電壓分岔點關系式。運用數值計算近似求得PI調節參數和分岔點的關系曲線,明確系統的穩定性主要取決于PI調節器的比例
2009-10-14 10:44:12
38 由于三電平逆變器存在冗余電壓矢量,在選取電壓矢量時既要考慮輸出電壓的諧波含量又要使直流母線側電容的中點電位平衡,在分析電壓矢量選取與諧波消去的本質聯系后,本
2009-12-31 16:48:42
32 為了解決三電平逆變器中點不平衡問題,文章采用了從中點提取電流方向信號、選擇不同的開關狀態抑制中點電流繼續流出或流入的方法,使三電平中點電壓的波動維持在許可的范
2010-07-31 17:10:48
0 輸入輸出共地的三電平變換器
2006-04-21 00:07:33
2143
平衡式壓頻變換器電路圖
2009-04-10 18:26:15
480 
丘克變換器的電壓關系及Cuk變換器電路拓補結構
2009-05-12 20:54:10
4163 
邏輯電平變換器電路圖
2009-07-03 13:08:04
734 
基于SG3525電壓調節芯片的PWM Buck三電平變換器
摘要:闡述了用SG3525電壓調節芯片實現PWM Buck三電平變換器的交錯控制。相對于采用分立元件實現PWM Buck三電平變換器的
2009-07-06 09:20:18
7690 
采用變壓器次級輔助繞組的軟開關PWM三電平變換器
摘要:提出一種新型的ZVZCSPWM三電平直流變換器,在變壓器的次級側附加
2009-07-07 10:38:12
1074 
三電平DC/DC變換器的拓撲結構及其滑模控制方法
摘要:首先闡述了三電平DC/DC變換器拓撲的推導過程,給出了6種非
2009-07-07 10:53:22
13729 
多電平變換器拓撲結構和控制方法研究
摘要:多電平變換器作為一種應用于高壓大功率變換場合的新型變換器,其
2009-07-07 13:10:02
2298 
開關型功率變換器的研究與設計
摘要:電壓型控制是開關型功率變換器最常見的控制方式。瞬態分析和控制設計的常用方法
2009-07-07 13:14:22
1913 
電壓源高頻交流環節AC/AC變換器原理研究
摘要:
2009-07-08 11:07:29
2964 
串聯堆積式多電平變換器運行特性的實驗研究
摘要:在比較分析三種多電平變換器的拓撲結構、工作原理和控制特點基礎上
2009-07-09 10:31:49
707 
基于DSP正弦波調制的三電平變換器
摘要:首先介紹了三電平PWM變換器的特點,比較了空間矢量控制方法、SHEPWM方法和SPWM方法的優缺
2009-07-11 10:26:35
2303 
三電平逆變器中點電壓平衡的電壓空間矢量控制原理及算法
摘要:分析了三電平電壓空間矢量調制基本原理
2009-07-14 17:58:27
2932
一種改進型零電壓開關PWM三電平直流變換器的研究
摘要:介紹了一種帶輸出飽和電感的移相零電壓開關PWM三電平直流
2009-07-15 08:51:10
1165 
三電平直流變換器軟開關技術的研究
摘要:分析和比較了三電平直流
2009-07-15 09:29:58
2191 
簡易平衡不平衡變換器
可用廢棄
2009-09-07 16:48:25
2062 
詳細分析了三電平 SVPWM 的簡化算法,將傳統兩電平電壓空間矢量控制算法應用于雙三電平變換器。在d2q 坐標系下建立基于開關函數的三電平中點鉗位電壓型整流器高頻數學模型,在此基礎
2011-07-06 15:55:59
44 該文提出一種交錯并聯正激三電平直流變換器,其輸出濾波電感可大大減小。這個特點使它非常適用于負載動態變化很快的功率變換場合(如電壓調節模塊),不僅可以提高動態響應速度
2011-10-14 17:55:35
39 該文提出一種新顆的三電平LLc串聯電流諧振型Dc,Dc變換器。每個主開關電壓應力是輸入電壓的一半,并且全范圍實現zvs而不用附加任何電路。整流二極管工作在zcs狀態。該變換器通過
2012-03-29 11:13:07
46 在中點箝位三電平雙PWM變換器控制中.三電平PWM整流器采用固定開關頻率直接功率控制策略u 3DPCSVM(Direct Power Control with SVPWM).該策略外環為直流側電壓環.內環為有功功率和無功功率控
2012-03-29 11:33:33
1953 
三電平 LLC諧振變換器 原理圖通過改變開關頻率來控制輸出電壓。也就是說是頻率調制方式而不是傳統的脈寬調制方式。D.和D,起鉗位作用,用來保證s.和s。關斷后承受的電壓應力為
2012-03-29 11:37:25
9493 
為了對T型三電平中點電壓不平衡進行控制,本文研究了中點電壓不平衡的產生原理,并提出了一種在T型三電平并網變流器原有調制策略中加入均壓算法的解決方案。為了對這一平衡算法進行了驗證,本文設計了一臺
2015-12-31 09:20:25
20 三電平變換器SVPWM控制算法的優化,下來看看
2016-03-30 14:59:59
15 本文提出一種 Bw k三電平變換器,該變換器中開關管的電壓應力為輸人電壓的一半,采用交錯控制方式,可以大大減小輸出濾波器的大小。 本文詳細分析 Buck 三電平變換器的工作原理,分析該變換器的輸人輸出特性,討論主要參數的設計,提出一種使輸人分壓電容電壓均衡的方法,并進行實驗驗證。
2016-05-10 14:24:39
8 本文提出了一種新穎的零電壓開關多諧振三電平變換器 它是在傳統的三電平的基礎上加人 LCC 諧振網絡實現零電壓開關,即在開關管和續流二極管上并聯諧振電容,給開關管和續流二極管間申聯諧振電感。 它的優點
2016-05-11 14:54:56
4 本文提出一種零電壓零電流開關PWM復合式全橋三電平變換器,該變換器的一個橋臂為三電平橋臂,其開關管的電壓應力為輸入電壓的一半,可在很寬的負載范圍內實現零電壓開關,可以選用 MOSFEI;另一個橋臂為
2016-05-11 15:15:16
5 (半橋)三電平變換器的優點是其開關管的電壓應力為輸人電壓的一半,本文從另一個角度提出它的推導思路,從中提出兩種三電平開關單元。 將(半橋)三電平變換器的推導思路推廣到所有的直流變換器.提出了三電平
2016-05-11 15:26:21
7 三電平ANPC變流器中點電位控制策略研究_張波
2017-01-05 15:34:14
14 三電平雙PWM變換器電容電壓平衡綜合控制_范必雙
2017-01-07 17:01:10
1 基于階梯波調制的MMC電容電壓平衡控制方法對比研究_申科
2017-01-07 18:21:31
6 直驅風力發電系統三電平變換器控制策略研究_季小康
2017-01-08 10:47:21
0 并網模塊化多電平變換器控制研究_陳耀軍
2017-01-08 10:57:06
1 模塊化多電平變換器優化調度調制策略研究_夏超英
2017-01-08 10:57:06
0 基于三電平子模塊的倍電平復合式MMC變換器_李瑞
2017-01-08 10:57:06
0 基于模塊化多電平變換器的負序電流補償系統研究_陳耀軍
2017-01-08 10:57:06
0 模塊化多電平型高壓DC_DC變換器的研究_石紹磊
2017-01-08 11:07:01
0 模塊化多電平變換器與級聯H橋變換器在中高壓變頻器應用中的對比研究_李彬彬
2017-01-08 11:07:01
4 一種新型三電平NPC變流器直流中點電壓平衡控制策略_李寧
2017-01-08 11:07:01
2 多電平逆變器通用電容電壓平衡優化算法_李俊杰
2017-01-08 11:20:20
1 新型三電平變流器中點電壓控制策略及其可控區域_李寧
2017-01-08 11:28:38
0 三電平ANPC變換器SVPWM優化控制方法_胡存剛
2017-01-08 11:44:06
5 一種用于平衡三電平逆變器中點電位的滯環控制_精確控制策略研究_王建淵
2017-01-08 12:03:28
1 三電平直流變換器
2017-09-11 11:03:43
9 軟開關PWM三電平直流變換器
2017-09-11 11:17:50
17 二極管鉗位三電平變換器
2017-09-12 15:15:11
7 多電平變換器及相關技術研究
2017-09-14 08:34:40
4 倍流整流方式ZVS PWM三電平直流變換器實驗結果
2017-09-14 15:17:18
16 多電平變換器在同相供電中的應用研究
2017-11-08 17:16:14
0 三電平拓撲結構相對于兩電平在性能上有很多優勢,但是也存在中點電位不平衡這一固有問題。 基于簡化的三電平空間矢量脈寬調制,提出一種混合式的三電平中點平衡控制策略。該控制策略在低調制度下,根據中點電壓偏移情況。
2017-11-22 16:47:46
4741 
由于三電平變換器的開關管電壓應力僅為輸入電壓的一半,在大功率DC-DC電源、電動汽車充電等應用領域得到廣泛的關注和研究。為了實現寬范圍輸出電壓調節控制,克服三電平半橋LLC諧振變換器采用變頻調制
2017-12-29 10:31:50
14 三電平逆變器為控制系統提供了更多的電壓矢量,相對于傳統兩電平逆變器能夠使得直接電流跟蹤控制變得更加精確,能進一步減小電流紋波。但是三電平逆變器存在中點電壓平衡問題,如果不對中點電壓進行控制會使得電機
2018-01-09 13:54:59
1 基于伏一秒( V-S)平衡原理,提出一種通用程控三電平PWM方法,在單個載波周期內,設計一種通用的開關序列,其中每相開關序列均考慮三種不同電平,揭示三電平PWM算法可根據不同的控制目標對伏秒平衡方程
2018-01-09 15:05:15
1 BUCK 電路是一種降壓斬波器,降壓變換器輸出電壓平均值UO 總是小于輸入電壓Ui。通常電感中的電流是否連續,取決于開關頻率、濾波電感L 和電容C 的數值。
2018-01-10 11:16:22
15671 
輸入串聯輸出并聯(ISOP)變換器具有低電壓、電流應力、模塊化等優點,在高壓至低壓的功率變換領域得到廣泛的應用。以輸入電壓平衡作為基本控制思想,結合ISOP變換器的等效雙閉環控制框圖,提出了相應
2018-01-14 16:36:02
3 電容器是模塊化多電平變換器( MMC)子模塊的關鍵部件,降低子模塊電容電壓波動是提高電容器可靠性和降低變換器成本的雙重要求。首先分析不同環流對MMC電容電壓波動的影響,指出注入典型2次環流是降低電容
2018-01-23 15:38:21
0 為了滿足對寬范圍輸入電壓適應能力與高效率的要求,通過對三電平LLC諧振變換器的控制策略進行調整,得到一種多電平工作模式半橋LLC,該變換器可根據輸入電壓大小工作在兩種電平模式,在不改變諧振元件參數
2018-03-08 10:44:39
4 有源中點鉗位型拓撲通過增加新的零狀態電流通路,可以對各開關管上的損耗分布進行平衡。以三電平有源中點鉗位逆變器為研究對象,分析了在不同輸出狀態之間進行切換時器件損耗分布情況,采用空間矢量脈寬調制方法
2018-03-13 10:52:15
3 并聯系統的整體模型以及DAB并聯系統的電壓平衡控制模型,以方便、有效地進行輸出電壓控制器、輸入電壓平衡控制器的設計。基于兩單元PETT實驗平臺,開展仿真和實驗研究,仿真和實驗結果一致,變換器的穩態和動態控制性能良好。仿真和實驗結果驗證了所提方法的
2018-03-14 10:48:37
1 三電平中點鉗位型變換器存在中點電壓不平衡的固有問題。零序電壓注入法可以很好地控制三電平變換器的中點平衡,而且具有原理簡單、計算簡便等優點,但是在調制系數比較大或者功率因數較低的情況下存在不可消除
2018-03-14 16:25:42
1 與三電平直流變換器試將普通二電平變換器中的功率開關用三電平開關單元代替不一一樣,它實際_上是二個通常的二電平直流變換器的串聯疊加。
由于串聯電路的輸出電流相同,只要做到二個變換器的輸出電壓相等,就可以做到變換器的功率均分保證二個變換器的輸入電壓相等。
2018-08-20 16:46:38
6252 針對三電平有源電力濾波器,在建立其小信號數學模型的基礎上,提出一種考慮輸出補償電流的改進型預測電流跟蹤控制策略。同時,為控制三電平直流側中點電位不平衡,提出一種基于平衡因子的中點電位平衡控制策略。為
2019-03-05 08:00:00
10 三相三電平整流器的數學模型,設計了一個中點電壓控制數字補償器,以抑制上下電容電壓不平衡引起的中點電壓波動,同時利用粒子群優化算法對中點電壓平衡控制器的限幅值進行了優化設計,降低了中點電壓調節對輸入電流 THD 的影響。在所搭
2019-10-25 08:00:00
20 為了降低諧波污染,提高功率因數,在大功率變換器應用場合中,往往采用功率因數校正電路。但是功率因數校正電路的輸出直流電壓通常600V以上,給后級直流變換器的器件選型帶來了困難,而三電平技術很好的解決了
2020-07-03 08:00:00
26 目前,開關電源正朝著高頻、高效、環保等方向發展。與傳統拓撲結構相比,三電平變換器由于具有開關管電壓應力
2021-03-25 10:59:05
3734 
移相控制零電壓零電流開關PWM推挽三電平直流變換器(通訊電源技術是省刊嗎)-? ?移相控制零電壓零電流開關PWM推挽三電平直流變換器? ? ? ? ? ? ? ??
2021-08-04 19:50:06
10 電壓控制型BuckDC-DC變換器輸出阻抗優化設計研究(電源技術培訓機構)-電壓控制型BuckDC-DC變換器輸出阻抗優化設計研究? ? ? ? ? ?
2021-08-31 14:07:17
3 一種三電平全橋直流變換器新型控制策略研究(現代電源技術王建輝課后答案)-一種三電平全橋直流變換器新型控制策略研究? ? ? ? ? ? ? ? ??
2021-08-31 18:40:23
11 ZVS+PWM全橋三電平直流變換器(新型電源技術的理解)-ZVS+PWM全橋三電平直流變換器? ? ? ? ? ? ? ? ? ? ??
2021-08-31 18:45:04
38 BuckDC_DC變換器輸出電壓紋波的仿真研究(電源技術期刊版面費多少)-BuckDC_DC變換器輸出電壓紋波的仿真研究? ? ? ? ? ? ? ? ? ? ??
2021-09-18 09:47:55
17 單BuckBoost 集成三端口雙向DCDC 變換器研究(通用電源技術(深圳)有限公司)-單BuckBoost 集成三端口雙向DCDC 變換器研究
2021-09-27 10:44:16
73 多電平雙向DCDC變換器的工作原理一、所用論文和參考文獻1.1 主要是中文的文獻二、工作原理和重要概念2.1 飛跨電容的作用2.2 三電平的工作原理1.3 多電平的優點二,一些注意點2.1 電感
2021-11-09 17:21:01
38 本文首先給出了基本半橋式三電平 DC/DC 變換器,詳細分析了其工作原理,討論 了主要參數的設計和由于次級整流二極管的反向恢復導致主開關管的電壓尖峰。接著 給出一種帶箝位二極管的改進型半橋式三電平
2023-05-08 09:14:17
4 (核心)三相三電平LLC諧振直流變換器-胡高平
2023-05-08 09:33:56
0 如何讓超級電容器電池的電壓平衡呢?保持平衡的作用是什么? 超級電容器電池的電壓平衡是指各個電容單元或模塊的電池電壓能夠保持一致。保持電壓平衡對超級電容器電池的性能和壽命有重要影響。本文將詳細介紹超級
2024-02-03 15:38:39
2853 中點鉗位三電平逆變器結構通過特定的電路配置和控制策略,實現了對電能的高效轉換和精確控制。下面將深入探討中點鉗位三電平逆變器的特性及其優點。 電壓等級與功率等級的提升 中點鉗位三電平逆變器的一個顯著
2024-09-17 16:44:00
1593
評論