給出六種基本DC/DC變換器拓撲
依次為buck,boost,buck-boost,cuk,zeta,sepic變換器
2010-10-18 09:38:41
9635 
在目前各領域對于電能轉換特別是高效變頻裝置存在迫切需求的背景下,在詳細分析模塊化的矩陣式變流器的拓撲結構、開關狀態和工作原理的基礎上,設計了一套矩陣式變流器的控制策略。采用編程實現了數字化控制,并
2023-12-26 14:07:21
2755 
。本文將帶大家深入剖析LLC諧振變換器的常見拓撲結構、調制方式以及工作模態。LLC諧振變換器拓撲構成LLC諧振變換器電路拓撲主要包含:開關電路、諧振電路以及整流電路三
2024-05-24 08:23:01
5383 
LLC諧振變換器作為諧振開關技術的重要拓撲之一,具有高效率、調壓特性好、寬負載變化范圍內工作特性優良等特點,廣泛應用于電源供應、電動汽車充電、LED照明、太陽能電池板系統以及工業自動化等多個領域
2024-07-19 08:23:38
3971 
。上面講到的三種拓撲是電源的最基本拓撲,其他拓撲都是靠它們衍生出來的拓撲,比如反激的前身是buck-boost,正激的前身是buck。搞透了這三個拓撲結構的原理和公式的來龍去脈,其他硬開關的拓撲結構變換器的計算完全可以自己推導出來。
2021-04-20 06:00:00
。上面講到的三種拓撲是電源的最基本拓撲,其他拓撲都是靠它們衍生出來的拓撲,比如反激的前身是buck-boost,正激的前身是buck。搞透了這三個拓撲結構的原理和公式的來龍去脈,其他硬開關的拓撲結構變換器的計算完全可以自己推導出來。
2021-05-10 09:24:51
電流的變化2.2 多飛跨電容 多余三個電平的時候的解釋(截圖居多)一、所用論文和參考文獻1.1 主要是中文的文獻用于超級電容儲能系統的三電平雙向直流變換器及其控制 (期刊) 多電平直流變換器及其控制...
2021-11-16 07:09:50
還有很多常見問題,我們沒有列出來,也歡迎大家給留言溝通,小編隨時待命!您的留言很有可能就出現在我們下一期的內容中了哦。
后續我們會繼續為大家分享LLC諧振變換器拓撲如何進行建模仿真,并分析其控制策略,敬請期待。
?文章來自:森木磊石
2024-07-19 14:39:29
。
上期內容中我們對 LLC諧振變換器的電路結構與工作原理 進行了分析,了解到變換器最為常用的調制方式為脈沖頻率調制(PFM)。今天繼續為大家分享 LLC諧振變換器的仿真建模及控制策略分析。
一、電路設計
2024-08-12 16:23:58
。上期內容中我們對 LLC諧振變換器的電路結構與工作原理進行了分析,了解到變換器最為常用的調制方式為脈沖頻率調制(PFM)。今天繼續為大家分享 LLC諧振變換器的仿真建模及控制策略分析。一、電路設計1
2024-07-19 10:17:34
平臺與PC端進行連接;2、打開PPEC Workbench軟件,點擊起始頁“新建工程”或左側工作欄“新建”按鈕,進入工程項目新建導航頁; 3、選擇“諧振變換器(LLC)”拓撲 4、設置控制參數這里以
2024-08-07 18:31:00
狀態。3 Boost-Buck光伏接口變換器控制策略3.1 Boost-Buck光伏接口變換器 Boost-Buck光伏接口變換器結構如圖3所示。Upv為光伏陣列輸出電壓;Uo為變換器輸出電壓;L1
2019-06-03 05:00:03
結構。上一期內容中我們對 LC 串聯諧振變換器的工作原理進行了分析,今天繼續為大家分享 LC 串聯諧振變換器的仿真建模及控制策略分析。根據開關頻率 f~ s~ 與諧振頻率 f ~ r~ 的關系,變換器
2024-03-01 10:05:15
三相PFC矩陣變換器電路拓撲及工作原理是什么CPLD在三相PFC矩陣變換器中的應用是什么
2021-05-10 06:51:03
類型和控制策略雖然已經有很多種,但還有待繼續研究發展。 一般高功率因數AC/DC開關電源,由兩級拓撲組成,對于小功率AC/DC開關電源來說,采用兩級拓撲結構總體效率低、成本高。 如果對輸入端功率因數
2013-08-20 16:00:47
在二次側產生交變的脈動電流,經過全波整流轉換為直流信號,再經L、C濾波,送給負載。同樣地,這個電路也相當于降壓式拓撲結構。 全橋功率電路 全橋功率變換器適用于大功率、高電壓場合,它的電路圖如下
2018-10-17 11:42:04
開關電源DCDC變換器拓撲結構集錦
2019-05-27 11:04:46
詳細講解開關電源功率變換器的各種拓撲電路,通過實例詳細講解。
共分為12章,包括功率變換器的主要拓撲介紹和工程設計指南兩大部分內容。其中,拓撲部分主要包括正激、反激、對稱驅動橋式、隔離Boost
2025-05-19 16:26:01
一種改進的級聯型多電平變換器拓撲
2019-05-15 11:37:05
變換器實現方案進行分類,文獻[3]探討了中小功率場合單相PFC的解決方案,以及在不同應用場合PFC主電路拓撲結構的最佳選取方案選取。文獻[4]探討了高功率場合PFC變換器軟開關技術的實現方案,文獻[5
2025-03-13 13:50:36
邏輯電平變換器電路圖
2019-10-10 09:11:31
穩態分析方法的選擇3.2 用基頻分量法對 LLC 諧振變換器建模 3.2.1 LLC 諧振變換器的拓撲結構 3.2.2 開關網絡的電路模型 3.2.3 整流橋和濾波網絡的模型 3.2.4 理想變壓器
2019-09-28 20:36:43
隔離型雙向DCDC變換器-拓撲結構與控制方法*附件:隔離型雙向DCDC變換器-拓撲結構與控制方法.pdf
2022-08-23 14:12:56
正激變換器拓撲形式的分析:根據變壓器復位的方式不同,正激變換器有四種不同的拓撲形式。介紹四種復位方法的工作過程及優、缺點,并對它們進行了比較。關鍵詞 : 正激變換
2009-09-13 16:22:59
68
介紹了一族橋式混合DC/DC變換器的拓撲結構,并以其中一種為例分析工作原理,驗證了該族變換器具有高效率'高功率密度'低電磁干擾,在全負載范圍內實現軟開關,及較好的動
2009-10-16 09:58:37
23 基于矩陣變換器拓撲結構的調壓器的設計實現:摘 要: 研究了一種由矩陣式單相變換器演化的單相調壓電路. 這種調壓器采用斬波控制,具有輸入電流正弦度高、功率雙向流動、動態
2009-10-25 12:30:06
18 為分析基于LCL濾波器的雙饋風電網側變換器在不同電流反饋控制結構情況下的工作性能, 采取PI控制器對網側變換器網側電流反饋控制結構和變換器側電流反饋控制結構的電流閉
2010-09-26 16:58:34
14 一種改進的級聯型多電平變換器拓撲
2006-04-21 00:06:56
1544 輸入輸出共地的三電平變換器
2006-04-21 00:07:33
2143 丘克變換器的電壓關系及Cuk變換器電路拓補結構
2009-05-12 20:54:10
4163 
邏輯電平變換器電路圖
2009-07-03 13:08:04
734 
三電平變換器中點電壓平衡問題的研究
0 引言
二極管中點箝位型逆變器[1]是最近研究的一個熱點。這種拓撲結構,每個功率開關管承
2009-07-04 12:14:12
4099 
基于SG3525電壓調節芯片的PWM Buck三電平變換器
摘要:闡述了用SG3525電壓調節芯片實現PWM Buck三電平變換器的交錯控制。相對于采用分立元件實現PWM Buck三電平變換器的
2009-07-06 09:20:18
7690 
三電平軟開關直流變換器典型拓撲分析
1 引言
近年來,人們對電力電子裝
2009-07-07 10:21:56
1820 
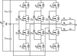
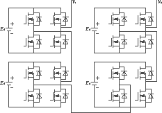
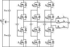
三電平DC/DC變換器的拓撲結構及其滑模控制方法
摘要:首先闡述了三電平DC/DC變換器拓撲的推導過程,給出了6種非
2009-07-07 10:53:22
13729 
多電平變換器拓撲結構和控制方法研究
摘要:多電平變換器作為一種應用于高壓大功率變換場合的新型變換器,其
2009-07-07 13:10:02
2298 
串聯堆積式多電平變換器運行特性的實驗研究
摘要:在比較分析三種多電平變換器的拓撲結構、工作原理和控制特點基礎上
2009-07-09 10:31:49
707 
基于DSP正弦波調制的三電平變換器
摘要:首先介紹了三電平PWM變換器的特點,比較了空間矢量控制方法、SHEPWM方法和SPWM方法的優缺
2009-07-11 10:26:35
2303 
高壓大功率變換器拓撲結構的演化及分析和比較
摘要:闡述了高壓大功率變換器拓撲結構的發展,同時對它們進行了分
2009-07-11 10:54:28
1929
零轉換PWMDC/DC變換器的拓撲綜述
摘要:零轉換PWMDC/DC變換器是器件應力較小、效率較高的1種DC/DC變換器結構,應用較為廣泛
2009-07-14 09:15:04
1452 
本文主要通過對Droop法DC/DC變換器并聯均流技術的研究,設計了一種基于反激式電路拓撲的兩個DC/DC變換器并聯輸出的均流變換器。
單端反激電路的電路拓撲及工作
2010-08-26 11:31:01
7985 
本文研究了適用于大功率單相單級變換器的電路拓撲及其控制方式,提出了單級功率因數校正AC/DC變換器的設計方案。該PFC變換器基于一種三電平LCC諧振變換器拓撲,整個變換
2010-11-22 09:53:22
7055 
矩陣變換器 的工作原理、等效交一直一交變換、SPWM(Sine Pulse Width Modulation)控制策略進行了理論分析及仿真研究.SPWM控制策略的最大特點是控制方案簡單、控制開關函數不需要復雜的數
2011-08-10 14:58:26
38 在交流電動機調速領域,大容量多 電平變換器 的應用越來越廣泛,為了改善系統性能,各種各樣的多電平拓撲結構被提出。本文提出了一種新穎的混合級聯式多電平拓撲結構,該結構
2011-08-11 16:57:02
47 這篇論文研究了全橋DC/DC變換器的關鍵技術,包括軟開關的實現方法,ZVS與ZVZCS變換器拓撲的差異,ZVZCS拓撲中滯后臂實現ZCS的方法,常用控制策略及其差異,針對散熱和EMI的結構設計
2011-10-17 16:44:43
85 在中點箝位三電平雙PWM變換器控制中.三電平PWM整流器采用固定開關頻率直接功率控制策略u 3DPCSVM(Direct Power Control with SVPWM).該策略外環為直流側電壓環.內環為有功功率和無功功率控
2012-03-29 11:33:33
1953 
為了實現對Buck變換器直流輸出電壓的精確控制,優化變換器的性能,提出了一種基于雙滑模面控制的控制策略,建立了數學模型,并推導了變換器滑模面的存在條件。通過仿真實驗表明
2013-06-25 17:07:29
73 矩陣變換器新型SVPWM調制策略的仿真研究
2016-03-30 18:24:14
16 三電平變換器SVPWM控制算法的優化,下來看看
2016-03-30 14:59:59
15 電動汽車用DC_DC變換器主電路拓撲結構及電磁干擾的研究,有興趣的同學可以下載學習
2016-04-26 17:53:46
20 本文提出一種 Bw k三電平變換器,該變換器中開關管的電壓應力為輸人電壓的一半,采用交錯控制方式,可以大大減小輸出濾波器的大小。 本文詳細分析 Buck 三電平變換器的工作原理,分析該變換器的輸人輸出特性,討論主要參數的設計,提出一種使輸人分壓電容電壓均衡的方法,并進行實驗驗證。
2016-05-10 14:24:39
8 (半橋)三電平變換器的優點是其開關管的電壓應力為輸人電壓的一半,本文從另一個角度提出它的推導思路,從中提出兩種三電平開關單元。 將(半橋)三電平變換器的推導思路推廣到所有的直流變換器.提出了三電平
2016-05-11 15:26:21
7 反激式變換器拓撲的LED電源設計_陳洋
2017-01-04 13:03:55
7 一種新型的雙向全橋直流變換器控制策略_黃知超
2016-12-28 14:23:30
3 三電平雙PWM變換器電容電壓平衡綜合控制_范必雙
2017-01-07 17:01:10
1 直驅風力發電系統三電平變換器控制策略研究_季小康
2017-01-08 10:47:21
0 并網模塊化多電平變換器控制研究_陳耀軍
2017-01-08 10:57:06
1 DC_DC_AC混合型MMC變換器控制策略分析與設計_魏亮
2017-01-08 10:57:06
0 模塊化多電平變換器優化調度調制策略研究_夏超英
2017-01-08 10:57:06
0 基于模塊化多電平變換器的負序電流補償系統研究_陳耀軍
2017-01-08 10:57:06
0 模塊化多電平型高壓DC_DC變換器的研究_石紹磊
2017-01-08 11:07:01
0 模塊化多電平變換器與級聯H橋變換器在中高壓變頻器應用中的對比研究_李彬彬
2017-01-08 11:07:01
4 三電平ANPC變換器SVPWM優化控制方法_胡存剛
2017-01-08 11:44:06
5 雖然開關變換器有很多拓撲結構和控制方式,但總的來講,開關變換器可以分為兩類,即PWM型變換器和諧振變換器,這兩種變換器存在著較大的差別,本文中主要介紹PWM型變換器的建模與控制,對諧振變換器的建模與控制僅作簡單的介紹。
2017-08-28 15:39:10
35 三電平直流變換器
2017-09-11 11:03:43
9 多電平變換器及相關技術研究
2017-09-14 08:34:40
4 多電平變換器在同相供電中的應用研究
2017-11-08 17:16:14
0 提出一種基于單諧振支路的多電平均壓型DC-DC變換器通用型拓撲及其簡化拓撲。在該拓撲結構的基礎上,給出順序控制和循環控制兩種控制策略,并分別對這兩種控制策略下的變換器工作原理進行分析。所提出的拓撲
2017-12-28 14:00:16
0 時電壓調節范圍小的缺點,將移相調制策略引入三電平半橋LLC諧振變換器控制,分析了其工作過程、電壓調節范圍及軟開關條件,導出了實現軟開關的工作狀態分界點,由此提出一種三電平半橋LLC諧振變換器移相和變頻相結合的混合式調制策略。該
2017-12-29 10:31:50
14 LCL-DC/DC變換器的拓撲優點,提出了一種LCL諧振式模塊化多電平DC/DC變換器拓撲。首先,介紹了該變換器電氣拓撲,并分析了其工作原理,包括運行方式、功率傳遞機理等;其次,從功率傳遞和諧波抑制等角度提出了該變換器中LCL諧振網絡的參數設計方法;然后,提出了適應于該變換器的控制保護策略,保
2018-01-03 15:35:06
3 對現有的幾種典型電力電子變壓器(power electronics transformer,PET)拓撲結構及優缺點進行分析,在此基礎上,將諧振變換器及兩電平方波變換器引入到傳統級聯型電力電子變壓器
2018-01-12 16:55:14
20 電容器是模塊化多電平變換器( MMC)子模塊的關鍵部件,降低子模塊電容電壓波動是提高電容器可靠性和降低變換器成本的雙重要求。首先分析不同環流對MMC電容電壓波動的影響,指出注入典型2次環流是降低電容
2018-01-23 15:38:21
0 設計了輸出電壓為58.8V,功率為900W的采用半橋LLC諧振拓撲結構的DC/DC變換器,滿足對效率和輸出電壓波紋的要求。控制系統以STM32F051為核心,采用數字化的控制方式對諧振變換器進行控制,并通過Saber仿真軟件對變換器進行了仿真分析。
2018-01-25 11:03:58
118 針對模塊化多電平變流器(modular multilevel converter,MMC)內部環流問題,結合變流器拓撲結構特點,提出一種基于交叉耦合控制的新型環流抑制策略,該方法通過檢測橋臂電流,經
2018-01-30 17:33:08
18 提出多繞組同時供電直流變換器型多輸入逆變器電路結構與拓撲族及其主從功率能量管理移相控制策略,對其控制策略、穩態原理特性和主要電路參數設計準則等關鍵技術進行深入分析研究,獲得重要結論。該電路結構是由
2018-02-27 14:08:53
0 為了滿足對寬范圍輸入電壓適應能力與高效率的要求,通過對三電平LLC諧振變換器的控制策略進行調整,得到一種多電平工作模式半橋LLC,該變換器可根據輸入電壓大小工作在兩種電平模式,在不改變諧振元件參數
2018-03-08 10:44:39
4 針對模塊化多電平變換器( MMC)在統一潮流控制器(UPFC)中應用時存在嚴重的環流諧波問題,對三相橋臂間環流產生的原因及其抑制方面進行了研究,對子模塊電容電壓均衡控制策略進行了歸納,設計了基于二倍
2018-03-21 15:27:23
0 針對傳統母聯開關的各種缺陷,提出了一種基于模塊化多電平變換器拓撲的柔性母聯控制器。它可以連接不同電壓等級的網絡,實現潮流的優化調節、無功支撐及故障時交流系統之間的快速緊急支援和隔離故障。同時具備
2018-03-30 11:38:45
0 開關電源的核心是開關變換器,開關變換器的建模分析是研究開關變換器拓撲結構和控制方法的基礎。
2018-05-29 14:31:33
27 雙向DC-DC 變換器拓撲的對比與設計(1) – 應用概覽
2018-08-10 01:48:00
8181 
雙向DC-DC 變換器拓撲的對比與設計(1) – 應用概覽
2018-08-08 00:18:00
6503 理論上,經過整流橋后的饅頭波電壓,后接任何DC/DC變換器均可以實現PFC功能。由于Boost、Sepic、Cuk等基本變換器的輸入電流連續,所以廣泛應用在PFC變換器拓撲中。本節就以這些變換器為主線,探討了無橋PFC變換器拓撲的發展歷程,從而總結出實現無橋PFC變換器拓撲的合成方案-2。
2019-01-24 17:16:32
9868 雙向DC-DC 變換器拓撲的對比與設計(2) 拓撲比較
2019-04-08 06:14:00
5494 
雙向DC-DC 變換器拓撲的對比與設計(5) 性能及總結
2019-04-08 06:20:00
9207 
雙向DC-DC 變換器拓撲的對比與設計(4) 測試結果的比較
2019-04-08 06:16:00
4586 
1.1諧振變換器拓撲綜述
2019-02-27 06:04:00
5580 
基于Superbuck變換器的新型航天器用電源系統蓄電池恒流充電控制系統,應用狀態空間平均法建立了Su-perbuck變換器恒流充電時的動態小信號模型,為適應航天器多頻率擾動負載條件下,電源系統
2019-09-02 08:00:00
10 本文介紹了一種新型的高頻 DC/ DC 開關功率變換器的主電路拓撲結構及其相關元件參數的計算 , 并給出了主要仿真波形。該變換器增添了輔助諧振網絡 , 在較大的負載范圍內實現了開關器件的零電壓軟開關 (ZVS) 。
2019-10-31 08:00:00
3 本文檔的主要內容詳細介紹的是反激變換器的拓撲結構詳細資料說明包括了:1. 基本反激變換器,2. 三繞組吸收反激變換器,3. RCD吸收反激變換器,4. 其它吸收反激變換器,5. 二極管吸收雙反激變換器,6. 反激DC-DC變換器總結
2019-12-20 17:11:48
23 本文檔的主要內容詳細介紹的是反激變換器的拓撲結構詳細資料講解包括了:1. 基本反激變換器 2. 三繞組吸收反激變換器 3. RCD吸收反激變換器 4. 其它吸收反激變換器 5. 二極管吸收雙反激變換器 6. 反激DC-DC變換器總結。
2020-02-28 08:00:00
20 這一難點。本文所研究的全橋三電平LLC諧振變換器從拓撲結構上解決了開關器件的軟開關問題,提高變換器的效率。
2020-07-03 08:00:00
26 目前,開關電源正朝著高頻、高效、環保等方向發展。與傳統拓撲結構相比,三電平變換器由于具有開關管電壓應力
2021-03-25 10:59:05
3734 
論文針對應用于電動汽車上雙向Dc/Dc變換器的設計問題進行了研究。在參閱國內外相關文獻的基礎上,論文首先分析了單向Dc/DC變換器的拓撲結構,列舉了四種不隔離雙向DC/DC變換器的拓撲結構,通過對它們的分析、比較,決定采用雙向半橋變換器作為本次設計的雙向DC/DC變換器的拓撲結構。
2021-04-16 15:34:29
49 一種三電平全橋直流變換器新型控制策略研究(現代電源技術王建輝課后答案)-一種三電平全橋直流變換器新型控制策略研究? ? ? ? ? ? ? ? ??
2021-08-31 18:40:23
11 雙向全橋DC_DC變換器新型控制策略研究(高頻開關電源技術)-雙向全橋DC_DC變換器新型控制策略研究? ? ? ? ? ? ? ? ??
2021-08-31 19:00:06
55 基于反激式電路拓撲的DCDC變換器并聯輸出的均流變換器設計(通信電源技術手冊在線閱讀)-該文檔為基于反激式電路拓撲的DCDC變換器并聯輸出的均流變換器設計總結文檔,是一份不錯的參考資料,感興趣的可以下載看看,,,,,,,,,,,,,,,,,
2021-09-22 12:16:42
29 電流的變化2.2 多飛跨電容 多余三個電平的時候的解釋(截圖居多)一、所用論文和參考文獻1.1 主要是中文的文獻用于超級電容儲能系統的三電平雙向直流變換器及其控制 (期刊) 多電平直流變換器及其控制...
2021-11-09 17:21:01
38 ANPC三電平拓撲是一種基于中性點鉗位(Neutral-Point Clamped,NPC)技術的多電平變換器。它通過在直流側引入一個額外的中性點,實現了三個電平的輸出。與傳統的兩電平變換器相比
2024-07-12 09:43:50
7629 CLLC諧振變換器作為一種高效的電力轉換裝置,在車載OBC系統、光電、通信以及新能源發電等領域得到了廣泛應用。其獨特的雙向對稱結構和靈活的控制策略,使得它能夠實現電能的雙向流動(即充電和放電),并
2024-07-16 09:56:34
10726 在電力電子領域,交直流變換器(AC/DC Converter)作為實現電能轉換的核心設備,其拓撲結構的設計與選擇對于設備的性能、效率和可靠性具有至關重要的影響。本文旨在深入探討交直流變換器的拓撲結構,分析其工作原理、類型特點以及在實際應用中的選擇策略。
2025-01-30 14:48:00
1716
評論