將LED進行矩陣式組裝可獲得更高密度、更高亮度的LED。
2014-02-18 09:29:05
2896 將LED進行矩陣式組裝可獲得更高密度、更高亮度的LED.由于熱的高濃度以及要求高頻引線鍵合連接,這種結構對封裝構成了挑戰。采用這些封裝工藝可獲得高亮度效果,同時還實現散熱和最大的出光效率。##脈沖回流
2014-05-20 10:15:48
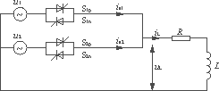
6341 一個用于實現交—交變換的矩陣式變換器如圖1所示。它可以用一個虛擬的整流器和一個虛擬的逆變器構成的等效交—直—交結構來代替,如圖2所示。采用這樣的等效結構可以充分利用已有成熟的交—直—交變換中的PWM
2020-12-03 09:58:36
2135 
在目前各領域對于電能轉換特別是高效變頻裝置存在迫切需求的背景下,在詳細分析模塊化的矩陣式變流器的拓撲結構、開關狀態和工作原理的基礎上,設計了一套矩陣式變流器的控制策略。采用編程實現了數字化控制,并
2023-12-26 14:07:21
2755 
由于直下式架構具有更省電、散熱簡單、圖像對比度更好、可局部調光等優勢,關于改用直下式(或矩陣式)LED背光架構的討論也開始在業內興起。
2011-02-24 09:14:13
3788 
4×4 矩陣式鍵盤電路的改進
2012-08-20 16:06:14
研究了將矩陣變換器的空間矢量脈寬調制與異步電機轉子磁場定向矢量控制相結合的組合控制策略,并采用MATLAB對矩陣變換器的輸入電壓波形、輸入電流波形、電機空載啟動轉矩波形、電機空載啟動轉速波形以及在
2025-06-04 14:48:00
根據永磁同步發電機(PMSG)天量控制技術的特點,結合矩陣變換器(MC)和電機矢量控制技術的優點。并采用基于空間矢量調制的MC實現對PMSG的天量控制。為有效控制PMSG電磁轉矩,采用在PMSG三相
2025-06-04 14:50:35
在異步電機直接轉矩控制系統中,采用矩陣變換器供電既能實現直接轉矩控制的效果,并且還具有矩陣變換器的優點。實現了將矩陣式變換器的空間矢量調制與異步電機基于定子磁場定向的直接轉矩控制技術相結合。該控制
2025-06-05 11:21:43
本帖最后由 eehome 于 2013-1-5 09:43 編輯
矩陣式變換器雙向開關四步換流技術研究 對矩陣式變換器(MC)中雙向開關的安全換流課題進行了研究。分析了各種換流方案,進而
2013-01-04 18:45:53
奧特迅在“中國電動汽車百人會論壇”上宣布,成功研制出矩陣式柔性充電堆技術,該技術在國內尚屬首創,已獲得國家專利。據悉,矩陣式柔性充電堆技術對目前充電樁的兼容性、利用率、可擴展性上都做了改進,并且能
2016-10-28 11:10:12
想讓矩陣式鍵盤的某一個按鍵既能掃描得到鍵值又能中斷喚醒單片機要怎么接呢
2015-05-25 09:32:53
矩陣式 LED 調光器可準確控制 RGBW LED 組的色彩并使 LED 產生準確的圖案
2019-08-22 10:53:35
電壓/頻率變換電路簡稱為U/F變換電路或U/F變換器(UFC),頻率/電壓變換電路簡稱為F/U變換電路或F/U變換器(FUC)。集成的U/F變換器和F/U變換器在電子技術、自動控制、數字儀表
2011-11-10 11:28:24
TMS320C6748 DSP開發板是不二選擇!項目描述:矩陣變換器的控制板原先使用DSK6713加自制的FPGA板。FPGA板主要負責采樣及矩陣變換器18個開關的換流策略,DSP板負責根據采樣傳輸來的電壓
2015-09-10 11:06:45
技術總結本發明公開了一種抗干擾能力較強的DC?DC變換器,包括電連接在一起的雷擊浪涌防護器、電磁脈沖防護器EMP、浪涌抑制器、EMI濾波器和電壓轉換電路,所述雷擊浪涌防護器包括電連接在一起的壓敏電阻
2021-11-17 07:15:56
三相PFC矩陣變換器電路拓撲及工作原理是什么CPLD在三相PFC矩陣變換器中的應用是什么
2021-05-10 06:51:03
在單片機系統中鍵盤中按鈕數量較多時,為了減少I/O口的占用,常常將按鈕排列成矩陣形式,如圖1所示。在矩陣式鍵盤中,每條水平線和垂直線在交叉處不直接連通,而是通過一個按鈕加以連接。這樣,一個端口(如
2018-06-25 09:25:57
,電磁兼容標準,功率變換器,共模電壓,傳導干擾,電磁干擾,功率開關器件,共模電流,抑制方法,逆變器【DOI】:CNKI:SUN:DLDI.0.2010-01-022【正文快照】:1引官隨著變頻器的小型化
2010-05-04 08:07:30
矩陣式 LED 調光器助力實現色彩鮮艷亮麗的 LED 燈
2019-04-15 17:36:01
單片機實驗:矩陣式鍵盤輸入識別1.實驗內容編寫 c 語言程序,設計一個 4X4 的矩陣鍵盤,鍵盤的號碼 0~15,要求編寫出一個鍵盤輸入掃描程序,要求單片機能根據鍵盤排列順序,能將按下去鍵盤號正確
2021-11-29 07:50:14
鍵盤與LCD實驗對4×4矩陣式鍵盤電路的鍵值進行編碼,編程實現在LCD液晶顯示器上顯示每個按鍵的ASCII碼。(⊙﹏⊙)呃這個和去年一樣單片機實驗說明<四>矩陣鍵盤與LCD基本使用專欄
2022-01-24 08:17:17
《開關變換器的實用仿真與測試技術》系統地論述了開關變換器模型、控制方面的基本原理和實用設計方法、基本仿真和實驗測試技術,以及開關調節系統設計中的仿真與測試技術的應用。主要內容有:DC-DC變換器模型
2016-06-11 16:50:47
開關電源的共模干擾抑制技術|開關電源共模電磁干擾(EMI)對策詳解 0 引言 由于MOSFET及IGBT和軟開關技術在電力電子電路中的廣泛應用,使得功率變換器的開關頻率越來越高,結構更加緊湊,但亦
2025-03-27 15:07:58
源共模干擾抑制技術,并成功地應用于多種功率變換器拓撲中。理論和實驗結果都證明了,它能有效地減小電路中的高頻傳導共模干擾。這一方案的優越性在于,它無需額外的控制電路和輔助電源,不依賴于電源變換器其他部分
2025-03-08 10:18:30
本文從大功率DC/DC變換器主要電磁干擾源及抑制措施、控制電路板的信號隔離以及軟件程序的抗干擾設計三個方面對FCEV用大功率DC/DC變換器的電磁兼容性進行了研究,有效的解決了FCEV用大功率DC/DC變換器電磁干擾問題。
2021-05-17 06:29:50
AVR單片機 實驗五 矩陣鍵盤掃描實驗1 實驗目的掌握矩陣式鍵盤掃描方法與定時器中斷原理,以實現多鍵輸入判別及4位數碼管顯示的應用。2 實驗內容(1)實現矩陣式鍵盤掃描。(2)設定定時中斷,實現按鍵
2021-11-23 08:30:13
;Sepic 變換器;Cuk 變換器
0 引言
隨著電力電子技術的快速發展和各行各業中的廣泛應用,接入電網的電力電子開關電源設備是向電網注入諧波的主要來源,使得電力系統的諧波問題日益嚴重。諧波的抑制
2025-03-13 13:50:36
本課程是《朱有鵬老師單片機完全學習系列課程》第1季第9個課程,綜合解決了獨立按鍵和矩陣式按鍵的處理方法,涉及到:IO的輸入輸出、按鍵抖動和消抖、中斷的引入和相關概念、矩陣式鍵盤的原理和編程等。目的是對單片機常見輸入設備按鍵進行全方位學習。...
2022-02-28 14:11:12
在介紹矩陣變換器(MC)的優點基礎上,分析了單相-單相矩陣變換器的工作原理、拓撲結構及推導過程,并基于SIMULINK交互式仿真集成環境對單相-單相矩陣式變換器進行了仿真研究
2009-08-04 15:17:03
26 基于矩陣變換器拓撲結構的調壓器的設計實現:摘 要: 研究了一種由矩陣式單相變換器演化的單相調壓電路. 這種調壓器采用斬波控制,具有輸入電流正弦度高、功率雙向流動、動態
2009-10-25 12:30:06
18 矩陣變換器驅動異步電動機仿真研究:論述了空間矢量調制矩陣變換器基本原理, 深入分析了空間矢量調制策略, 推導出矩陣變換器開關狀態表, 在MA TLABöS IMUL IN K 平臺上, 建立了矩
2009-11-18 11:27:43
30 矩陣式變換器是一種新型電力變換器。本文研究了一種由矩陣式單相變換器演化的單相調壓電路,與傳統調壓器相比,這種調壓器具有輸入電流正弦度高、輸出電壓調節線性度好
2010-01-25 13:53:23
19 在輸入側將矩陣變換器等效為一個buck 型PWM 整流器,推導出了采用LC 濾波器的矩陣變換器輸入電流與輸出電流及輸入電壓之間的傳遞函數關系。給出了輸入濾波器中的電感及電容參
2010-02-19 11:06:31
28 針對目前矩陣變換器電壓傳輸比多數只能達到0.866的問題,進行了深入研究,設計了一種泵式矩陣變換器結構,使電壓傳輸比任意可調,并從機理上解決了矩陣式變換器的傳輸比低的
2010-09-30 16:28:36
12 摘要:開關電源由于采用二極管整流,導致輸入功率因數低且總諧波畸變率高。將矩陣變換器理論引入到開關電源設計中,對3Φ21Φ矩陣變換器控制原理進行分析,采用PWM技術合成開關函數
2010-10-08 23:06:10
40 矩陣交換器的電氣性能十分理想。它具有輸出頻率不受電網頻率限制等諸多優點。在矩陣變換器實現中的關鍵環節是獲取電網電壓相位。在電網平衡時傳統矩陣變換器是基于過零點
2010-12-24 15:51:52
17 被動矩陣式LCD工作原理 TN-LCD、STN-LCD和DSTN-LCD之間的顯示原理基本相同,不同之處是液晶分子的扭曲角度有些差別。下面以典型的TN-LCD為例,向大家介紹其結構及工作原理。
2008-10-29 00:03:26
3557 主動矩陣式LCD工作原理
TFT-LCD液晶顯示器的結構與TN-LCD液晶顯示器基本相同,只不過將TN-LCD上夾層的電極改為FET晶體管,而下夾層改為共通電極。 TFT-LCD液
2008-10-29 00:03:57
3321 4×4矩陣式鍵盤識別技術 1. 實驗任務 如圖4.14.2所示,用AT89S51的并行口P1接4×4矩陣鍵盤,以P1.0-P1.3作
2009-04-16 10:26:08
6022 
單片機教程二十五:單片機矩陣式鍵盤接口技術及程序設計
鍵盤是由若干按鈕組成的開關矩陣,它是單片機系統中最常用的輸入設備,用戶能通過鍵盤向
2009-05-15 23:23:24
3276 
PWM變換器中輸出變壓器偏磁的抑制
摘要:分析了PWM開關型變換器中,變壓器直流偏磁問題產生的原因。給出了一種解決直流偏磁較為實用的拓撲電路,并分析了它的
2009-07-04 11:01:02
1412 
基于空間矢量調制的三相矩陣式變換器
0 引言
隨著可控交流電氣傳動的發展,PWM變頻器的應用為自動化和節能贏得了可觀的效益,同
2009-07-04 12:06:49
1521 
矩陣變換器在風力發電系統中的應用研究
摘要:風力發電是一種重要的新能源技術。介紹了應用于新型風力發電系統的矩陣
2009-07-07 13:11:10
1518 
矩陣式變換器雙向開關四步換流技術研究
摘要:對矩陣式變換器(MC)中雙向開關的安全換流課題進行了研究。分析了各種換流方案,進
2009-07-11 09:43:19
2990 
矩陣式單相電源調壓技術
摘要:提出了一種矩陣式單相電源調壓技術,并分析了其工作原理,給出了一種安全的換流策略。
2009-07-15 08:07:10
1575 
三相PFC矩陣變換器電路拓撲及工作原理
圖1示出三相PFC矩陣變換器電路拓撲。該矩陣變換器的開關是由兩個背靠背的IGBT組成的。這樣組成的開關可對正負兩個
2009-10-17 09:01:35
9002 
4×4矩陣式非編碼鍵盤電路
輸入鍵盤控制電路采用4×4矩陣式非編碼鍵盤電路,與單片機進行連接。單片機的IOA8~IOA11做鍵盤的行掃描輸出口,IOA12~IOA15
2010-02-21 15:04:59
5177 
單片機入門教程第26課-矩陣式鍵盤接口技術及編程
1、矩陣式鍵盤的結構與工作原理 在鍵盤中按鍵數量較多時,為了減少I/O口的占用,
2010-01-07 15:21:24
2867 
而假想間接方式的做法則是,將矩陣式轉換器假想分割成2條電路,在求出各條電路中開關元件的占空比之后,再轉換成構成矩陣式轉換器的9個開關元件的占空比,據此生成脈
2010-11-04 19:12:54
1400 
C102全數字矩陣式聲音處理器,包括輸入/輸出自由矩陣分配,輸入/輸出增益控制、輸入/輸出PEQ、輸入/輸出信號延時、輸入/輸出壓縮限幅、噪音門、電子分頻器、相位選擇等,全部由電腦控制,中央集控最高可控制256臺C102。是演出、會議首選矩陣式聲音處理器,如
2011-02-25 16:33:08
93 針對傳統 矩陣變換器 電壓傳輸比低這一問題,提出了一種高電壓傳輸比Zeta 交2直2交矩陣變換器的電路拓撲結構。介紹了該拓撲結構的基本構成和工作原理,分析推導了其電壓傳輸比與占
2011-07-06 17:13:19
22 Proteus之矩陣式鍵盤的識別之一,很好的Proteus資料,快來下載不學習吧。
2016-04-18 16:42:32
0 Proteus之矩陣式鍵盤的識別之二,很好的Proteus資料,快來下載不學習吧。
2016-04-18 16:42:32
0 Proteus之矩陣式鍵盤的識別之三,很好的Proteus資料,快來下載不學習吧。
2016-04-18 16:42:32
0 矩陣變換器新型SVPWM調制策略的仿真研究
2016-03-30 18:24:14
16 《矩陣式鍵盤部分連擊的處理》不錯的一種處理方式。
2016-04-29 16:50:26
3 矩陣式變換器輸入濾波器會引起濾波前后電流基 頻分量的相位差 ,降低矩陣式變換器的輸入功率因數。 為了 保證其輸入功率因數始終接近 1, 以減小對電網的不利影 響 ,提出了一種自適應控制方法。 根據
2016-11-15 17:23:09
0 矩陣式整流器的輸入濾波器諧振抑制算法_劉曉
2017-01-08 13:15:48
0 雙級矩陣變換器混合式換流_宋衛章
2017-01-08 13:58:48
5 矩陣式編碼智能算法在生產批量計劃中的應用_馬志斌
2017-01-21 12:16:51
1 波形;可自由控制的功率因數。矩陣式變換器已成為電力電子技術研究的熱點之一,并有著廣泛的應用前景。 隨著電路電子技術的發展在不斷發展,世界范圍內已經形成實用化的產品。日本的安川電機(Yaskawa)推出了矩陣式變換器
2017-05-15 15:32:11
9 為了優化雙級矩陣變換器輸出性能,提高其電壓利用率,本文在分析雙級矩陣變換器的拓撲結構的基礎上,提出在整流級采用有零矢量的空間矢量調制策略;在新的調制策略的思想下,通過對整流級和逆變級的解析變換,推導
2017-11-23 14:39:41
3 針對矩陣式瀑布分類器學習算法在負樣本自舉過程中無法快速自舉出訓練所需的高質量樣本,自舉過程嚴重影響整體學習效率及最終檢測器性能等問題,提出了一種高效學習算法負樣本信息繼承的矩陣式瀑布分類器高效學習
2018-01-04 16:59:49
0 矩陣變換器由于其自身結構的特殊性,易受輸入側電源異常的影響。針對電網對地短路的情況,建立電網故障下的系統等效數學模型。提出一種新的開關控制策略,通過分時賦值9組雙向開關的控制信號來確保矩陣變換器安全
2018-01-16 15:57:19
0 的 LED 燈串。這些 “矩陣式” LED 前照燈具有改變亮度和圖案模式的能力。它們可提供一個 LED 燈串中個別 LED 的控制,并擁有使 LED 前照燈更加引人注目和多功能化的新特性
2018-06-04 13:46:00
6433 LT3965 矩陣式 LED 調光器用于矩陣式 LED 前照燈。它用來控制一個 LED 燈串中每個 LED 個別的亮度。利用計算機 I2C 串行接口,可實現圖案、故障診斷、以及通 / 斷或亮度控制。更加生動、堅固和精細復雜的新型汽車前照燈即將面市了。
2018-06-28 09:18:00
7045 1.1 功率變換器的電磁干擾特性
2018-08-20 01:08:00
4505 提出了兩種三相/一相矩陣式電力變換拓撲,給出了基于開關函數與半自然兩步換流方式的模塊化配置方 案,基于該方案可以產生基波電壓幅度、頻率連續可調的PWM 輸出電壓,最后給出了有關實驗結果 。
2018-08-09 08:00:00
11 變換器,是將信源發出的信息按一定的目的進行變換。現在應用最多的是矩陣式變換器,是一種交-交電源變換器,相當于一個變頻器。
2018-08-17 16:02:40
9765 
變換器(Matrix Converter)作為一種新型的交-交變頻電源,其電路拓撲形式被提出,但直到1979年意大利學者M.Venturini和A.Alesina提出了矩陣式變換器存在理論及控制策略后,其特點才為人們所關注和研究。普遍使用的是半控功率器件晶閘管。
2019-05-27 08:18:00
3633 
使用51單片機實現矩陣式鍵盤的資料和程序免費下載
2019-08-19 17:31:00
8 新人,發個小作品 是一個基于矩陣式鍵盤實現的電子密碼鎖,功能十分簡單,希望不要見笑。代碼有非常詳細的注解。下面附上源代碼以及仿真文件
2019-05-06 08:00:00
24 KVM切換器有很多種,不同的需求使用不同的產品,下面我們介紹一下為什么選擇矩陣式KVM切換器及矩陣式KVM的原理。 一、電路原理: 1,切換的根本原理是選擇。選擇不同的服務器主機來控制。有很多
2020-06-28 16:40:44
2939 4x4矩陣式按鍵模塊
16個按鍵 占用8個IO接口 提供測試程序 原理圖
型號 4x4 Keypad
2019-12-30 09:27:03
3745 
常用的按鍵電路有兩種形式,獨立式按鍵和矩陣式按鍵,獨立式按鍵比較簡單,它們各自與獨立的輸入線相連接。
2019-11-12 16:15:38
15692 
近日,一張榮耀V30的真機渲染圖曝光。曝光的渲染圖顯示,榮耀V30后置四攝,而且采用矩陣式設計,閃光燈位于矩陣居中的位置。后置攝像頭區域,很像華為Mate30系列的設計風格,當然,榮耀V30并沒有圓形環的設計。
2019-11-13 14:37:07
5327 近日,爆料達人OnLeaks與PriceBaba合作制作了一組三星A51的渲染圖。曝光的渲染圖顯示,三星A51后置四攝,而且采用矩陣式設計。
2019-11-13 15:40:47
3757 12月25日消息,華為nova 6 SE今天正式開賣,該機采用矩陣式四攝布局,售價2199元,定位為年輕人量身打造的潮流娛樂輕旗艦。
2019-12-26 16:37:00
4583 矩陣式鍵盤由行線和列線構成,按鍵坐落行、列線的穿插點上,其構造如圖所示。
2020-07-12 09:40:24
13035 
介紹了一種基于補償原理的共模干擾抑制技術,通過抑制電源輻射來減少變換器的共模干擾。這種方法被推廣應用于多種功率變換器拓撲,理論和實驗結果都表明該技術有效減少了電路的共模干擾。
2021-03-11 09:58:17
3667 
本文檔的主要內容詳細介紹的是使用單片機實現4乘4矩陣式鍵盤的仿真文件免費下載。
2021-03-22 11:23:28
29 比較:高端開關和半橋同步整流器。簡要提出一些設備中 EMI 來源的寄生效應和拓撲結構。對開關變換器中的電磁干擾的抑制措施進行了簡要分析。
2021-06-18 14:46:06
14 本文針對矩陣變換器的電壓傳輸比較低問題,提出了一種矩陣變換器的新型過調制策略。該策略采用矢量疊加合成對矩陣變換器進行過調制。本文從理論上分析了這種過調制策略的方法和可行性,并且用MATLAB
2021-06-22 11:10:03
16 大聯大控股宣布,其旗下品佳推出基于微芯科技(Microchip)PIC16F1779、安森美(onsemi)NCV78343以及歐司朗(OSRAM)LED的CAN/LIN通訊矩陣式大燈解決方案。
2021-09-15 15:11:09
3007 
單片機矩陣鍵盤判斷某個按鍵按下這是我第一次發表文章,關于51單片機矩陣式鍵盤逐行逐列掃描是否有按鍵按下,以及把鍵號顯示用七段數碼管顯示出來的程序,分享如下。矩陣鍵盤51單片機數碼管顯示程序代碼如下
2021-11-25 18:36:03
27 怎樣去使用獨立式按鍵和矩陣式按鍵呢?獨立式按鍵和矩陣式按鍵的使用特點分別有哪些呢?
2022-02-02 17:20:55
19306 下面為大家介紹自動化流水線控制系統矩陣式鍵盤的使用和功能。 鍵盤是自動化流水線計算機系統中Z常用的輸入設備,用戶可以通過它向自動化流水線的計算機輸入指令和數據。自動化流水線計算機系統中的鍵盤按其連接
2022-04-19 14:33:25
1635 Eric 介紹道,TI 內部圍繞電力電子領域打造出了一套矩陣式的團隊體系,包括產品團隊、客戶支持團隊以及系統應用團隊,為客戶提供子系統甚至完整的半導體解決方案,以應對不斷變化的挑戰,使可再生能源更高效、更安全、更可靠和更高性價比。
2022-07-22 17:17:03
2251 基于ATmega8單片機4×4 矩陣式鍵盤識別Proteus仿真源程序
2023-05-05 09:44:48
0 對于汽車制造商來說,照明是一個越來越重要的差異化設計要素,而作為與汽車“顏值”和主動安全直接相關的前燈,更是重中之重。近年來,大燈也由最開始的鹵素燈發展為氙氣大燈,再到現在的LED大燈和矩陣式LED
2022-11-03 10:24:00
1791 
對于汽車制造商來說,車身照明是一個越來越重要的區別因素。所以汽車制造商們隨時都會尋求創新照明解決方案讓汽車更具獨特性。也給車燈發展提供了難得機遇。矩陣式LED前大燈采用多個照明分區,每一個照明分區中
2023-08-23 15:18:15
1851 
電子發燒友網站提供《基于矩陣變換器驅動的PMSM容錯補救措施.pdf》資料免費下載
2023-10-09 15:35:32
0 電子發燒友網站提供《嵌入式系統中利用RS-232C串口擴展矩陣式鍵盤.pdf》資料免費下載
2023-10-12 10:45:57
0 傳統變頻器的高效、節能、調速范圍寬等優點,而且在一些特定場合下,如高速、高精度控制、四象限運行等,更是表現出色。本文將對矩陣式變頻驅動技術的基本原理進行詳細闡述,并通過具體的數字和信息進行支撐。
2024-06-24 14:19:59
2561 大聯大世平集團針對汽車矩陣大燈,推出基于onsemiNCV78343&NCV78964的汽車矩陣式大燈方案。開發板搭載的主要器件有onsemi
2024-09-14 08:05:52
1063 
匯集多種優勢特征于一體的平行紫外光源是半導體芯片制造中實現高精度、超準確曝光效果的關鍵。對比矩陣式LED光源,友思特ALE光源的光刻曝光效果展示出了優異的性能。
2024-12-23 14:26:52
959 
評論