基于空間矢量調制的三相矩陣式變換器
0??? 引言
??? 隨著可控交流電氣傳動的發展,PWM變頻器的應用為自動化和節能贏得了可觀的效益,同時也帶來了諧波污染、低功率因數、直流濾波電容壽命有限等負面影響。而“綠色”變頻器應具備輸入和輸出電流都是正弦波;輸入功率因數可控,帶任何負載都能使功率因數為1.0;可獲得工頻上下可控的輸出頻率等品質。目前的三電平雙PWM交—直—交變頻器、多逆變單元串聯的中壓變頻器雖都可達到或接近這些要求,但這些裝置非常笨重。矩陣式變換器與其相比具有下述非常明顯的優勢:
??? ——輸入功率因數正負可調,輸出電壓頻率連續調節,功率可雙向流動;
??? ——無直流母線環節,傳遞能量密度高;
??? ——輸入波形好,無低次諧波,波形失真度小;
??? ——體積小,結構緊湊。
??? 正因為矩陣式變換器具有如此明顯的優勢,近年來它已成為電力電子研究的熱點之一。
1??? 矩陣式變換器的結構
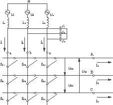
??? 3φ-3φ矩陣式變換器是一種強迫換相的交—交變換器,它由9個可控的雙向開關,利用PWM控制將交流供電電源直接變換成負載所需的變壓變頻電源。其結構如圖1所示。輸入側的L-C濾波器可有效減少輸入電流的開關頻率諧波。

圖1??? 矩陣式變換器的原理結構圖
Fig 1? principle configuration of matrix converter
??? 采用空間矢量調制時,矩陣式變換器認為是兩個部分的串聯組合。第一部分是AC/DC電壓源整流,第二部分是DC/AC電壓源逆變。圖2是矩陣式變換器的等效交—直—交結構。
圖2??? 矩陣式變換器的等效交—直—交結構
Fig 2? the equivalent AC/DC/AC structure of matrix converter
2??? 空間矢量調制(SVM)
??? 能滿足輸入電壓不被短路、輸出電流不突然開路的矩陣式變換器開關組合共有27種,但有6種在等效交—直—交變換中找不到對應的開關組合,這6種是三個輸出相分別連到三個輸入相的開關組合。可用的21種開關組合如表1所列,表1中的“1”表示開關導通,“0”表示開關關斷,第一組1P—9N三個輸出相分別與兩個輸入相相連,剩下的第二組三個輸出相僅與一個輸入相相連而被短路。對于等效交—直—交變換的每一個合法的開關狀態,矩陣式變換器有唯一的開關狀態與之相對應。
??? 三相開關動作所能形成的定子電壓空間矢量有8種,即6種有效矢量U1~U6,依次表示U1(100)、U2(110)、U3(010)、U4(011)、U5(001)、U6(101),2種零矢量U7及U8,表示為U7(000)和U8(111),它們的空間位置和相互關系如圖3所示。括號中的數字,第一位表示A相,第二位表示B相,第三位表示C相,當某一相的上橋臂開關導通時記為1,下橋臂開關導通時記為0。利用這些電壓空間矢量的線性組合,可以獲得更多的與U1~U8相位不同的新的電壓空間矢量,最終構成一組等幅不同相位的電壓空間矢量。

圖3??? 電壓空間矢量圖
Fig 3? the inverter voltage vector
??? 如圖3用U1、U6和零矢量來合成新的矢量,各矢量的作用時間可用開關周期Ts中的占空比來表示。
??? U1矢量的占空比(作用時間)為
??? Dα=tα/Ts=musin(60°-θv)(1)
??? U6矢量的占空比(作用時間)為
??? Dβ=tβ/Ts=musinθv(2)
??? 零矢量的占空比(作用時間)為
??? Dou=tou/Ts=1-Dα-Dβ(3)
式中:mu為電壓調制系數,0<=mu=<=1。同理對于虛擬整流器部分也可采用復空間表達方式定義輸入相電流矢量,獲得輸入電流空間矢量調制的方案。
圖4??? 電流空間矢量圖
Fig 4? the rectifier current vector
表1??? 矩陣式變換器有效開關組合表及與等效交—直—交變換器對應關系
Tab 1? Valid switch combinations of a matrix converter and thestationary vectors
| 21矢量
開關組合 | 開關狀態 | 輸出電壓 | 輸入電流 | ||||||
|---|---|---|---|---|---|---|---|---|---|
| SAaSAbSAc | SBaSBbSBc | SCaSCbSCc | UAB | UBC | UCA | Ia | Ib | Ic | |
| 1P | 100 | 010 | 010 | Uab | 0 | -Uab | IA | -IA | 0 |
| 1N | 010 | 100 | 100 | -Uab | 0 | Uab | -IA | IA | 0 |
| 2P | 010 | 001 | 001 | Ubc | 0 | -Ubc | 0 | IA | -IA |
| 2N | 001 | 010 | 010 | -Ubc | 0 | Ubc | 0 | -IA | -IA |
| 3P | 001 | 100 | 100 | Uca | 0 | -Uca | -IA | 0 | IA |
| 3N | 100 | 001 | 001 | -Uca | 0 | Uca | IA | 0 | -IA |
| 4P | 010 | 100 | 010 | -Uab | Uab | 0 | IB | -IB | 0 |
| 4N | 100 | 010 | 100 | Uab | -Uab | 0 | -IB | IB | 0 |
| 5P | 001 | 010 | 001 | -Ubc | Ubc | 0 | IB | IA | IC |
| 5N | 010 | 001 | 010 | Ubc | -Ubc | 0 | 0 | -IB | IB |
| 6P | 100 | 001 | 100 | -Uca | Uca | 0 | IB | IC | IA |
| 6N | 001 | 100 | 001 | Uca | -Uca | 0 | IB | 0 | -IB |
| 7P | 010 | 010 | 100 | 0 | -Uab | Uab | IA | -IA | 0 |
| 7N | 100 | 100 | 010 | 0 | Uab | -Uab | -IC | IC | 0 |
| 8P | 001 | 001 | 010 | 0 | -Ubc | Ubc | 0 | IC | -IC |
| 8N | 010 | 010 | 001 | 0 | Ubc | -Ubc | 0 | -IC | IC |
| 9P | 100 | 100 | 001 | 0 | -Uca | Uca | -IC | 0 | IC |
| 9N | 001 | 001 | 100 | 0 | Uca | -Uca | IC | 0 | -IC |
| 0A | 100 | 100 | 100 | 0 | 0 | 0 | 0 | 0 | 0 |
| 0B | 010 | 010 | 010 | 0 | 0 | 0 | 0 | 0 | 0 |
| 0C | 001 | 001 | 001 | 0 | 0 | 0 | 0 | 0 | 0 |
??? 雙空間矢量PWM調制是對輸入電流和輸出電壓同步調制,逆變器部分的理想輸出線電壓基準矢量圓和整流器部分的理想輸入相電流基準矢量圓都被劃分為6個扇區,從而有36種可能的組合。以虛擬整流器、逆變器均工作在第I扇區為例,整個輸入相電流和輸出線電壓矢量合成過程共有I6-U6,I6—U1,I1-U6,I1-U1及零矢量I0-U0五種組合。即
I6-U6:
??? Dxα=mumisin(60°-θi)sin(60°-θv)(4)
I6—U1:
??? Dxβ=mumisin(60°-θi)sinθv(5)
I1-U6:
??? Dyα=mumisinθisin(60°-θv)(6)
I1-U1:
??? Dyβ=mumisinθisinθv(7)
I0-U0:
??? D0=1-Dxα-Dxβ-Dyα-Dyβ(8)
式中:mi為電流的調制系數;
??????????? θi為輸入相電流的相角;
??????????? θv為輸出線電壓的相角。
??? 為減少輸入線電流和輸出線電壓的諧波分量,我們采取對稱空間矢量調制策略。如圖5所示,在一個調制周期內,將上述開關組合占空比減半,并以零矢量為中心對稱分布如下:1P,3N,4N,6P,0A,1P,3N,4N,6P。占空比:
??? Dxα/2→Dyα/2→Dyβ/2→Dxβ/2→D0→Dxβ/2→Dyβ/2→Dyα/2→Dxα/2
圖5??? 8開關對稱調制方案
Fig 5? the 8-switches double-sided modulator
3??? GAL四步安全換流方案
??? 用圖6中A相換流到B相為例說明:當負載電流iL>0時,第一步關斷S1的負導通部分S1N;第二步開通S2的正導通部分S2P;第三步關斷S1的正導通部分S1P;第四步開通S2的負導通部分S2N,這樣就完成了兩個雙向開關之間的換流,其換流波形如圖7所示,其中S1和S2為兩個雙向開關的理想控制信號。可見,四步換流成功地構成了對兩個雙向開關的換流控制,既禁止了可能使電源發生短路的開關組合,又保證了在任意時刻給負載提供至少一條流通路徑。換流過程可用Lattice公司生產的復雜可編程邏輯器件GAL22V10來實現。
圖6??? 矩陣式變換器一相輸出電路示意圖
Fig? 6? one phase circuit of matrix converter
??? 圖7是用GAL實現的安全四步換流的時序圖。

圖7??? 四步換流次序圖
Fig? 7? the sequence of four-step commutation
4??? DSP實現
??? TMS320LF2407A具有25ns的指令周期,500nsA/D轉換時間,低功耗3.3V設計,2個獨立的事件管理器,4個定時/計數器,并于同類其它系列完全兼容。
??? 為使輸入電流與輸入電壓保持頻率相位一致,需要對輸入電壓進行檢測。輸入電壓通過三相輸入同步變壓器,過零比較器得到三相互相間隔120°的數字電平信號,分別送入DSP的3個IO口和捕獲口,三相電平信號的上升沿和下降沿把輸入電壓空間矢量圓劃分為6個扇區,設定DSP捕獲單元對上升沿和下降沿均產生中斷,以啟動定時器對每個扇區定時,采樣周期到達時讀取定時器的計數值和IO口的電平情況,從而得出當前時刻輸入電壓矢量所在的扇區和相位,也就是得到了期望的輸入電流矢量所在的扇區和相位。
??? DSP程序中,每100μs產生5個PWM脈沖,系統的采樣頻率是5kHz,輸入電壓每200μs采樣一次。采用通用定時器1和通用定時器2,通用定時器1周期是100μs用來產生PWM脈沖和GAL的扇區值,通用定時器2周期是200μs用來采樣輸入電壓、計算開關次數,并決定輸出線電壓和輸入電流的扇區值。DSP的程序流程圖如圖8所示。

圖8??? DSP程序流程圖
Fig? 8? the flowchat of DSP program
5仿真和實驗結果
??? 應用Matlab/Simulink軟件包和交—交直接變換控制開關表對三相矩陣式變換器進行了仿真。當負載為電阻性負載時其典型的輸入電流和輸出電壓波形如圖9所示。當輸入采用了高頻濾波器以使輸入相電流連續并拖動三相異步電機穩態運行時其典型的輸入、輸出電壓、電流波形如圖10所示。

(a)??? 輸入電流
(b)??? 輸出電壓
圖9??? 電阻負載時波形
Fig.9? the input current(a)and output voltage(b)wave when the load is resistor

(a)??? 輸入電流
(b)??? 輸出電壓
圖10??? 穩定運行時波形
Fig.10 the input current(a)and output voltage(b)wave when it is properly working
??? 實驗中采用IGBT以集電極反串聯組合構成雙向開關,圖11、圖12、圖13是實驗所得的波形。

圖11??? 輸入電流實驗波形
Fig.11? the experimental wave of input current
圖12??? 線電壓開路實驗波形
Fig.12??? the experimental wave of line voltage
圖13??? 濾波后線電壓實驗波形
Fig.13??? the experimental wave of line voltage after filter
6??? 結語
??? 本文介紹了空間矢量調制的雙向開關矩陣式變換器的設計和實現方法。利用交—直—交等效模型得到矩陣式變換器等效的21種有效的開關組合,提出了四步安全換流方案,并采用數字信號處理(DSP)技術和通用邏輯陣列(GAL)技術來實現雙矢量的空間調制策略。實驗結果顯示輸入電壓、電流基本同相,輸出線電壓THD較小,線電流正弦變化。仿真和實驗驗證了這種控制策略的實際可行性。
電子發燒友App






















評論