不對稱半橋同步整流DC/DC變換器
0??? 引言
??? 目前,對低壓大電流輸出變換器的研究已經成為重要的課題之一,如何提高這類變換器的效率是研究的重點。在傳統的DC/DC變換器中,對于低的輸出電壓,即使采用通態電壓只有0.5V的肖特基二極管作為輸出的整流器件,其輸出壓降造成的損耗亦相當可觀。同步整流技術可有效減小整流損耗,適合同步整流技術的拓撲有多種形式,其中,采用同步整流的不對稱半橋變換器具有顯著優勢,下面將對該變換器的工作原理,同步整流驅動方式的選擇以及同步整流管損耗作詳盡的分析。
1??? 不對稱半橋變換器
??? 不對稱半橋DC/DC變換器是一種采用互補控制技術的變換器,與對稱半橋變換器不同,該變換器兩個主開關管的導通時間不相等,而是互補的,“不對稱”由此而來。相對于其他電路拓撲,不對稱半橋DC/DC變換器具有眾多優點,諸如實現了軟開關;開關電壓應力??;結構簡單,所用元器件少;由于變壓器副邊是中心抽頭型,輸出濾波電感較小。將同步整流技術與不對稱半橋變換器結合使用,可使變換器適合高頻工作,并能獲得很高效率。
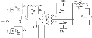
??? 不對稱半橋DC/DC變換器如圖1所示。圖中,S1及S2為主開關;D1及C1和D2及C2分別為S1及S2的寄生元器件;n1及n2分別為兩個次級與初級的匝數比;SR1及SR2為次級同步整流管,其工作方式等效于整流二極管;Lr為變壓器漏感;Lm為勵磁電感,所有的電壓與電流已在圖中標出。

圖1??? 不對稱半橋DC/DC變換器
??? 為了簡化分析,作如下假設:
??? 1)濾波電感足夠大,工作于電流連續模式;
??? 2)變壓器勵磁電感和漏感都折算到原邊;
??? 3)開關寄生電容為常量,不隨電壓變化;
??? 4)所有開關管和二極管都是理想的;
??? 5)電容Cp上的電壓在一個開關周期內保持不變。
1.1??? 工作原理
??? 設占空比為D,開關周期為T,S1在DT時間內導通。一個開關周期內S2上的平均電壓為DVin,由于變壓器的平均電壓為零,因此Cp上的電壓也為DVin,可將變換器的工作過程分為4個階段,圖2為主要的電壓電流波形。
圖2??? 主要的電壓電流波形
??? 階段1〔ta~tb〕??? 主開關管S1開通,S2關斷。此時勵磁電流im以Vm/Lm的速率增加,p點電壓vp=Vin(1-D);圖中it=n1iSR1-n2iSR2為變壓器次級繞組反射到初級的電流,流過初級繞組的電流ip=im+it;
??? 階段2〔tb~tc〕??? 主開關管S1及S2都關斷,S2的ZVS過程開始;
??? 階段3〔tc~td〕??? 主開關管S2開通,S1關斷。此時勵磁電流以|Vm|/Lm的速率減小,p點電壓vp=-VinD;
??? 階段4〔td~te〕??? 主開關管S1及S2都關斷,S1的ZVS過程開始。
1.2??? ZVS分析
??? S1和S2的ZVS過程是相似的,所以,這里只對S2的ZVS過程作分析,該過程〔tb~tc〕也有4個工作模態。
??? 模態1??? 圖1中主開關管S1關斷,此時S2,D1,D2和SR2都處于關斷狀態,僅SR1導通。電容C2放電,電壓線性下降;C1充電,電壓線性上升。p點電壓vp線性下降,m點電壓vm也線性下降,由于電壓vm仍然是正向的,因而im繼續增大,但速率會下降。當vp減小到零時,im增大到最大值,整流管SR2導通,此工作模態結束。如圖3(a)所示。
??? 模態2??? 整流管SR1及SR2導通,S1,S2,D1,D2關斷。此時,電容C1及C2和漏感Lr開始諧振,C2上的電壓繼續下降,vp轉為負值。由于SR1及SR2導通,vm和vf為零,勵磁電流im保持不變。在次級,iSR2增大,同時iSR1減小,因而it=n1iSR1-n2iSR2下降。當it下降到零時,此模態結束。如圖3(b)所示。
??? 模態3??? SR1及SR2仍導通,S1,S2,D1,D2仍關斷,電容C1及C2和漏感Lr繼續諧振。此時it已經換向,當C2上電壓下降為零時,D2導通,該模態結束。此時導通S2,S2為零電壓開通。如圖3(c)所示。
??? 模態4??? S2,D2,SR1,SR2導通,S1及D1關斷。此時漏感上電壓為-VinD,ip線性下降,it反向增大,當it反向增大到n2iSR2時,SR1關斷。如圖3(d)所示。

(a)??? 模態1
(b)??? 模態2

(c)??? 模態3
(d)??? 模態4
圖3??? S2的ZVS過程
2??? 同步整流管驅動方式的選擇
??? 同步整流技術的基礎是使用導通壓降較低的MOSFET代替二極管整流,這樣就存在MOSFET的驅動問題,下面將對適合于不對稱半橋同步整流變換器的驅動方式進行討論。
??? 同步整流技術按其驅動信號類型可以分為電流驅動型和電壓驅動型,選擇何種驅動方式直接影響變換器的效率和復雜程度。
2.1??? 電流型驅動
電流驅動同步整流是通過檢測流過自身的電流來獲得MOSFET驅動信號,由于檢測電流而造成的功率損耗很大,而且它不可避免要將電流信號轉換為電壓信號,增加了成本,性價比低,在這里不作討論。
2.2??? 電壓型驅動
??? 同步整流的電壓驅動又分為自驅動,外驅動(控制驅動)和混合驅動3種。
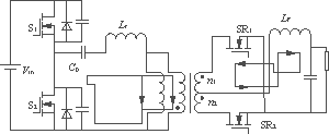
??? 圖4(a)所示的是采用自驅動同步整流的不對稱半橋DC/DC變換器[5]。該電路不需要附加驅動電路,結構簡單。但缺點是兩個MOSFET的驅動時序不夠精確,MOSFET不能在整個周期內代替二極管整流,使得負載電流流經寄生二極管的時間較長,造成了較大的損耗,限制了效率的提高。而且當輸出電壓很低時,次級繞組輸出端電壓也會相應降低,無法起到完全驅動同步整流管的作用。
??? 電壓型外驅動,又稱為控制驅動,使用外驅動的不對稱半橋同步整流器的電路如圖4(b)所示。為了實現驅動同步,附加驅動電路須由變換器主開關管的驅動信號控制,通常使用電壓型控制驅動方法能使電源的效率達到最高,但是缺點是驅動電路過于復雜。
??? 電壓型混合驅動是一種新的方法,使用混合驅動的不對稱半橋同步整流變換器,如圖4(c)所示,這種方法既能按較精確的時序給出驅動電壓信號,同時其附加的驅動電路也較外驅動簡單,所以,已被普遍接受應用于各種拓撲中。

(a)??? 自驅動型同步整流變換器
(b)??? 外驅動型同步整流變換器

(c)??? 混合驅動型同步整流變換器
圖4??? 三種電壓型驅動方式
??? 綜合比較這3種電壓型驅動方式可得知,在不對稱半橋同步整流變換器中最好的選擇是采用電壓混合型驅動。這樣不僅可使變換器達到高效率,而且驅動電路簡單,容易控制。
3??? 同步整流管損耗分析
??? 在不對稱半橋變換器中采用同步整流技術的主要目的是降低整流損耗,提高變換器效率,所以,有必要對變換器中同步整流管的損耗作一下簡要分析。
??? MOSFET模型如圖5所示,其中Rdson為導通電阻,Cgs及Cds和Cgd為MOSFET的寄生電容,其值是非線性的,與MOSFET上所施加的電壓有關。在本文中為了簡化分析,認為寄生電容值是不變的。
圖5??? MOSFET模型
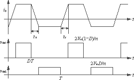
??? 以圖4(a)所示的自驅動型同步整流變換器為例,理想的電壓和電流波形如圖6所示。同步整流管總的損耗PLOSS為
??? PLOSS=PSR1CON+PSR2CON+PSR1SW+PSR2SW+PD3CON+PD4CON(1)
式中:PSR1CON及PSR2CON為兩個同步整流管的導通損耗;
????? PSR1SW及PSR2SW為兩個同步整流管的開關損耗;
????? PD3CON及PD4CON為兩個同步整流管的體二極管的導通損耗。

圖6??? 理想的電壓和電流波形
3.1??? 同步整流管的導通損耗
??? SR1的導通損耗為
??? PSR1CON=Io2Rdson1(1-D-tz/T)(2)
式中:Io為輸出電流;
????? Rdson1為S1的通態電阻。
??? SR2的導通損耗為
??? PSR2CON=Io2Rdson2(D-ty/T)(3)
式中:Rdson2為S2的通態電阻。
??? 因此,總的導通損耗PCON為
??? PCON=PSR1CON+PSR2CON=Io2Rdson1(1-D-tz/T)+Io2Rdson2(D-ty/T)(4)
3.2??? 同步整流管的開關損耗
??? 假設所有寄生電容為線性,整流管SR1的開關損耗為
??? PSR1SW=PSR1Ced+PSR1Cgs+PSR1Cds(5)
??? PSR1Cgs=fCgs(2VinD/n)2(6)
式中:Vin為輸入電壓;
????? f為開關頻率;
????? n=1/n1=1/n2為初級與次級的匝數比。
??? PSR1Cds=fCds[2Vin(1-D)/n]2(7)
??? PSR1Cgd=fCgdp(2VinD/n)2+fCgdn[2Vin(1-D)/n]2(8)
??? 同樣地,SR2的開關損耗為
??? PSR2SW=PSR2Cgs+PSR2Cgd+PSR2Cds(9)
??? PSR2Cgs=fCgs[2Vin(1-D)/n]2(10)
??? PSR2Cds=fCds(2VinD/n)2(11)
??? PSR2Cgd=fCgdp[2Vin(1-D)/n]2+fCgdn(2VinD/n)2(12)
式中:Cgdp為vgd>0時的Cgd;
????? Cgdn為vgd<0時的Cgd。
??? 因此,同步整流管總的開關損耗PSW為
??? PSW=PSR1SW+PSR2SW=4fVin2CTOT(2D2-2D+1)/n2(13)
式中:CTOT=Cgs+Cds+Cgdp+Cgdn為所有寄生電容之和。
3.3??? 同步整流管體二極管的導通損耗
??? 兩個體二極管的導通損耗PDCON為
??? PDCON=PD3CON+PD4CON=(ty+tz)IoVD/T(14)
式中:VD為體二極管的通態電壓。
??? 將式(4),式(13),式(14)相加就是圖3(a)中變換器總的整流損耗PLOSS。通過以上分析,可以看出變換器的整流損耗與以下參數有關,即輸出電流Io;輸入電壓Vin;開關頻率f;漏感Lr;MOSFET自身參數值。在這些影響因素中,漏感Lr的選擇至關重要。顯然,Lr越大,損耗越大,因此,為了提高效率,Lr應盡可能小。但是,同時又要保證Lr足夠大,以實現主開關管的ZVS,所以,在選擇Lr的值時,要綜合考慮兩方面的影響,使變換器的性能最優。
4??? 結語
??? 不對稱半橋DC/DC變換器是一種能實現軟開關的變換器,與其它拓撲相比,具有很多優點。本文對同步整流技術在不對稱半橋變換器中的應用,從電路工作原理到同步整流驅動方式的選擇作了全面的介紹,并在此基礎上,分析了變換器的整流損耗,使對影響整流損耗的參數有了全面的認識。
電子發燒友App


































評論