|
不對稱半橋變換器的研究 摘要:介紹了一種利用互補的PWM控制的不對稱半橋DC/DC變換器。分析了電路的穩態過程和開關的ZVS過程,同時對開關達到ZVS的條件進行了分析。實驗結果表明了這種電路對提高效率的有效性。為了進一步改進電路,針對電路輸出二極管的電壓應力的不平衡,提出了一種副邊繞組不相等的拓撲,并進行了分析。 關鍵詞:不對稱半橋;零電壓開關;效率
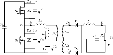
1??? 引言 ??? 近年來,軟開關技術得到了廣泛的發展和應用,提出了不少高效率的電路拓撲,其中不對稱半橋是一個比較典型的電路。 ??? 不對稱半橋是一種適用于中低功率的DC/DC零電壓開關(ZVS)變換器電路。該電路采用固定死區的互補PWM控制方式,不需要外加元件,充分利用電路本身的分布特性,通過變壓器漏感和開關寄生電容的諧振,實現零電壓開關。這種電路保持了PWM開關模式的低開關導通損耗,而且消除了開關的導通損耗,因此,可以得到很高的效率。 2??? 主電路的工作原理分析 2.1??? 電路的穩態分析 ??? 不對稱半橋的主電路如圖1所示。圖1中包括兩個互補控制的功率MOSFET,其中S1的占空比為D,S2的占空比為(1-D),DS1和DS2是開關的體二極管,CS1和CS2分別是開關的結電容。隔直電容Cb,作為開關S2開通時的電源。包括漏感Lk,勵磁電感Lm的中心抽頭的變壓器,原邊匝數為Np,副邊匝數分別為Ns1和Ns2。半橋全波整流二級管D1和D2。輸出濾波電感L,電容Cf和負載RL。
圖1??? 不對稱半橋主電路圖 ??? 電路的穩態工作原理為: ??? 1)當S1導通時,變壓器原邊承受正向電壓,副邊NS1工作,二極管D1導通,開關S2,二極管D2截止; ??? 2)當S2導通時,隔直電容Cb加在變壓器的原邊,副邊NS2工作,開關S1,二極管D1截止。 ??? 理想的工作波形見圖2。其中n1=Np/NS1,n2=Np/NS2,且n1=n2=n。通過對電路的穩態分析,可以得到以下的一些公式。
圖2??? 不對稱半橋的理想波形 ??? 由于變壓器的伏秒平衡,電壓的直流分量都加在隔直電容Cb上 ??? Vcb=DVin??? (1) ??? 從輸出濾波電感的磁平衡,可推導出輸出電壓 ??? Vo= 2.2??? 開關的ZVS過程分析 ??? 下面分3個工作模式來分析開關S2的ZVS過程。理想的工作波形見圖3。
圖3??? 不對稱半橋開關S2的ZVS過程的波形 ??? 1)開關模式1(t0~t1)??? 在t0時刻,S1關斷,S1的寄生電容CS1被線性充電,S2的寄生電容CS2線性放電。變壓器副邊D1續流。此階段在t1時刻vA=Vcb結束。 ??? 2)開關模式2(t1~t2)??? t=t1時,變壓器原邊電壓變為負,電容CS1、CS2和漏感Lk發生串聯諧振。 ??? vA(t)=Vcb-Ip1Znsinωk(t-t1)??? (3) ??? ip(t)=Ip1cosωk(t-t1)??? (4) 式中:Ip1為t1時的變壓器原邊電流; ????? Zn為特征阻抗,Zn= ?????????? ωk為諧振角頻率ωk= ????? C=CS1=CS2。 ??? 由于負壓加在Lk上,漏感電流Ip開始減小。副邊為了保持輸出電流Io不變,整流二級管D1和D2一起導通,變壓器副邊等效短路,變壓器原邊電壓全部加在漏感上。 ??? 3)開關模式3(t2~t4)??? 在t=t2時,vA=0時,S2的體二極管DS2開始導通,為S2創造了零電壓開通的條件。這時一個恒定的電壓Vcb加在Lk上,變壓器原邊電流ip線性下降,在t=t3時,ip過零,并反向增大,二極管D1和D2繼續共同導通。 ??? S2必須在t2~t3之間導通,否則將失去零電壓開通條件。所以要適當設計開關脈沖之間的死區時間(ta-t0)。 ??? 通過對不對稱半橋開關S2的開通瞬態分析可知,要使開關能夠實現ZVS開通,必須滿足以下兩個條件。 ??? (1)在S2開通時,S2兩端的電壓(即vA)必須小于零且ip仍為正向,也就是說,電路要有一定的負載電流,由式(3)可得 ??? ip1> 從而得出特征阻抗要滿足的條件為 ??? Zn> ??? (2)兩個開關脈沖之間要保證適當的死區時間,使得S2在其電壓過零時開通。也就是要滿足t2-t0<ta-t0<t3-t0,其中 ??? t2-t0=C ??? t3-t0=(t2-t0)+Lk ??? S1的零電壓開通過程同S2類似。當S2關斷,S1準備開通時,ip給CS2充電,而CS1放電。Lk,CS1,CS2組成串聯諧振電路。當CS1上的電壓放到零時,S1的體二極管DS1開通,這時開通S1,就實現了S1的ZVS開通。 3??? 實驗結果 ??? 根據以上的分析,設計了一個頻率為100kHz的電路。輸入電壓為40~60V,輸出電壓為12V,輸出電流為6A。原邊開關選用STP75NE75,D1選用STP10H100CT,D2選用STP30L60CT。功率變壓器選用EER28骨架,Np=10匝,NS1=NS2=6匝。實驗所得的S1、S2的漏源極電壓波形與漏極電流波形見圖4。從圖4中可以看出,S1和S2都實現了ZVS。
(b)??? Vin=60V
(a)??? Vin=40V
(d)??? Vin=60V
(c)??? Vin=40V 圖4??? 在不同輸入電壓時的實驗波形 4??? 不對稱半橋的改進 ??? 對圖1的穩態分析還可以得出輸出二級管關斷時承受的反向電壓 ??? VD1= ??? VD2= ??? 如前所述,不對稱半橋占空比的最大值是0.5。所以,從式(9)和式(10)可以得出,當占空比很小時,二極管D2承受的反壓就會很大。而且這種情況在輸入電壓范圍寬時更加嚴重。 ??? 如果采用副邊繞組不相等的電路(即Ns2/Ns1大于1),則占空比就可以大于0.5,從而消除這種二極管電壓應力不均的問題。這時不對稱半橋的輸出電壓為 ??? Vo= ??? 下面具體推導如何根據已知條件求出Ns2/Ns1的值。 ??? 令a=Ns2/Ns1??? (12) ??? 則式(11)可變為 ??? Ns1 ??? 令占空比的變化范圍為D1~D2,且D1<0.5<D2,也就是說,當輸入電壓為最大值Vinmax時,占空比為D1,當輸入電壓為最小值時,占空比為D2,即 ??? Ns1 ??? Ns1 由式(14),式(15)可得 ??? 令f(D2)= ??? D2= 時,函數f(D2)取得最大值。顯而易見,當占空比對稱地分布在0.5左右時,可以得到最理想效果。可以得到 ??? D1= 把式(17)和(18)代入式(16),就可以得到a的值了。 ??? 以本文實驗為例,來說明不對稱繞組對二極管選用的好處。 ??? 圖5是輸出電壓為12V時輸出二極管的電壓應力圖。從圖5中可以看出,當Ns2/Ns1增加時,二極管D1的電壓應力會增大,而二極管D2的電壓應力會減小。當Ns2/Ns1=1時,2個二極管的電壓應力范圍約為25~50V。當Ns2/Ns1=3時,二極管的最大電壓應力小于35V。
圖5??? 輸出二極管的電壓應力 5??? 結語 ??? 不對稱半橋DC/DC變換器由于采用了互補的PWM控制,充分利用電路的特性,以諧振的方式達到開關的ZVS開通,從而消除了開關損耗,提高了電路的效率。 ??? 同時,采用副邊繞組的不對稱解決了普通的不對稱半橋電路輸出二極管電壓應力不均的問題。這樣可以選用低電壓的二極管,即節約了成本,還進一步提高了電路的效率。 |
不對稱半橋變換器的研究
- 變換器(112227)
相關推薦
熱點推薦
控制與緩沖型半橋DC-DC變換器的PWM控制
大家都知道,常見的半橋控制器通常有兩種控制方法,一種是對稱控制,而另一種則是不對稱互補控制,本文主要分析實現半橋DC/DC變換器軟開關的PWM控制策略。
2014-08-20 11:07:21
9520
9520實現半橋DC/DC變換器軟開關的PWM控制解決方案
經常被用于中小功率電路設計的DC-DC轉換器一直是工程師們在進行電源設計時候的首選。半橋電路由兩個功率開關器件總成,并向外提供方波信號。大家都知道,常見的半橋控制器通常有兩種控制方法,一種是對稱控制,而另一種則是不對稱互補控制,本文主要分析實現半橋DC/DC變換器軟開關的PWM控制策略。
2018-01-22 09:07:09
16979
16979
不對稱半橋拓撲接多倍壓整流電路的穩態分析
網上看到不對稱半橋后面都是加全波整流,我因為輸出電壓比較高,所以設計了不對稱半橋加倍壓整流的結構,但是在穩態分析的時候搞不清楚了,想問一下后面加全波整流和倍壓整流會影響整個拓撲結構的穩態分析嗎
2020-04-10 20:46:25
半橋LLC諧振電路知識詳解(工作原理+設計仿真+解決方案)
阻,寄生電容和反向恢復時間越來越小了,這為諧振變換器的發展提供了又一次機遇。對于諧振變換器來說,如果設計得當,能實現軟開關變換,從而使得開關電源具有較高的效率。LLC 諧振變換器實際上來源于不對稱半橋電路
2018-12-12 15:05:03
U/F變換器和F/U變換器
波、鋸齒波、矩形波等。如果U/F變換電路輸出波形是對稱的,如正弦波、三角波、方波等,這種電路稱為壓控振蕩器(VCO),如果輸出波形是不對稱的,則為U/F變換器。 U/F變換器和F/U變換器有模塊式
2011-11-10 11:28:24
一種寬輸出范圍的混合諧振半橋正反激變換器控制方法
前言:不對稱諧振半橋反激變換器(AHB)應用在隔離型的直流轉直流領域,通過占空比調整半橋開關的高端開關的占空比實現對輸出電壓的控制,通過使用占空比調節方法,所以比較適合在寬輸入輸出范圍工作,比對稱
2023-03-23 14:19:33
為什么推挽變換器不像半橋變換器采取隔直電容的辦法解決磁通不平衡問題??
半橋變換器的隔直電容對變壓器偏磁的自動平衡很巧妙,為什么推挽不能采取同樣的措施呢??學生party一枚剛學電源求解答!!
2017-03-16 22:14:38
雙向變換器
本人在做雙半橋雙向變換器,當變換器工作與BOOST狀態時,輸出電壓值總是打不到穩態值。低壓側輸入電壓為24V,高壓側輸出電壓為100V,現在高壓側輸出電壓只有96V。不知道什么原因。跪求大俠解答,不勝感激。
2016-04-14 21:18:38
基于開關磁阻電機系統的功率變換器設計
是開關磁阻電機驅動系統的重要組成部分,其拓撲結構具有多種形式,區別主要在于回收繞組釋放磁場能量的方法不同。圖1 所示是一種不對稱半橋式功率變換電路。 2 功率變換器的設計 2.1 新型功率變換
2018-09-27 15:32:13
無橋PFC變換器綜述
) 的 PFC 變換器在低壓輸入時效率較低的現狀,無橋 PFC 變換器拓撲引起國內外研究者的關注。本文介紹了無橋 PFC 變換器的發展現狀,并對 Boost、Sepic、Cuk 無橋 PFC 變換器
2025-03-13 13:50:36
論文分享《LLC詳談細談-新型LLC自驅動半橋諧振變換器研究》
=oxh_wx3、【周啟全老師】開關電源全集http://t.elecfans.com/topic/130.html?elecfans_trackid=oxh_wx 論文分享《LLC詳談細談-新型LLC自驅動半橋諧振變換器研究》資料來自網絡
2019-07-02 21:43:00
資料分享:LLC 諧振變換器的研究
變換器 1.2.3 串并聯諧振 DC-DC 變換器1.3 LLC 諧振變換器的發展狀況及特點1.4 LLC 諧振變換器與傳統 PWM 變換器的比較 1.4.1 LLC 諧振變換器與不對稱半橋的比較
2019-09-28 20:36:43
AHB直流變換器的ZVS原理分析與控制
針對一種小功率的不對稱半橋AHB 直流變換器。利用其變壓器勵磁電流實現開關管零電壓開關ZVS,采用同步整流控制和突發模式控制技術,可以有效地提高變頻器的效率和減少待機功
2009-03-14 10:55:02
36
36一種對稱半橋反極性連接的雙向 DC/DC 變換器
本文對一種對稱半橋反極性連接的雙向DC-DC變換器進行了研究。變壓器副邊繞組極性的不同選擇可使變換器分為正向連接和反向連接兩種。本文主要研究了反向連接時的工作原理、工
2009-04-08 14:57:43
41
41采用磁集成技術的不對稱半橋倍流整流變換器
本文結合不對稱半橋倍流整流變換器,介紹了兩個電感與一個變壓器的集成。通過集成磁件的變換,給出了磁集成的兩種方式,即正向耦合方式與反向耦合方式。理論分析和PSpice
2009-09-07 10:04:06
19
19LLC諧振變換器與不對稱半橋變換器的對比
LLC諧振變換器與不對稱半橋變換器的對比:隨著開關電源的發展,軟開關技術得到了廣泛的發展和應用,已研究出了不少高效率的電路拓撲,主要為諧振型的軟開關拓撲和PWM型的
2009-10-14 09:34:32
57
57基于不對稱半橋的單級不對稱半橋變換器
單級PFC結構簡單,成本低,詳細地介紹了一種基于不對稱半橋的單級不對稱半橋變換器,分析了它的工作原理及主要參數選擇,并用實驗驗證了其實現PFC和ZVS的特性。 關鍵詞:功率
2009-10-14 09:36:15
33
33不對稱半橋同步整流DC DC變換器
簡要介紹了不對稱半橋同步整流變換器的5--作原理,對同步整流管的驅動方式進行了比較和選擇,并在分析變換器的整流損耗的基礎上,總結出了影響整流損耗和變換器效率的各
2009-10-16 10:23:41
26
26了一種基于不對稱半橋的單級不對稱半橋變換器
摘要:單級PFC結構簡單,成本低,詳細地介紹了一種基于不對稱半橋的單級不對稱半橋變換器,分析了它的工作原理及主要參數選擇,并用實驗驗證了其實現PFC和ZVS的特性。 關鍵詞
2009-10-17 15:40:58
18
18不對稱半橋DC DC變換器
不對稱半橋DC/DC變換器具有軟開關工作、器件數量少以及控制簡單等優點,因此,在不超過1000W的中小功率變換電路中得到廣泛的應用。但是,在傳統的不對稱半橋電路拓撲中,只
2009-10-17 16:20:31
43
43采用不對稱繞組變壓器的不對稱半橋電路的研究
為了改善不對稱半橋電路變壓器直流偏磁較大的問題,本穩提出一種心的不對稱半橋變換器,其變壓器副邊再繞組不一定對稱,文章詳細分析了心的人半橋電路的工作原理以及實現
2009-10-19 16:44:37
46
46基于DSP的SPWM不對稱規則采樣算法的分析與實現
本文以高性能數字信號處理芯片 TMS320F2812 為核心,設計生成了基于不對稱規則采樣算法的SPWM 波形,鍵盤輸入參數設定調制波頻率。本文首先分析了不對稱規則算法的原理,接著
2009-12-23 15:13:18
60
60逆變橋不對稱保護電路的研究
摘要:介紹了一種新的逆變電源逆變橋的不對稱保護電路。該電路利用了電路拓撲的分析方法.對逆變橋的工作狀態實行瞬時式采樣監控:能準確無誤地檢測出逆變橋的運行狀態是
2010-05-25 08:29:46
35
35集成雙氮化鎵功率管的不對稱半橋AC-DC-180W 電源管理芯片-DK8718AD
集成雙氮化鎵功率管的不對稱半橋AC-DC-180W電源管理芯片-DK8718AD一、產品概述:DK87XXAD是一顆基于不對稱半橋架構,集成了兩顆氮化鎵功率器件的AC-DC功率電源管理芯片
2025-01-08 10:53:32
集成雙氮化鎵功率管的不對稱半橋120W-AC-DC電源管理芯片-DK8712AD
集成雙氮化鎵功率管的不對稱半橋120W-AC-DC電源管理芯片-DK8712AD一、產品概述DK87XXAD電源管理芯片是一顆基于不對稱半橋架構,集成了兩顆氮化鎵功率器件的AC-DC功率開關芯片
2025-01-08 15:29:04
東科半導體集成雙氮化鎵功率管的不對稱半橋AC-DC-100W電源管理芯片-DK8710AD
東科半導體集成雙氮化鎵功率管的不對稱半橋AC-DC-100W電源管理芯片-DK8710AD一、產品概述DK87XXAD是一顆基于不對稱半橋架構,集成了兩顆氮化鎵功率器件的AC-DC功率開關芯片
2025-01-08 15:33:07
新型不對稱半橋MOSFET隔離驅動電路設計
隨著軟開關技術的不斷發展,具有結構簡單、所用元器件少、電壓應力小等優點的不對稱半橋變換器的應用也越來越廣泛。同時,隨著電力半導體器件的發展,出現了多種全
2009-04-15 10:59:16
3836
3836
LLC諧振變換器與不對稱半橋變換器的對比
LLC諧 振 變 換 器 與不 對 稱 半 橋 變 換 器 的 對 比
摘 要 : 介 紹 了LLC諧 振 變 換 器 和 不 對 稱 半 橋 變 換 器 兩 種 不 同 類 型 的 軟 開 關 拓 撲 。 分 析
2009-07-04 10:19:07
5957
5957
不對稱半橋同步整流DC/DC變換器
不對稱半橋同步整流DC/DC變換器
0 引言
目前,對低壓大電流輸出變換器的研究已經成為重要的課題之一,如何提高這類變換器的效率
2009-07-04 11:34:36
2414
2414
半橋式變換器電路
圖所示半橋式變換器中,變壓器的一次側在整個周期中都流過電流,磁心得到充分利用,對功率開關管的耐壓要求較低,決不會超過線路峰值電壓。與推挽式電路相比,若輸出相同
2009-07-25 09:15:20
2705
2705可多路獨立供電的半橋DC/DC變換器的設計
可多路獨立供電的半橋DC/DC變換器的設計
介紹了一種功率較大的可多路獨立供電的半橋DC/DC變換器。采用了有源功率因數校正技
2009-10-09 09:45:06
2626
2626
采用SG3525的半橋變換器
摘要:本文介紹一種采用SG3525作為控制芯片的半橋變換器;給出其主電路框圖和各個功能的實現電路;并且對其所采用的反饋補償器進行了詳細的分析;最后給出了實驗結果。 關鍵詞:SG3525;半橋;變換器;開關電源
2011-02-24 12:17:08
525
525雙向半橋零電壓開關變換器的研究
文中介紹了雙向半橋零電壓(ZVS)變換器的工作原理和不同時間段的等效電路圖,以及給出了實現軟開關的條件。并完成了控制電路的設計,仿真結果驗證了電路結構和控制方法的正確
2011-09-15 16:53:31
55
55半橋LLC諧振變換器穩態建模及分析
介紹了半橋LLC諧振變換器的工作原理,研究了半橋LLC諧振變換器的穩態建模,利用MATLAB軟件繪出其直流增益曲線,在此基礎上分析了變換器主要參數對其工作性能的影響。樣機實驗驗證
2011-11-08 18:02:14
112
112對稱PWM控制ZCS半橋變換器原理圖
對稱PWM控制ZCS半橋變換器在傳統不對稱半橋電路變壓器的副邊增加了一條由輔助開關管、諧振電容和諧振電感串聯構成的輔助支路。
2012-02-23 10:45:49
5107
5107
三種布局的半橋諧振變換器的分析研究
驅動電路的設計是LED照明設備中的核心部分,驅動電路的好壞直接影響到了光源是否高效節能工作。而基于不對稱式半橋諧振變換器設計的驅動電路在大功率LED中應用較多,本文即針對
2013-05-06 14:38:38
31
31四相交錯并聯變換器中耦合電感的對稱化
為了提高交錯并聯變換器的性能,對四相交錯并聯雙向DC/DC變換器中不對稱耦合電感進行分析,推導出等效穩態電感和等效暫態電感的數學表達式。結合提出的耦合電感結構進行不對稱耦
2013-09-26 15:11:26
28
28無線充電系統不對稱半橋反激式PFC電路
為了減輕無線充電過程中對電網造成的諧波污染,本文結合不對稱半橋變換器和反激變換器的優點,設計了無線充電系統不對稱半橋反激式PFC電路,分析了此新型PFC電路的工作原理以及實現軟開關的條件,并進
2017-11-03 10:23:01
6
6MMC-HVDC系統橋臂阻抗不對稱模型預測控制
針對模塊化多電平換流器柔性直流(modular multilevel converter-high voltage direct current,MMC-HVDC)輸電系統橋臂阻抗不對稱運行環流
2017-12-14 11:19:33
0
0功率變換器的容錯設計及驗證
為提高航空開關磁阻發電系統的可靠性,對系統中功率變換器常見的開路故障進行分析。結合不對稱半橋式功率變換器各相獨立的優勢,設計一種容錯型功率變換器。利用空閑相功率器件代替故障相功率器件實現功率變換器
2018-02-26 14:07:12
1
1不對稱半橋正反激變換器
,電動汽車,航空電源等領域。基于此,本文提出一種不對稱半橋正反激DC/DC變換器,將不對稱半橋結構與有源嵌位正反激變換器結合起來,繼承了有源嵌位正反激變換器的原有優點,減小了主開關管電壓應力,因此在相同的輸入電壓
2018-03-20 17:15:10
7
7對稱控制全橋諧振PWM軟開關變換器
針對傳統對稱控制全橋變換器不能實現軟開關而導致變換器效率較低的現狀,提出了對稱控制全橋諧振PWM(FB-RPWM)變換器,詳細分析了FB-RPWM變換器的工作模式及其穩態特性。分析結果表明
2018-03-22 14:42:06
2
2不對稱半橋變壓器直流偏磁的產生原因及如何解決
不對稱半橋具有結構簡單,控制方便和無需輔助器件就可以實現軟開關等優點,所以在中小功率的應用場合很有優勢。但是這種不對稱的控制方法卻導致變換器中的隔離變壓器勵磁電流具有直流分量。這就要求變壓器必須有
2018-10-18 10:15:00
16603
16603
不對稱半橋同步整流DC/DC變換器.pdf
不對稱半橋同步整流DC/DC變換器.pdf(移動電源顯示fu)-:簡要介紹了不對稱半橋同步整流變換器的5--作原理,對同步整流管的驅動方式進行了比較和選擇,并在分析變換器的整流損耗的基礎上,總結出了影響整流損耗和變換器效率的各種參數。
2021-07-26 14:40:00
34
34不對稱控制全橋副邊雙諧振DC_DC變換器
不對稱控制全橋副邊雙諧振DC_DC變換器(電源技術投稿說公式和圖片無法顯示)-摘要:提出一種全橋副邊雙諧振 full-bndge secondary-dual resonance,FB-SDR
2021-08-31 16:06:19
22
22LLC串聯諧振全橋DCDC變換器研究
LLC串聯諧振全橋DCDC變換器研究(開關電源技術與設計第二版pdf)-高頻化、高功率密度和高效率,是DC/DC變換器的發展趨勢。傳統的硬開關變換器限制了開關頻率和功率密度的提高。移相全橋 PWM
2021-08-31 18:36:36
68
68一種新的不對稱單相感應電機參數辨識方法
摘要:為了實現不對稱單相感應電機的矢量控制,給出了一種新的不對稱單相感應電機參數辨識方法。依據不對稱單相感應電機的數學模型分析,通過參數折算和對稱補償實現對稱控制,消除了空載實驗所測電機參數受不對稱
2023-02-09 16:43:27
0
0諧振半橋混合正反激變換器的控制策略
前言:不對稱諧振半橋反激變換器(AHB)應用在隔離型的直流轉直流領域,通過占空比調整半橋開關的高端開關的占空比實現對輸出電壓的控制,通過使用占空比調節方法,所以比較適合在寬輸入輸出范圍工作,比對稱半
2023-03-20 14:52:33
14248
14248
一種寬輸出范圍的混合諧振半橋正反激變換器控制方法
不對稱諧振半橋反激變換器(AHB)應用在隔離型的直流轉直流領域,通過占空比調整半橋開關的高端開關的占空比實現對輸出電壓的控制,通過使用占空比調節方法,所以比較適合在寬輸入輸出范圍工作
2023-05-02 11:41:00
3234
3234
一種實時可變相位差的不對稱諧振變換器的控制方法
前言:下圖是不對稱諧振半橋變換器的電路圖和工作波形,由于輸出側僅在開關管關閉后才由諧振電感和電容諧振放電釋放能量到輸出,因此輸出功率被變壓器繞組的損耗、變壓器體積,輸出整流二極管的電流應力所限
2023-06-23 09:57:00
1576
1576
不對稱半橋AHB拓撲技術——東科DK8715AD全合封解決方案解析
前言在電源設計中,不對稱半橋AHB拓撲技術適用于單電壓輸入的場景,而對于寬電壓輸入的應用,則需要增加PFC級以實現更好的性能。該技術在寬電壓輸出方面表現優越,特別適用于需要高度可調性的場合,相較于
2024-04-18 08:23:56
4060
4060
電子發燒友App
















評論