????????? MAX9242/MAX9244/MAX9246/MAX9254能把三路LVDS串行數據輸入轉換成21路單端LVCMOS/ LVTTL輸出.單端數據和時鐘輸出可編程±2%, ±4%或沒有擴展頻譜,以降低EMI.而擴展頻譜能工作在DC平衡模式(16MHz-34MHz)或非DC平衡模式(20MHz-40MHz),廣泛用在汽車電子導航系統.DVD娛樂系統以及數字復印機和激光打印機.本文介紹了MAX9242/MAX9244/MAX9246/MAX9254的主要特性, 功能方框圖, AC耦合與DC平衡模式方框圖, DC耦合與非DC平衡模式方框圖,以及MAX9209/MAX9244評估板的主要特性, 所用元件列表與評估板電路圖.
The MAX9242/MAX9244/MAX9246/MAX9254 deserialize three LVDS serial-data inputs into 21 single-ended LVCMOS/ LVTTL outputs. A separate parallel-rate LVDS clock provides the timing for deserialization. The MAX9242/ MAX9244/MAX9246/MAX9254 feature spread-spectrum capability, allowing the output data and clock frequency to spread over a specified range to reduce EMI. The single- ended data and clock outputs are programmable for a frequency spread of ±2%, ±4%, or no spread. The spread-spectrum function is also available when the MAX9242/MAX9244/MAX9246/MAX9254 operate in non- DC-balanced mode. The modulation rate of the spread is 32kHz for a 33MHz LVDS clock input and scales linearly with frequency. The single-ended outputs have a separate supply, allowing +1.8V to +5V output logic levels.
The MAX9254 features high output drive current for both data and clock outputs for faster transition times in the presence of heavy capacitive loads.
The MAX9242/MAX9244/MAX9246/MAX9254 feature program- mable DC balance, allowing isolation between a serializer and deserializer using AC-coupling. The MAX9242/MAX9244/MAX9246/MAX9254 operate with the MAX9209/MAX9213 serializers and are available with a rising-edge strobe (MAX9242) or falling-edge strobe (MAX9244/MAX9246/MAX9254). The LVDS inputs meet ISO 10605 ESD specifications with ±30kV Air-Gap Discharge and ±6kV Contact Discharge ratings.
MAX9244主要特性:
Programmable ±4%, ±2%, or OFF Spread-Spectrum Output for Reduced EMI
Programmable DC-Balanced or Non-DC-Balanced Modes
DC Balance Allows AC-Coupling for Wider Input Common-Mode Voltage Range
Spread Spectrum Operates in DC-Balanced or Non-DC-Balanced Mode
High Output Drive (MAX9254)
π / 4 Deskew by Oversampling (MAX9242/MAX9244/MAX9254)
16MHz-to-34MHz (DC-Balanced) and 20MHz-to- 40MHz (Non-DC-Balanced) Operation (MAX9242/MAX9244/MAX9254)
6MHz-to-18MHz (DC-Balanced) and 8MHz-to-20MHz (Non-DC-Balanced) Operation (MAX9246)
Rising-Edge (MAX9242) or Falling-Edge (MAX9244/MAX9246/MAX9254) Output Strobe
High-Impedance Outputs when PWRDWN is Low Allow Output Busing
Separate Output Supply Allows Interface to +1.8V, +2.5V, +3.3V, and +5V Logic
LVDS Inputs Meet ISO 10605 ESD Protection at ±30kV Air-Gap Discharge and ±6kV Contact Discharge
LVDS Inputs Meet IEC 61000-4-2 Level 4 ESD Protection at ±15kV Air-Gap Discharge and ±8kV Contact Discharge
LVDS Inputs Conform to ANSI TIA/EIA-644 Standard
+3.3V Main Power Supply
MAX9244應用:
Automotive Navigation Systems
Automotive DVD Entertainment Systems
Digital Copiers
Laser Printers

圖1.MAX9244功能方框圖

圖2.每鏈接兩個電容,AC耦合,DC平衡模式方框圖

圖3.DC耦合鏈接,非DC平衡模式方框圖

圖4.每鏈接4個電容,AC耦合,DC平衡模式框圖
MAX9209/MAX9244評估板
The MAX9209/MAX9244 evaluation kit (EV kit) provides a proven design to evaluate the MAX9209 21-bit programmable DC-balanced serializer and the MAX9244 21-bit deserializer with programmable spread spectrum and DC balance. The MAX9209 serializes 21 bits of LVCMOS/LVTTL parallel input data to three LVDS outputs.
The MAX9244 deserializes the three LVDS input data from the MAX9209 and transforms it back to 21-bit LVCMOS/LVTTL parallel data.
The MAX9209/MAX9244 EV kit circuits are implemented on a single PCB and come with a MAX9209EUM+ and a MAX9244EUM+ installed.
MAX9209/MAX9244評估板主要特性:
_21-Bit Parallel LVCMOS/LVTTL Interface
_8-Conductor Connector with Custom Cable
_Independent Evaluation of the MAX9209/MAX9244 Serializer/Deserializer (SerDes)
_Lead-Free and RoHS Compliant
_Proven PCB Layout
_Fully Assembled and Tested
所用元件列表:


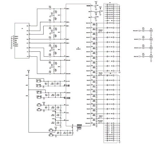
圖5.MAX9209/MAX9244評估板電路圖(1)

圖6.MAX9209/MAX9244評估板電路圖(2)
The MAX9242/MAX9244/MAX9246/MAX9254 deserialize three LVDS serial-data inputs into 21 single-ended LVCMOS/ LVTTL outputs. A separate parallel-rate LVDS clock provides the timing for deserialization. The MAX9242/ MAX9244/MAX9246/MAX9254 feature spread-spectrum capability, allowing the output data and clock frequency to spread over a specified range to reduce EMI. The single- ended data and clock outputs are programmable for a frequency spread of ±2%, ±4%, or no spread. The spread-spectrum function is also available when the MAX9242/MAX9244/MAX9246/MAX9254 operate in non- DC-balanced mode. The modulation rate of the spread is 32kHz for a 33MHz LVDS clock input and scales linearly with frequency. The single-ended outputs have a separate supply, allowing +1.8V to +5V output logic levels.
The MAX9254 features high output drive current for both data and clock outputs for faster transition times in the presence of heavy capacitive loads.
The MAX9242/MAX9244/MAX9246/MAX9254 feature program- mable DC balance, allowing isolation between a serializer and deserializer using AC-coupling. The MAX9242/MAX9244/MAX9246/MAX9254 operate with the MAX9209/MAX9213 serializers and are available with a rising-edge strobe (MAX9242) or falling-edge strobe (MAX9244/MAX9246/MAX9254). The LVDS inputs meet ISO 10605 ESD specifications with ±30kV Air-Gap Discharge and ±6kV Contact Discharge ratings.
MAX9244主要特性:
Programmable ±4%, ±2%, or OFF Spread-Spectrum Output for Reduced EMI
Programmable DC-Balanced or Non-DC-Balanced Modes
DC Balance Allows AC-Coupling for Wider Input Common-Mode Voltage Range
Spread Spectrum Operates in DC-Balanced or Non-DC-Balanced Mode
High Output Drive (MAX9254)
π / 4 Deskew by Oversampling (MAX9242/MAX9244/MAX9254)
16MHz-to-34MHz (DC-Balanced) and 20MHz-to- 40MHz (Non-DC-Balanced) Operation (MAX9242/MAX9244/MAX9254)
6MHz-to-18MHz (DC-Balanced) and 8MHz-to-20MHz (Non-DC-Balanced) Operation (MAX9246)
Rising-Edge (MAX9242) or Falling-Edge (MAX9244/MAX9246/MAX9254) Output Strobe
High-Impedance Outputs when PWRDWN is Low Allow Output Busing
Separate Output Supply Allows Interface to +1.8V, +2.5V, +3.3V, and +5V Logic
LVDS Inputs Meet ISO 10605 ESD Protection at ±30kV Air-Gap Discharge and ±6kV Contact Discharge
LVDS Inputs Meet IEC 61000-4-2 Level 4 ESD Protection at ±15kV Air-Gap Discharge and ±8kV Contact Discharge
LVDS Inputs Conform to ANSI TIA/EIA-644 Standard
+3.3V Main Power Supply
MAX9244應用:
Automotive Navigation Systems
Automotive DVD Entertainment Systems
Digital Copiers
Laser Printers

圖1.MAX9244功能方框圖

圖2.每鏈接兩個電容,AC耦合,DC平衡模式方框圖

圖3.DC耦合鏈接,非DC平衡模式方框圖

圖4.每鏈接4個電容,AC耦合,DC平衡模式框圖
MAX9209/MAX9244評估板
The MAX9209/MAX9244 evaluation kit (EV kit) provides a proven design to evaluate the MAX9209 21-bit programmable DC-balanced serializer and the MAX9244 21-bit deserializer with programmable spread spectrum and DC balance. The MAX9209 serializes 21 bits of LVCMOS/LVTTL parallel input data to three LVDS outputs.
The MAX9244 deserializes the three LVDS input data from the MAX9209 and transforms it back to 21-bit LVCMOS/LVTTL parallel data.
The MAX9209/MAX9244 EV kit circuits are implemented on a single PCB and come with a MAX9209EUM+ and a MAX9244EUM+ installed.
MAX9209/MAX9244評估板主要特性:
_21-Bit Parallel LVCMOS/LVTTL Interface
_8-Conductor Connector with Custom Cable
_Independent Evaluation of the MAX9209/MAX9244 Serializer/Deserializer (SerDes)
_Lead-Free and RoHS Compliant
_Proven PCB Layout
_Fully Assembled and Tested
所用元件列表:


圖5.MAX9209/MAX9244評估板電路圖(1)

圖6.MAX9209/MAX9244評估板電路圖(2)
電子發燒友App


























評論