電機位置編碼器廣泛用于伺服驅動器、機器人、機床、印刷機、紡織機和電梯等工業電機控制應用。用接口把這些編碼器連接到您系統的其它部分會帶來一些棘手的電磁兼容(EMC)問題。為幫您應對這些挑戰,筆者將以
2018-05-16 08:43:56
9242 ? ?1.?最常見的電機位置傳感器有哪些? 用于電機的最先進的位置傳感器被認為是基于旋轉變壓器(resolver-based)和編碼器(encoder-based)的傳感器。 1.1基于旋轉
2023-08-30 09:09:02
9167 
采用復雜控制系統(例如矢量場定向控制或FOC)的電機驅動器通常使用旋轉變壓器接口來向控制系統提供信號以計算電機轉速、角度和絕對位置
2024-01-17 17:18:24
2663 
工業位置傳感器開啟智能家居和工業領域,創造新的應用,提升我們的日常生活。工業機器人高速應用電機位置檢測——在更高的轉速下也能實現靈活設計和高度精確的位置感測:工業行業電機、機器人關節電機位置、電動
2024-07-03 20:53:02
2761 
逆變器換相與轉子同步來驅動電機持續運轉。盡管直流無刷電機也可以通過定子繞組產生的反感生電動勢來檢測轉子的位置,而省去位置傳感器,但是電機啟動時,轉速太小,反感生電動勢信號太小而無法檢測。位置傳感器可以用
2019-06-28 04:20:10
可以通過定子繞組產生的反感生電動勢來檢測轉子的位置,而省去位置傳感器,但是電機啟動時,轉速太小,反感生電動勢信號太小而無法檢測。可以用作直流無刷電機位置傳感器的霍爾傳感器芯片分為開關型和鎖定型兩種
2016-10-09 15:13:14
,電機速度PID控制的結構圖如下,目標值是設定的速度,通過編碼器獲取電機的轉速作為反饋,實現電機轉速的控制。再來看電機位置PID控制,其結構圖如下,目標值是設定的位置,通過編碼器獲取電機累計轉動的脈沖數作為反饋,實現電機位置的控制。所以:對比兩張圖,速度控制與位置控制的主要區別,就是控制量的不同。
2021-06-29 07:39:25
電機位置信號的重要性在永磁同步電機FOC控制算法中,需要用到一個非常重要的物理量是電機的位置信號。這個位置信號到底有多重要呢?還是用數據來說話吧。筆者搭建了一個電機的電流環仿真模型,固定電機轉速
2021-08-27 07:36:41
我要做電機位置隨動的仿真,就是模擬信號轉化數字量,然后電機根據數字指令轉相應角度(位置),電機用的是位置編碼電機就是可以發出脈沖數的那種,,真得很急用啊 ,,有沒有大神幫幫忙,或者給我個思路也可以。!!!!
2014-09-09 01:22:09
采用非接觸式的光反射轉速測量法,傳感器與被測軸之間無任何機械連接,不會由于安裝傳感器而影響被測軸轉速,適于小型電機乃至微型電機的轉速測量,且對于由于結構等原因不允許固定安裝測速傳感器的情況更為方使
2018-01-18 14:40:27
作品簡介:本設計采用AT89C52單片機作為整個系統控制的核心。采用PID算法中的增量式PI方式完成對電機轉速的精確控制,采用紅外檢測模塊對電機轉速進行采集,并對反饋回來的信號進行調理,作為對電機
2021-09-02 07:11:15
直流電機測速+中文液晶顯示一、實驗目的二、實驗內容三、實驗步驟四、C代碼如下五、實驗結果六、實驗體會一、實驗目的本文介紹了一種基于AT89C51單片機平臺,采用光電傳感器實施電機轉速測量的方法,硬件
2021-12-03 08:20:09
采用碼盤對直流電機轉速進行測量的Multisim仿真應該怎么做
2022-09-17 18:36:14
27VDC。四、工作量要求1、完成控制系統原理圖設計;2、完成直流伺服電機位置控制系統建模,PID控制器的設計,基于LABVIEW的實時控制軟件開發及實驗,完成仿真結果與實驗結果的對比分析,并提出改進措施
2019-04-02 09:40:03
各位專家好,我最近在用AD2S1210采集電機位置時發現有時連續好幾個周期采到的電機碼值都相同,而且轉速越高這種情況越多。現象很固定,不是碼值亂跳,也不是上下波動,而是不變。請問ADI專家這可能由什么原因所引起呢?謝謝!
2018-09-12 11:23:07
生產機械或其機構產生一定的位置變化,這時需要的控制量就不再是電機的轉速,而是控制對象的直線位移,因此需將電機的轉速輸出轉換為電機的位移輸出。1 電機位置控制模塊的設計1.1 直流電機位置控制的方法 在此
2020-10-23 11:37:01
生產機械或其機構產生一定的位置變化,這時需要的控制量就不再是電機的轉速,而是控制對象的直線位移,因此需將電機的轉速輸出轉換為電機的位移輸出。1 電機位置控制模塊的設計1.1 直流電機位置控制的方法 在此
2020-04-15 13:53:20
Proteus實現編碼器電機轉速及方向檢測原理圖代碼原理圖控制編碼電機采用的是最簡單的開關控制正反電壓的輸入,滑動變阻器控制電機轉速,也可以采用數字IC去控制電機轉速以及方向,如L298N電機驅動
2021-06-30 07:44:52
業界各位親們,眾所周知,在電機控制世界里,要想做到精確控制,位置和電流采集是至關重要的,所以能否請各位能否分享一下經驗:1,如何保證電流采集量的準確性?2,如何保證電機位置采集的準確性?AU6802
2016-10-24 20:45:11
轉速(三級調速,按鍵一次改變一次速度);③ 利用QEP采樣電路檢測電機轉速; ④ 數碼管顯示電機當前轉速。 ⑤理解直流電機雙極性驅動電路的原理,利用事件管理器產生正確的PWM控制波形.
2015-09-10 11:20:00
。很多系列的單片機中都具有SPI及正交編碼器脈沖電路(QEP),例如STM32單片機、TI公司的DSP芯片等,它們都能夠處理AS5040絕對角度和增量角度信號。下圖二為使用AS5040系列磁編碼器位置檢測
2021-09-22 09:41:15
現代永磁同步信息交流伺服控制系統一股可以采用編碼器作為轉子位置檢測技術裝置。 光電編碼器分為增量式和絕對式,增量式光電編碼器與絕對編碼器相比,增量編碼器具有成本低、布線簡單、可靠性高等優點
2020-06-30 10:28:19
光電編碼器測量電機轉速的方法有哪些?可以通過定時器/計數器根據光電編碼器的輸出脈沖信號測量電機的轉速。 具體的速度方法有m法、t法、M/T法3種。一、m法也稱為頻率測量法,其速度原理是在規定的檢測
2023-05-25 10:19:20
本人現在已經通過DSP2812中SCIA接收上位機發送的數據來控制電機的轉速,采用CAP3來捕獲光電編碼器來測量電機的轉速,現在想在程序里面添加PID調節電機的轉速,主要通過PID輸出調整PWM波形的占空比來調節電機的轉速,請各位大神賜教
2017-09-06 21:27:11
錯時,系統能以安全地方式停止運行。電流檢測放大器通常用于間接精確測量電機負載,一般應用于三個電機相位中的兩個相位,提供額外的診斷信息(可以作為整體系統安全保障措施的一部分)。此外,高度準確的電機位置
2020-01-13 10:03:53
束的9號端子上ECM未檢測到發動機轉速或位置信號,被認為是故障,并以故障碼121存儲該故障,這時黃色警告燈點亮。由于該故障的存在,發動機將無法工作。 圖1 發動機位置傳感器(EPS)電路 (1
2018-10-31 17:39:11
電機位置編碼器廣泛用于伺服驅動器、機器人、機床、印刷機、紡織機和電梯等工業電機控制應用。用接口把這些編碼器連接到您系統的其它部分會帶來一些棘手的電磁兼容(EMC)問題。為幫您應對這些挑戰,筆者將以
2018-09-05 16:07:42
課題是永磁同步電機位置控制,看了很多文章,然并卵,最好是基于智能算法的就更好了。
2015-12-31 10:38:24
對電機逆變側所通 PVM 脈沖進行計數,并采用校正算法來確定電機轉子的精確位置。在 Malsb/Sim-ilink 下對該轉子位置檢測方法進行建模,設計了基于 DSP F28I2的 BLDCM 控制
2025-07-29 16:14:54
如何測量電機轉子的位置?
2021-09-24 07:03:45
本設計中,我采用了AT89C51單片機,芯片工作電壓約為5V左右,從左到右我設計的依次是電容濾波的三相橋式不可控整流電路,直流電機H橋驅動電路,中間穿插了電壓、電流檢測,轉速和溫度檢測。其中我比較
2021-09-07 09:32:56
我現在搞異步電機位置控制。請問高手,電機精確定位硬件上有什么特殊要求嗎?謝謝!我電機上接了碼盤,可是電機有慣性,發送停止命令,電機還要再轉一下才停。怎么解決?謝謝!
2018-11-22 10:04:51
目前做一個電機位置控制時,遇到一個問題: 目的是直流電機轉動一圈停止,電機起始位置與停止位置始終在同一位置 電機轉動一圈后,編碼器輸出1000個電平跳變信號,當我讀取到1000信號時,停止電路
2020-03-13 05:20:31
關于電機轉子初始位置檢測的方法電機轉子檢測的目的對位置的幾種方法使用d軸電流吸合時的電角度解算使用q軸電流吸合時的電角度解算總結電機轉子檢測的目的電機實現閉環需要電機的轉速和轉子實際位置的反饋量
2021-09-16 06:48:03
。AS5040磁旋轉編碼器能夠滿足高精度、高可靠性、低成本的設計要求。 那么將AS5040磁旋轉編碼器應用于永磁同步電機位置檢測時,需要解決兩個問題:一是磁旋轉編碼器安裝位置初始定位,即確定編碼器輸出的位置
2023-03-09 15:30:26
摘要:反電動勢過零檢測法是應用最廣泛的一種無刷直流電機(BLDCM)轉子位置辨識方法。為消除由于 PWM 高頻開關噪聲產生的影響,該方法一般需采用硬件濾波電路來對測量的信號進行處理,由此帶來轉子位置
2025-07-10 16:40:19
關斷驅動信號,起到保護電路的作用。 轉子位置檢測電路采用1/2電壓采樣法來實現,對電機的三相端電壓及直流母線電壓分別進行采樣,并將采樣結果送入比較器進行比較,從而得到過零點的時刻,其結果送入DSP
2018-11-07 10:41:54
直流電機分為哪幾種?什么是步進電機?步進電機可以實現電機轉速和位置的精確控制嗎?
2021-09-14 06:10:07
通過傳感器速度位置檢測??電碼盤、旋轉變壓器和霍爾是常用的檢測旋轉電機轉子位置的傳感器。??光電碼盤的精度較高,適于高性能的控制系統使用,但它的環境適應能力較差,較大的機械沖擊和震動會影響精度。隨著
2021-06-29 07:32:23
設計一個電機轉速測量顯示邏輯電路各位大哥有關于這個的multisim文件嗎
2017-01-08 15:02:33
大家好,想請教個問題,關于直流有刷電機轉速測量的,現決定通過檢測電流脈沖頻率來計算轉速,但是現在電流可以測量的到,只是怎么通過測量來的電流信號轉換成電流頻率呢,程序中不知道怎么去編寫,希望給個思路,謝謝!
2019-01-25 06:09:04
水輪發電機組轉速的可靠測量是對其進行有效監視與控制的基礎, 針對 目前水輪發電機組電氣轉速的測量以 單片機 、 P L C或二者相結合的方式為主要實現方式所面臨的轉速測量值
2009-04-10 10:49:03
38 電機的轉矩和轉速是最重要的兩個參數,對它們的測量必須準確。根據用戶提出的測量航空電機具體要求,本文分析了轉矩和轉速的測量原理,指出了采用應變式和光電式傳感器構成測
2009-07-07 08:48:59
39 柴油發電機組做為備用電機電源或移動電站廣泛用于高層建筑、銀行、機場和油田等場合。應用中需控制柴油發電機組的轉速和電壓,使其具有良好的電氣性能。采用TMS320F2812DSP捕獲
2010-12-24 10:29:02
66
轉速的光學檢測電路
2009-02-09 16:23:59
897 
電機轉速控制電路
2009-02-16 22:01:32
2665 
光傳感器電機轉速檢測電路
2009-04-21 11:07:07
833 
轉速測量傳感器電路
2009-04-26 12:05:25
2450 
轉速檢測電路
2009-04-26 12:05:48
3601 
脈寬調制電機轉速控制電路
2009-09-26 16:34:22
972 
投影機位置計算和吊裝技巧
CP-310t 電動變焦鏡頭 投影距離 屏幕尺寸 最
2010-02-06 09:55:19
580 摘要:水輪發電機組轉速的可靠測量是對其進行有效監視與控制的基礎,針對目前水輪發電機組電氣轉速的測量以單片機、PLC或二者相結合的方式為主要實現方式所面臨的轉速測量值可能非正常突變的問題,通過增強轉速系統的軟件濾波能力來改善轉速測量值可能非正常
2011-03-01 14:37:39
61 摘要:闡述了一種新研制的短行程永磁直流直線電機的工作原理,提出了基于DSP(TMS320LF2407A)的短行程直流直線電機數、模混合伺服控制系統方案,重點對直線電機的位置檢測及控制技術進行了研究,給出了DSP控制器的位置檢測接口電路、16位雙極性數模轉換器(DAC7641
2011-03-01 15:48:49
51 摘要:柴油發電機組做為備用電機電源或移動電站廣泛用于高層建筑、銀行、機場和油田等場合。應用中需控制柴油發電機組的轉速和電壓,使其具有良好的電氣性能。采用TMS320F2812DSP捕獲單元處理柴油發電機組的磁電式轉速傳感器信號,實現柴油發電機組轉速數字
2011-03-01 22:57:38
87 電機轉速 和轉子位置的測量在電機交直流調速控制系統中占有重要的位置,為提高測量的精度和避免噪聲影響,多采用數字式測量方法。基于常規的M/ T 法,提出了電機轉速和轉子位置測量
2011-07-06 17:04:34
168 1.位置檢測,計算過程中的變量的定義 /*-------------------------------------------------------------------- Define
2011-09-07 14:53:30
229 提出一種用于異步電機位置控制的模糊神經網絡(fuzzy neural network ,FNN) 控制器。其控制系統采用Sugeno 型FNN 和比例積分(proportional integrate , PI) 控制進行構建。在進行試驗測試之前,利用實驗
2011-09-26 14:35:50
32 基于51單片機的電機轉速測量系統的代碼和原理圖
2015-12-22 17:41:22
50 永磁交流同步直線電機位置伺服控制系統設計
2016-04-26 11:02:01
16 電機轉速測量系統,很好的設計資料,快來下載學習吧。
2016-05-10 10:03:56
43 電磁發射用直線感應電機位置檢測系統_何娜
2017-01-08 12:03:28
1 基于改進反電勢積分的永磁同步電機位置檢測_劉剛
2017-01-08 13:38:53
9 基于終端滑模負載觀測器的永磁同步電機位置系統反步控制_方一鳴
2017-01-08 13:49:17
2 電機位置編碼器廣泛用于伺服驅動器、機器人、機床、印刷機、紡織機和電梯等工業電機控制應用。用接口把這些編碼器連接到您系統的其它部分會帶來一些棘手的電磁兼容(EMC)問題。為幫您應對這些挑戰,筆者將以
2017-04-26 13:16:12
1980 電機轉速測量系統設計
2017-07-03 16:23:51
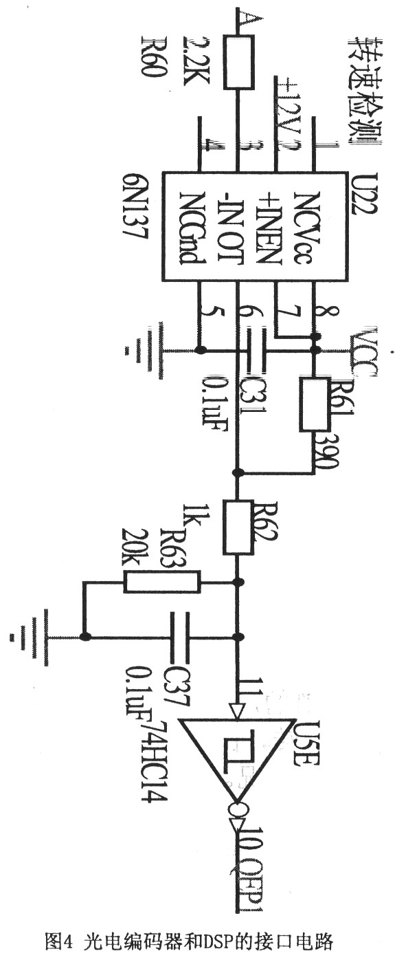
124 轉速測量的精確度與實時性影響著電機調速系統的性能。基于絕對式光電編碼器抗干擾能力強,具有掉電記憶功能等優點,及其在電機轉子位置測量的廣泛應用 ,設計了基于絕對式光電編碼器和數字信號處理器(DSP
2017-09-01 11:27:16
32 電機位置編碼器廣泛用于伺服驅動器、機器人、機床、印刷機、紡織機和電梯等工業電機控制應用。用接口把這些編碼器連接到您系統的其它部分會帶來一些棘手的電磁兼容(EMC)問題。為幫您應對這些挑戰,筆者將以
2017-11-17 01:53:52
3301 在高精度的電機位置控制中,位置測量直接影響著控制系統的控制精度。在本系統中,光柵尺是超聲波電機位移測量的關鍵部件。因此,對光柵尺輸出信號進行檢測與處理是電機位置閉環控制的重要組成部分。數字信號處理器
2018-02-02 15:39:00
2 這部分電路實際上完成電機換相驅動和調速的功能。C8051F313根據轉子位置檢測電路的檢測結果,對無刷直流電機進行實時的換相驅動,同時根據轉速檢測電路檢測到的轉速對無刷直流電機進行調速。本設計采用PWM方式對電樞電壓進行控制,實現調速。
2018-04-08 11:40:01
2602 
電機控制系統中的電機位置信息采集技術
2018-08-22 00:20:00
5057 在分析直線電機位置控制存在問題的基礎上,實現了直線電機精準位置控制。將Matlab和DSP完美地結合起來,完成了在Matlab/Simulink中創建M文件,編譯生成DSP代碼,從而達到直線電機精準位置
2019-10-23 17:20:26
26 設計了一個基于 MATLAB( 2010b) 的 DSP2812 電機轉速曲線實時繪制方案。該設計使用 MATLAB Embedded IDE Link 中提供的函數與 DSP 開發板
2020-01-02 08:00:00
2 顧名思義,無刷直流電機沒有電刷觸點,需要使用電機位置傳感器(MPS)來測量定子與轉子之間的相對位置,以確保定子線圈按正確順序通電。電機位置傳感器在啟動時至關重要,因為此時微控制器沒有可用的反電動勢來確定轉子和定子的相對位置。
2020-05-04 16:57:00
7579 
三相無刷直流電機控制系統框圖如圖1所示,系統主要由DSP控制模塊、智能功率模塊和轉子位置檢測模塊三大部分構成。系統根據轉子位置檢測模塊檢測到的電機位置信號,控制DSP輸出正確的6路PWM脈沖信號,經過驅動電路以控制智能功率模塊中相應功率管的通斷,從而實現對電機的正確供電,控制電機正常運行。
2020-04-18 13:37:00
5197 直流無刷電機位置傳感器有:磁敏式、光電式和電磁式三種類型。 使用磁敏式位置傳感器的直流無刷電機,其磁敏器件(如霍爾元件、磁敏二極管、磁敏導電管、磁敏電阻或專用集成電路等)被安裝在一個定子組件上,用于
2020-12-31 10:35:27
6716 無刷電機位置傳感器有:磁敏式、光電式和電磁式三種類型 使用磁敏式位置傳感器的直流無刷電機,其磁敏器件(如霍爾元件、磁敏二極管、磁敏導電管、磁敏電阻或專用集成電路等)被安裝在一個定子組件上,用于檢測
2021-09-17 11:05:41
5012 數字電路轉速測量制作說明
2021-11-09 15:14:49
4 電機轉速檢測資料分享
2022-10-08 09:35:59
14 電子發燒友網站提供《帶按鈕的Arduino控制伺服電機位置.zip》資料免費下載
2022-11-07 15:04:25
3 電子發燒友網站提供《直流電機位置控制開源分享.zip》資料免費下載
2022-11-07 09:16:31
2 電子發燒友網站提供《從SD卡獲取伺服電機位置.zip》資料免費下載
2023-01-31 10:17:08
0 本文將介紹“無刷電機位置傳感器的作用及其布局”相關的內容,這也是在“無刷電機有傳感器驅動和無傳感器驅動的特征及區分使用”中“無刷電機有位置傳感器的驅動”應注意的要點。在無刷電機使用的位置傳感器通常是磁傳感器(霍爾元件,霍爾IC)。
2023-02-15 16:12:07
4186 
基于ADRC的永磁同步電機位置環控制 原理 仿真 總結 原理 位置環ADRC: 仿真位置環內部:ESO內部:參數設置:轉速環:電流環:電機參數:螺旋槳模塊(查表法):此外螺旋槳加不加都可以,看情況
2023-03-14 09:33:07
2 本篇來介紹電機的位置環控制,實現電機快速準確地轉動到指定位置。回顧上篇,電機速度PID控制的結構圖如下,目標值是設定的速度,通過編碼器獲取電機的轉速作為反饋,實現電機轉速的控制。再來看電機位置PID
2023-05-06 11:50:36
9 多維科技TMR3103和TMR3106角度編碼器芯片產品適用于BLDC無刷電機位置檢測、轉速檢測、閉環步進電機位置檢測及多種非接觸式角度檢測等應用。
2023-07-03 14:50:46
2395 
(1)在數控機床中,伺服電機位置模式常用于驅動進給軸。通過位置模式,可以實現對切削工具的精確位置控制,以實現高精度的加工操作。 (2)在自動化生產線中,伺服電機位置模式常用于驅動定位裝置、機械臂或
2023-08-15 08:25:01
2258 基于步進電機驅動原理,對步進電機驅動方式進行分析,提出了基于西門子S7-1200系列PLC的步進電機位置控制裝置的電氣系統硬件接線及軟件設計。通過測試,該裝置能對位置進行精確控制及狀態監控,在光伏發電追光系統中可用于光伏板的控制,也適用于PLC運動控制教學實訓,在自動化裝置中有較好的推廣價值。
2023-10-23 14:38:16
5365 
三相全波無刷電機(BLDC)的位置檢測是其運行控制中至關重要的環節。位置檢測確保電機的電子換向系統能夠準確地控制定子繞組的通電順序,從而產生正確的旋轉磁場以驅動轉子旋轉。在無刷電機中,這一功能通常由
2024-02-05 17:58:34
3778 
本文介紹工業自動化領域的設計人員在設計用于電機控制的位置檢測接口時面臨的常見問題,即在速度更快、尺寸更小的應用中檢測位置。利用從編碼器捕獲的信息以便精確測量電機位置對于自動化和機器設備的成功運行很重
2024-04-12 08:24:17
1258 
電機位置誤差的原因,并提出相應的維修措施,以期幫助讀者更好地理解和解決這一問題。 一、機械結構因素 伺服電機的機械結構是位置誤差的一個重要來源。機械部件的磨損和松動是導致定位精度下降的主要原因之一。長期使用和
2024-12-23 17:27:01
4169 磁旋轉編碼器能夠滿足高精度、高可靠性、低成本的設計要求。 那么將 AS5040 磁旋轉編碼器應用于永磁同步電機位置檢測時,需要解決兩個問題:一是 磁旋轉編碼器安裝
2025-04-09 13:37:22
0
評論