諧波及無功電流檢測方法對比分析
0??? 引言
??? APF補償電流的檢測不同于電力系統中的諧波測量。它不須分解出各次諧波分量,而只須檢測出除基波和有功電流之外的總的高次諧波和無功畸變電流。難點在于準確、實時地檢測出電網中瞬態變化的畸變電流,為有源電力濾波器控制系統進行精確補償提供電流參考,這是決定APF性能的關鍵。目前文獻已報道運行的三相APF中所使用的幾種諧波電流檢測方法,除了各自存在的難以克服的缺陷外,共同存在的問題是,由于是開環檢測系統,故對元件參數和系統的工作狀況變化依賴性都比較大,且都易受電網電壓畸變的影響。對單相電路的諧波和無功電流的檢測還存在實時性較差的缺點。
??? 本文對目前有源電力濾波器中應用的畸變電流檢測與控制方法進行了分析比較,在此基礎上,針對APF中只須檢測總的畸變電流,反向后注入系統,以抵消或補償系統中畸變電流,使電網僅提供基波有功電流這一工作特點,從保證APF能最有效地工作出發,綜合瞬時無功功率理論檢測法的快速性和閉環電路的魯棒性,提出了基于瞬時無功功率理論的閉環檢測方案。從諧波及無功電流開環、閉環檢測電路抽象出檢測電路的本質(本文稱為統一模型),在此基礎上,給出了檢測電路的優化設計方案,研究了檢測系統中等效低通濾波器的階數與截止頻率對檢測精度與快速性的影響,推導了統一模型下閉環檢測電路的實現。最后,通過實驗加以驗證。
1??? 基波幅值檢測原理
??? 設單相電路中的電源電壓為
??? us=Usint(1)
??? 非線性負荷電流為
??? iL(t)=if(t)+ih(t)=ifp(t)+ifq(t)+ih(t)=ifp(t)+ic(t)(2)
式中:if(t)為iL(t)的基波電流;
????? ih(t)為iL(t)中高次諧波電流;
????? ifp(t),ifq(t)分別為基波電流的有功分量和無功分量;
????? ic(t)為要補償的諧波和無功電流之和,稱為畸變電流。
??? 因為,負荷電流中的基波有功分量必定是一個初相角與電網電壓相同,角頻率為基波角頻率ω的正弦波,所以,我們可以設負荷電流的基波有功分量為
??? ifp(t)=Asint(3)
??? 若能求出A的大小,則可由式(3)得出基波有功電流的表達式。為求出A的大小,先對非線性負荷電流進行傅立葉分解,有
??? iL(t)=Ansin(nωt+φn)=A1sin(ωt+φ1)+
Amsin(mωt+φm)
??? =A1cosφ1sinωt+A1sinφ1cosωt+Amsin(mωt+φm)(4)
式中:m,n均為整數;
????? Am,φm,An,φn為各次電流的幅值和初相角。
??? 從式(4)可以看出負荷電流的基波有功分量幅值為A1cosφ1,為分離此值對式(4)左右兩邊同乘以sinωt,得到
??? iL(t)sinωt=Ansin(nωt+φn)sinωt=A1cosφ1sin2ωt+A1sinφ1cosωtsinωt+
??? Amsin(mωt+φm)sinωt=
A1cosφ1+
A1cosφ1sin
??? +A1sinφ1cos2ωt+
Am{cos〔(m-1)ωt+φm〕-cos〔(m+1)ωt+φm〕}(5)
??? 從式(5)可以看出,我們已得出了負荷電流中基波有功分量幅值的一半值,也就是式中的A1cosφ1,我們再把此值擴大2倍,即得出電流基波有功分量幅值,也就得出了基波有功電流ifp(t)=A1cosφ1sinωt。因此,畸變電流為
??? ic(t)=iL(t)-ifp(t)=iL(t)-A1cosφ1sinωt(6)
??? 這樣,即可實時檢測出畸變電流的大小。
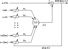
??? 圖1為根據以上分析所得出的電路設計的原理圖。該圖中ea為電源相電壓,sinωt可通過正弦信號發生電路得到。PLL為鎖相環,它的作用是鎖定電壓信號,以讓正弦波發生器產生一個與電網電壓同頻同相的正弦波。LPF為一低通濾波器,用來濾掉基波以外的其它高次諧波。從該原理圖也可以看到,由于整個系統是開環系統,所以,不存在系統不穩定的問題。需要指出的是該方法可以方便地用于單相電路中的檢測。
圖1??? 電網電流基波幅值檢測原理圖
2??? 基于ANN理論自適應檢測諧波電流的原理
??? 自適應噪聲抵消法可以把信號s(t)和加性噪聲n(t)分離開來,原理如圖2所示。系統的輸入信號包括原始輸入s(t)+n(t)和參考輸入n′(t)。參考輸入n′(t)經自適應濾波器調整后的輸出為v(t)。s(t)和n(t)不相關,和n′(t)也不相關,但是n(t)和n′(t)具有相關性。當v(t)在最小均方誤差意義下最接近主通道噪聲n(t)時,n(t)得到了最佳抑制。此時,系統輸出z(t)在最小均方誤差意義下也最接近信號s(t),從而把信號s(t)檢測出來。這里,z(t)同時作為誤差反饋信號e(t)用來調整自適應濾波器的參數。自適應噪聲抵消法只需要很少或根本不需要任何關于信號和噪聲的先驗統計知識,就可以從混合信號中檢測出所需要的信號。
圖2??? 自適應噪聲抵消法原理圖
??? 基于上述自適應噪聲抵消法原理,便可得到如圖3所示的自適應噪聲抵消法檢測諧波電流的原理圖。設單相電路的電源電壓us=Umsinωt,則非線性負載的周期非正弦電流可以用傅立葉級數展開為

圖3??? 基于ANN的諧波電流檢測原理圖
??? iL(t)=I1sin(ωt+φ1)+Insin(nωt+φn)=i1(t)+
in(t)(7)
式中:i1(t)及in(t)分別為基波電流和n次諧波電流。
??? 可以把它們進一步分解為正弦和余弦兩部分:
??? i1(t)=I1cosφ1sinωt+I1sinφ1cosωt=i1p(t)+i1q(t)
??? in(t)=Incosφnsinnωt+Insinφncosnωt=ins(t)+inc(t)n>1(8)
式中:i1p(t)及i1q(t)分別為基波有功電流和基波無功電流;
????? ins(t)及inc(t)分別為n次諧波的正弦和余弦分量。
??? 用自適應噪聲抵消法進行諧波檢測,取iL作為原始輸入,若將i=i1+i2+……in看作“噪聲干擾電流”,則其他更高次諧波的總電流ih就是需要檢測的“信號”,i和ih不相關;取sinωt,cosωt以及它們的2、3、……、n次等倍頻諧波作為參考輸入,它們和i對應的各次正弦和余弦分量分別相關,而和ih不相關??梢钥闯?,上述條件滿足自適應噪聲抵消法的要求,當選用適當的多路自適應濾波器并采用最小均方算法后,可以通過多路自適應濾波器得到“噪聲干擾電流”i的各分量以及“信號”ih的最小均方誤差意義下的最佳逼近值。從上述分析可以看出:
??? 1)檢測總諧波電流只取sinωt,cosωt作為參考輸入,ANN學習完成之后,系統的輸出z(t)即為總諧波電流。
??? 2)檢測奇次諧波電流取sinωt,cosωt以及sin(2k+1)ωt,cos(2k+1)ωt(3<=2k+1<=n,k為正整數)等作為參考輸入,ANN學習完成之后i2k+1=w(2k+1)s×sin(2k+1)ωt+w(2k+1)c×cos(2k+1)ωt,就是對應的奇次諧波電流的值。
??? 3)檢測偶次諧波電流取sinωt,cosωt以及sin2kωt,cos2kωt(2≤2k≤n,k為正整數)等作為參考輸入,ANN學習完成之后i2k(t)=w2ks×sin2kωt+w2kc×cos2kωt,就是對應的偶次諧波電流的值。
3??? 基于瞬時無功功率理論的畸變電流瞬時檢測方法
??? 瞬時無功功率理論[1]的基本思路是將abc三相系統電壓、電流轉換成αβο坐標系上的矢量,將電壓、電流矢量的點積定義為瞬時有功功率;將電壓、電流矢量的叉積定義為瞬時無功功率,然后再將這些功率逆變為三相補償電流。瞬時無功功率理論突破了傳統功率理論在“平均值”基礎上的功率定義,使諧波及無功電流的實時檢測成為可能。該方法對于三相平衡系統的瞬變電流檢測具有較好的實時性,有利于系統的快速控制,可以獲得較好的補償效果。但該方法對于三相不平衡負荷所產生的無功和諧波電流,補償效果則不理想,且只適用于三相系統,不能用于單相系統。
3.1??? 開環檢測方案
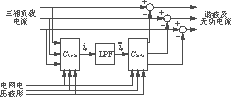
??? 基于瞬時無功功率理論的諧波及無功電流開環檢測方案[2]如圖4所示。

圖4??? 基于瞬時無功理論的電流檢測
??? 圖4中,LPF為低通濾波器,變換矩陣C3s/2r為三相靜止坐標系到兩相旋轉坐標系(dq坐標系)的變換陣。在諧波及無功電流的檢測系統中,首先檢測基波有功電流,然后從三相負載電流中減去基波有功電流,從而獲得諧波及無功電流。根據瞬時無功功率理論,可以推導如下結論[3][4]:三相負載電流經過dq變換,得到有功電流ip和無功電流iq(圖4中未畫出)?;ㄓ泄﹄娏髟?I>dq坐標系下表現為電流ip中的直流分量。在dq坐標系下,將有功電流ip進行低通濾波得到直流分量,經過dq反變換可以得到基波有功電流。上述檢測方案具有動態響應快、實時性好的優點。但是,由于電路采用開環結構,檢測系統魯棒性較差,需要采用高精度模擬乘法器[5]。
3.2??? 閉環檢測方案
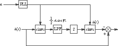
??? 為了增強檢測系統的魯棒性,將閉環拓撲結構與瞬時無功功率理論的原理結合起來,可以構造出如圖5所示的閉環檢測電路[6]。
圖5??? 基于瞬時無功功率理論的諧波電流閉環檢測
??? 圖5中,G(s)與圖4中的LPF不同,指一般的傳遞函數。諧波及無功電流檢測的基本原理與圖4相同,也是先獲得基波有功電流,然后從負載電流中減去基波有功電流,從而得到諧波及無功電流。
4??? 仿真和實驗驗證
??? 為驗證所提出的諧波電流檢測方法,進行了仿真和實驗驗證,結果如圖6所示。

(a)??? 負載電流(iL)
(b)??? APF補償電流(ic)
(c)??? 檢測出的基波電流(ip)
(d)??? 實驗波形(從上到下依次為:iL,ic,ip)
圖6??? 諧波檢測電路驗證
??? 實驗結果表明該方法具有下述優點:
??? 1)基于統一模型的閉環檢測法以瞬時無功功率理論為基礎,因而能清晰地解析出各次諧波、無功及基波有功電流;
??? 2)由于采用閉環系統,檢測電路的運行特性幾乎不受參數變化的影響;
??? 3)優異的性能并沒有增加系統的復雜性和制造成本。
5??? 結語
??? 本文提出了一種簡便的基于瞬時無功功率理論的自適應閉環系統,以檢測諧波及無功電流,通過實驗驗證了理論分析:
??? 1)基于瞬時無功功率理論的諧波及電流檢測方法能準確、快速地解析出各次諧波、無功及基波有功電流;
??? 2)由于采用自適應閉環系統,檢測電路特性對參數變化不敏感,魯棒性好;
??? 3)該方案性能優異而且結構簡單,在有源電力濾波器系統中有相當好的應用前景。
電子發燒友App














評論