基于BUCK-BOOST供電的LED發光二極管驅動電路設計
2022-04-24 17:53:55
9550 
電子發燒友網為大家提供了Buck-Boost電路圖,本站還有其他相關資源,希望對您有所幫助!
2011-11-21 15:25:06
9933 
降壓-升壓(Buck-Boost)轉換器能夠根據應用使用相同的電路對電壓進行升壓或降壓。
2022-08-15 14:44:05
18761 
今天分享一篇和Buck-Boost拓撲相關的問題,也是在最開始接觸Buck-Boost芯片時,就在內心產生了疑問。
2023-06-27 16:49:27
6830 
DC-DC開關穩壓器主要有三種拓撲方式:降壓(Buck)、升壓(Boost)、降壓-升壓(Buck-Boost)。
2023-06-29 09:17:38
46990 
在開始學習DC-DC拓撲時,很多資料都說,非隔離型的DC-DC拓撲常見的有3種,分別是Buck,Boost,Buck-Boost,且Buck-Boost輸出是負壓。
2023-08-30 10:17:35
3601 
在非隔離電源方案中,基礎拓撲的Buck、Boost、Buck-Boost電路中,前兩種已經在前面章節進行了詳細描述。
2023-09-22 11:00:52
4612 
Buck-Boost電路是一種常用的DC/DC變換電路,其輸出電壓既可低于也可高于輸入電壓,輸出電壓極性即可以為正電壓也可以為負電壓。
2023-11-27 16:45:23
40041 
最近群友討論如何用buck改buck-boost拓撲輸出負壓,于是我也做了一塊小板,并也驗證成功了,可以正常 輸出3.3V和-3.3V 。只需要VCC和GND兩根線供電就可以了, 原理圖如下,供各位同好參考 。
2023-11-30 15:10:09
4563 
BUCK-BOOST是一種經典的負電源拓撲,廣泛應用在OLED屏幕驅動等領域,其基本結構見圖2-12 ,與BUCK、BOOST一樣,都是由基本的開關、二極管和電感幾大元件組成。
2024-04-15 18:39:24
4348 
IT王工先楫資深FAE有著10年AE/FAE工作經驗,既是一個喜歡與客戶交流探討的人,也是一個內向愛好專研技術的人。Buck-Boost簡介Buck-boost是一種非隔離變換器,可以將電源的電壓
2024-07-20 08:18:13
3288 
從上述分析可以看出,buck-boost拓撲輸入Ui和輸出Uo正負方向相反。當把電感L等效為兩個電感并聯,且其匝比為1:1,同時把開關S和二極管D移動到下方方便驅動信號設計,其工作原理及其效果與傳統的buck-boost電路是一樣的,如下圖所示。
2024-10-08 16:47:30
4724 
在ACDC電源中,輸入電壓一般是來自電網的85V-265V交流高壓,而輸出電壓則是3.3V、5V、12V等直流低壓,因此需要開關電源來實現降壓。開關電源有Buck、Boost和Buck-Boost三
2024-04-24 11:13:04
2312 
(TI)_認識開關型電源中的BUCK-BOOST,與大家學習探討。
2015-05-04 10:34:38
非隔離功率開關芯片SM7525 BUCK-BOOST 60V/100mA方案SM7525是應用于離線式小功率AC/DC開關電源的高性能的原邊反饋控制功率開關芯片,在全電壓輸入范圍內實現高精度恒流輸出
2015-10-09 12:05:42
BUCK-BOOST電路的原理
2012-08-14 12:58:05
Buck-Boost變換器:既可以升壓又可以降壓,其簡單電路組成如下其中的器件和Buck電路完全一致,只是開關SW,二極管和電感的位置發生了改變Buck-Boost變換器輸出的是相對地的負壓假設當前
2021-10-29 09:14:37
稱升降壓式變換器,是一種輸出電壓既可低于也可高于輸入電壓的單管不隔離直流變換器,但其輸出電壓的極性與輸入電壓相反。Buck/Boost變換器可看做是Buck變換器和Boost變換器串聯而成,合并了開關
2021-03-18 09:28:25
buck-boost稱為升降壓斬波器,既然有這樣的合為一體的器件,那單獨的buck和boost有什么意義?
2021-05-06 10:42:24
我做了個buck-boost電路,但是測試的時候電路會響,我都不敢測試了,親問各位大神是什么回事?
2015-03-10 15:12:49
buck-boost電路的元器件參數怎么選取啊?大哥們,大佬們
2018-11-27 15:58:09
做測試時看到一個電路 想起一個問題 這個參數用buck可以做,buck-boost也可以做不過工程師選用的是buck-boost然后我就為什么選buck-boost他說buck的諧波比較大我后來
2016-01-08 14:04:39
關buck-boost的拓撲很簡單,如下圖。對于四開關buck-boost,它本身有一種非常傳統簡單的控制方式。那就是Q1和Q3同時工作,Q2和Q4同時工作。并且兩組MOS交替導通,如上圖。如果把Q2和Q4
2019-02-27 06:30:00
實現寬電壓方式有多種,常見的就有推挽拓樸 但缺點成品體積大 溫升高 效率低,優點是成本低 電路簡單 設計周期短,而用BUCK-BOOST電路實現 可用專用的IC實現 這種IC太貴了 功率做不了多大
2012-06-07 11:08:54
LT1371產生負電壓使用BUCK-BOOST的參考電路可以參考使用LT1170的參考電路進行原理圖設計嗎?但是我實際制作出來的PCB卻無法產生正確的負電壓,后續我更換了肖特基二極管,又能產生負電
2025-04-17 07:36:17
我登錄了my.st.com 在my.st.com/analogsimulator/ 中,我選擇了:Negative Buck-Boost,然后單擊“Create”按鈕。我正確設置了輸入電壓、輸出電壓
2023-01-17 06:23:51
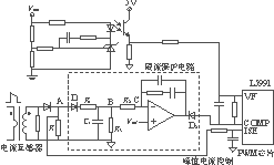
、BUCK-BOOST 系統方案,支持12V和18V輸出電壓,很方便的應用于小家電產品領域。鉦銘科電子為客戶制作的門鈴開關電源方案穩定、低成本,深受客戶的歡迎。方案并提供了過溫、過流、過壓、欠壓等完善的保護功能
2016-01-18 13:58:07
`TI的關于BUCK-BOOST電路的分析,講解很詳細,需要的可以看看啊`
2015-05-23 10:04:07
不可忽略因素。在同等負載條件下,當汽車電池電壓較低時,輸入電流會增大,從而導致線上壓降增大,可能會引起遠端攝像頭模組的供電電壓低于額定要求。 Buck-boost轉換器在高于和低于其輸出的寬輸入電壓
2022-11-03 08:24:55
提出一種載波疊層的控制方法,其idea 的來源是我之前學習研究 TNCP 的控制時的學習理解。 通過疊層載波方法,可以把 BUCK的 PWM載波放到下層,然后把 BOOST的 PWM載波放置到上
2023-03-23 14:10:33
四開關buck-boost的拓如下圖,
2015-08-31 11:22:34
單級BUCK-BOOST變換器實現APFC的原理及分析本文分析了用BUCK-BOOST電路和反激變換器隔離實現單級功率因數校正的原理和變換過程,給出了電路的Matlab仿真分析的模型。通過對變換器工作在DCM模式下的電路仿真,驗證了此方法有良好的效果。[hide][/hide]
2009-12-10 17:09:18
最近接手了一個,目前我想用334控制兩路電流型Buck-Boost,另外還需要向上位機反饋信息,頻率做到100kHz,每個周期內執行PID計算,請問它的速度能不能達到要求?
2019-03-05 09:52:35
BUCK-BOOST電路是一種常用的DC/DC變換電路,其輸出電壓既可低于也可高于輸入電壓,但輸出電壓的極性與輸入電壓相反。下面我們詳細討論理想條件下,BUCK-BOOST的原理、元器件選擇、設計實例以及實際應用中的注意事項。
2021-03-08 07:18:30
就是做了一個演變的過程分析。為了分析 flyback 電路,我們從 flyback 的源頭開始說吧。Flyback 是從最基本的三種電路中的buck-boost 演變而來的。所以
2019-01-12 16:09:48
看到很多集成IC都是要么就適用于BUCK拓撲,要么適用于BOOST拓撲。請問怎樣搭建一個buck-boost電路?利用集成IC作為PWM控制。
2016-03-22 12:47:25
RT 大四學生 剛分了個開關電源的課題,指導老師讓找一個屬于BUCK-BOOST型的開關電源,然后對其負載特性仿真分析。由于以前沒有接觸過,先從頭開始學起,求大神們告訴幾個常用的屬于BUCK-BOOST型的開關電源型號,感激不盡。要是有相關資料更好了跪謝
2013-01-27 20:50:49
求指點:buck-boost電路的模擬控制電路有哪些呀?注意,是模擬的,不是數字的,查了好久都是數字控制。。
2017-08-20 09:18:50
請問buck-boost電路中的MOS管一定要是NMOS管么,可不可以用PMOS管?已知G極的控制電壓為3.3V
2022-02-12 17:44:53
TI專家,請教如何將TPS54331配置成 inverting buck-boost,我在TINA下仿真不成功,能否指點一下?(附件是仿真原理圖)應用是:手持環境監測儀年用量:10K
2019-04-26 12:56:16
本文提出了一種新型BUCK-BOOST AC-AC 變換電路,對其結構和原理進行了具體分析。詳細介紹了采用ARM 嵌入式處理器作為控制器的設計方法和控制策略,并進行了軟件設計,實現了BUCK-BOO
2009-08-26 09:43:50
69 Buck-Boost Controller Simplifi es Design of DC/DC Converters for Handheld Products:A number
2009-09-23 23:01:28
30 ;壓啟動電路和高壓功率管,可實現低成本、高性價比開關電源系統解決 方案。芯片應用于 BUCK、BUCK-BOOST 系統方案,支持 18V 輸出電壓,很
2024-07-23 15:39:22
逆向變換器電壓關系與Buck-Boost電路拓補結構
Buck-Boost電路:升/降壓斬波
2009-05-12 20:53:44
2448 
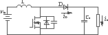
圖(a)為Buck-Boost電路,這是降壓-升壓混合電路,其輸出電壓可以小于輸入電壓Ud,也可以大于輸入電壓,而輸出電壓極性與輸入電壓相反。其工作波形示于圖(c)。
2009-07-27 09:05:35
7731 
Buck-boost變換器
2009-09-23 18:32:30
2188 
用Boost與Buck-Boost實現LED驅動
不管我們是否要控制輸出電壓或輸出電流,Boost調節器都要比Buck調節器更難設計。持續導通狀態(CCM)Boost轉換器中的平均感應電流等于負
2010-04-21 10:41:51
3089 
采用MAX16834設計buck-boost LED驅動器
本參考設計用于buck-boost LED驅動器。設計采用電流模式高亮度LED驅動器MAX16834,利用MAX16834評估(EV)板實現此設計方案
2010-04-23 08:49:06
1982 
單電感Buck-boost可以像Buck或Boost調節器一樣組建,使它在系統成本的角度來講很吸引人。這種拓撲的一個缺點是Vo被反置(圖2a)或者以VIN為參照(圖2b)。測平移動或者反偏電路必須要用一些轉
2012-03-23 09:35:28
5557 Buck-Boost變換器原理升壓降壓原理
2016-04-28 16:59:59
160 基于滑動模控制的Buck-Boost變換器及動態品質分析
2017-09-12 09:35:42
9 多級逆變器技術比較成熟,但其更加適用于集中式光伏發電系統并且具有成本高、體積大、效率較低和結構復雜等特點,而單級逆變器具有輸入電壓范圍寬,電路簡單,元器件少、低功耗、效率高、可靠性高的優點,并且采用
2017-11-02 10:29:44
9 LM5175 寬輸入范圍四管buck-boost控制器
2018-08-17 01:10:00
7555 開關電源由功率級和控制電路組成,功率級完成從輸入電壓到輸出電壓的基本能量轉換,它包括開關
和輸出濾波器。這篇報告只介紹降壓–升壓(buck-boost)功率級,不包含控制電路。詳細介紹了工
作在
2019-03-15 08:00:00
26 為了分析 flyback 電路,我們從 flyback 的源頭開始說吧。Flyback 是從最基本的三種電路中的buck-boost 演變而來的。所以對 buck-boost 的分析,一定有助于對 flyback 的分析,而且buck-boost 看起來似乎要比 flyback 簡單,至少它沒有變壓器。
2020-07-05 10:22:40
5792 
能量雙向流動,進而可以節省構建變換器的材料,并且轉換效率高,因此被廣泛應用于無需電氣隔離的電池儲能系統,光儲、風儲微電網系統等。 基于Buck-Boost的雙向半橋DCDC變換器結構如圖一所示。由圖可知,這種雙向DC/DC變換器本質上是Buck和Boost兩種變換器構
2021-03-01 12:06:46
26672 LTM8083: 36V, 1.5A Buck-Boost μModule Regulator Data Sheet
2021-01-29 09:50:10
7 電子發燒友網為你提供開關電源buck、boost和buck-boost電路資料下載的電子資料下載,更有其他相關的電路圖、源代碼、課件教程、中文資料、英文資料、參考設計、用戶指南、解決方案等資料,希望可以幫助到廣大的電子工程師們。
2021-04-06 08:40:20
102 LTC3586-2:帶Boost、Buck-Boost和Dual Bucks的高效USB電源管理器產品手冊
2021-04-21 12:40:47
7 LTC3586:帶Boost、Buck-Boost和Dual Bucks的高效USB電源管理器產品手冊
2021-04-22 19:10:27
6 電子發燒友網為你提供電源最常見的三種結構布局:buck、boost和buck-boost資料下載的電子資料下載,更有其他相關的電路圖、源代碼、課件教程、中文資料、英文資料、參考設計、用戶指南、解決方案等資料,希望可以幫助到廣大的電子工程師們。
2021-04-25 08:52:57
50 100W+,98%效率Buck-Boost LED驅動器
2021-05-11 16:52:21
28 提出一種單級雙電感buck-boost逆變器的研究說明。
2021-06-11 17:15:07
15 目錄BUCK輸入與輸出電感紋波電流電感感量電感電流輸出紋波電壓輸入電容紋波電流電感相關參數感量額定電流(溫升電流)飽和電流DCR-直流阻抗開關頻率BOOST拓撲BUCK-BOOST拓撲波形學習過程中
2021-11-07 13:36:00
85 應用于TYPE-C外圍集成同步4開關Buck-Boost變換器的電源管理IC? ?IM2605 IM2605描述 IM2605集成了一個同步4開關Buck-Boost變換器,在輸入電壓小于或大于輸出
2021-12-16 17:53:55
1489 
Buck-Boost電源轉換器的應用已經十分廣泛了,Buck-Boost電源轉換器是一種結合了降壓和升壓轉換器功能的 DCDC開關轉換器。輸出電壓為正的轉換器大家已經見過很多了,今天我們要講的是輸出電壓相對于地為負的電壓轉換器。接下來就說說詳細的確認步驟。
2022-06-13 10:55:35
19566 
TPS92692-Q1 Buck-Boost電路中的OVP電路設計
2022-10-31 08:23:35
4 提到DC-DC,首先就要說到DC-DC的BUCK、BOOST和BUCK-BOOST三種電路。這是三種電路的架構和Vout與Vin的關系,今天主要目的是用最簡單的方法記住這三個電路。
2022-11-11 09:49:55
13316 TPS92692-Q1是一款用于汽車照明的LED驅動芯片,由于可以設計成Boost,Buck-Boost,SEPIC 等多種拓撲結構,在汽車LED車燈上得到了廣泛的應用。
2023-03-24 10:05:53
3248 
大家知道開關電源的基本拓撲有且只有三種:降壓型(BCUK),升壓型(BOOST),升降壓型(BUCK-BOOST);從中文命名中我就可以知道降壓型拓撲只負責降壓
2023-05-30 15:51:37
4495 
非隔離Buck、Boost和Buck-Boost拓撲在AC-DC電源和非隔離DC-DC轉換器設計中有廣泛的應用。盡管許多專利早在20世紀70年代就已經申請,但其線路簡單,成本低和效率高的特點使他們一直被沿用至今。現在的新產品中也會使用新的技術,如數字控制,改進的元器件和更高效的磁性材料等。
2023-06-07 18:02:14
3885 
相信大家談到升壓電路,第一反應可能就是Boost電路,當然,為了兼容寬輸入電壓的應用,想必工程師朋友們對于Buck-Boost和SEPIC電路也是很熟悉的。
2023-06-10 12:18:38
3898 
BUCK-BOOST電路是一種常用的DC/DC變換電路,其輸出電壓既可低于也可高于輸入電壓,但輸出電壓的極性與輸入電壓相反。
2023-06-29 09:57:11
6929 
Buck-Boost同步電路有沒有什么辦法減小其電流紋波? Buck-Boost同步電路是一種非常常見的電路拓撲結構,它的作用是將輸入電壓轉換為需要的輸出電壓。但是,在實際應用中,由于電路中元件等
2023-09-12 15:26:33
5057 以及如何計算其承受電壓。 一、Buck-Boost電路簡介 Buck-Boost電路是一種常見的DC-DC轉換器,可以將輸入電壓轉換為輸出電壓,同時可以升壓或降壓。這種電路通常由獨立的電感器、開關管、二極管和濾波電容器組成。 Buck-Boost電路的工作原理是將輸入電壓分別通過兩個開關管和兩個電感器
2023-09-12 15:52:14
3075 電子發燒友網站提供《CCD相機的BUCK-BOOST型穩壓電源設計.pdf》資料免費下載
2023-11-07 09:15:17
1 反極性Buck-Boost的CCM模式和DCM模式
2023-11-24 15:55:11
2969 
Buck-Boost為什么輸出的是一個負壓?
2023-11-24 17:30:39
2556 
BUCK-BOOST 拓撲電源原理及工作過程解析
2023-11-24 17:47:37
8445 
雙向buck-boost電路是一種特殊的電源轉換器,它可以根據輸入電壓的高低來自動調整輸出電壓的大小,從而實現電源的升降壓功能。本文將詳細介紹雙向buck-boost電路的工作原理及其應用。 一
2023-12-20 09:24:13
16712 Buck-boost電路是一種常用于DC-DC轉換器中的拓撲結構,可用于將一個電源電壓轉換為另一個電壓級別。它的工作原理是通過切換器、電感和電容組成的濾波網絡來實現電能的存儲和轉換。在此文章中,我們
2024-01-10 13:40:01
4922 Buck-Boost電路主要由開關管(如MOSFET)、電感、二極管和電容組成。其中,開關管負責控制電路的通斷,電感用于儲存和釋放能量,二極管作為續流管,電容則用于平滑輸出電壓。
2024-03-01 14:08:19
9347 
光伏儲能BUCK-BOOST中SiC MOSFET方案可使用BTD25350
2024-06-11 09:35:47
1096 
Buck-Boost型變換器,也稱為Buck-Boost轉換器或升降壓變換器,是一種特殊的直流-直流(DC-DC)轉換器,其顯著特點在于其輸出電壓既可以高于輸入電壓,也可以低于輸入電壓。這種變換器在
2024-08-14 11:53:30
6013 優化Buck-Boost型變換器的性能是一個綜合性的任務,涉及電路設計、元件選擇、控制策略、保護機制等多個方面。以下將從這些方面詳細闡述如何優化Buck-Boost型變換器的性能。
2024-08-14 14:09:00
2046 Buck-Boost型變換器作為一種常見的直流-直流變換電路拓撲,廣泛應用于電源管理系統中,能夠實現電壓的升壓、降壓以及反向電壓轉換。由于其廣泛的應用場景,如手機、汽車、嵌入式系統以及儲能系統等,其
2024-08-14 17:22:44
2666 一種Boost型寬電壓范圍輸入LLC諧振變換器,詳細介紹了寬電壓范圍的LLC輸入的設計,先通過BOOST升壓到固定電壓,再LLC進行變化,大大簡化了LLC的設計
2024-08-15 10:37:57
17 電子發燒友網站提供《適用于模擬輸出模塊的雙極Fly-Buck-Boost解決方案.pdf》資料免費下載
2024-08-30 09:17:36
0 電子發燒友網站提供《用于反相Buck-Boost的電平轉換控制.pdf》資料免費下載
2024-10-09 09:49:29
0 反極性Buck-Boost電路是一種特殊的DC/DC變換電路,其輸出電壓的極性與輸入電壓的極性相反,同時輸出電壓既可以低于輸入電壓,也可以高于輸入電壓。這種電路因其獨特的電壓變換能力和輸出電壓的極性反轉特性,在電子設備中有著廣泛的應用。
2024-10-10 15:27:23
3890 LM25118 寬電壓范圍 Buck-Boost 開關穩壓控制器具有使用最少的外部元件實現高性能、高性價比 Buck-Boost 穩壓器所需的所有功能。當輸入電壓小于或大于輸出電壓
2025-03-27 14:44:20
1108 
評論