兩種雙管反激型DC/DC變換器的研究和比較??
1??? 概述
??? 反激型DC/DC變換器因結構簡單、成本低廉而廣泛應用于各種輔助電源和小功率電源中。但是,單管反激變換器主開關電壓應力大,在輸入電壓較高的場合使用起來比較困難。另外,反激變換器的變壓器漏感一般比較大,導致主開關上產生很高的電壓尖峰,使電壓應力進一步增加。傳統的雙管反激變換器如圖1所示,其兩個主開關的電壓應力為輸入電壓,克服了單管反激開關電壓應力大的缺點,并且漏感能量可以回饋到輸入側,不需要吸收電路,但它帶來了占空比D不能大于50%的缺點,在寬范圍場合應用有局限性。本文提出了一種能工作在占空比大于50%條件下的雙管反激變換器,如圖2所示,不過它和傳統的雙管反激相比也并非十全十美,其漏感能量需要外加緩沖電路來吸收。本文詳細、客觀地分析和比較了這兩種雙管反激變換器在工作原理和特性上的差異,闡述了一些獨特的觀點,并且給出了兩種雙管反激的實驗結果比較,旨在為電源設計者選用這兩種雙管反激變換器時提供理論依據和參考數據。
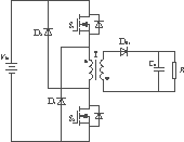
圖1??? 傳統雙管反激DC/DC變換器
Fig.1??? Conventional dual switch flyback DC/DC converter
(a)??? 結構之一??? (b)??? 結構之二
圖2??? 改進后的雙管反激DC/DC變換器
Fig.2??? Improved dual switch flyback DC/DC converter
2??? 工作原理
??? 為了分析方便,假設各器件具有理想特性,電感、電容足夠大,輸入電壓沒有脈動,電路已經進入穩態。
??? 傳統雙管反激變換器在兩個開關管S1及S2導通期間,加在變壓器原邊的電壓為輸入電壓Vin,原邊電流流過S1及S2,并且線性上升。副邊二極管反向偏置,副邊電流為零。當S1及S2同時關斷后,原邊電流逐漸下降到零。二極管D1及D2隨即導通,由于實際電路中漏感的影響,變壓器原邊上的電壓被鉗在-Vin,副邊二極管因此導通。儲存在原邊漏感中的能量全部反饋到輸入側后,D1及D2關斷,變壓器原邊電壓降至副邊繞組反射電壓-nVo(n為變壓器原邊對副邊的變比),副邊二極管維持導通,直到下一開關周期開始。
??? 改進的雙管反激變換器,如圖2(a)及圖2(b)所示,有兩種結構,是為了克服傳統雙管反激變換器占空比不能大于50%的缺點而提出的,因此,稱之為寬范圍雙管反激變換器。該變換器與傳統雙管反激結構上的區別在于分別去掉了一個鉗位二極管,這樣會有一個主開關的電壓應力得不到限制,可能造成過壓,所以,要對兩個開關的關斷次序進行人為的控制。對于圖2(a),S2應該比S1先關斷;對于圖2(b),S1應該比S2先關斷。圖2(a)及圖2(b)所示兩種結構的工作原理是類同的,下面就僅對圖2(b)的結構進行分析。
??? 同樣,在S1和S2導通期間,加在變壓器原邊上的電壓為Vin,原邊電流線性上升,同時副邊二極管截止。隨后,將S1關斷,S2繼續導通,激磁電感和S1的結電容C1諧振,考慮到實際中激磁電感非常大而結電容非常小,并且這段時間又非常短,所以,可以看成原邊電流對C1進行恒流充電,C1上的電壓線性上升。一旦C1上的電壓到達Vin,D1就導通,變壓器上電壓為零,原邊電流流過S2和D1且保持不變。當S2也關斷后,激磁電感和S2的結電容C2諧振,同樣可以看成原邊電流對C2恒流充電,C2上的電壓線性上升。當C2上的電壓上升到nVo時,D1關斷,原邊電流為零。此時,副邊二極管開始導通,變壓器原邊電壓被輸出電壓Vo鉗在-nVo,作為復位電壓,激磁電流線性下降。S1和S2重新開通后,進入下一開關周期。
3??? 特性比較
??? 從以上的分析可以看出,傳統的雙管反激和寬范圍雙管反激在工作原理上十分類似,但是,兩者的特性有比較大的差異。
3.1??? 開關電壓應力
??? 傳統的雙管反激變換器兩個開關管S1及S2的電壓應力不會超過輸入電壓,因為,C1或C2上的電壓一旦大于輸入電壓Vin,D1和D2就相應導通,將C1及C2上的電壓峰值鉗在Vin。即使是漏感在開關管上引起的電壓尖峰也會被D1及D2鉗位,不會高于輸入電壓。因此,傳統雙管反激變換器主開關的電壓應力均為輸入電壓Vin。
??? 對于圖2(b)所示的寬范圍雙管反激變換器,主開關S1的結電容C1上電壓達到Vin時,D1就相應導通,因此,S1上的電壓不會超過Vin。而當主開關S2的結電容C2上電壓上升至nVo時,D1關斷,副邊二極管導通,因此,S2上的電壓不會超過nVo??梢娫撟儞Q器主開關S1及S2的電壓應力分別為Vin及nVo。如果是圖2(a)所示的變換器,則主開關S1及S2的電壓應力分別為nVo及Vin。但是,實際電路中漏感的存在,會引起圖2(a)中的S1或圖2(b)中的S2上產生比較大的電壓尖峰,相應的電壓應力要增加。所以,寬范圍雙管反激變換器的其中一個開關管的電壓應力要比傳統雙管反激的開關電壓應力大一些。
3.2??? 整機效率
??? 由于反激型變換器的變壓器磁芯要墊氣隙,所以,漏感比一般的變換器中變壓器要大。漏感大會直接導致主開關上產生很高的電壓尖峰,需要另外加緩沖電路吸收。在上面對寬范圍雙管反激變換器的原理分析中,為簡單起見而忽略了漏感的影響,但實際上漏感是不可能為零的,因此,圖2(a)中的S1及圖2(b)中的S2上都會有漏感引起的電壓尖峰,需要加RCD電路加以吸收,則在R上損失比較多的能量。
??? 而對于傳統的雙管反激變換器,在反激開始時,儲存在漏感中的能量通過D1及D2全部反饋到輸入側,系統能量損失相對要小。
??? 因此,在相同規格以及開關條件下,傳統的雙管反激變換器要比寬范圍雙管反激變換器整機效率高一些。
3.3??? 寬范圍適應性
??? 傳統的雙管反激變換器有兩個二極管D1和D2在復位階段對變壓器鉗位,所以,變壓器上的復位電壓不能超過輸入電壓,如圖3(a)所示。也就是要滿足以下條件:
??? VinD<=Vreset(1-D)<=Vin(1-D)(1)
??? 可以推出
??? D<=50%(2)
??? 可見傳統的雙管反激變換器不能工作在占空比大于50%,這就使其在寬范圍場合應用時遇到了困難。
??? 而本文提出的寬范圍雙管反激變換器沒有這個條件限制,變壓器上的復位電壓可以大于輸入電壓,如圖3(b)所示,所以,能夠工作在占空比大于50%。另外,反激變換器的輸入輸出電壓滿足D/(1-D)的關系。通常,變換器的輸入輸出電壓有4種關系,即D,1/(1-D),D/(1-D),D(1-D)。在這4種關系中,D/(1-D)的寬范圍適應性要遠遠優于其它幾種關系。寬范圍雙管反激變換器的增益正好是D/(1-D)的關系,所以,這種變換器的輸入或輸出電壓調節范圍很寬,特別適合用于超寬范圍場合。
(a)??? 傳統的雙管反激??? (b)??? 改進的雙管反激
圖3??? 兩種變換器的變壓器上的波形比較
Fig.3??? Transformer waveform compariso of two converters?
??? 從以上的分析和比較可以看出,改進的雙管反激變換器在寬范圍適應性上有了很大的提高,但整機效率相對下降,其中的一個開關管電壓應力也有所增大。所以,這兩種雙管反激變換器在性能上各有優劣(見表1),在選用這兩種變換器時一般遵循以下原則:在效率要求比較高,但輸入或輸出電壓調節范圍不是很寬的場合,可以選用傳統的雙管反激變換器;而在輸入或輸出電壓范圍很寬,但效率要求不是非常高的情況下,可以選用寬范圍雙管反激變換器。當然,選用這兩種變換器的前提是輸入電壓比較高,不然選用單管反激就可以了。
表1??? 兩種變換器的性能比較
Tab.1??? Performance comparison of two converters
| 傳統的雙管反激 | 寬范圍雙管反激 | |
|---|---|---|
| 開關電壓應力
整機效率 寬范圍適應性 | 低高差 | 高低好 |
4??? 實驗結果比較
??? 兩臺分別采用傳統雙管反激和寬范圍雙管反激拓撲的樣機驗證了以上的分析和比較。為了具有可比性,這兩臺樣機的規格和參數須保持一致,只是傳統的雙管反激變換器的輸入電壓范圍是250~400V,寬范圍雙管反激的輸入電壓范圍為100~400V。這兩臺樣機的其他規格和參數如下:
??? 輸出電壓Vo??? 24V;
??? 輸出電流Io??? 0~4A;
??? 工作頻率f??? 108kHz;
??? 主開關S1及S2??? IRF840;
??? 整流二極管DR1??? Halfof30CPQ100;
??? 變壓器T??? n=160∶20,Lm=7.2mH,Ls=180μH;
??? 鉗位二極管D1(D2)??? BYV26C。
??? 圖4(a)、(b)、(c)是300V輸入2.5A輸出時傳統雙管反激變換器的主要實驗波形。圖4(a)是變壓器原邊的電壓波形,正向電壓為300V,反向復位電壓大約為200V。圖4(b)是開關管S1漏源間的電壓波形,其峰值為300V,然后經過一個振蕩降至275V左右。圖4(c)是開關管S2漏源間的電壓波形,其峰值為300V,經過振蕩降至225V左右。兩個開關管S1及S2的峰值電壓均未超過輸入電壓。
(a)??? vT of T??? (b)??? vds of S1??? (c)??? vds of S2
(d)??? vT of T??? (e)??? vds of S1??? (f)??? vds of S2
圖4??? 實驗波形
Fig.4??? Experimental waveform
??? 圖4(d)、(e)、(f)是150V輸入4A輸出時寬范圍雙管反激變換器的主要實驗波形。圖4(d)是變壓器原邊的電壓波形,正向電壓為輸入電壓150V,反向復位電壓大約為200V,已經超過輸入電壓,占空比大約為57%,說明該變換器占空比可以大于50%。圖4(e)是開關管S1漏源間的電壓波形,其峰值為150V,然后經過一個振蕩降至130V左右。圖4(f)是下管S2漏源間的電壓波形,其峰值為280V,然后經過一個振蕩降至220V左右。
??? 兩個主開關上的漏源電壓值和理論分析的有一定偏差(理論上S1平臺電壓應該為輸入電壓,S2平臺電壓應該是輸出電壓折算到原邊的值,約為200V),這是因為在實際工作中變壓器漏感的影響。當S1關斷,S1的漏源電壓上升到輸入電壓,但是,等到S2關斷后,由于漏感的影響,S2的漏源電壓會有一個振蕩,期間會使得S1的漏源電壓有所下降,而使S2的漏源電壓略高于理論值。
??? 圖5給出了兩種變換器在滿載(4A)時不同輸入電壓下的效率曲線。效率2是傳統雙管反激變換器的滿載效率曲線,輸入電壓為350V時效率最高,為92%。效率1是寬范圍雙管反激變換器的滿載效率曲線,輸入電壓為350V時效率最高,為89.3%。通過比較可以看到,傳統雙管反激變換器的整機效率要高于寬范圍雙管反激變換器,但是后者的輸入電壓范圍有4倍的變化范圍,有很強的寬范圍適應性。這也進一步驗證了前面的分析。

圖5??? 滿載4A不同輸入電壓下的效率曲線
Fig.5??? Efficiency at full load under different input voltage
5??? 結語
??? 不管是傳統的雙管反激DC/DC變換器還是寬范圍雙管DC/DC反激變換器,和單管反激相比都具有主開關電壓應力低的優點。
??? 此外,傳統的雙管反激變換器整機效率比較高,但不能工作在占空比大于50%。因此,適合于高輸入電壓、高性能要求而寬范圍要求不太高的輔助電源或較小功率電源應用。
??? 寬范圍雙管反激變換器的占空比可以大于50%,并且輸入輸出電壓具有寬范圍適應性特別強的D/(1-D)的關系,因此,適用于高輸入電壓和特別寬輸入電壓范圍的場合。
電子發燒友App


























評論