DSP控制SPWM全橋逆變器直流偏磁的研究
2012-08-20 16:02:35
新手,如何學習DSP,如何學習搭建DSP控制單相逆變器平臺,我應該學習什么,需要買什么電子器件?
2022-05-11 23:02:26
逆變器類型不限,只要是利用滑模控制實現逆變,且利用DSP編程實現即可,需要DSP編程{:1:}請有編寫這種程序的大神幫幫忙,小生郵箱yanmin_ye@126.com
2013-06-18 20:17:55
電壓型逆變器高壓串聯諧振技術研究
2012-08-20 16:18:34
。 結語 三態DPM電流滯環跟蹤控制方式實現簡單,開關損耗較低、失真較小。電流型準PWM控制方式可以獲得較好的動態性能,特別是系統穩定性及較小的輸出電壓降落,電路實現比較復雜,它適于調制頻率較低或逆變器
2019-08-19 17:12:31
逆變器控制策略的開發與測試。 試驗現場圖實驗內容首先,搭建三相橋式光伏逆變器、LCL濾波器、配網模型等模型。然后編寫分別基于恒定電壓法、擾動觀察法和電導增量法的MPPT控制算法代碼,對光伏陣列的出力
2024-07-12 17:20:40
你自已也并不清楚窗戶開度與風速的轉換式。vd和vq表示電壓是因為你在vd、vq給了數就能在電機端得到相應的電壓,這是由PWM調制算法和逆變器主電路決定的,跟你前面的PI調節器沒關系。PI調節器只不過
2018-07-31 20:19:23
最近小弟在做永磁同步電機的FOC控制,想問一下,FOC算法中的電流環怎么調節,單純接上速度環可以正常運行,但是接入電流環后怎樣調PI參數電流波形都有問題,電機轉的不正常,各位大牛給分享一下調試經驗吧,謝謝啦
2019-03-30 11:25:00
PID控制舵機使平衡桿平衡,是用位置式還是增量式?
2018-10-16 20:43:53
本文提出一種DSP重復控制的控制方案,利用重復控制器來跟蹤周期性參考指令信號,減小輸出電壓諧波,同時電流環控制改善系統的動態性能。并根據該控制方案,設計和調試了一臺基于DSPTMS320I“F2407A控制的單相1kW逆變器,仿真和實驗結果均驗證了該方案的良好性能。
2021-04-02 06:45:18
摘要:為了提高光伏并網逆變器的效率,本文以無變壓器式的光伏并網逆變器為研究對象,研究其產生漏電流的原因,改進逆變器原有的拓撲結構,提出了一種新型的單相雙Buck逆變器方案,該方案中的逆變器是一種
2018-09-28 16:28:02
什么是PID?PID控制器主要有哪些應用?位置式PID與增量式PID的區別在哪?位置式PID優缺點有哪些?增量式PID優缺點有哪些?
2021-07-13 08:13:27
本文分析研究單相LC濾波器逆變器的控制方法。對于單相LC濾波器,主要控制策略有:1)單電壓閉環控制:引入電壓閉環會是系統穩定性變差[2],但為實現輸出電壓的恒定,必須引入電壓負反饋。2)電感電流內環
2021-07-09 07:38:14
摘要:本文通過對脈寬調制(pulse width modulation,PWM)單相不間斷逆變電源(UPS)輸出特性的分析。提出了一種基于重復控制和模糊PI控制相結合的UPS逆變器的綜合控制策略
2018-09-26 15:48:10
針對傳統多電平拓撲結構的上述不足,本文提出了一種新的不對稱混合多電平逆變器結構,通過控制輸入端的電源數目,可以得到不同的電平數,最多可以得到六個輸出電平,在減少器件與直流電壓源的同時,增加了電平數
2021-07-23 07:00:00
先進的控制策略能夠應用實踐,研究基于DSP的數字控制感應加熱電源,可使產品具有更加優良的穩定性及控制的實時性,并且具有簡單靈活的特點。本文以TMS320F2812為核心,設計了超音頻串聯諧振式感應
2010-02-26 11:06:49
AD,經AD轉換和數字PI運算后,生成相應的SPWM脈沖信號,改變SPWM的調制比就能改變輸出電壓的大小,從而完成整個逆變器的閉環控制。 1.2 SPWM方案選擇 1.2.1 PWM電源芯片方案
2018-11-29 11:13:17
1.速度閉環控制 我們一般在速度閉環控制系統里面,使用增量式PI控制。而在我們的微處理器里面,因為控制器是通過軟件實現其控制算法的,所以必須對模擬調節器進行離散化處理,這樣它只需根據采樣時刻的偏差
2016-01-21 14:25:02
控制器算法簡單、可靠性高,本節基于空間矢量法,采用PI控制提出基于PQ控制的LCL逆變器,使逆變器輸出無功可調,提供電壓支撐,提升電網電壓穩定性,具有電網友好的特性。基于PQ控制的逆變器控制策...
2021-11-15 07:38:12
程度上提高整個發電系統的效率.因此,對于逆變器的控制策略研究十分重要.然而,傳統的PID控制策略并無法實現對逆變器輸出電壓的無靜差調節,因此,本文提出了一種雙閉環PI和準PR控制方法,該方法對于電流內環采...
2021-07-09 06:46:33
表貼式永磁同步電機FOC矢量控制中電流環PI控制器參數的調試過程是怎樣的?
2021-09-23 06:35:41
手把手教你玩轉直流電機PID雙環控制1.速度閉環控制我們一般在速度閉環控制系統里面,使用增量式PI控制。而在我們的微處理器里面,因為控制器是通過軟件實現其控制算法的,所以必須對模擬調節器進行離散化處
2016-01-28 18:26:58
環pi不存在這個問題,雙閉環就有這個問題,嘗試了增量式的pi,直接控制不住,pi參數不好調,這款電源輸出是大電壓小電流型的,做電流內環感覺不好做,希望各位前輩不吝賜教!謝謝!(4通道是輸出電壓,300V,輸出電壓范圍是0-1800VDC)
2021-04-05 16:30:53
新型逆變器控制策略的設計本文以高頻鏈逆變器為被控對象,在推導出被控對象的動態模型后,提出了一種新型控制方案:即內環電流環采用混合型PI-模糊控制策略,外環電壓環采用PI控制策略的瞬時值雙閉環控制方案.[hide][/hide]
2009-12-10 16:47:21
本帖最后由 elecfans跑堂 于 2015-9-6 14:00 編輯
在DSP28335中利用PI算法來控制電壓,程序該如何編寫,PI算法的具體內容是什么,求大神指點
2015-09-06 10:40:18
[tr=transparent]硬件模擬電路實驗,全橋電壓型逆變器開環環控制時模型比較理想,如圖1.可當加入PI控制后,波形出現如圖2所示的畸變問題,拜托各位大神分析分析可能的原因。PI控制器是用運
2018-04-03 22:20:04
最近在用DSP28335做獨立逆變器,開關頻率20K,正弦波50Hz。在調試電感電流閉環控制時出現問題,在輸入電壓小于25V時能控制住,當電壓高于25V時DSP程序跑飛,采樣后經過調理電路進入到
2017-08-07 19:12:09
怎樣去推導電流環PI參數的整定公式?怎樣去推導轉速環PI參數的整定公式?
2021-10-08 09:38:08
外環電壓調節器Gv(s)一般采用比例一積分(PI)調節器,內環電流調節器Gi(s)可以采用比例(P)調節器。圖2所示是逆變器電感電流內環電壓外環控制系統的結構框圖 在這個雙環控制方案中,電流內環采用
2012-03-14 10:19:23
FOC電流環PI控制器出來后為什么是電壓?整定參數跟電機參數有關系嗎?
2021-10-13 08:17:06
請問一下STM MCSDK_v5.3.2的PID(PI_Controller() function)是增量式PID 或 位置式PID?
2024-04-22 08:09:27
增量式pid中的kpkikd對應位置式的中的pi d 的值嗎,調節增量式pid遇到的問題,請問如何調節增量式pid?感謝。
2023-11-09 07:27:41
新型逆變器控制策略的研究
2009-01-03 14:50:29
21 針對帶LCL 濾波的并網電壓源型逆變器提出了一種多環控制器。該控制器由內環預測電流控制器、外環電壓矢量控制器及電壓指令補償器三部分組成。將該控制器應用于微電網中
2010-02-18 13:06:10
26 基于虛擬磁鏈和鎖相環的無電網電壓傳感器并網逆變器的研究:為了提高并網逆變器的可靠性和抗電網電壓波動,同時進一步降低并網逆變器的成本,提出了一種基于鎖相環和虛
2010-02-18 13:16:58
42 介紹SPWM逆變器的工作原理及軟、硬件的實現, 敘述了搭建驅動電路,產生SPWM波,在A/D端口進行采樣和實現PI控制的算法的全過程。實驗驗證了采用DSP實現對逆變器的控制是可行的。
2010-07-27 17:08:53
31
基于DSP控制的全數字UPS逆變器設計
摘要:功率變換器的數字化實時控制是電力電子技術的一個重要發
2009-07-08 10:47:00
1709 
基于重復控制的全數字UPS逆變器
摘要:分析了逆變器波形重復控制技術的原理和設計方法,提出了雙環PI控制和重復控制相
2009-07-09 10:29:48
1948 
基于雙環控制和重復控制的逆變器研究
摘要:研究了一種基于雙環控制和重復控制的逆變器控制技術,該方案在電流環和瞬時電壓環
2009-07-11 10:32:00
1909 
400Hz逆變器電壓環反饋控制設計
摘要:主要介紹了Bode定理,以此為理論基礎,介紹了逆變器建模,電壓環反饋控制設計等。
2009-07-14 08:20:27
4102 
基于DSP控制的逆變器并聯
摘要:通過采樣輸出電壓和電感上電流來控制逆變器,并采用CAN總線作為并聯通訊線,通
2009-07-14 17:50:15
2254 
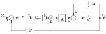
DSP控制SPWM全橋逆變器直流偏磁的研究
摘要:提出了一種基于DSP的消除SPWM全橋逆變器直流偏磁問
2009-07-16 08:15:24
2551 
單相逆變器多環反饋控制策略分析
應用了一個多環反饋控制策略來調節不間斷電源逆變器的輸出。分析了這種控制策略的時域與頻域特性。最后給
2009-10-09 10:01:59
1573 
用DSP實現增量式光電編碼器的細分
對光柵傳感器原始信號進行細分是采用各類光柵器件進行高精度位置測量、角度測量過程中不可或缺的一個環節
2009-10-30 08:21:17
2627 
電壓型諧振式逆變器電路
電壓
2010-03-14 19:04:50
3702 
經典PID控制算法在逆變器中獲得廣泛應用,但控制效果和精度有待改進和提高,針對此問題,研究了雙環控制算法在逆變器控制中的應用,給出了雙環控制逆變器的結構,設計了電壓環
2011-03-18 12:07:45
175 并網逆變器的硬件設計是整個系統的基礎和難點之一。本文設計了1套額定功率為3KW的兩級式 光伏并網逆變器 ,采用F2812DSP作為系統的控制核心。文章對整個硬件的設計過程和電路原理
2011-08-22 15:26:27
129 針對 逆變電源 輸出電壓波形畸變并且在大功率負載下輸出電壓掉壓嚴重的問題, 提出了采用電壓有效值外環、 電容 電壓環和 電感 電流內環的三環控制策略, 選用 TI 公司的 DSP TMS3
2011-09-29 16:51:57
45 介紹單相全橋逆變器的工作原理,闡述產生SPWM波和實現PI控制的算法,給出以DSP(數字信號處理器)實現控制的軟件流程。實驗表明利用軟件完成逆變器控制是可行的。
2011-10-31 14:48:38
8608 
將一種根據誤差的大小來調節比例系數K值的單神經元PI控制器引入到逆變器的控制回路中,可以實現在線調整參數,在一定程度上不依賴于系統的模型。仿真結果表明:與常規的PI控制
2012-04-05 15:27:50
84 文中針對傳統蓄電池充電時間長,具有過沖、欠沖、析氣的問題,結合模糊控制技術,提出了一種模糊自整定PI 參數的方法對電動汽車鉛蓄電池充放電電壓進行控制,并考慮了溫度的影響,在MATLAB
2015-12-24 18:33:48
17 增量式PID控制算法-2011,有需要的下來看看。
2016-04-01 14:54:59
30 直線電機模糊增量PID控制算法的研究-2011。
2016-04-06 14:45:44
30 基于DSP的三電平SVPWM逆變器的研究。
2016-04-18 09:47:49
34 基于DSP的三電平逆變器SVPWM調制研究。
2016-04-18 09:47:49
18 基于DSP控制的60_坐標系下三電平逆變器SVPWM的研究
2016-04-18 09:47:49
8 交錯反激式光伏并網逆變器控制策略研究_賴良發
2016-12-15 19:57:58
1 三相并網逆變器公共耦合點電壓控制研究_傘國成
2017-01-05 15:24:15
11 基于不定頻滯環空間電壓矢量的有源濾波器電流控制策略研究_程啟明
2017-01-07 17:01:10
0 單相并網逆變器電壓環控制器的設計_龐晉永
2017-01-08 10:54:50
7 一種用于平衡三電平逆變器中點電位的滯環控制_精確控制策略研究_王建淵
2017-01-08 12:03:28
1 Z源逆變器直流鏈電壓滑模控制研究_王曉剛
2017-01-08 13:58:48
0 逆變器電壓電流雙環控制
2017-03-04 18:39:43
16 基于DSP帶同步鎖相的逆變器控制
2017-09-12 10:16:30
8 采用雙環控制的四橋臂三相逆變器數字化控制的研究
2017-09-14 14:04:44
9 傳統PI控制策略在光伏逆變器運用廣泛,但傳統PI控制大都因為參數值不精確,而造成波形畸變嚴重,電能質量下降,因此,提出了改進型PI控制的級聯式單相光伏逆變器。本文介紹了級聯單相光伏逆變器系統及其
2017-11-11 17:03:42
26 針對逆變電源輸出電壓波形畸變并且在大功率負載下輸出電壓掉壓嚴重的問題, 提出了采用電壓有效值外環、電容電壓環和電感電流內環的三環控制策略, 選用 TI公司的 DSP TM S320F2812芯片實現
2017-12-07 10:35:55
23 直接影響到逆變器的性能。如何利用DSP等數字芯片,設計出一個可以克服各種電網畸變及故障的軟件鎖相環,是當今科學研究的熱點問題。 本文首先論述的鎖相環技術的發展歷史及前景,簡單闡述了傳統的鎖相環技術,指出了它們的缺點并
2017-12-08 11:12:07
25 針對在光伏并網系統中采用單純 PI 控制的缺點,提出了增加電網電壓前饋控制來改善并網電流波形。分析了引入電網電壓前饋控制會減小并網電流與電網電壓之間相位差并降低并網電流總諧波畸變系數的原理。 仿真
2017-12-08 14:45:58
62 采用基于DSP的數字鎖相環(DPLL )對高頻逆變電源輸出頻率的實時控制,可實現逆變器工作頻率對負載諧振頻率的同步跟蹤 ,確保逆變器開關器件工作在零電壓電流軟開關( ZV ZCS)狀態 ,顯著減小
2017-12-11 13:57:33
18 以前,正弦波逆變器大多采用輸出電壓均值環來維持輸出電壓的恒定。但是,這種控制方式不能保證輸出電壓的波形質量,特別是在非線性負載條件下輸出電壓波形畸變嚴重,失真很大;在突加、減負載時輸出電壓動態性能
2017-12-15 10:34:27
10 為了提高MPPT效率,必須抑制兩級式單相光伏并網逆變器系統輸入電壓的低頻紋波分量。深入研究了基于PI級聯準比例諧振(PI+QPR)控制器的紋波抑制策略,給出了具備紋波魯棒抑制能力的電壓控制器設計準則
2017-12-19 18:38:02
7 在傳統的三電平電壓型逆變器空間矢量脈寬調制( SVPWM)控制算法基礎上,結合“DSP+FP-GA”,實現了一種快速的空間矢量調制算法,詳細闡述了基于FPGA和DSP的硬件平臺實現方法,實現了資源
2018-04-05 19:42:58
9 采用基于DSP的數字鎖相環(DPLL)對高頻逆變電源輸出頻率的實時控制,可實現逆變器工作頻率對負載諧振頻率的同步跟蹤,確保逆變器開關器件工作在零電壓電流軟開關( ZVZCS)狀態,顯著減小功率器件的開關損耗和提高裝置效率。
2018-04-08 09:03:30
15 基于DSP芯片的光伏并網逆變器控制系統,CPU采用TMS320F28016芯片,其通過控制逆變器輸出電壓來間接控制功率因數。
2018-04-08 09:27:14
4 在研究分布式發電系統并網技術的基礎上,以同時實現有功功率輸出和諧波抑制為目的,設計了一種新型的DSP控制并網逆變器。
2018-04-08 09:51:55
1 針對逆變電源輸出電壓波形畸變并且在大功率負載下輸出電壓掉壓嚴重的問題,文章提出了采用新型改進的電容電流瞬時值內環,電容電壓瞬時值中間環,電容電壓有效值外環的三環控制策略,借助于高效的DSP,實現了
2018-04-08 10:58:58
11 三相并網光伏逆變器的同步pi控制
2018-04-18 15:24:07
15 分析比較了單相 PWM 逆變器電感電流內環電壓外環和電容電流內環電壓外環兩種雙環控制方式,重點研究了電容電流內環電壓外環雙環控制。
2018-05-30 14:36:40
35 本文利采用雙閉環PI和重復控制相結合的控制方案,首先用雙閉環PI控制算法,得到高動態特性的三相交流電,不過不能滿足高質量的穩態波形,因為用電壓質量要求比較高的非線性負載———鎮流器是電感式的鈉燈作為
2020-01-14 16:36:46
15036 
由于單相逆變器開環系統無法保證電壓的穩定輸出和較高的波形質量,通常會采用雙環控制策略來改善系統性能。目前雙環控制方式主要包括電壓外環電感電流內環和電壓外環電容電流內環兩種。由于非線性負載對逆變器的性能影響較大,所以本文將針對這一情況對上述兩種閉環方式進行比較研究。
2020-05-06 08:00:00
8 本文首先介紹在線式UPS的基本原理以及逆變器的SPWM調壓方法,研究死區對逆變器輸出電壓的影響及其補償方法。在分析單相全橋逆變器數學模型的基礎上,比較數字PID控制、無差拍控制、重復控制、模糊控制
2021-05-19 09:56:44
60 大家好,我是黃前久美子的老公Dantemiwa。寫這篇文章的目的有二:首先,知乎上曾經看到有人問過這個問題:永磁同步電機控制中,速度環與電流環,pi參數計算。??www.zhihu.com其實關于
2021-11-08 13:51:03
6 控制器算法簡單、可靠性高,本節基于空間矢量法,采用PI控制提出基于PQ控制的LCL逆變器,使逆變器輸出無功可調,提供電壓支撐,提升電網電壓穩定性,具有電網友好的特性。基于PQ控制的逆變器控制策...
2021-11-08 16:36:02
23 的1/10,外環截止頻率一般設置為開關頻率的1/100。在實際應用中比如PFC或者并網逆變器雙環控制中,電流內環控制器截止頻率一般是開關頻率的1/10,電壓外環的截止頻率一般取100HZ以內2 開...
2021-11-08 19:36:05
24 通過三相逆變器實現PQ控制,外環采用功率,內環采用電流環PI控制。
2022-10-10 15:28:38
7 并網逆變器PI控制 1.逆變器拓撲結構與數學模型 2.常用變換 2.1 abc-α β\alpha\beta α β 變換及其逆變換 2.2 α β\alpha\beta α β -dq軸變換
2023-02-28 14:54:48
2 中常使用的是PI控制技術,而PI控制只能對恒定值實現 無靜差的跟蹤 。為此控制中需要進行旋轉變換將三相電壓、電流旋轉到dq坐標系下進行控制,dq坐標系下此時電壓電流均為恒定值,利于PI控制的跟蹤。首先來看
2023-02-28 14:15:05
19 的PI控制器參數。???????????????????????????????????? 【3】電壓環 PI參數整定 通過SISOTOOL工具箱進行PI參數整定根據帶寬及穩定性理論,獲得電壓環的P
2023-03-02 10:34:35
1 逆變器(2)--控制器設計 基于PI雙閉環解耦控制的三相SVPWM電壓型逆變器(3)--調制方法 電能變換--鎖相環 搭建主電路主流電源選擇400V,輸入電容選擇470vf,開關管選擇mos管,電感取值3m
2023-03-03 09:48:16
9 本章節采用工程設計的方法,推導轉速環PI調節器參數的計算公式,由此來設計永磁同步電機磁場定向控制的轉速外環PI調節器參數,并通過Matlab/Simulink對設計的PI調節器進行Bode圖分析
2023-03-15 09:38:23
22 增量式PI控制器 增量式PI控制器的C語言描述
2023-03-30 10:49:43
0
評論