整流橋式模塊三相橋式整流電路圖
2010-03-29 15:41:03
7900 
本文開始介紹了移相全橋的定義以及移相全橋的拓撲結構,其次闡述了十二種移相全橋的工作模態,最后介紹了移相全橋ZVS變換器的原理與設計。
2018-03-07 08:59:36
216278 
前文中我們分享了移相全橋電路的設計與電路建模仿真,本篇將基于PPEC-86CA3A移相全橋數字電源控制芯片以及PPECWorkbench開發軟件帶領大家進行實際移相全橋DC-DC變換器的設計與開發
2023-12-08 15:51:48
2038 
移相全橋有零電壓開關(ZVS)和零電壓零電流開關(ZVZCS)兩種實現方式。ZVZCS由于結構復雜并不常用,因此本篇將重點介紹ZVS移相全橋電路。
2024-04-29 15:02:25
5712 
在 400VAC 50/60Hz 并網連接時的最大輸出功率為 10kW/10KVA工作功率因數范圍為 0.7 滯后至 0.7 超前基于高壓 (1200V) SiCMosFET 的全橋逆變器,峰值效率高
2018-10-29 10:23:06
10kW電動汽車充電站電源設計_張志全
2018-02-01 17:41:12
需要用全橋移相做一個電路,以下是我的配置1. 開關頻率80KHZ,用PC40 EE70磁芯,輸出功率3KW,請問是否可行2. 副邊輸出540VDC,采用什么樣的整流方式好?考慮到電壓非常大,還有什么好的處理方式呢?
2019-01-03 11:31:25
1.原邊開關管電壓尖峰過大是怎么回事,實在是太大?2.當原邊開關管驅動出現移相時,副邊同步整流管沒有驅動信號是怎么回事?拜托各位了
2019-05-30 21:43:47
移相全橋ZVS PWM變換器
2015-10-21 23:22:11
移相全橋 ZVS 及 ZVZCS 拓撲結構分析
1.引言
移相控制方式是控制型軟開關技術在全開關 PWM 拓撲的兩態開關模式(通態和斷態)通過控制方法變為三態開關工作模式(通態斷態和續流態),在
2025-03-04 16:42:48
目前正在做一個移相全橋電路,副邊采用同步整流,實測時變壓器原邊電壓震蕩得厲害
上圖圖中黃色為變壓器原邊波形,藍色為副邊整流MosVds波形,綠色為原邊電流波形。想請教一下出現這種情況的原因以及
2025-10-19 00:58:53
我最近用的一個移相全橋拓撲,主芯片UC3875,觸發驅動TPS2812,電路是穩定的這我可以確認(用了很多年了)。 現在做一個兩線AC380V輸入,DC65V輸出的電源,在空載調試時,上電片刻炸機
2019-01-15 09:42:30
移相全橋可以不加諧振電感嗎?
2023-04-25 15:25:41
移相全橋開關電源的研制與軟開關軟件控制實現
2012-08-16 22:37:55
移相全橋有幾種工作模態
2021-03-11 07:54:30
什么是移相全橋?移相全橋有哪幾種工作模式?
2021-10-15 08:43:51
最近在TI的官網上面看到一個設計參考,用的是移相全橋方案,但是里面電壓器沒有加隔直電容,請教大家為什么?
2018-12-13 13:54:26
自個做的一個移相全橋,圖一圖二是全橋和驅動電路,沒有上高壓,母線電壓只用了直流電源上了30v。圖三是IGBT的Vge信號,黃色淺藍色為超前橋臂,深藍色紫色為滯后橋臂,黃色和深藍色都是上管,為啥上管
2025-12-06 19:27:18
常用的三相整流電路都有哪些類型? 三相橋式全控整流 電路的構成及工作特點是什么事? 可不可以利用Simulink對三相橋式全控整流電路進行建模?
2021-04-06 09:19:43
UCC3895移相全橋,220V輸入空載電流20MA,開關管很熱。
2023-08-01 10:28:56
llc拓撲和移相全橋拓撲結構的區別是什么呢?
2018-12-13 14:40:41
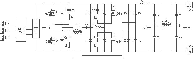
,我們已經對移相全橋電路的拓撲結構進行了詳細講解,此處不多做贅述(詳見上期內容)。本示例電路變壓器原邊采用移相控制的全橋電路,變壓器副邊采用全波整流電路,電路拓撲圖如下。
(二)電源技術指標首先需要確定其
2023-12-04 11:12:41
申請理由:.主要研究內容(1)研究主電路的工作原理及軟開關條件充電電源主電路的核心模塊為高DC/DC變換電路,根據設計要求和特性,DC/DC變換采用副邊加無源鉗位電路的移相全橋ZVZCS PWM
2016-05-23 15:41:54
前面我們分享了移相全橋電路的設計與電路建模仿真,本篇將基于PPEC-86CA3A移相全橋數字電源控制芯片以及PPEC Workbench開發軟件帶領大家進行實際移相全橋DC-DC變換器的設計與開發
2023-12-21 10:16:18
丟失
ZVS移相全橋DC/DC變換器在滯后臂開關管關斷后會出現副邊占空比丟失現象。
此時原邊電流反向,負載電流進入換向階段,原邊電流較小,不能供給負載電流,導致變壓器副邊兩個整流管都導通,電壓被二極管
2023-11-16 15:18:03
高頻整流二極管 TR: 移相全橋電源變壓器 Lp: 變壓器原邊繞組電感量 Ls1,Ls2:變壓器副邊電感量 Lr: 變壓器原邊漏感或原邊漏感與外加電感的和 Lf: 移相全橋電源次級輸出續流電感 Cf
2021-05-08 06:30:00
新手上路,請多指教。目前做電機實驗需要焊一個三相全波整流橋,之前用的DSEP 60-12A(IFAV = 60 A VRRM = 1200 V trr = 40 ns),上橋中間的管子老是反向擊穿
2014-03-06 10:12:43
一、基本電路原理1.三相橋式全控整流電路[外鏈圖片轉存失敗,源站可能有防盜鏈機制,建議將圖片保存下來直接上傳(img-BoKHtUCc-1609649050655)(media
2021-11-16 07:25:12
如何將基波因數計算電路封裝成子系統?如何將紋波因數計算電路封裝成子系統?三相半波可控整流電路和三相橋式全控整流電路的波形有什么不同?
2021-07-09 08:21:42
過載、短路、接地故障、直流總線欠壓和過壓以及 IGBT 模塊硬件過熱問題來提高系統的可靠性。主要特色增強型隔離式逆變器,適合額定功率高達 10kW 的 200V-690V 交流驅動器增強型隔離式半橋柵極
2018-12-06 14:17:15
移相全橋大功率軟開關電源的設計(2)
2019-04-23 08:00:19
今天給大家介紹利用PPEC 控制器來實現移相全橋電路的控制。 首先,打開PPEC workbench 軟件。點擊新建工程來創建一個空白的項目工程文件。 在彈出的對話框中,選擇移相全橋的拓撲類型,點擊
2022-05-19 10:26:28
單相全橋逆變電路,帶阻感性負載時,10kW單相逆變器設計技術指標輸入電壓:360-420VDC輸出電壓:單相220VAC輸出電壓頻率:50Hz額定功率:10kW負載功率因數:0.8(感性負載)輸出電壓THD
2021-07-09 08:02:41
基于matlab的三相橋式全控整流電路的仿真研究 用simulink 對三相橋式全控整流電路進行仿真研究 姓名:劉佰蘭 學校:中山大學 學號:09382014 專業:自動化 摘要:三相橋式全控整流
2021-07-06 07:15:37
ZVS-PWM諧振電路拓撲的電路原理和各工作模態分析200W移相全橋諧振ZVS變換器關鍵參數設計如何對200W移相全橋諧振ZVS變換器進行測試?
2021-04-22 06:25:56
三相橋式全控整流電路的基本原理是什么?三相橋式全控整流電路有哪些輸出特性?如何對三相橋式全控整流電路進行仿真實驗?
2021-07-06 08:03:13
,提供多種方案匹配您的科研/教學模式。今天為大家分享的是基于EasyGo實時仿真平臺和PPEC控制單元,對移相全橋電路進行的真實系統測試及仿真測試。為便于進行比較測試實驗,控制部分統一采用攜帶PPEC芯片
2024-05-16 11:35:13
只用dsp玩過全橋移相,不知道stm32能否實現
2018-08-31 16:09:53
碳化硅MOSFET器件才能夠減小它的器件開關損耗,否則效率在200KHZ工作下會非常低。圖10: 20KW諧振LLC和 20KW移相全橋的波形圖圖10是20KW諧振LLC和20KW移相全橋波形,工作在
2016-08-25 14:39:53
誰能設計開發2KW 移相全橋開關電源,有報酬。有意者,可發此郵箱zhxiro@aliyun.com
2020-05-24 11:10:59
阻容移相橋觸發電路是如何實現移相的?單穩態電路的輸出脈沖寬度取決于什么?什么是電阻測量法?直接耦合放大電路的特點是什么?
2021-08-19 07:54:53
摘要:介紹了10kW全橋移相ZVSPWM直流整流模塊主電路和控制電路的設計,給出了主變壓器和諧振電感的參數計算,最后給出了實驗波形。關鍵詞:全橋移相;零電壓開關;降頻
2009-10-16 16:34:10
126 本文介紹了10kW全橋移相ZVS PWM直流整流模塊主電路和控制電路的設計,給出了主變壓器和諧振電感的參數計算,最后給出了實驗波形。 敘 詞: 全橋移相, 零電壓開關, 降頻 Abstract:
2009-10-17 10:48:26
95 摘要:介紹了10KW高壓電源系統指標、組成和結構,電源采用全橋串聯諧振變換器來實現,提出了一種較好的大功率IGBT模塊的驅動電路,采用了一種新的電源控制芯片,給出了樣機元
2010-06-28 15:13:54
45 文章闡述了零電壓開關技術在移相全橋變換器中的應用, 提出了一種改進型的零電壓零電流全橋移相開關電源, 對電路的工作原理、工作模式作了具體分析, 主要器件的參數選擇作
2010-11-08 16:52:02
449
移相全橋ZVSDC/DC變換器的極點配置自適應預測控制
摘要:闡述了移相全橋ZVSDC/DC變換器準線性建模思想以及極點配置自適應
2009-07-07 13:13:21
971 
移相全橋ZVS變換器的原理與設計
摘要:介紹移相全橋ZVS變換器的原理,并用UC3875控制器研制成功3kW移相全橋零電壓高頻
2009-07-10 11:59:49
7841 
移相全橋ZVZCS DC/DC變換器綜述
摘要:概述了9種移相全橋ZVZCSDC/DC變換器,簡要介紹了各種電路拓撲的工作原理,并對比了優缺
2009-07-14 08:51:32
4212 
移相全橋式IGBT超聲波電源的研制
摘要:介紹了某型超聲波電源的工作原理,采用移相式全橋串聯諧振電路,以IGBT為功率
2009-07-16 08:11:46
3144 
280W移相全橋軟開
2011-01-07 11:06:44
142 移向全橋軟開關5kW移相全橋ZVS_DC_DC變換器的研究
2015-11-02 17:50:29
56 12V_175A大功率全橋移相拆解,看看此款移相電路設計及電路用料
2015-11-12 14:50:47
77 運用 Multisim對移相全橋電路進行仿真。
2016-07-12 16:05:52
54 摘要 驅動倍流同步整流輸出級是一項非常復雜的任務,特別是移相全橋拓撲。但是,使用A和B輸出隨著ucc37324雙4A MOSFET驅動器UCC3895,一個直接的PWM控制同步整流倍流輸出級實現
2017-06-09 10:56:12
48 本文主要介紹了ZVZCS移相全橋軟開關的工作原理。包括對主電路拓撲的說明以及對主電路工作過程分析,其次還介紹了以移相全橋為主電路的軟開關電源設計。
2018-03-07 09:17:29
70953 
本文介紹了 10kW 全橋移相 ZVS PWM 直流整流模塊主電路和控制電路的設計,給出了主變壓器和諧振電感的參數計算,最后給出了實驗波形。
2018-05-29 11:29:49
36 ZVZCS 移相全橋 PWM 變換器實現了超前橋臂的零電壓開關( ZVS) 與滯后橋臂的零電流開關( ZCS), 其軟開關的實現條件比 ZVS 移相全橋與 ZCS 移相全橋要好。
2018-05-29 15:05:11
38 采用了一種將峰值電流控制模式與移相軟開關技術相結合的移相控制全橋 (FB) ZVS -PWM 變換器。
2018-05-29 15:07:10
16 移相全橋軟開關變換器從基本的移相全橋 (FB) 零電壓 (ZVS) 脈寬調制 (PWM) 變換器 , 發展到移相全橋零電壓零電流 (ZVZCS) PWM 變換器 , 及移相全橋零電流 (ZCS
2018-05-30 10:00:29
106 11移相全橋變換器
2019-04-22 06:29:00
11755 
本文檔的主要內容詳細介紹的是TIDA-01606 10KW三相光伏并網逆變器的電路原理圖免費下載。
2019-09-12 08:00:00
102 移相全橋PSFBAD案例原理圖資源下載
2021-04-17 09:23:21
14 在實際工作中,我們每年都要對調頻發射機10KW合成器進行年度維修保養。但是,拆卸10KW合成器非常麻煩,而且容易損壞硬饋的芯子和轉接頭。根據我臺七部調頻發射機的維修經驗,我們總結了10KW合成器拆卸的一些技巧,分享給從事調頻發射機工作的維修人員。
2021-06-12 17:09:00
2336 Saber仿真在移相全橋軟開關電源研發中的應用(肇慶理工電源技術有限公司)-Saber仿真在移相全橋軟開關電源研發中的應用 ? ? ? ? ? ? ? ? ?
2021-08-31 18:50:38
21 具有移相控制的ZVS全橋DC-DC斬波變換器(通信電源技術雜志簡介)-具有移相控制的ZVS全橋DC-DC斬波變換器 ? ? ? ? ??
2021-08-31 18:56:38
42 低壓大電流移相全橋開關電源的研究(通信電源技術文件)-低壓大電流移相全橋開關電源的研究 ? ? ? ? ? ??
2021-08-31 19:02:48
58 13kW全橋移相逆變電源的設計(安徽理士電源技術有限公司招聘電話)-13kW全橋移相逆變電源的設計 ? ? ? ? ? ? ? ?
2021-08-31 19:09:08
89 移相全橋大功率軟開關電源的設計(電源技術指標不包括)-移相全橋大功率軟開關電源的設計? ? ? ? ? ? ? ? ? ? ?
2021-08-31 19:18:09
114 移相全橋為主電路的軟開關電源設計詳解(電源技術審稿費多少)-移相全橋為主電路的軟開關電源設計詳解 ? ? ? ? ? ??
2021-08-31 19:20:43
128 的手段之一。論文采用了移相控制和倍流整流技術,研制一臺功率為1kW的DC/DC變換器裝置,在變壓器原邊加入隔直電容和飽和電感,實現了零電壓零電流全橋變換和整流二極管的軟開關。原邊超前橋臂保持寬范圍的零電壓
2021-09-17 13:08:21
5 基于ARM的移相全橋DC-DC變換電路軟開關的研究(電源技術應用出版單位)-基于ARM的移相全橋DC-DC變換電路軟開關的研究
2021-09-23 09:42:48
23 10KW的車載OBC電路圖,實際資料。
2022-11-07 11:29:23
86 移相控制全橋零電壓開關PWM變換器的 主要波形
2023-01-29 10:01:54
22 在中大功率電源中,現在市面上最流行的拓撲結構可謂是移相全橋和LLC了,工程師們也最喜歡將這它們放在一塊作比較,這是由于它們的原邊MOS管都可以實現ZVS,從而降低損耗,提高了功率密度。但它們也
2023-03-17 17:06:32
33217 
全橋拓撲啦,它在隔離型DC-DC電源中應用十分廣泛,本期我們就對其電路構成與工作原理為大家進行介紹。拓撲構成移相全橋拓撲采用移相控制方式,利用功率器件的結電容與諧
2023-08-25 08:25:03
9050 
電子發燒友網站提供《使用 AM263 的10kW三相三級(T 型)逆變器參考設計.pdf》資料免費下載
2024-02-28 14:13:18
8 移相全橋與全橋LLC是兩種常見的開關電源拓撲結構,用于將輸入電壓轉換為所需的輸出電壓。它們在電源設計中頻繁使用,但其工作原理、性能和應用有所不同。本文將詳細比較這兩種拓撲結構,并探討它們的優缺點
2024-03-11 17:25:50
16577 移相全橋和LLC拓撲是兩種常見的電源轉換器拓撲結構,它們在電源拓撲應用領域具有廣泛的應用。這兩種拓撲結構在工作原理、電路特性、性能指標等方面存在明顯差異。下面將詳細介紹移相全橋和LLC拓撲的區別
2024-03-11 17:36:29
7543 移相全橋拓撲作為一種在電力電子領域廣泛應用的電路結構,其工作原理和特性對于深入理解DC-DC變換器的設計和優化至關重要。 一、基本原理 移相全橋拓撲是一種基于移相控制策略的DC-DC變換器拓撲結構
2024-07-18 16:44:00
25446 
移相全橋是一種常用的電力電子變換器拓撲結構,廣泛應用于電源、電機驅動、能量存儲等領域。移相全橋的核心是實現輸入電壓與輸出電壓之間的相位差,從而實現能量的傳輸和轉換。移相角是移相全橋中一個重要的參數
2024-07-16 09:14:19
4887 移相全橋是一種廣泛應用于電力電子領域的功率轉換器,其主要作用是將直流電轉換為交流電。在移相全橋中,占空比是一個非常重要的參數,它直接影響到輸出電壓和功率。然而,在實際應用中,移相全橋的占空比可能會
2024-07-16 09:15:49
4818 移相全橋是一種廣泛應用于電力電子領域的功率轉換器,具有高效率、高功率密度和良好的電磁兼容性等優點。然而,移相全橋在大功率應用中存在一些局限性,限制了其在大功率領域的應用。 移相全橋的基本原理 移相全
2024-07-16 09:17:18
2071 移相全橋(Phase-Shift Full Bridge,PSFB)和LLC(LLC Resonant Converter)都是高頻高效率的電源轉換技術,它們在許多應用中都有廣泛的應用,如開關電源
2024-07-16 16:09:46
4738 移相全橋和LLC(諧振型負載諧振變換器)是兩種常用的電力電子變換器,它們在不同的應用領域有著廣泛的應用。 工作原理 1.1 移相全橋 移相全橋變換器是一種采用全橋拓撲結構的軟開關變換器。其工作原理
2024-07-16 16:11:13
2412 電壓驅動式功率半導體器件,它將BJT(雙極型三極管)和MOSFET(金屬氧化物場效應晶體管)的優點集于一身,具有輸入阻抗高、驅動功率小、開關速度快、工作頻率高、損耗小以及承受電流和電壓能力高等優點。 二、三相全橋整流電路結構 IGBT三相全橋整流電路由六個IGBT模塊組成,分為兩個橋臂,每個橋臂由三
2024-09-30 15:33:26
13578 電子發燒友網站提供《移相全橋變換器中的控制驅動同步整流器.pdf》資料免費下載
2024-10-21 09:15:29
4 10KW車載逆變器OBC原理圖
2025-05-19 17:59:12
9
評論