MAX32660低功耗Arm Cortex-M4 FPU處理器,帶基于FPU的微控制器(MCU),256KB Flash和96KB SRAMDARWIN是一種全新品類的低功耗微控制器,專為迅猛發展
2019-10-09 11:48:31
概述MAX32660EVSYS板是使用 MAX32660 ARM Cortex-M4F 微控制器進行開發的最簡單方法。它是一個方便的尺寸,可以輕松訪問所有 I/O。特征MAX32660 超低
2022-08-09 14:15:52
MAX32660支持哪些系統平臺
2023-11-09 08:13:53
MAX3867是什么?MAX3867的主要性能指標有哪些?MAX3867有什么主要應用?
2021-04-20 06:44:17
MAX471是什么?MAX471電流檢測放大器的主要特性有哪些?怎樣去設計MAX471電流檢測放大器的電路?
2021-10-15 06:15:43
MAX7032是什么?MAX7032的特性是什么?
2021-05-13 06:01:32
【圖】MAX9722AEVKIT MAX9722A、MAX9722B評估板
2011-01-24 16:05:08
4層MT7688主板高速PCB設計視頻教程AltiumDesigner19 2層MAX32660評估板全流程PCB實戰實戰視頻教程企業級Altium Designer標準封裝設計實戰視頻教程
2018-09-20 09:31:14
入門教程最新Altium Designer19入門教程:繪制stm32四層主板PCB設計教程Altium19 2層MAX32660評估板全流程PCB實戰實戰視頻教程Altium Designer19
2017-08-14 19:16:49
主板PCB設計教程Altium19 2層MAX32660評估板全流程PCB實戰實戰視頻教程Altium Designer19/18對比式快速上手51單片機開發板繪制實戰開發2、Altium
2019-05-16 09:48:00
視頻教程1、Altium Designer19入門教程最新Altium Designer19入門教程:繪制stm32四層主板PCB設計教程Altium19 2層MAX32660評估板全流程PCB實戰實戰
2019-04-06 16:45:56
Designer19入門教程:繪制stm32四層主板PCB設計教程Altium19 2層MAX32660評估板全流程PCB實戰實戰視頻教程Altium Designer19/18對比式快速上手51單片機
2018-09-26 14:47:54
72講 視頻教程1、Altium Designer19入門教程最新Altium Designer19入門教程:繪制stm32四層主板PCB設計教程Altium19 2層MAX32660評估板全流程PCB
2018-10-17 14:02:32
PCB設計速成 72講 視頻教程1、Altium Designer19入門教程最新Altium Designer19入門教程:繪制stm32四層主板PCB設計教程Altium19 2層MAX32660評估板全
2018-08-08 12:14:24
有誰需要BeMicro Max 10 FPGA評估板嗎,本人想入手一塊板子,但是聯系了國內好多賣家,但均沒有答復,因此決定直接arrow美國官網購買,感興趣的朋友可以聯系我,一起購買,QQ:674695298
2014-12-15 12:45:11
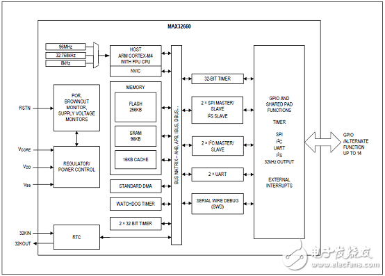
MAX32660為超低功耗、高成效、高度集成微控制器,設計用于電池供電設備和無線傳感器。器件集成高度靈活和通用的電池管理單元與功能強大的Arm? Cortex?-M4(帶浮點運算單元,FPU
2018-11-26 15:16:57
本帖最后由 MicroLCD 于 2018-11-23 10:24 編輯
大家好!本次的MAX32660眾籌活動,PCB設計所需要的MAX32660原理圖(AD18格式)和相關器件資料已經上傳
2018-11-16 11:27:44
事的幫忙,所以一直就耽擱了下來,晚上沒事兒拿出來看看板上資源以及簡單的試用一下。安裝環境,用的Keil 5.16a version,從壇友那邊下載的 Maxim.MAX32660.1.1.2.pack 包
2019-03-27 01:27:57
`1、MAX32660外設及資源介紹:內部振蕩器工作頻率高達96MHz256KB閃存存儲器96KB SRAM,可選擇置于最低功耗備份模式16KB指令緩存存儲器保護單元(MPU)1.1V VCORE低
2019-03-31 13:18:51
測試了下LP中的DeepSleep,代碼如下LP_EnableGPIOWakeup((gpio_cfg_t*)&pb_pin[0]);printf("EnableGPIOWakeup .\n"); MXC_GCR->scon |= 0x4000;// Disable SWD printf("Entering DEEPSLEEP mode.\n"); LP_DisableBandGap(); LP_DisableVCorePORSignal(); LP_EnableRamRetReg(); LP_DisableBlockDetect(); LP_EnableFastWk(); LP_EnterDeepSleepMode(); MXC_GCR->scon &= 0xBFFF;// Enable SWD printf("Entering not DEEPSLEEP mode.\n"); rDeepSleepMode=0; 進入和出SLEEP同時出現,沒成功。準備進行與DHT11濕度傳感器連接的工作。/***** Includes *****/#include #include #include "mxc_config.h"#include "nvic_table.h"#include "board.h"#include "rtc.h"#include "led.h"#include "pb.h"#include "tmr_utils.h"#include "gpio.h"#include "lp.h"#include "icc.h"#include "uart.h"/***** Definitions *****/#define LED_ALARM0#define SUBSECOND_MSEC_0 250#define SECS_PER_MIN60#define SECS_PER_HR(60 * SECS_PER_MIN)#define SECS_PER_DAY(24 * SECS_PER_HR)#define MSEC_TO_RSSA(x) (0 - ((x * 256) / 1000)) /* Converts a time in milleseconds to the equivalent RSSA register value. */#define DEEPSLEEP 1/*LED Control PIN red*/#define GPIO_PORT_OUT PORT_0#define GPIO_PIN_OUTPIN_9/*DHT11 Control PIN */#define GPIO_PIN_OUT2PIN_4/***** Globals *****/uint32_t ss_interval = SUBSECOND_MSEC_0;volatile int buttonPressed = 0;volatile int rtcalarm = 0;volatile int rDeepSleepMode = 0;gpio_cfg_t dht_in = {PORT_0, GPIO_PIN_OUT2, GPIO_FUNC_IN, GPIO_PAD_NONE};/***** Functions *****/void MicroSeconds(int us) { /* Demonstrates the TMR driver delay */ // TMR_Delay(MXC_TMR0, USEC(us), NULL); // todo check if this is μsec or msec uint32_t i = 0; for( i=0; i < us * 4; i++) {asm(" nop"); }}void RTC_IRQHandler(void){ int flags = RTC_GetFlags(); rtcalarm = 1; /* Check sub-second alarm flag. */ if (flags & MXC_F_RTC_CTRL_ALSF) {RTC_ClearFlags(MXC_F_RTC_CTRL_ALSF); } /* Check time-of-day alarm flag. */ if (flags & MXC_F_RTC_CTRL_ALDF) {RTC_ClearFlags(MXC_F_RTC_CTRL_ALDF);/* Set a new alarm 10 seconds from current time. */ }}void buttonHandler(void *pb){ buttonPressed = 1;}/*從DHT11讀取一個位,返回值:1/0。每一bit數據都以50us的低電平時序開始,高電平的寬度決定了bit數據位的0或1,高電平狀態在26~28us時,表示數據位為0,高電平狀態在70us時,表示數據位為1.DHT11_DQ_IN是讀取對應端口引腳的輸入電平,在讀之前,該引腳要配置為上拉下拉輸入模式*/char DHT11_Read_Bit(void){char retry=0;while(GPIO_InGet(&dht_in)&&retry
2019-03-28 09:49:48
、選擇Package manager,直接默認下一步,選擇組件MAX32660,開始安裝。3、成功之后,打開Eclipse,選擇工作空間,Import導入MAX32660的所有的example,我導入之后
2019-03-09 22:04:56
這周實驗了GPIO_UART:500MS串口發送LED反轉一次,寫的有點low。尷尬!!!串口遇到了點小問題- - !,main函數剛進入時候是可以打印Hello word的,但是進入while(1)后出現了點問題,串口不打印LED_ON/LED_OFF.int main(void){ printf("Hello World!\r\n"); int count = 0; while(1) {LED_On(0);TMR_Delay(MXC_TMR0, MSEC(500), NULL);printf("ledon\r\n");LED_Off(0);mxc_delay(MXC_DELAY_MSEC(500));printf("LED OFF\r\n");printf("count = %d\r\n", count++); }}下周將相關外設調通。
2019-03-27 13:16:53
handler * in system_max326xx.c and is needed for asynchronous UART * calls to work properly */void
2019-04-02 16:45:36
芯片手冊,對這個小巧的cortex-M4芯片有了更清晰的認識,按照對引腳的定義做了一張產品的簡單原理圖。想引申的項目是《基于MAXIM MAX32660 的高集成度高速收發一體光模塊的設計》產品
2019-02-28 22:16:02
`一、MAX32660評估板官方介紹:MAX32660-EVSYS#高效率超低功耗Arm Cortex-M4處理器(MCU)開發板MAX32660為超低功耗、高成效、高度集成微控制器,設計用于電池
2019-03-24 01:38:32
MAX32625debugger/DAPlink板連接MAX32660應用板。接上USB電源線,MAX32660EVSYS 板運行出廠程序(Hello World)紅色led 閃爍。在文件管理器多出
2019-02-26 16:51:19
*1.7cm,這是包含MAX32625調試板的尺寸,若只是MAX32660開發板,僅僅2.5cm*1.7cm,占用空間相當小可以滿足穿戴式應用場景。可以看到中間的MAX32660只有4mm*4mm,而且周邊布線
2019-02-26 15:04:27
`年后查到快遞信息,快遞員直接放在公司,感謝@美麗心琴小姐姐幫忙查看快遞信息。收貨開箱:開箱查看還是蠻精致的,資源也聽豐富。資源:官網查詢用于可穿戴設備的高效微控制器內部振蕩器工作頻率高達96MHz256KB閃存存儲器96KB SRAM,可選擇置于最低功耗備份模式16KB指令緩存存儲器保護單元(MPU)1.1V VCORE低電源電壓3.6V GPIO工作范圍內部LDO提供單電源工作寬工作溫度范圍:-40°C至+105°C電源管理最大程度延長電池應用的工作時間從閃存執行代碼時功耗為85μW/MHz備份模式下全存儲器保持功耗為2μA @ VDD = 1.8V超低功耗RTC:570nA @ VDD=1.8V內部8kHz環形振蕩器最優外設組合,提高平臺擴展性多達14個通用I/O引腳多達2個SPI主機/從機I2S主機/從機多達2個UART多達2個I2C主機/從機,速度高達3.4Mbps四通道標準DMA控制器3個32位定時器看門狗定時器CMOS電平32.768kHz RTC輸出開發環境安裝:官網--> ARMCortexToolchain.exe 這個軟件的安裝是真的慢開始時間9:33 下載完成時間12:43最后還是用了Keil環境初測KEY----LEDint main(void){ gpio_cfg_t gpio_in; gpio_cfg_t gpio_out; gpio_cfg_t gpio_interrupt; gpio_cfg_t gpio_interrupt_status; gpio_interrupt_status.port = GPIO_PORT_INTERRUPT_STATUS; gpio_interrupt_status.mask = GPIO_PIN_INTERRUPT_STATUS; gpio_interrupt_status.pad = GPIO_PAD_NONE; gpio_interrupt_status.func = GPIO_FUNC_OUT; GPIO_Config(&gpio_interrupt_status); gpio_interrupt.port = GPIO_PORT_INTERRUPT_IN; gpio_interrupt.mask = GPIO_PIN_INTERRUPT_IN; gpio_interrupt.pad = GPIO_PAD_PULL_UP; gpio_interrupt.func = GPIO_FUNC_IN; GPIO_Config(&gpio_interrupt); GPIO_RegisterCallback(&gpio_interrupt, gpio_isr, &gpio_interrupt_status); GPIO_IntConfig(&gpio_interrupt, GPIO_INT_EDGE, GPIO_INT_FALLING); GPIO_IntEnable(&gpio_interrupt); NVIC_EnableIRQ((IRQn_Type)MXC_GPIO_GET_IRQ(GPIO_PORT_INTERRUPT_IN)); gpio_in.port = GPIO_PORT_IN; gpio_in.mask = GPIO_PIN_IN; gpio_in.pad = GPIO_PAD_PULL_UP; gpio_in.func = GPIO_FUNC_IN; GPIO_Config(&gpio_in); gpio_out.port = GPIO_PORT_OUT; gpio_out.mask = GPIO_PIN_OUT; gpio_out.pad = GPIO_PAD_NONE; gpio_out.func = GPIO_FUNC_OUT; GPIO_Config(&gpio_out); while (1) {if (GPIO_InGet(&gpio_in)) {GPIO_OutSet(&gpio_out);} else {GPIO_OutClr(&gpio_out);} }}`
2019-03-14 17:31:19
的安裝目錄下找到了,別人都是先搞led的,我就先研究uart了,路徑是C:\Keil_v5\ARM\PACK\Maxim\MAX32660\1.1.2\Boards\Maxim
2019-04-07 15:24:20
本帖最后由 lee_st 于 2019-4-7 15:31 編輯
拿到板卡也有2周,終于有時間可以研究一下,昨天想搞搞,結果沒有找到官方例程庫,就沒有實現點燈,今天從論壇一個兄弟發給了我,在此謝過,安裝了近3小時,還沒完成,無奈。改天開始研究代碼在4樓
2019-03-12 21:01:52
`家有小寶,想到開發一個電子琴給她添點快樂。MAX32660的GPIO數量有限,只采用的8個GPIO按鍵輸入8個音符信號,一個GPIO輸出音樂到蜂鳴器發出對應音符。搭建電路如圖:先在面包做個試驗
2019-03-09 22:06:05
)^_^量體裁衣,給它一個磨砂罩子,給***的MAX32660遮遮羞。覆蓋有兩部分,一部分蓋住主機,一部分遮住琴鍵周邊空隙。都采用螺絲固定。方便操作,增強人機互動,增加按鍵LED對應顯示。MAX32660
2019-04-09 23:08:50
周日在Eclipse IDE中加載了GPIO Example 。并調試下,/* **** Includes **** */#include #include #include "mxc_config.h"#include "board.h"#include "gpio.h"#include "tmr_utils.h"/* **** Definitions **** */#define GPIO_PORT_IN PORT_0#define GPIO_PIN_INPIN_12#define GPIO_PORT_OUTPORT_0#define GPIO_PIN_OUT PIN_13#define GPIO_PORT_INTERRUPT_INPORT_0#define GPIO_PIN_INTERRUPT_IN PIN_3#define GPIO_PORT_INTERRUPT_STATUSPORT_0#define GPIO_PIN_INTERRUPT_STATUSPIN_2/* **** Globals **** *//* **** Functions **** */void gpio_isr(void *cbdata){ GPIO_OutToggle((gpio_cfg_t*)cbdata);}int main(void){ gpio_cfg_t gpio_in; gpio_cfg_t gpio_out; gpio_cfg_t gpio_interrupt; gpio_cfg_t gpio_interrupt_status; printf("\n\n***** GPIO Example ******\n\n"); printf("1. This example reads P0.12 (S1) and outputs the same state onto P0.13 (DS1).\n"); printf("2. An interrupt is set up on P0.3. P0.2 toggles when that interrupt occurs.\n\n"); /* Setup interrupt status pin as an output so we can toggle it on each interrupt. */ gpio_interrupt_status.port = GPIO_PORT_INTERRUPT_STATUS; gpio_interrupt_status.mask = GPIO_PIN_INTERRUPT_STATUS; gpio_interrupt_status.pad = GPIO_PAD_NONE; gpio_interrupt_status.func = GPIO_FUNC_OUT; GPIO_Config(&gpio_interrupt_status); /* Set up interrupt on P0.3. */ /* Switch on EV kit is open when non-pressed, and grounded when pressed.Use an internal pull-up so pin reads high when button is not pressed. */ gpio_interrupt.port = GPIO_PORT_INTERRUPT_IN; gpio_interrupt.mask = GPIO_PIN_INTERRUPT_IN; gpio_interrupt.pad = GPIO_PAD_PULL_UP; gpio_interrupt.func = GPIO_FUNC_IN; GPIO_Config(&gpio_interrupt); GPIO_RegisterCallback(&gpio_interrupt, gpio_isr, &gpio_interrupt_status); GPIO_IntConfig(&gpio_interrupt, GPIO_INT_EDGE, GPIO_INT_FALLING); GPIO_IntEnable(&gpio_interrupt); NVIC_EnableIRQ((IRQn_Type)MXC_GPIO_GET_IRQ(GPIO_PORT_INTERRUPT_IN)); /* Setup input pin. */ /* Switch on EV kit is open when non-pressed, and grounded when pressed.Use an internal pull-up so pin reads high when button is not pressed. */ gpio_in.port = GPIO_PORT_IN; gpio_in.mask = GPIO_PIN_IN; gpio_in.pad = GPIO_PAD_PULL_UP; gpio_in.func = GPIO_FUNC_IN; GPIO_Config(&gpio_in); /* Setup output pin. */ gpio_out.port = GPIO_PORT_OUT; gpio_out.mask = GPIO_PIN_OUT; gpio_out.pad = GPIO_PAD_NONE; gpio_out.func = GPIO_FUNC_OUT; GPIO_Config(&gpio_out); while (1) {/* Read state of the input pin. */if (GPIO_InGet(&gpio_in)) {/* Input pin was high, set the output pin. */GPIO_OutSet(&gpio_out);} else {/* Input pin was low, clear the output pin. */GPIO_OutClr(&gpio_out);} }}發現這個程序第一部分是讀PIN_12到 PIN_13引腳。與孩子商量能否用手觸開關控制臺燈。于是找個電容式觸摸模塊和光隔繼電器制作器件。準備觸摸模塊到PIN_12, PIN_13保存狀態到繼電器到臺燈。/* **** Includes **** */#include #include #include "mxc_config.h"#include "board.h"#include "gpio.h"#include "tmr_utils.h"#include "mxc_delay.h"/* **** Definitions **** */#define GPIO_PORT_IN PORT_0#define GPIO_PIN_INPIN_12/*LED Control PIN */#define GPIO_PORT_OUTPORT_0#define GPIO_PIN_OUT PIN_13/* **** Globals **** *//* **** Functions **** */int main(void){ gpio_cfg_t gpio_in; gpio_cfg_t gpio_out; int count = 0; /* Setup input pin. ta */ gpio_in.port = GPIO_PORT_IN; gpio_in.mask = GPIO_PIN_IN; gpio_in.pad = GPIO_PAD_NONE; gpio_in.func = GPIO_FUNC_IN; /* Setup output pinFOR lamp. */ gpio_out.port = GPIO_PORT_OUT; gpio_out.mask = GPIO_PIN_OUT; gpio_out.pad = GPIO_PAD_NONE; gpio_out.func = GPIO_FUNC_OUT; GPIO_Config(&gpio_out);/* Setup output1 FOR lamp. */GPIO_OutSet(&gpio_out); printf("\n\n***** GPIO Example ******\n\n"); printf("1. This example reads P0.12 (S1) and outputs the same state onto P0.13 (lamp).\n"); /*printf("2. An interrupt is set up on P0.3. P0.2 toggles when that interrupt occurs.\n\n");*/ while (1) {/* Read state of the input pin. */if (GPIO_InGet(&gpio_in)) {/* Input pin was high, set the output pin. */count = GPIO_OutGet(&gpio_out);printf("count = %d\n", count);if(count) { GPIO_OutClr(&gpio_out); printf("TO OFF = %d\n", count);}else { GPIO_OutSet(&gpio_out); printf("TO ON = %d\n", count);}while (GPIO_InGet(&gpio_in)) { mxc_delay(MXC_DELAY_MSEC(200)); } }}}調試時 GPIO_OutGet(&gpio_out)讀為0或8192。為2**13,為13腳號。實測成功
2019-03-04 16:36:47
`之前由于各種出差,一直沒有時間來研究,然后現在有空,細細的研究資料查看了,花費了兩個小時,查看了MAX 32660板的資料以及原理圖,該板作為通訊模塊很好控制,通過對其寄存器地址的操作,可以很好
2019-03-31 21:12:11
項目名稱:Maxim MAX32660 低功耗Arm Cortex-M4 FPU SOC開發板試用試用計劃:1.可穿戴醫療設備,主要用于研究可穿戴無線WiFi裝置,研究可穿戴無線裝置對于人體的影響;2.研究可穿戴醫療裝置在人體上不同部位的對于人體的感知及靈敏性;3.研究下一代可穿戴裝置的應用。
2019-01-25 11:47:55
項目名稱:RFID智能溫控騎試用計劃:項目名稱:RFID智能溫控器主要內容:用于RFID智能溫控測試裝置,為RFID芯片測試提供溫度,同時對RFID性能進行測試。
2019-01-22 17:34:07
項目名稱:基于MAX32660震動計數器試用計劃:嘗試采用MAX32660統計不同頻率的震動,并計數,同步數據到client端
2019-01-22 15:51:17
項目名稱:工業IOT試用計劃:這個項目屬于公司項目,具體細節需要保密。
2019-01-22 15:49:36
項目名稱:智能傳感器模組試用計劃:想研發一款集多種環境傳感器于一體的智能傳感器,溫濕度,VOC,噪聲,振動等。
2019-01-29 15:35:22
項目名稱:森威爾溫控器試用計劃:本次項目產品為電池供電設備,智能集控網關項目,需要超低功耗,高度集成微控制器。本項目預計待機時間為1.5年左右,2節AA電池供電。控制器與網關無線通訊,控制房間溫濕度。
2019-01-22 15:22:41
項目名稱:謝謝研究maxim芯片試用計劃:沒有接觸過maxim的mcu,想研究一下有和特點
2019-01-22 15:46:24
項目名稱:運動控制項目試用計劃:1.在自動化生產時,通過傳感器監控產品是否走到位,到位后通過傳感器獲取到后,給一個信號給運動手臂,用運動手臂去抓取,用于產品的檢測定位和識別。
2019-01-22 15:23:05
速成 72講 視頻教程1、Altium Designer19入門教程最新Altium Designer19入門教程:繪制stm32四層主板PCB設計教程Altium19 2層MAX32660評估板全
2016-05-23 21:24:07
本文介紹了MAX9888主要特性,功能方框圖,典型應用電路圖以及MAX9888評估板主要特性,方框圖,電路圖和材料清單。
2021-06-01 07:09:56
MSP430FR2676TPTR微控制器有何優點?MAX32660微控制器專為可穿戴電子設備定制了哪幾種低功耗模式?如何利用MSP430FR2676TPTR和MAX32660等微控制器來促進可穿戴式設計?
2021-07-28 08:16:58
4層MT7688主板高速PCB設計視頻教程AltiumDesigner19 2層MAX32660評估板全流程PCB實戰實戰視頻教程企業級Altium Designer標準封裝設計實戰視頻教程
2016-05-30 21:42:47
請問一下MAX32660的開發流程是怎樣的呢?
2022-01-18 06:16:42
如何對MAX2607評估板進行修改?怎樣去測試MAX2607評估板?
2021-04-20 06:38:24
MAX1258EVC16, MAX1258EVKIT MAX1057、MAX1058、MAX1257、MAX1258評估板/評估系統
2008-04-16 09:35:53
20 MAX1308EVB16, MAX1308EVKIT MAX1308評估板/評估系統
2008-04-16 09:45:54
39 MAX1535AEVKIT, MAX1535AEVSYS MAX1535A評估板/評估系統
2008-04-17 12:57:29
16 MAX19705–MAX19708評估系統(EV system)由MAX19705–MAX19708評估板(EV kit)、配套Maxim命令模塊(CMOD232或CMODUSB)接口板和軟件組成。定購完整的評估系統(參見定購信息),可利用個人計算機
2008-04-23 13:03:08
17 MAX3738評估板(EV kit)是經過安裝的評估板,用于評估MAX3738完整的光學和電氣特性。該評估版由兩部分獨立的PCB組成,包括光學和電氣評估部分。電氣評估部分的輸出接口采用SMP連接
2008-04-29 13:04:01
22 MAX3841直流耦合評估板(EV kit)簡化了12.5Gbps CML 2 x 2交叉點開關MAX3841的評估。該評估板可以測試MAX3841的全部功能。對于MAX3841的所有CML輸入和輸出端口,評估板提供50Ω阻抗受控的傳輸線S
2008-04-29 13:14:24
32 MAX4029EVKIT MAX4029評估板
2008-05-04 09:01:02
19 MAX5417L評估系統(EV system)由MAX5417L評估板(EV kit)和配套的命令模塊接口電路板(CMODUSB)組成。MAX5417L評估板是完全安裝并經過測試的PC電路板,用于評估50kΩ線性變化數字電位器MAX
2008-05-05 12:50:41
25 MAX5863EVKIT, MAX5864EVKIT, MAX5865EVKIT MAX5863、MAX5864、MAX5865評估板
2008-05-05 12:57:00
31 MAX5921AEVKIT MAX5920、MAX5921、MAX5939評估板
2008-05-05 13:00:05
25 MAX11508評估板
MAX11508評估板(EV KIT)是完全安裝并經過測試的表面貼裝電路板,包含一片MAX11508IC。
2010-04-09 15:22:37
7 MAX15031評估板
MAX15031評估板是用于演示提供APD偏壓的脈寬調制升壓型DC-DC轉換器MAX15031的性能,該器件內置功率開關,具有電流監測及可調節限流。
2010-04-09 15:42:07
49 MAX2120評估板
MAX2120評估板簡化了MAX2120直接變頻調諧器的測試與評估。評估板在工廠經過完全安裝與測試,評估板的輸入、輸出包含標準的50ΩSMA的BNC連接器允許在測試臺上
2010-04-12 16:36:35
14 MAX2828/MAX2829評估板MAX2828/MAX2829評估板簡化了對MAX2828/MAX2829器件的測試。評估板為所有RF和基帶輸入、輸出提供50ΩSMA連接器。具有差分至單端和單端至差分線驅動器,
2010-04-12 16:40:28
39 MAX9715評估板(EVkit)是經過完全安裝和測試的PC電路板,使用MAX9715無濾波、D類放大器驅動便攜式音頻裝置中的一對兒立體聲橋接負載(BTL)揚聲器。該評估板設計工作在5V直流電源,能夠
2010-07-13 21:37:22
7 MAX32561-EVK# 產品概述MAX32561-EVK# 是由美信科技(Maxim Integrated)推出的一款高性能評估板,專為 MAX32561 低功耗微控制器設計。該評估板旨在
2025-02-15 16:56:32
本文介紹了MAX13335E/MAX13336E主要優勢和特性,框圖和應用電路,以及評估板MAX13335E EVK主要特性,電路圖,材料清單和PCB設計圖。
2018-06-16 03:07:00
4629 
本文介紹了MAX32650主要優勢和特性,框圖,以及評估板MAX32650 EVK優勢和特性以及電路圖,材料清單。
2018-06-16 11:44:00
3100 
MAX32660和MAX32652基于低功耗Arm Cortex-M4,是可穿戴傳感器和電池供電應用的理想選擇
2018-04-23 17:46:00
963 本文介紹了MAX1240/MAX1241主要特性,框圖,以及評估板MAX1240 EVK主要特性,材料清單和PCB設計圖。
2018-06-16 23:37:00
9412 
本文介紹了MAX14483優勢和特性,功能框圖,多種應用電路,以及評估板MAX14483 EVK主要特性,電路圖,材料清單和PCB設計圖。
2018-06-16 15:30:00
6762 
在系列視頻的第2部分,介紹MAX32660評估板和軟件,軟件基于Eclipse開發環境。了解如何下載評估板支持工具軟件包、編譯和運行“Hello World”調試代碼,以及檢查常見功能、外設和端口的配置。
2018-10-11 10:06:00
5453 在擁有大量存儲器和外設的同時,仍然能夠在工作和休眠模式下節省功耗,且保持高成效。在下一段視頻“MAX32660簡介 —— 第2部分”中,將進一步介紹MAX32660評估板。
2018-10-08 01:46:00
8004 基于ARM芯片MAX32660全程軟硬件設計實戰眾籌
2018-11-09 10:17:13
117 本文介紹了MAX77640/MAX77641主要優勢和特性,詳細框圖和簡化應用電路,以及評估板MAX77640/MAX77641 EVK優勢和特性,框圖,電路圖,材料清單和PCB設計圖。
2019-04-05 07:55:00
6182 
本文介紹了MAX40056主要優勢和特性,框圖,應用電路,以及評估板MAX40056 EVK主要特性,電路圖,材料清單和PCB設計圖。
2019-04-05 11:25:00
6359 
、??2、選擇Package manager,直接默認下一步,選擇組件MAX32660,開始安裝。?????3、成功之后,打開Eclipse,選擇工作空間,Import導入MAX32660的所有
2019-03-09 21:52:57
767 
本文介紹了MAX28200優勢和主要特性,應用框圖和基本應用電路,以及評估板MAX28200 EVK主要特性,電路圖,材料清單和PCB裝配布局圖。
2019-04-05 16:05:00
1950 
MAX32660,開發環境我就選擇了我比較喜歡的Keil uVision5 環境,由于我一直用的都是Keil uVision4環境,一開始搭建這個環境的時候還遇到一些問題,好在管理員和美信半導體的技術支持都很給力,很快就都解決了。
2019-04-22 14:22:33
3504 MAX32660:以最小尺寸提供最強處理能力 對于需要為智能IoT應用設計更復雜算法的工程師來說,存儲容量、器件尺寸、功耗和處理能力至關重要。現在的方案呈現出兩個極端擁有優異的功耗指標,但處理和存儲
2020-03-26 14:05:38
1640 
MAX32660 的工作頻率最高可達 96 MHz,所有外設皆運行時功耗僅為 85 μA/MHz。為了盡量減少耗電量并縮小封裝尺寸,它有一個用于可穿戴設備的最小外設集,包括兩個 SPI、兩個 I2C 和兩個 UART。
2022-08-22 14:26:52
986 
電子發燒友網為你提供()MAX32660GTG+相關產品參數、數據手冊,更有MAX32660GTG+的引腳圖、接線圖、封裝手冊、中文資料、英文資料,MAX32660GTG+真值表,MAX32660GTG+管腳等資料,希望可以幫助到廣大的電子工程師們。
2022-11-16 18:35:31

電子發燒友網為你提供()MAX32660GWE+T相關產品參數、數據手冊,更有MAX32660GWE+T的引腳圖、接線圖、封裝手冊、中文資料、英文資料,MAX32660GWE+T真值表,MAX32660GWE+T管腳等資料,希望可以幫助到廣大的電子工程師們。
2022-11-16 18:38:28

電子發燒友網為你提供()MAX32660GTP+相關產品參數、數據手冊,更有MAX32660GTP+的引腳圖、接線圖、封裝手冊、中文資料、英文資料,MAX32660GTP+真值表,MAX32660GTP+管腳等資料,希望可以幫助到廣大的電子工程師們。
2022-11-16 18:38:53

電子發燒友網為你提供()MAX32660GWE+相關產品參數、數據手冊,更有MAX32660GWE+的引腳圖、接線圖、封裝手冊、中文資料、英文資料,MAX32660GWE+真值表,MAX32660GWE+管腳等資料,希望可以幫助到廣大的電子工程師們。
2022-11-16 19:21:00

電子發燒友網為你提供()MAX32660GTG+T相關產品參數、數據手冊,更有MAX32660GTG+T的引腳圖、接線圖、封裝手冊、中文資料、英文資料,MAX32660GTG+T真值表,MAX32660GTG+T管腳等資料,希望可以幫助到廣大的電子工程師們。
2022-11-16 19:32:55

電子發燒友網為你提供()MAX32660GTP+T相關產品參數、數據手冊,更有MAX32660GTP+T的引腳圖、接線圖、封裝手冊、中文資料、英文資料,MAX32660GTP+T真值表,MAX32660GTP+T管腳等資料,希望可以幫助到廣大的電子工程師們。
2022-11-16 19:33:18

雖然MAX32660在Maxim Integrated的MCU系列中具有最小的封裝和最少的GPIO,但這并不意味著它在任何方面都很弱。與其他具有豐富外設的MCU一樣,它具有96MHz的高時鐘速度
2023-01-30 16:43:20
2617 
電子發燒友網為你提供Maxim(Maxim)MAX32660-EVSYS#相關產品參數、數據手冊,更有MAX32660-EVSYS#的引腳圖、接線圖、封裝手冊、中文資料、英文資料,MAX32660-EVSYS#真值表,MAX32660-EVSYS#管腳等資料,希望可以幫助到廣大的電子工程師們。
2023-02-06 19:14:57

電子發燒友網為你提供Maxim(Maxim)MAX32590-EVK#相關產品參數、數據手冊,更有MAX32590-EVK#的引腳圖、接線圖、封裝手冊、中文資料、英文資料,MAX32590-EVK#真值表,MAX32590-EVK#管腳等資料,希望可以幫助到廣大的電子工程師們。
2023-02-06 19:25:38

電子發燒友網為你提供Maxim(Maxim)MAX32660-EVKIT#相關產品參數、數據手冊,更有MAX32660-EVKIT#的引腳圖、接線圖、封裝手冊、中文資料、英文資料,MAX32660-EVKIT#真值表,MAX32660-EVKIT#管腳等資料,希望可以幫助到廣大的電子工程師們。
2023-02-06 19:27:55

電子發燒友網為你提供Maxim(Maxim)MAX38908EVK#TDFN相關產品參數、數據手冊,更有MAX38908EVK#TDFN的引腳圖、接線圖、封裝手冊、中文資料、英文資料,MAX38908EVK#TDFN真值表,MAX38908EVK#TDFN管腳等資料,希望可以幫助到廣大的電子工程師們。
2023-02-06 19:54:37

MAX9217/MAX9218/MAX9247/MAX9248/MAX9250評估板(EV kit)供用戶評估串行器/解串器芯片組。評估板由兩部分組成:右半部分是單通道串行器(MAX9217或MAX9247),左半部分是單通道解串器(MAX9218、MAX9248或MAX9250)。
2023-06-16 14:44:19
3766 
電子發燒友網為你提供ADI(ADI)MAX38912EVK-TDFN: Evaluation Kit for the MAX38912 Data Sheet相關產品參數、數據手冊,更有
2023-10-16 18:43:32

電子發燒友網為你提供ADI(ADI)MAX17291EVK-TDFN: Evaluation Kit for the MAX17291 in TDFN Package Data Sheet相關產品
2023-10-17 19:28:11

在DARWIN系列中,MAX32660是一款超低功耗、成本高效、高集成度32位微控制器,專為電池供電的設備和無線傳感器而設計。它將靈活的多功能電源管理單元與功能強大、搭載浮點單元(FPU)的Arm
2025-05-08 16:46:00
816 
評論