隨著混合信號技術的發展,可以利用基于噪聲門限和手指門限的反跳法,實現按鍵開關狀態之間的干凈利落的轉換,從而使得電容式觸摸傳感器成為各種消費電子產品中機械式開關
2012-05-07 11:14:17
7401 
在傳統的用戶界面(UI)設計中使用的是可靠性差且笨重沒吸引力的機械按鍵。基于這些以及其他原因,電容式感應按鍵逐步開始替代機械按鍵。電容式感應按鍵可以完全融入產品設計之中,而且永遠不會磨損。因此,基于電容式觸摸感應技術的用戶界面成為了目前用戶界面的設計趨勢。
2018-09-19 07:36:00
5065 
電阻式和電容式觸摸方法都可以用于開發觸摸傳感器,在本文中,我們將討論使用 ESP32 制作電容式觸摸傳感器的粗略方法,之前我們還使用 Raspberry pi 構建了電容式觸摸按鈕。
2022-08-08 16:30:37
9593 
電容式觸摸界面正在逐步取代消費、汽車、工業與醫療應用中的機械開關、旋鈕與調諧鈕。電容式觸摸傳感器由于其美觀、更高可靠性和更低生產/加工成本而大受歡迎。
2014-09-03 10:01:48
1778 正常工作。也就是說按鍵既不能寄存假觸摸,也不能在有液體的情況下停止對觸摸的響應。因此在大量應用中,防水性是電容感應按鍵的一項重要要求。其次,對用戶來說按鍵觸摸最直觀的反饋是音頻反饋。因此,音頻反饋功能是另一項重要要求。
2018-09-19 08:38:00
3815 本文將探討電容式,電阻式,紅外觸摸和表面聲波(SAW)觸摸傳感器。每種觸摸傳感器技術以不同方式檢測觸摸,并且一些可以在沒有直接接觸或沒有觸摸的情況下檢測手勢。
2019-03-04 07:29:00
14341 
電容式觸摸傳感器模塊基于專用TTP223觸摸傳感器IC。該模塊提供了一個11 x 10.5mm的集成觸摸感應區域,傳感器范圍約為5mm。
2020-12-25 17:12:09
5937 在HMI 應用中實現高精度電容式觸摸傳感器
2025-03-17 16:46:22
1868 
近年來,隨著觸摸屏技術特別是電容式觸摸屏技術的發展,觸摸傳感器開關為設計人員提供的有力的另一選擇。設計人員在白家電等眾多應用中使用安森美半導體的觸摸傳感器開關,不僅提供比機械式開關更靈活的設計和更直觀的用戶接口,還更為耐用
2013-08-09 10:19:25
12747 RL78/G23采用瑞薩獨有的電容式觸摸傳感器單元,結合卓越的高靈敏度和低噪聲特性,可用于實現基于手勢的非接觸式用戶界面(UI)。
2021-04-13 14:43:26
2616 電容式傳感器有哪些分類?如何工作?電容式觸摸傳感器的提升應用設計
2021-04-22 06:07:20
隨著混合信號技術的發展,可以利用基于噪聲門限和手指門限的反跳法,實現按鍵開關狀態之間的干凈利落的轉換,從而使得電容式觸摸傳感器成為各種消費電子產品中機械式開關的一種實用、增值型替代方案,另外
2018-11-14 14:56:06
,以確保觸摸傳感器在苛刻的應用環境中(易受到預期的沖擊、震動和高溫)持續的可靠性。基于增強電容式觸摸傳感器性能的開發目標,安森美半導體推出了高度集成的電容-數字轉換器IC。LC717A30UJ由于集成
2018-10-23 09:06:09
應用領域還是觸摸開關,觸摸開關已越來越多地出現在消費電子產品中。 因為混合信號IC工藝得到廣泛的采用,這種技術允許芯片設計師優化芯片的模擬和數字子系統,以構建具有前所未有的靈敏度和耐用性的電容式傳感器
2018-10-26 16:28:43
觸摸感應器已經在業界廣泛使用很多年,但直到近期,隨著混合信號可編程設備的發展,電容式觸摸傳感器才在廣泛的消費類電子產品中成為傳統機械式開關的替代品。
2019-09-25 06:11:07
多通道電容式觸摸傳感器和 LED 驅動器
2023-03-28 18:15:22
MPR03X是I2C接口的智能電容式觸摸傳感器控制器,非常適合于兩電極(有中斷功能)或三電極(中斷功能禁用)的應用。由于提高了靈敏度且擁有諸多特性,MPR03X可以適應各種場合的應用。 
2009-12-23 01:05:33
1-CH差動靈敏度校準電容式觸摸傳感器 SOT26
2023-03-29 21:29:45
大家好,在家里我有四個帶有 tasmota 固件的 sonoff,我用它來控制四個不同的光點。
我在 aliexpress 上買了一個 TTP229 電容式觸摸傳感器模塊,我想將它與 ESP8266
2023-05-19 11:48:48
八通道電容式觸摸按鍵芯片TW308,非常好用,性價比極高,免費樣品申請聯系QQ:32479258421 概述1.1 總體特征? 帶有自校準八通道電容式觸摸傳感器? 可選擇的輸出操作(單個或者多個并行
2019-07-05 04:00:49
功能,但我認為CopSnkes傳感器部分必須用專用PCB來完成。你能幫助我嗎? 以上來自于百度翻譯 以下為原文[/td][td]I'm using this demo board because I
2018-09-30 14:54:53
電容數字轉換器設計說明LSI用于基于LC717A00AJ的靜電電容式觸摸傳感器。 LC717A系列專為客戶設計,可以輕松使用并快速引入其應用。用于確定ON和OFF切換的所有必要功能都內置在一個芯片中。客戶無需創建任何軟件來確定切換
2020-06-03 07:36:18
電容數字轉換器設計說明LSI用于基于LC717A00AR的靜電電容式觸摸傳感器。 LC717A系列專為客戶設計,可以輕松使用并快速引入其應用。用于確定ON和OFF切換的所有必要功能都內置在一個芯片中。客戶無需創建任何軟件來確定切換
2020-06-03 16:52:03
電容數字轉換器設計說明LSI用于基于LC717A10AR的靜電電容式觸摸傳感器。 LC717A系列專為客戶設計,可以輕松使用并快速引入其應用。用于確定ON和OFF切換的所有必要功能都內置在一個芯片中。客戶無需創建任何軟件來確定切換
2020-06-03 08:56:33
安森美半導體寬廣的產品陣容,如電容式觸摸傳感器系列可用于多種應用及終端產品。此視頻將為您顯示采用高度集成的電容式數字轉換器LC717A30UJ做的電容式觸摸傳感器演示。LC717A30UJ能檢測液體
2018-10-11 14:29:41
觸摸傳感器已經被廣泛使用很多年了。但近期混合信號可編程器件的發展,讓電容式觸摸傳感器已成為各種消費電子產品中機械式開關的一種實用、增值型替代方案。那么該如何實現電容式觸摸傳感器的設計呢?
2021-04-07 06:33:27
電容式觸摸傳感器設計技巧有哪些?
2021-04-22 06:18:24
或不同于傳感器電極環境介電性能的任何事物。隨著人機界面設計更多地采用觸摸面板來可靠地響應命令,近接電容式傳感器變得越來越普及。現在在大量不同的控制面板應用中,飛思卡爾的先進的MPR083和MPR084
2018-11-13 11:09:23
TS04 可以提供包括原廠在內的技術支持。 TS04是帶自動功能的4通道電容式傳感器靈敏度校準。以及電源電壓范圍為2.5至5.5V。觸摸感應的結果可以通過檢查并行輸出端口
2024-02-28 17:10:43
TS08N 可以提供包括原廠在內的技術支持。 TS08N是8通道電容式傳感器,具有自動靈敏度校準。它檢測CS端口的電容變化將結果輸出到排水口打開的輸出端口NMOS結構。 
2024-03-20 15:08:58
電容式觸摸傳感器的應用設計
好像在突然之間,電容式傳感器就無處不在了。它被安裝在汽車座位里以控制氣囊配置和安全帶預緊裝置,在洗碗機和干燥
2008-01-28 16:47:09
1352 本文為基于 MSP430 的 RC類型的電容式單觸摸傳感器設計方案。MSP430具有一些獨特的性質。MSP430的特性使得它適合作為電容式觸摸傳感器的接口。RC型設計方案不需要特別的外圍設備,能夠
2011-06-28 17:38:12
74 2014-06-11 18:47:45
5 為了幫助開發項目,Cypress半導體的PSoC CapSense 4000s原型套件提供了完整的硬件和軟件需要評估電容式觸摸傳感和范圍廣泛的產品,它的執行速度。
2017-05-06 11:19:21
20 電容式觸控技術廣泛應用于從智能手機到冰箱和汽車的電子產品。在許多應用中,電容式觸摸傳感器提供輸入到一個專用的控制器芯片。MCU直接參與當控制器集成為一個外圍單片機上死去。
2017-05-26 10:04:52
5 電容式觸摸傳感器工作在嘈雜的,具有挑戰性的環境。小心注意的硬件和軟件設計技術可顯著提高設計可靠性。
2017-08-16 14:30:16
10 Freescale Semiconductor‘sMPR03X are Inter-Integrated Circuit Communication (I2C)driven capacitive touch sensor controllers,optimized to manage two electrodes with interrupt functionality or three electrodes with the interrupt disabled. These controll
2017-09-11 16:57:07
2 The CAP1126, which incorporates RightTouch? technology, is a multiple channel Capacitive Touch sensor with multiple power LED drivers. It contains six (6) individual capacitive touch sensor inputs with programmable sensitivity for use in touch sensor applications.
2017-09-28 11:50:50
2 The CAP1128, which incorporates RightTouch? technology, is a multiple channel Capacitive Touch sensor with multiple power LED drivers. It contains eight (8) individual capacitive touch sensor inputs with programmable sensitivity for use in touch sensor applications.
2017-09-28 11:57:19
4 The CAP1133, which incorporates RightTouch? technology, is a multiple channel Capacitive Touch sensor with multiple power LED drivers. It contains three (3) individual capacitive touch sensor inputs with programmable sensitivity for use in touch sensor applications.
2017-09-28 12:43:31
8 The CAP1166, which incorporates RightTouch? technology, is a multiple channel Capacitive Touch sensor with multiple power LED drivers.
2017-09-28 12:46:23
20 The CAP1188, which incorporates RightTouch? technology, is a multiple channel Capacitive Touch sensor with multiple power LED drivers.
2017-09-28 12:51:34
24 The CAP1203 is a multiple channel capacitive touch sensor controller. It contains individual capacitive touch sensor inputs with programmable sensitivity for use in touch sensor applications.
2017-09-28 12:53:31
9 The CAP1206 is a multiple channel capacitive touch sensor controller. It contains six (6) individual capacitive touch sensor inputs with programmable sensitivity for use in touch sensor applications.
2017-09-28 12:55:56
14 The CAP1208 is a multiple channel capacitive touch sensor controller. It contains eight (8) individual capacitive touch sensor inputs with programmable sensitivity for use in touch sensor applications.
2017-09-28 13:01:00
14 The CAP1298 is a multiple channel capacitive touch sensor controller. It contains eight (8) individual capacitive touch sensor inputs with programmable sensitivity for use in touch sensor applications.
2017-09-28 13:20:56
27 The AD7142 and AD7142-1 are integrated capacitance-todigital converters (CDCs) with on-chip environmental calibration for use in systems requiring a novel user input method.
2017-09-29 14:45:00
9 The AD7143 is an integrated capacitance-to-digital converter (CDC) with on-chip environmental calibration for use in systems requiring a novel user input method.
2017-09-29 14:46:49
13 TS08N_datasheet
2017-10-23 15:15:36
29 如您預想的一樣,指定觸摸方案用于汽車中與用于便攜式電子產品(如智能手機)或家電有很大的不同。需要解決的一大差異是電磁噪聲的存在。這在汽車設置中基本是不可避免的,噪聲源于如車中使用的電機、電纜線束、交流發電機線圈和其它動力輔助單元和設備。
2018-07-11 07:40:00
2564 此應用報告討論采用MSP430 微處理器來設計RC 型電容單觸式傳感器。MSP430具有一些獨特的特性,非常適合與電容式觸摸傳感器相連接。RC 型方法無需專用外設,且可通過MSP430產品系列中的所有器件實施。
2018-05-09 14:54:33
9 我們將為您介紹安森美半導體創新的電容式觸摸傳感器方案。我們的技術提供高靈敏度,因而即使用戶戴著多層手套或在接口處有氣隙時也能操作觸摸傳感器。它還支持自動校準,能補償濕度變化及傳感器區域的污垢,因而通過我們的方案提供極佳的用戶體驗。
2018-06-06 02:45:00
3127 
CAP1188是采用RightTouch?技術且帶有多個功率型LED
驅動器的多通道電容式觸摸傳感器。它包含 8 個獨立的
靈敏度可編程的電容式觸摸傳感器輸入,適用于各種觸
摸傳感器應用。每個傳感器輸入均可自動重新校準以補
償微小的環境變化。
2018-07-02 10:23:00
4 對于電容式傳感器設計方案而言,布局非常重要,因為傳感器很容易受外部噪聲影響。每個布局都必須針對特定應用創建,因此布局輔助工作通常著眼于提供建議。所以,一般很難一開始就給出理想的設計。
2018-09-19 08:24:00
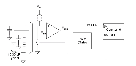
6516 RBIAS連接到電阻器以決定振蕩器和內部偏置電流。因此,可以利用RB來調整檢測頻率、內部時鐘頻率和電流消耗。在RBIAS上的電壓紋波會產生嚴重的內部誤差,因此建議將CB連接到VDD(不是GND)。(CB的典型值為820PF,最大值為1NF)。
2018-10-08 08:00:00
55 RBIAS連接到電阻器以決定振蕩器和內部偏置電流。因此,可以利用RB來調整檢測頻率、內部時鐘頻率和電流消耗。在RBIAS上的電壓紋波會產生嚴重的內部誤差,因此建議將CB連接到VDD(不是GND)。(CB的典型值為820PF,最大值為1NF)。
2018-10-09 08:00:00
8 可能的感測通道的數目是20。每個通道具有2個靈敏度模式,每個模式具有16個階躍靈敏度。所有敏感度均由TCR(TS20控制寄存器)通過I2C接口設定。并聯電容CS1被添加到CS1和CS20到CS20以
2018-10-09 08:00:00
34 RYBIAS連接到電阻器以決定振蕩器和內部偏置電流。因此,可以利用RB來調整檢測頻率、內部時鐘頻率和電流消耗。在RYBIAS上的電壓紋波會產生嚴重的內部誤差,因此建議連接到VDD(不是GND)的CB。(CB的典型值為820PF,最大值為1NF)。
2018-10-08 08:00:00
21 本文檔的主要內容詳細介紹的是GrutouCH3TM 智能校準電容式觸摸傳感器系列芯片概述。
2018-10-08 08:00:00
5 RYBIAS連接到電阻器以決定振蕩器和內部偏置電流。因此,可以用RBBBB調節檢測頻率、內部時鐘頻率和電流消耗。在RYBIAS上的電壓紋波會產生嚴重的內部誤差,因此CBBBB連接到VDD(不是GND)。(CBBBB的典型值為820pF,最大值為1nF)。
2018-10-08 08:00:00
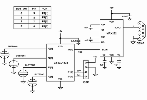
25 關鍵詞:電容式觸摸傳感器 , 原型電路板 , MBR器件 , 量產 在本系列文章的第3部分,我們介紹了家用電器和安全系統鍵盤的設計應用實例,并講解了如何配置MBR器件以實現這類應用產品所需的功能。在
2018-10-17 22:22:01
550 關鍵詞:電容式觸摸傳感器 , 安全系統鍵盤 , 配置MBR器件 , 應用編程接口(API) , GUI 我們在第2部分介紹了采用電容式感應按鍵替換機械按鍵時所需的布局情況,以及智能手機應用實例。在第
2018-10-17 22:25:02
603 關鍵詞:電容式觸摸傳感器 , PCB , 手機觸摸按鍵 , I2C協議 在本系列文章的第1部分中,我們不僅探討了機械按鍵用戶界面與電容式觸摸傳感器用戶界面的差異,而且還討論了步驟1(設備的外觀與質感
2018-10-17 22:27:02
623 關鍵詞:電容式觸摸傳感器 , MBR器件 , 按鍵 , 感應電路 按鍵被廣泛應用于消費類產品、家用電器以及工業系統等各種終端產品。現今深諳技術的消費者希望得到具有時尚可靠用戶界面的產品。他們希望
2018-10-17 22:32:01
1047 電子發燒友網為你提供ADI(ti)AD7143相關產品參數、數據手冊,更有AD7143的引腳圖、接線圖、封裝手冊、中文資料、英文資料,AD7143真值表,AD7143管腳等資料,希望可以幫助到廣大的電子工程師們。
2019-02-22 12:39:34

電子發燒友網為你提供ADI(ti)AD7142相關產品參數、數據手冊,更有AD7142的引腳圖、接線圖、封裝手冊、中文資料、英文資料,AD7142真值表,AD7142管腳等資料,希望可以幫助到廣大的電子工程師們。
2019-02-22 12:39:34

電子發燒友網為你提供()LC717A10PJ相關產品參數、數據手冊,更有LC717A10PJ的引腳圖、接線圖、封裝手冊、中文資料、英文資料,LC717A10PJ真值表,LC717A10PJ管腳等資料,希望可以幫助到廣大的電子工程師們。
2019-04-18 20:26:09

電子發燒友網為你提供()LC717A30UJ相關產品參數、數據手冊,更有LC717A30UJ的引腳圖、接線圖、封裝手冊、中文資料、英文資料,LC717A30UJ真值表,LC717A30UJ管腳等資料,希望可以幫助到廣大的電子工程師們。
2019-04-18 20:26:09

電子發燒友網為你提供()LC717A10AR相關產品參數、數據手冊,更有LC717A10AR的引腳圖、接線圖、封裝手冊、中文資料、英文資料,LC717A10AR真值表,LC717A10AR管腳等資料,希望可以幫助到廣大的電子工程師們。
2019-04-18 20:26:09

電子發燒友網為你提供()LC717A00AR相關產品參數、數據手冊,更有LC717A00AR的引腳圖、接線圖、封裝手冊、中文資料、英文資料,LC717A00AR真值表,LC717A00AR管腳等資料,希望可以幫助到廣大的電子工程師們。
2019-04-18 20:26:09

電子發燒友網為你提供()LC717A10AJ相關產品參數、數據手冊,更有LC717A10AJ的引腳圖、接線圖、封裝手冊、中文資料、英文資料,LC717A10AJ真值表,LC717A10AJ管腳等資料,希望可以幫助到廣大的電子工程師們。
2019-04-18 20:26:09

電子發燒友網為你提供()LC717A00AJ相關產品參數、數據手冊,更有LC717A00AJ的引腳圖、接線圖、封裝手冊、中文資料、英文資料,LC717A00AJ真值表,LC717A00AJ管腳等資料,希望可以幫助到廣大的電子工程師們。
2019-04-18 20:26:09

在電子產品中,電容式觸摸傳感已經徹底改變了傳統的機械數字鍵盤工業和商業應用。需要個人識別碼(PIN)的安全訪問控制器已從機械鍵盤轉換為電容式觸摸傳感器。這同樣適用于開放式停車場,其中較新版本配備了電容式觸摸感應鍵盤,因為它們不易受到室外環境的破壞和降級。
2019-07-23 11:17:52
4536 實現簡單而靈活:優化 ROM中的觸摸感應控制軟件庫,為客戶定制解決方案留出更多的閃存和 CPU資源
。
2019-09-25 10:59:22
1670 
實現簡單而靈活:優化 ROM中的觸摸感應控制軟件庫,為客戶定制解決方案留出更多的閃存和 CPU資源
2019-09-25 14:55:37
3126 
電容觸摸技術廣泛應用于從智能手機到冰箱和汽車的電子產品中。在許多應用中,電容式觸摸傳感器向專用控制器芯片提供輸入。MCU直接參與當控制器集成為一個外圍單片機上死去。
2019-10-27 12:31:00
3013 
電子發燒友網為你提供電容式觸摸傳感器如何應用于被動門禁系統資料下載的電子資料下載,更有其他相關的電路圖、源代碼、課件教程、中文資料、英文資料、參考設計、用戶指南、解決方案等資料,希望可以幫助到廣大的電子工程師們。
2021-04-02 08:52:34
18 AD7143:電容式觸摸傳感器可編程控制器數據表
2021-05-17 09:35:30
3 AD7142:電容式觸摸傳感器可編程控制器數據表
2021-05-24 14:33:17
6 TSM12通道自動靈敏度校準電容式觸摸傳感器
2021-10-08 16:46:43
31 RX 系列包括一個用于初始評估的目標板。這是一個便宜的評估板,所有信號引腳都可用于早期部署考慮。此外,該板還配備了仿真器電路。以前的目標板不支持觸摸操作,但可以使用帶有電容式觸摸設計模式的 RX140 目標板進行初始觸摸評估。強烈建議使用 RX140 目標板來驗證觸摸操作。
2022-04-26 10:19:12
2173 
觸摸和接近控制不同,可以配置所有16個電容式觸摸傳感器。每個UI元素都有一條幫助消息,以幫助用戶更好地理解每個控件的目的。
2022-05-07 17:21:36
1381 電子發燒友網站提供《使用CPX上的電容式觸摸傳感器來感應是否有人被觸摸.zip》資料免費下載
2022-11-30 14:16:04
1 GTX312L是韓國GreenChip推出的一款具有智能靈敏度校準功能的12通道電容式觸摸傳感器芯片,采用I2C通信協議,對各種噪音和環境的變化可靠性有保障,低功率發動機可以增加產品的使用時間,內部控制寄存器可以使用I2C讀寫接口。
2023-02-14 09:23:44
887 現在,觸摸傳感器已成為大多數可穿戴設備和物聯網產品的標準配置。它們被用于從智能家居和家用電器到安全和工業解決方案的各種顯示應用。觸摸傳感器有兩種常見類型:電容式觸摸傳感器和電阻式觸摸傳感器。在本文中,我們將介紹它們的工作方式。
2023-07-10 10:02:18
9393 
該電容式觸摸傳感器開關采用555定時器電路和一些常見的電子元件設計。
2023-10-06 11:05:00
1545 
Q A 問: Schurter CPS 系列帶 LED 開關 Schurter CPS 系列 開關是電容式觸摸傳感器,可用作瞬時按鈕(NO 或 NC)或帶有多色LED的閉鎖開關(LA)。在這些開關里
2023-09-20 20:10:11
1601 
數字電容式觸摸傳感器,簡稱電容式觸摸傳感器,是一種通過檢測物體(如手指)與傳感器表面之間電容變化來實現觸摸檢測的傳感器。它利用人體或其他導電物體接近或接觸傳感器表面時,引起傳感器內部電場分布的變化,進而產生電容量的變化,通過測量這一變化量并將其轉換為數字信號,實現對觸摸的識別和響應。
2024-07-05 17:47:01
3701 
電子發燒友網站提供《使用OpenSCAD腳本自動化電容式觸摸傳感器PCB設計.pdf》資料免費下載
2024-09-14 10:39:33
0 隨著人機接口(HMI)技術的進步,對于電容式觸摸傳感器的需求正在日益增長,這類傳感器能夠改善設計且易于操作,可賦予產品更多價值。電容式觸摸傳感器在過去主要用于高端家電,如今則應用在各種家電、工業設備
2024-11-09 17:01:43
1431 隨著人機接口(HMI)技術的進步,對于電容式觸摸傳感器的需求正在日益增長,這類傳感器能夠改善設計且易于操作,可賦予產品更多價值。電容式觸摸傳感器在過去主要用于高端家電,如今則應用在各種家電、工業設備
2025-03-17 14:48:37
1447 
本文介紹了ESP32芯片內置的電容式觸摸傳感器能夠探測由手指或其他物品直接接觸或接近而產生的電容差異。利用此原理原理。把讀取到的觸摸值和一個設定閾值比較,可以實現更多的功能,比如觸摸燈,觸摸門禁等。
2025-07-23 19:56:23
1078 
電容式觸摸芯片 - GTX314L是具有多通道觸發傳感器的14通道電容式觸摸傳感器,工作電壓1.8V~5.5V,內置低功耗引擎+數字濾波+智能補償,無需外置運放,靈敏度0.1pF,18μA級待機電流。
2025-12-16 09:46:32
134 
評論