`開發新的超聲波點焊機電路板方案,有沒有高人指點一下。`
2020-04-01 00:02:41
點焊機器人工作原理是什么?常見的應用有哪些?市場中的點焊機器人采用示教再現的工作原理,廣泛應用在汽車制造領域、不銹鋼管道、板材、船舶制造等領域。
2023-02-02 10:29:30
1072 
點焊機器人是用于焊接作業的自動化機械設備,如果保養方式、使用方式以及產品自身質量較好,都可以提高點焊機器人的使用時間。
2022-12-01 18:13:35
487 
電子發燒友網站提供《DIY大電流點焊機.zip》資料免費下載
2022-07-28 11:33:03
16 來講解一下。 精密工件的制作過程當中,精密器件的焊接,一般選用的是中頻直流點焊機。儲能點焊機有時候可能不能達到最理想的狀態,另外由于對焊接的工藝要求比較高,要求焊接效果具有一致性的要求,它有更加好的美觀性。
2022-06-01 18:17:22
2207 
利于保證使用安全。因此,經常進行維護和保養十分重要。那就讓斯特科技為您介紹一下怎樣做好點焊機日常保養與維護工作吧。 1、點焊機要定期清理塵土以保持機體清潔(注意在使用氣槍除塵時,氣壓不要太大,以免將電路板上的其它部
2022-05-10 16:33:27
1376 為了應對點焊機焊接范疇的日益提高的高功率、高標準需求,給點焊機多點焊接技術的發展帶來了寬廣的發展空間。 斯特科技多頭式電阻龍門點焊機在多點焊接范疇的價值十分明顯,不管從作業的精確度還是作業的功率
2022-04-26 18:00:25
174 龍門架直流點焊機功能特點: 中頻逆變直流電阻焊控制電源是由單相或三相交流電經整流電路成為脈動直流電,在經由功率開關器件組成的逆變電路變成中頻方波接入變壓器,降壓后整流成脈動較小的直流電供給電極對工件
2022-04-18 18:20:50
465 很多優點,比如:體積小、焊接時間短、加熱集中等。 焊接效果好,精密點焊機時間調節分辨率更加精準且控制精度高。服務質量高的精密點焊機反饋控制的響應速度明顯加快,輸出穩定性好。精密點焊機輸出電流為脈動直流,在回
2022-04-13 11:45:20
541 點焊機器人有什么工作原理?常見的應用有哪些?點焊機器人是用于點焊作業的機械設備,市場中的點焊機器人采用示教再現的工作原理,點焊機器人應用廣泛,其中汽車制造領域、不銹鋼管道、板材、船舶制造等領域中經常出現點焊機器人的身影。
2022-04-06 16:50:54
3699 點焊機在應用上較為廣泛,特別是隨著焊接技術的發展,針對各行業特點的產品層出不窮,比如汽車電子點焊機、微型電機換向器點焊機、銀觸點焊接機等。作為有需求的企業來說選擇范圍大了,但是選擇難度也大了。那么
2022-02-14 18:11:51
1977 微型交流點焊機
2022-02-10 09:26:42
33 簡易點焊機1電路圖下載
2022-02-09 13:54:04
53 深圳斯特科技汽車配件馬達點焊機適用于: 汽車車窗馬達焊接,汽車發動馬達焊接,汽車雨刮馬達焊接,汽車搖窗電機焊接,雨刮電機焊機,汽車車燈電機焊機,汽車玻璃升降器焊接。 一、汽車配件馬達點焊機特點 1.
2022-01-19 14:40:34
483 精密焊接點焊機是汽車零件、螺母以及熱成型鋼等物品焊接必不可缺的重要設備,它具有節能焊接、低功耗焊勢以及高效率焊接等優勢。這也促使越來越多網友開始深入挖掘精密點焊機的規格,現在就中頻逆變點焊機
2022-01-12 17:58:55
436 漆包線點焊機原理比較: 深圳斯特漆包線點焊機原理: 點焊機配備中頻逆變直流焊接電源,精密加壓頭和專用焊接頭(耐高溫、高電阻材料)。焊接頭的正極和負極壓下漆包線時,大電流在短時間內流過焊頭,焊頭瞬間
2022-01-10 18:05:46
695 (1)點焊機焊接材料具有良好的導電性,應增加間距。例如,焊接鋁合金點焊時,點間距比焊接不銹鋼點焊大約30%。 (2)在中頻點焊機點焊前清潔零件表面。 (3)對于密集分布焊點的焊件,應適當選擇點焊順序
2021-12-29 14:19:29
1241 安全的運用自動點焊機是咱們每個在運用點焊機的工人或許平常人所有必要知道的熟記住,那么究竟如何的運用自動點焊機才是準確的,它的安全作業規程究竟是什么那?在焊接前咱們究竟要有如何的預備才干保證咱們在作業
2021-12-24 17:43:16
311 工件的制作過程當中,精密器件的焊接,一般選用的是中頻直流點焊機,儲能點焊機有時候可能不能達到最理想的狀態,另外對焊接的工藝要求比較高,要求焊接效果具有一致的性要求,它有更加好的美觀性。 對于焊接的師傅們來說,都
2021-12-22 13:48:43
223 中頻點焊機控制器最初的阻焊控制器是由電子管進行控制的,幾十年后變成了晶體管,但有的還是笨重不方便,隨著科學技術的進步。近十年出現了微機控制器,即以CPU為中心的控制器。電阻點焊機控制器就是對焊接
2021-12-13 17:31:08
227 隨著 精密點焊機 越來越廣泛被使用,那么到底哪些行業更適合選用精密 點焊機 呢? 1、電子電器元件行業 精密點焊機在電子電器元件行業有著大量的應用。比如各類開關上的銀觸點、軟導線與軟導線之間、銅線
2021-12-10 18:18:19
664 深圳斯特科技的精密點焊機具有10組焊接參數進行切換功能,同時具有焊接電流監測功能,可以對焊接品質進行實行制,以保證焊接質量。精密點焊機是針對高品質焊接要求的行業而開發的焊接設備。 精密點焊機的在焊接
2021-12-02 18:34:02
1710 專為LED焊接開發有逆變直流電源、點焊機(焊接機)應用廣泛,得到了眾多企業的高度評價,取代了傳統的焊接工藝,焊接質量,無虛焊、假焊等現象,焊接熱量集中,對焊點周邊材料無影響。 LED燈絲燈點焊機在
2021-12-02 10:44:25
275 我們在使用電池點焊機在焊接過程中,有時會產生飛濺可能會影響到焊點的強度,對正在作業的工人產生影響,那么如何才能很好的控制飛濺? 首先我們需要加強點焊機的清理,每次在使用前后都對點焊機工作臺和焊接
2021-11-29 18:01:21
659 供應鐵線工藝品鐵線網片空壓式點焊機五金板材焊接點焊機點焊是一種形成結合的金屬連接,在焊接時焊件通過焊接電流局部發熱,并在焊件的接觸加熱處施加壓力,形成一個焊點。點焊目前被廣泛的應用于各個工件部門
2021-11-29 14:28:32
177 
廠家供應交流氣動點焊機高頻金屬點焊機鐵絲點凸焊接設備定制DN-75\DN-100型氣動加壓點焊機,是用電極壓緊焊件,直接通過電流加熱的方法進行點焊,焊工把焊件放在上下電極之間,踏下腳踏開關,控制器
2021-11-29 11:09:46
176 
電阻焊機廠家氣動式點焊機DN125鐵板和鐵板重合搭接焊接設備點焊機概述點焊機系采用雙面雙點過流焊接的原理,工作時兩個電極加壓工件使兩層金屬在兩電極的壓力下形成一定的接觸電阻,而焊接電流從一電極流經
2021-11-29 10:40:24
524 
交流點焊機氣動式點凸焊機汽車零部件點焊機點焊機工作過程(1)預壓階段——電極下降到電流接通階段,確保電極壓力壓緊工件,使工件間有適當壓力。(2)焊接時間——焊接電流通過工件,產熱形成熔核。(3)維持
2021-11-26 18:06:15
334 
氣動加壓點焊機網片焊接點焊機生產廠家點焊機工作過程(1)預壓階段——電極下降到電流接通階段,確保電極壓力壓緊工件,使工件間有適當壓力。(2)焊接時間——焊接電流通過工件,產熱形成熔核。(3)維持時間
2021-11-26 17:46:17
231 
配備相應的消防設備,如消防器、斧頭、消防通道等。 焊接現場不得有油罐、木材、氧氣瓶等可以誘發火災或者發生爆炸的設備。 使用點焊機之前應該檢查電路是否連通正確,電壓和電流是不是符合點焊機的銘牌規定 5、檢查點焊機零
2021-11-25 14:26:39
412 廠家供應加長焊接臂點焊機 金屬點焊機 不銹鋼點焊機點焊是一種形成結合的金屬連接,在焊接時焊件通過焊接電流局部發熱,并在焊件的接觸加熱處施加壓力,形成一個焊點。點焊目前被廣泛的應用于各個工件部門
2021-11-23 16:46:42
靠的焊接質量呢? 第1.系統設計的合理 精密的點焊機是利用先進技術研發出來的焊接設備,在研發的時候就根據控制系統方案的分析和選擇設計了合理可靠軟件系統,以及高質量的電源電路、交流零點信號采集處理電路、晶閘管觸發電路設
2021-11-16 18:04:56
437 點焊機普通材料中紫銅(純銅)只能勉強使用,黃銅、鋁質的沒法使用,經常使用的話還是買專用的焊極,點焊不銹鋼可以選用鉻鋯銅,點焊鎳片整機設計新穎,美觀大方焊機機身為開式單立柱全焊接結構,由機架、立柱
2021-11-12 18:05:00
822 交流和逆變直流對精密點焊機焊接質量的影響有哪些? 一、交流點焊機 精密點焊機的工頻交流點焊機有著很低的功率因數,其焊接電流是與正弦波類似的交流電,但是在焊接過程中,過零現象時常出現。在交流點焊機的實際應用過程
2021-11-09 17:58:19
827 據調查數據表明近些年精密點焊機的銷售量日益高漲,其穩定的焊接質量以及高熱效率反應已在多個行業引起共鳴。因此眾多行業都在致力于訂購優質耐用的精密點焊機,現在就精密點焊機更適宜應用于哪些行業作簡要闡述
2021-11-04 18:06:20
412 精密焊接點焊機采用高性能的熱電偶精制而成,它具有自動凈化焊接點以及高速完成焊接作業的作用。而精密點焊機?的規格更是擁有不同的形式,每一種規格都可以帶來驚人的點焊效果,現在就精密焊接點焊機點焊工作強度
2021-11-03 16:29:24
515 1-交流點焊機,利用單相220V通過可控硅控制導通角,再通過變壓器獲得低壓大電流脈沖電流實行點焊。 優點:結構簡單,操作控制簡易,價格親民; 缺點:由于網壓波動,控制方式多為開環控制,頻率低單個脈沖
2021-10-26 18:13:38
3410 電流反饋脈寬調制,獲得穩定的恒電流輸出。中頻逆變點焊機性能優越,適合于高導熱金屬薄件以及精細工件的焊接。 中頻逆變直流點焊機有哪些優勢? 1、首先形成穩定熔核的電流范圍廣。 因輸出直流焊接電流,熱效率高。因為直流沒
2021-09-26 09:19:39
730 點焊機按電流來分類的話可以分為直流和交流。直流點焊機和交流點焊機的分辨很多人都不知道,想知道如何來分辨嗎,深圳斯特科技教你從四個方面來分辨。
2021-09-15 10:14:22
1871 在實際的焊接設備采購過程中,仍然有一些用戶對點焊機使用工藝及范圍仍然存在疑問。下面我們來看下焊接領域廠家及個人選購點焊機時的注意事項。
2021-09-15 10:12:15
481 全自動點焊機的結構方法許多,如充壓辦法有氣動式直壓??式、氣動式桿杠式、油壓式。
2021-09-10 16:28:03
1034 一、電池點焊機采用直流輸出:電池點焊機的電流是脈動直流,而其電波波紋度很小,沒有交流過零而不連續加熱的缺點,可以達到高度集中的狀態,從而使焊接的熱效率得以提高。它特別適用于有色金屬材料和一些難焊接材料的焊接,焊接過程穩定,焊接質量明顯提高。電極壽命可相應地得到延長。
2021-08-30 15:54:25
978 剛剛接觸焊接設備的朋友們可能會把點焊機和電焊機混為一類設備,這其實是錯誤的概念,今天根據這個問題,為大家詳細的講解下點焊與電焊的區別及各自的特點有哪些,希望能幫助大家增加機械知識。
2021-08-23 13:49:56
8103 斯特科技漆包線點焊機在日常的使用中非常的普遍,無論是個人電器或者車輛等的維修以及各種工廠制造行業都會選擇信譽可靠的漆包線點焊機,因為它能保證點焊機的質量是有保證的,而且在使用過程中不會出現問題以及它的使用壽命還很長,那么漆包線點焊機哪家好用呢以及該如何正確選擇呢?
2021-08-05 16:45:38
752 斯特科技不銹鋼點焊機在現在的工業生產特別是不銹鋼制品領域,應用得是十分廣泛。在使用不銹鋼點焊機時,不僅要學會不銹鋼點焊機的安裝,還需要學會不銹鋼點焊機的使用與維護。那么,我們究竟應該如何對不銹鋼點焊機進行安裝和使用呢?
2021-08-04 17:17:49
1068 斯特科技馬達轉子點焊機用高溫將樹脂斷面融化,同時利用運動機構將兩根樹脂融合成一根,其外形輕巧,適用的場所比較廣泛,很多人清楚如何使用馬達轉子點焊機,但是使用過后卻不注意保養,這樣會減少機器的使用壽命
2021-08-03 14:24:13
680 斯特科技逆變直流點焊機是吸收先進技術的基礎上開發的一種高效節能點焊機。逆變直流點焊機機采用進口模塊和先進的逆變技術,動態響應快、易于起弧、電流穩定、焊接飛濺小、焊接成型美觀。具有電流預置預顯和|弧
2021-07-24 09:37:31
3691 斯特科技不銹鋼點焊機在現在的工業生產特別是不銹鋼制品領域,應用得是十分廣泛。在使用不銹鋼點焊機時,不僅要學會不銹鋼點焊機的安裝,還需要學會不銹鋼點焊機的使用與維護。那么,我們究竟應該如何對不銹鋼點焊機進行安裝和使用呢?
2021-07-08 10:12:35
2241 斯特科技漆包線點焊機在日常的使用中非常的普遍,無論是個人電器或者車輛等的維修以及各種工廠制造行業都會選擇信譽可靠的漆包線點焊機,因為它能保證點焊機的質量是有保證的,而且在使用過程中不會出現問題以及它的使用壽命還很長,那么漆包線點焊機哪家好用呢以及該如何正確選擇呢?
2021-06-30 09:37:26
682 斯特科技馬達轉子點焊機用高溫將樹脂斷面融化,同時利用運動機構將兩根樹脂融合成一根,其外形輕巧,適用的場所比較廣泛,很多人清楚如何使用馬達轉子點焊機,但是使用過后卻不注意保養,這樣會減少機器的使用壽命
2021-06-28 17:42:03
821 斯特科技漆包線點焊機是電機及變壓器繞組、電磁線圈線等焊接的重要工藝和設備,相比火焰釬焊、錫焊等,焊接速度快、熱影響小、導電率高。以前漆包線點焊需要經過人工或機器去絕緣漆才能完成和銅端子的焊接,漆包線點焊機則不需要去絕緣漆就能直接點焊。
2021-06-25 10:54:20
1309 電容儲能點焊機的使用年限是由使用方式和維護保養決定的,而焊機的控制系統是其中很重要的一個部分,是控制點焊的焊接參數,控制系統一旦損壞就會影響公司的正常生產,降低公司生產效率,下面為大家介紹一下電容儲能點焊機日常保養事項吧!
2021-06-15 10:17:19
1282 斯特科技電阻點焊機是指用電阻加熱原理進行焊接的一種焊接設備。電阻點焊機依據不同用途和要求可分為不同種類。從焊接方法分類,有點焊機、縫焊機、凸焊機和對焊機等。
2021-05-25 09:30:36
2339 斯特氖燈點焊機是專為氖燈及電阻開發的一款點焊機(焊接機),它應用廣泛,可以焊接LED光源、燈絲、鎢絲、鉬片、鎢桿,得到了眾多電光源企業的高度評價,取代了傳統的焊接工藝,焊接質量好,無虛焊、假焊等現象,焊接熱量集中,對焊點周邊材料無影響。
2021-04-23 16:35:41
461 點焊機作業前,應清除上、下兩電極的油污。通電后,機體外殼應無漏電。
2021-03-01 16:14:55
9042 點焊機器人(spot welding robot) 用于點焊自動作業的工業機器人。世界上第一臺點焊機于1965年開始使用,是美國Unimation公司推出的Unimate機器人。
2020-12-26 08:33:57
971 超聲波點焊機焊不牢的原因, 點焊機未能焊接時發生了什么?點焊機不能焊接的原因有很多。首先是被焊接的材料。第二,連接的電源線不夠細,無法焊接。第三是機器本身有故障。它主要檢查大電流元件是否燒壞。還檢查焊針是否氧化接觸不良,點焊電極是否短路。
2020-12-17 16:15:34
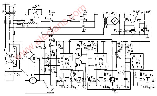
10422 該點焊機有三擋功率調節,還有一個細調旋鈕,電路設計巧妙,制作并不復雜。
2020-03-25 17:15:12
22197 
受電網電壓波動影響較大,即交流自動點焊機焊接電流會隨電網電壓波動而波動,從而影響焊接的一致性。
2020-02-07 17:18:02
4952 根據焊接工件的材料及厚度不同分為大功率點焊機、精密點焊機、微電子點焊機;按照同時焊接的焊點數目分單點式、雙點式、多點式;按照加壓機構的傳動方式分腳踏式、電動機-凸輪式、氣動式、液壓式等。
2020-02-07 16:46:53
3384 儲能點焊機,亦稱電容式儲能點焊機、儲能機等,是利用工頻交流電經整流器整流后向電容器充電,被存儲的電能再經焊接變壓器放電轉換成低電電壓的、能量比較集中穩定的脈沖電流,通過被焊工件的接觸點產生電阻熱將金屬熔接。
2020-02-06 16:52:42
9881 由于儲能點焊機的原理是先通過一個小功率的變壓器對電容進行充電再通過大功率的阻焊變壓器對工件進行放電,因此它不易受電網的波動的影響,且由于充電功率小,對電網的沖擊相對于同樣的焊接能力的交流點焊機和次級整流點焊機要小的多。
2020-02-06 16:49:22
6338 
中頻點焊機是一種電阻焊機。由觸摸屏實現一屏操控,顯示器能夠顯示每次焊接的焊接電流,并且能及時的顯示故障及錯誤警告。
2020-02-05 21:32:55
4494 CPS儲能點焊機是具有先進水平高性能逆變點焊機,是根據目前國外最先進
電阻式點焊機的原理而設計的。采用微電腦單片機控制和交直流逆變技術,藍光LCD 大液晶屏顯示,性
能達到電阻焊的頂尖水平。產品
2019-12-09 08:00:00
1 本文主要介紹了點焊機器人和弧焊機器人特點。
2019-10-15 10:34:47
4393 點焊機器人被廣泛用來焊接薄板材料,點焊作業占汽車工廠的車體組裝工程的大半,點焊機器人手臂上所握焊槍包括電極,電纜、氣管,冷卻水管及焊接變壓器,焊槍相對比較重,要求手臂的負重能力較強?,F在采用直流后
2019-10-15 10:26:02
9080 
點焊機使用具有一定的危險性,因此在焊接作業時應注意使用方面,避免造成人身傷害以及安全隱患等。下面小編給大家介紹一下點焊機正確使用方法。
2019-06-04 14:06:06
14218 點焊機在焊接工件時,要想達到很好的焊接效果,既要達到產品的質量要求,又要良好的美觀性,需要設置好點焊機的焊接工藝參數:即電極壓力、焊接時間和焊接電流三個參數,任何一參數的變化都會影響其他參數,進而影響焊接質量。
2019-06-04 14:00:45
20404 點焊機焊不住是怎么回事 ?點焊機焊不住有很多原因的,一是被焊的材質,二是接入的電源線細功率不夠也焊不住,三是機器本身故障,主要檢查大電流的元器件有沒有燒壞,再檢查焊針有沒有氧化接觸不良,點焊電極有沒有短路。
2019-06-04 13:58:27
44612 點焊機焊接參數通常是根據工件的材料和厚度,參考該種材料的焊接條件選取。首先確定點焊機電極的端面形狀和尺寸,其次初步選定電極壓力、預壓時間、焊接時間和維持時間。
2019-06-04 13:53:27
23338 計數式點焊機電路圖是一種焊接細線的計數式點焊機電路圖.
2017-06-30 17:12:26
2981 
如下圖所示為點焊機主電路及控制電路。雙向晶閘管控制的負載是一臺用于焊接薄金屬片的微型點焊機。工作時,焊接變壓器T2副邊與焊接工作組或閉合回路。 圖 微型點焊機控制電路原
2012-05-29 12:40:12
19748 
.該點焊機有三擋功率調節,還有一個細調旋鈕,電路設計巧妙,制作并不復雜
2012-04-02 12:22:37
22353 
點焊機的分類 文章摘要:按照用途分,有萬能式(通用式)、專用式 按照同時焊接的
2009-11-09 08:36:46
2206 鋰離子點焊機
&nbs
2009-10-30 15:37:51
1405 電池點焊機
1。鋰電池焊接,動力電池焊接,方型電池焊接,密封焊接
型號:LWS-300(400)W
2009-10-30 15:17:00
8584
點焊機時序控制器電路圖2
2009-05-30 13:46:00
1509 
點焊機時序控制器電路圖1
2009-05-30 13:45:37
2383 
交流點焊機空載節電裝置電路圖
2009-05-26 14:21:21
865 
點焊機控制電路
2009-02-15 20:12:22
3621 
利用電容器放電的簡單點焊機電路
2008-04-13 11:33:23
6380 
CMOS構成的時間調節點焊機電路圖,點焊機電路,用CMOS器件組成的周波數控制電路,可以在1-99個周波內任意選擇.在實際使用中,大多在10周波內調節就可以了.
2008-02-16 13:10:09
1760 
評論