| 摘 要:介紹了一種新型的氣體泄漏超聲檢測系統,在分析小孔氣體泄漏產生超聲波的原理的基礎上,闡述了該檢測系統的原理及設計方案。該系統能對各種壓力容器的孔隙泄漏所產生的微弱超聲信號進行精確檢測。該系統利用DSP技術對泄漏所產生的超聲波信號進行分析處理和聲壓級計算,從而實現對泄漏的檢測及泄漏量的估算。 |
傳統的泄漏檢測方法如絕對壓力法、壓差法、氣泡法等,操作復雜并且對技術人員要求較高,而且不具有實時性。目前,工業上廣泛利用泄漏產生超聲波的原理來進行泄漏檢測。利用超聲波檢測氣體泄漏位置,不僅方法簡單,而且準確可靠。基于此,本文研究并設計了一種新型的超聲波氣體泄漏檢測系統。
1 檢測原理
1.1氣體泄漏產生超聲波
如果一個容器內充滿氣體,當其內部壓強大于外部壓強時,由于內外壓差較大,一旦容器有漏孔,氣體就會從漏孔沖出。當漏孔尺寸較小且雷諾數較高時,沖出氣體就會形成湍流,湍流在漏孔附近會產生一定頻率的聲波,如圖1所示。聲波振動的頻率與漏孔尺寸有關,漏孔較大時人耳可聽到漏氣聲,漏孔很小且聲波頻率大于20kHz時,人耳就聽不到了,但它們能在空氣中傳播,被稱作空載超聲波。超聲波是高頻短波信號,其強度隨著離開聲源(漏孔)距離的增加而迅速衰減。因此,超聲波被認為是一種方向性很強的信號,用此信號判斷泄漏位置相當簡單。

圖1 氣體泄漏產生超聲波
1.2 聲壓與泄漏量的關系
泄漏超聲本質上是湍流和沖擊噪聲。泄漏駐點壓力P與泄漏孔口直徑D決定了湍流聲的聲壓級L。著名學者馬大猷教授推出如下公式[1]:

式中,L為垂直方向距離噴口1m處的聲壓級(單位:dB);D為噴口直徑(單位:mm);D0=1mm;P0為環境大氣絕對壓力;P為泄漏孔駐壓。
由此可知, 在與泄漏孔的距離一定時,泄漏超聲的聲壓級是隨泄漏孔尺寸和系統壓力的變化而變化的。
泄漏產生的超聲波頻帶比較寬,一般在20kHz到100kHz之間。在不同的頻率點,超聲波的能量是不同的。實際上,它的頻譜峰值也是隨泄漏孔的尺寸和壓力的變化而變化的。比如:在一定的泄漏孔徑和壓力下,如果泄漏超聲波的頻譜峰值是在38kHz點,那么加大孔徑以后它的頻譜峰值可能出現在36kHz點;如果孔徑不變,加大系統內外壓差,頻譜峰值可能出現在43kHz點。但是在同一頻率點,對于形狀相同的泄漏孔,泄漏所產生的超聲波的聲強隨泄漏量的增大而增大。另外,如果泄漏量恒定,即泄漏面積一定,則泄漏孔的形狀越接近于圓形,聲壓越高。當泄漏孔的雷諾數用式(2)表示時,在40kHz點聲壓與雷諾數之間的關系如圖2所示。

圖2 聲壓級與雷諾數的關系

式中,ρ為氣體密度;μ為粘度;V為流速;D為力學平均直徑。
由圖2可知,如果能檢測出泄漏孔附近在某一個頻率點的聲強,則可以推算出該泄漏孔的雷諾數。對于該泄漏孔,由于它的力學平均直徑是確定的,所以這時雷諾數與氣體泄漏量成正比關系。但是對于不同的泄漏孔,并不知道它的力學平均直徑,因此光知道雷諾數還不能求出泄漏量。在工業上,對于管道氣體,由于有源源不斷的氣體補給,管道里面的氣壓一般都是恒定值。而對于工業容器,由于小孔泄漏的泄漏量非常微弱,容器當中的壓力變化非常緩慢,所以可以認為在一段時期內是恒定值。當系統內外壓力一定時,對于不同的泄漏孔,它的泄漏流速都是一定的,可以用公式(3)[2]來表示:

式中,V為氣體流速;p為管內壓力;P0為環境大氣絕對壓力;T1為絕對溫度;σ=P0/P;R為氣體常數;K=
,對于空氣,k=1.4,則K=2.646。 當雷諾數、氣體流速知道以后,就可以反求出該泄漏孔力學平均直徑D,即可得出泄漏量。通過以上分析得出:只要能檢測出距離泄漏點一定距離的超聲波在某一個頻率點的強度,再給出泄漏系統內外壓力,就可以估算出氣體泄漏量。
2 系統硬件實現
小孔氣體泄漏所發出的超聲波強度是極其微弱的,而且在工業場合,環境噪聲是相當大的。所以要檢測出在惡劣環境下的氣體泄漏所發出的超聲,必須對系統信號放大部分進行精心的設計。在本系統中只檢測40kHz點的泄漏超聲波的強度,原因是通過實驗得出,在40kHz點的泄漏超聲波能量都是比較大的,而且泄漏聲和本底噪聲能量差值也最大(如圖3所示)。這樣選擇可以增加系統靈敏度。
系統原理如圖4所示。系統分為模擬和數字兩部分,模擬部分包括信號放大電路和音頻處理電路等。信號放大電路由前置放大電路、帶通濾波電路和二次放大電路組成。音頻處理電路由本振電路、混頻器、功率驅動電路組成。數字部分主要由DSP和LCD、RAM、鍵盤等外圍設備組成。傳感器信號經過放大濾波以后,一路交由DSP處理,另一路通過降頻轉化為可聽聲。下面分別介紹各部分原理。

圖3 本底噪聲與泄漏聲聲壓圖

圖4 系統原理圖
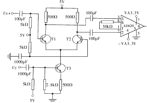
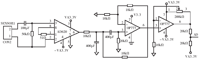
圖5所示為模擬電路的信號放大部分。
前置放大電路選用AD公司的專用高精度儀器三運放AD620。AD620是由三個精密運放集成的差分專用儀器運放,它具有低偏移、高增益(信號可直接放大到1000倍)、高共模擬制比的特點,特別適用于放大傳感器信號。由于傳感器接收到的大量的低頻噪聲(如50Hz的工頻噪聲)強度遠大于它所接收到的超聲信號,所以在傳感器與AD620之間必須接一個無源高通濾波器。這樣雖然增加了傳感器的功耗,但是在后面可以通過增大放大倍數來彌補。第二級是一個有源帶通濾波電路。在這一級可以濾掉前面濾波器沒有濾掉的大部分背景噪聲和由器件或電路產生的噪聲。這里選擇的通帶為38kHz~42kHz。第二級和第三級運放都采用AD公司的OP777,它是一個超精密的低噪聲運放,具有極低的電壓和電流偏移以及很高的增益穩定性。第三級是一個一般的同相放大電路。經過第三級放大以后,信號范圍為-3.3V~+3.3V,再經過如圖所示的兩個20kΩ的電阻,并接上+3.3V的偏置電壓,就可以使輸入到DSP的AD采樣信號變為0~3.3V。
雖然選用的器件是低噪聲的,但是對于檢測極其微弱的泄漏超聲信號來說,還是不能忽略器件本身的噪聲。在信號進入DSP以后再一次對其進行數字濾波,濾掉由前面器件和電路產生的直流電壓偏置和噪聲。這樣可以得到足夠高精度的泄漏超聲波信號。

圖5 信號放大電路

圖6 音頻處理電路原理圖
2.2 音頻處理電路設計
設計音頻處理電路的目的是能夠比較方便地判斷哪里有泄漏的產生。人耳的聽覺范圍大約在1kHz到20kHz之間。因此檢測到的超聲信號必須通過降頻才能為人耳所聽到。降頻的原理是利用差分信號的乘法特性:

然后在Uo后接上低通濾波器,則可得差頻信號。如選用本振電路的頻率為37kHz,那么得到的差頻信號為3kHz,可為人耳聽到。音頻處理電路的原理圖如圖6所示。
2.3 DSP
DSP的主要功能是負責A/D轉換、對A/D轉換后的信號進行分析處理、對LCD及電源進行管理。這里采用TMS320LF2407A。DSP芯片是一種具有特殊結構的微處理器。芯片內部采用程序和數據分開的哈佛結構,具有專門的硬件乘法器,廣泛采用流水線操作,并提供特殊的DSP指令,可以快速地實現各種數字信號處理算法。TMS320LF240X是德州儀器(TI)公司推出的基于C2×LP16位的定點低功耗的數字信號處理器系列,2407A型處理器是此系列中的最新產品。40M指令/秒(40MIPS)的處理速度可以提供遠遠超過傳統的16位微控制器和微處理器的性能。它的內置10位模/數轉換電路可以使電路得以簡化。
2.4 LCD顯示部分設計
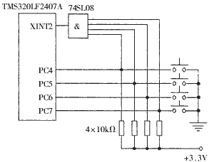
LCD的作用是顯示泄漏孔的聲強和估算的泄漏值以及由鍵盤輸入的數據。這里選用內藏三星公司的KS0713顯示控制芯片的LCD顯示模塊。它有128×64的點陣。其供電電壓只需3.3V。KS0713芯片速度相當快,內部晶振頻率可達2MHz,很適合使用高速CPU芯片的場合。這里采用DSP的數字I/O口來控制LCD模塊,如圖7所示。

圖7 TMSLF2407A與KS0713的接口

圖8 鍵盤接口電路

圖9 主程序流程圖
2.5 鍵盤電路設計
鍵盤的作用是輸入泄漏系統的內外壓力值和選擇不同的氣體常數。在估算氣體泄漏量時,需要知道氣體的流速,由公式(3)可知,泄漏氣體的流速可以通過氣體內外的壓力和氣體常數等換算出來,這些數值是通過鍵盤輸入進去的。這里采用一維鍵盤,用DSP的四個數字I/O口來接收鍵盤輸入,采用軟件的方法消除鍵盤的抖動。本系統設計了四個按鍵:“功能” 鍵、“+”鍵、“-”鍵和“確定”鍵。功能鍵用于循環選擇容器內氣壓、容器外氣壓和氣體常數的設置等。每按一次功能鍵,在上述三個功能間切換一次。鍵盤接口電路如圖8所示。
3 系統軟件部分設計
因為系統要完成測量泄漏超聲的聲壓級、估算泄漏量以及完成顯示功能,所以軟件主要由信號采集子程序、濾波子程序、FFT變換程序、泄漏估算子程序、LCD顯示子程序、鍵盤服務子程序等組成。限于篇幅,在此只列出程序設計的總體思路,如圖9所示。本文所介紹的超聲波泄漏檢測系統具有精度高、體積小、便于攜帶和具有很好的人機交互界面等特點。該系統還利用DSP等技術實現了對泄漏量的估算。
- 新型氣體(5381)
相關推薦
熱點推薦
新型超聲波流量計
一、項目概述該項目主要是研制出用于檢測流體管道流量的新型超聲波流量計并開發出相應的傳感器實驗軟件,合理設計超聲波流量計的超聲波換能器、電子線路及流量顯示和累積系統這三個部分,設計與實驗室現有傳感器
2013-10-25 14:47:24
超聲波傳感器在行人檢測中發揮什么作用
重要意義。但是在行人檢測中卻由于行人兼具剛性和柔性物體的特性,外觀易受穿著、尺度、遮擋、姿態和視角等影響,使得行人檢測成為計算機視覺領域中一個極具挑戰性的課題。在日前的行人檢測方法中,駕駛系統中的超聲
2018-12-12 15:24:03
超聲波頻譜檢測氣體泄漏情況的低功耗無線傳感器
描述該參考設計展示了一款可以通過分析特定信號的超聲波頻譜檢測氣體泄漏情況的低功耗無線傳感器。此系統由單節以鋰為主要成分的紐扣電池供電,可與基站進行無線通信,無線路要求,實現了輕松安裝。此設計包含超低
2018-12-28 11:53:00
LPG液化石油氣泄漏氣體檢測儀器
`液化石油氣是丙烷和丁烷的混合物,通常伴有少量的丙烯和丁烯。石油氣的泄漏很容易被發覺,但是液化石油氣報警器可以聯動外圍設備驅動噴淋頭或者排風扇等設備,進入緊急防護預警。 液化石油氣泄漏氣體報警器
2012-12-15 14:02:23
【OneNET麒麟座試用體驗】+基于onenet云平臺的可燃性氣體監控報警系統
基于onenet云平臺的可燃性氣體監控報警系統1,實現功能:a,可燃性氣體檢測,遠程查看環境中可燃氣體含量,防患于未然;b,記錄環境中可燃性氣體含量的歷史數據,基于記錄的數據分析可燃性氣體泄漏事故
2017-04-11 17:02:14
如何使用arduino nano組裝氣體泄漏檢測報警系統
描述帶有arduino nano的氣體泄漏探測器報警系統在本教程中,我們將了解如何使用 arduino nano 組裝氣體泄漏檢測報警系統。我們將看到要使用的電子元件列表、電路的組裝、源代碼,最后
2022-07-21 09:06:35
常見的氣體傳感器分類與原理
主要用于針對某種特定氣體進行檢測,測量該氣體在傳感器附近是否存在,或在傳感器附近空氣中的含量。因此,在安全系統中,氣體傳感器通常都是不可或缺的。這些傳感器可以為安全系統提供可燃、易燃和有毒氣體的信息
2018-11-09 15:51:21
微雙重驅動的新型直線電機研究
摘罷:大行程、高精度,同時易于小型化的移動機構是先進制造業等領域要解決的關鍵問題之一,綜述了現有宏/微雙重驅動機構和直線超聲電機的研究進展和存在問題,提出了一種宏微雙重驅動新型直線壓電電機,使其既能
2025-06-24 14:17:20
空調泄漏檢測新神器,不再擔心漏檢錯檢
速度快,蒸發箱查漏,不需要拆卸儀表盤,直接在出風口檢測,但是空調系統里面必須要有冷媒,如果泄漏完了必須要加注一點,不需要加注太多,一般20ml即可,再打一點壓力,高低壓管不用拆下來打壓,可以直接檢測、其他
2016-05-25 15:11:01
紅外熱像儀-氣體檢測泄露熱像儀
氟化硫、乙烯、氨氣等約20種氣體的泄漏檢測。氣體檢測泄露熱像儀采用遠距離、非接觸式的檢測方式,極大提高了氣體泄漏的檢測效率,保障檢測人員安全及設備的正常安全運行。
2021-12-20 10:46:38
輸油管道泄漏檢測系統研究與開發
管道運輸是現代社會中非常重要的一部分,因此,及時發現管道泄漏并報告泄漏位置的檢測方法研究具有極大的經濟和社會效益。介紹了基于負壓波的輸油管道泄漏檢測與定位
2008-12-19 15:56:29
17
17檢測NO氣體的雙臂式光纖束傳感系統的研究
本文建立了一檢測有害氣體的雙臂式光纖束傳感器系統, 確定了傳感器探頭內光纖束端面上單根光纖的最佳排列方式. 對NO 氣體的特性進行了研究, 在不同濃度下, 得到了NO 氣體對光的
2009-07-13 10:45:02
26
26基于聲發射技術的鍋爐“四管”泄漏檢測系統
基于聲發射技術的鍋爐“四管”泄漏檢測系統::針對火力發電廠中鍋爐“四管”泄漏時產生的廣義聲發射現象,對空間聲場分布和聲發射信號進行了分析研究。通過采集這種聲發
2009-10-22 14:16:12
23
23基于聲發射技術的管道泄漏檢測系統
基于聲發射技術的管道泄漏檢測系統本文根據管道泄漏時產生聲發射信號的現象,構建了一種新的管道泄漏與泄漏點定位的檢測系統。重點描述了系統軟、硬件
2010-03-20 09:56:30
22
22嵌入式非金屬超聲無損檢測系統研究
嵌入式非金屬超聲無損檢測系統研究
摘要: 超聲波法是混凝土無損檢測的主要方法之一,本文系統介紹了超聲脈沖檢測的理論基礎,論述了聲波在混凝土中的
2010-04-09 09:37:00
25
25新型超聲波氣體流量計
介紹了一種高精度、高抗干擾性、價格低廉、操作簡便的超聲波氣體流量計。通過測量超聲波脈沖沿順、逆流兩個方向上聲波傳播時間不同來測量氣體的流速和流量的新技術。本設
2010-06-22 16:28:42
37
37DSJL-6000型SF6氣體在線泄漏定量報警系統
產品概述 Product overview DSJL-6000型SF6氣體在線泄漏定量報警系統,是根據當前電力系統強調安全生產的形勢,為在安裝
2023-10-12 15:03:29
基于DSP的氣體泄漏超聲波檢測系統
介紹了一種新型的氣體泄漏超聲檢測系統,闡述了該檢測系統的原理及設計方案。該系統利用DSP技術對泄漏所產生的超聲波信號進行分析處理和聲壓級計算,從而實現對泄漏的檢測及泄
2010-07-21 17:02:41
36
36超聲層析成像(CT)檢測系統的研究與實現
為獲得更清晰的圖像檢測效果,在超聲波波動傳播原理的基礎上,采用超聲陣列檢測方法設計超聲層析成像(CT)系統。將射線追蹤算法引入到層析成像中,基于SIRT重建算法,實現
2010-12-29 17:58:59
24
24超聲波流量計在管道泄漏監測系統中的應用
超聲波流量計在管道泄漏監測系統中的應用
管道運輸以其特有的經濟、便攜、安全等優點而被廣泛應用于石油、天然氣等液體、氣體、漿液的運輸
2009-05-13 11:08:36
973
973
超聲層析成像檢測系統的研究與實現
超聲層析成像檢測系統的研究與實現
1 引言
層析成像CT(Computed Tomography)是指通過物體外部檢測到的數據來重建物體內部(橫截面)信息的技術,
2009-12-10 10:36:11
2291
2291
高靈敏度的氣體傳感器“電子鼻”可檢測ppm級別濃度氣體
產品特性:
可以檢測出濃度在ppm級別的氣體 應用范圍:
食品管理、醫療保健以及檢測氣體泄漏等 比利時IMEC與荷蘭HolstCentre開發出了高靈敏度的
2010-06-18 16:50:40
1875
1875超聲相控陣檢測系統接收裝置的設計
本文對超聲相控陣檢測系統接收裝置進行了以下研究:第一,介紹了超聲相控陣檢測原理及其關鍵技術,以及超聲波傳播過程中的衰減規律;第二,重點對超聲相控陣延時接收算法與等
2011-09-20 14:35:51
53
53基于數據挖掘的新型入侵檢測系統研究
文中對基于數據挖掘和蜜罐技術的新型入侵檢測系統進行了研究。簡單介紹了入侵檢測系統和蜜罐技術的概念及優缺點,及入侵檢測系統和蜜罐系統的互補性。進而提出將其兩者相結合
2012-08-10 11:28:51
0
0基于聲發射技術的鍋爐泄漏檢測系統的設計與實現
針對火力發電廠中鍋爐“四管”泄漏時產生的廣義聲發射現象,對空間聲場分布和聲發射信號進行了分析研究。通過采集這種聲發射信號并分析處理,建立了檢測鍋爐“四管”泄漏的檢測系統。介紹了檢測系統的軟、硬件部分組成,井指出其中的關鍵問題和一般的解決方法。分析結果表明:該系統可以提高泄瑞信號的識別率。
2017-09-08 15:31:00
6
6氧氣泄漏檢測儀_氧氣泄漏怎樣處理
氧氣氣體檢測儀,用來對現場氧氣的濃度進行檢測,保障生產、生活的安全。氧氣檢測儀可以快速檢測到氧氣氣體的泄漏點,響應時間快、靈敏度高。
2017-11-29 19:45:43
2661
2661基于STM32的實收實發超聲波檢測系統研究
本文主要是對基于STM32的實收實發超聲波檢測系統研究與實現,系統由信號調理;數據采樣分析;PWM發射組成。系統實現了快速鑒頻,測量脈沖寬度等功能;并且在檢測結束后延時發射單頻脈沖信號,并模擬信號拖尾的情況。
2017-12-23 15:05:13
4773
4773
新型二元混合氣體傳感器
基于超聲檢測的新型二元混合氣體傳感器設計方案。以TMS320VC5402 DSP作為控制芯片,簡化了硬件設計,提高了數據處理能力。采用信號有效范圍檢驗方法,利用高精度A/D采集超聲波回波信號,并運用拉伊達準則去除信號噪聲。基于能量閾
2018-02-01 16:58:23
0
0基于容積變化的模擬泄漏系統
針對氣體泄漏檢測設備檢測精度標定的問題,開展了模擬泄漏原理的分析,建立了模擬泄漏率與步進電機轉速之間的關系,設計了一種基于容積變化的模擬泄漏系統。將S3C2440作為系統主控制器,搭建了系統的硬件
2018-03-27 11:07:58
0
0可燃氣體泄漏檢測儀的特點與參數
可燃氣體泄漏檢測儀安裝說明該探測器為雙腔體結構設計,防爆等級為Exd II CT6 Gb,防護等級為IP65,適用于化工、戶外灌區等環境下。可通過RBK-6000-ZL系列控制器實現校零、標定。兩線制無極性供電和信號傳輸,安裝簡單,布線經濟。
2020-04-15 16:04:35
2518
2518首個輕量級光學氣體成像檢測系統可提高視覺精度的氣體泄漏位置
據該公司介紹,該系統可以通過早期快速的氣體檢測來降低火災或爆炸的風險,并能比其他傳感技術更快速地進行大面積的視覺掃描。運營商可以利用光學氣體成像的數據進行維護規劃,有可能導致減少非計劃停產。
2021-02-20 11:03:28
1067
1067可燃氣體泄漏檢測儀的安裝要求
可燃氣體泄漏檢測儀(以下簡稱探頭)是為了檢測作業現場內可燃氣體泄漏的儀器儀表設備,只有正確安裝探頭,才能充分發揮儀器的檢測作用。以下是安裝探頭時需要了解并掌握的四要素和相關的安裝要求。
2021-06-11 10:36:13
4100
4100選擇合適的氣體檢測儀
氣體檢測儀是用來檢測氣體泄漏濃度的測量儀器, 主要是利用氣體傳感器來檢測環境中氣體的成分和含量。對于各類不同的生產場合和檢測要求,選擇合適的氣體檢測儀是每一個從事安全和檢測工作的人員都必須十分注意的。
2021-08-10 17:03:39
733
733氣體檢測儀使用時會遇到哪些問題
氣體檢測儀是一種氣體泄漏濃度檢測的儀器儀表工具,主要是指便攜式和固定式氣體檢測儀。主要利用氣體傳感器來檢測環境中存在的氣體種類,氣體傳感器是用來檢測氣體的成份和含量的傳感器。
2021-08-20 11:27:33
1354
1354電力行業SF6氣體泄漏監測的技術背景和系統功能的實現
一 . 電力行業 SF6氣體泄漏監測的技術背景 安全問題一直是電力系統運行、控制和管理中重要的問題。但另一方面,由于設備制造工藝、裝配工藝、老化工藝、溫度變化、壓差等因素的影響,不可避免地造成設備內
2021-09-02 14:54:57
5349
5349有毒有害氣體檢測儀的主要作用
泄漏:化工生產車間有毒有害氣體或蒸氣泄漏檢測報警,以及設備管道的運行檢漏。 環境安全:當工作人員要到存在有毒氣體的危險場所作業時,需要檢測環境中有害氣體的成分及濃度,確保環境安全。 設備檢修:定時設備檢修,及時
2021-12-22 10:16:28
2830
2830紅外線氣體傳感器可解決氣體濃度及氣體泄漏檢測報警
內置溫度傳感器,可進行溫度補償;具有4-20mA / 0.4-2V、UART、Modbus等多種信號輸出方式,支持用戶二次集成;報警點可設置,能夠簡單、快速地與現有的監測和控制系統相連接。該產品目前已廣泛應用于氣體分析行業、工業過程控制、環境檢測和發電廠、變電站進行氣體濃度和氣體泄漏檢測報警。
2022-08-18 09:34:35
4135
4135
可燃氣體檢測儀的使用壽命是多久
氣體泄漏爆炸對人民財產、生命安全和環境危害極大,各行各業對氣體的控制非常嚴格。檢測氣體泄漏的良好方法是安裝可燃氣體檢測儀,特別是易燃易爆氣體。可燃氣體檢測儀可以快速發現氣體泄漏和報警,大大提高了操作
2022-09-07 11:04:22
5060
5060有毒有害氣體檢測儀的主要作用是什么?
有毒有害氣體檢測儀是檢測化工操作現場易燃、有害氣體濃度超標后自動報警的安全檢測儀器。已廣泛應用于原油、化工、煤炭、冶金等各個領域。對于這類場地,有毒有害氣體檢測儀的主要功能如下: 氣體泄漏:化工
2022-10-21 13:47:56
2188
2188可燃氣體檢測儀都包含哪些氣體呢?-歐森杰
你知道可燃氣體探測器包括什么氣體嗎?今天小編就帶大家去了解一下~ 顧名思義,可燃氣體探測器是一種檢測可燃氣體濃度的儀器。氡和天然氣往往是體積大的易燃氣體,天然氣泄漏引起的爆炸事件屢見不鮮。為了避免
2022-10-26 15:25:17
1075
1075可燃氣體泄漏報警器需要定期維護嗎?-歐森杰
可燃氣體泄漏報警器應檢查是否有氣體泄漏,并有效提醒啟動風扇和聯動設備。這樣,可燃氣體泄漏報警器中的傳感器必須與環境有良好的接觸。其內部傳感器用于檢測可燃氣體,并通過可燃氣體泄漏報警器的內部軟件確定其
2022-12-02 09:30:51
874
874可燃氣體泄漏報警儀應該如何正確維護?-歐森杰
可燃氣體泄漏報警器主要利用氣體傳感器檢測環境中的氣體類型,氣體傳感器是檢測氣體成分和含量的傳感器。那么,如何維護和維護可燃氣體泄漏報警器呢? 首先,為了檢測可燃氣體信息,可燃氣體泄漏報警器必須促進
2022-12-05 14:16:13
693
693可燃氣體泄漏探測器解決方案
這是一個電池供電的獨立系統,具有無線連接功能,可使用低功率 Wi-Fi 通信來檢測易燃氣體的泄漏問題。 它是工業和家庭應用中非常實用的系統。 在此系統中,有關液化石油氣 (LPG)/管道天然氣
2022-12-08 09:57:47
1
1ARDUINO LPG氣體泄漏檢測器
方案介紹該項目為一個使用帶有智能手機警報通知的 ARDUINO 的 LPG 氣體泄漏檢測器?當MQ02傳感器自動檢測到可燃氣體時,它會向您的智能手機發出警報通知以及物理警報和閃爍的紅燈。
2022-12-16 15:39:33
0
0SF6傳感器在變電站六氟化硫氣體泄漏監控報警系統中的應用
SF6氣體泄漏報警系統,是根據當前電力系統強調安全生產的形勢,為在安裝有SF6設備的配電裝置室的工作人員提供人身健康安全保護而設計、開發的智能型在線檢測系統。 SF6氣體泄漏報警系統主要檢測環境空氣
2023-03-29 10:49:24
2053
2053
管廊氣體檢測儀都有哪些重要功能-歐森杰
管廊氣體檢測儀是用于檢測和監測管廊內部空氣中的氣體濃度和污染物的儀器設備。管廊是指地下的管道和通道系統,如地鐵、交通隧道、排水管道等。以下是管廊氣體檢測儀的一些重要應用和功能: 1. 氣體泄漏檢測
2023-06-01 11:39:33
1192
1192紅外熱成像氣體泄漏檢測
紅外熱成像氣體泄漏檢測技術能夠快速、精確、安全地檢測天然氣、VOCs、SF6等有害氣體泄漏,無需關閉系統或接觸部件,肉眼不可見的氣體泄漏在透過光學氣體熱像儀觀察時呈煙霧狀,可從較遠距離發現并且及時
2022-10-18 17:48:11
2204
2204
德國海曼NDIR氣體泄漏檢測傳感器選型推薦
德國海曼NDIR氣體泄漏檢測傳感器選型推薦,泄漏的易燃碳氫化合物氣體會導致健康風險、環境中毒和高昂的經濟成本。氣體泄漏的檢測將有助于限制和防止這些負面后果。
2022-11-18 09:29:23
1667
1667
紅外熱成像氣體泄漏檢測客戶選型攻略
在紅外氣體泄漏檢測AD模組上加圖像處理板、紅外鏡頭、擴展板、快門及外殼等集成的GAS330氣體泄漏檢測紅外機芯,內置專業氣體增強算法,通用輸出接口,多種鏡頭配置可選,集成更容易,適合希望能夠快速上市,降低開發難度的客戶。
2023-02-02 09:50:00
1322
1322
紅外氣體泄漏檢測中的圖像算法
紅外熱成像氣體泄漏檢測的方式越來越多,前面我們介紹了高芯科技在紅外探測器的基礎上加上實現紅外探測器制冷機驅動以及紅外探測器模擬信號的數字化后集成的氣體泄漏檢測AD模組,以縮短客戶的開發周期。紅外熱
2023-02-07 11:49:39
1658
1658
氣體泄漏檢測利器!艾睿紅外熱像儀天然氣泄露檢測應用
隨著紅外熱成像技術的發展,檢測氣體泄漏的紅外熱像儀受到廣泛關注。氣體泄露檢測紅外熱像儀具有不停運、高效率、遠距離、大范圍、動態直觀的顯著優勢,成為紅外熱成像氣體檢測技術的典型應用。應用背景
2023-03-02 15:05:55
1869
1869
氣體泄漏檢測“大比武”,艾睿紅外熱成像儀現場實測效果驚艷
近日,艾睿光電參加某工業現場測試活動,實測效果驚艷:除成功觀測到客戶已知泄漏點外,還額外發現兩處客戶未知的泄漏點(其中一處為砂眼級別泄漏);艾睿G600系列非制冷氣體檢測紅外熱成像儀,在乙烯檢測能力
2023-05-09 10:18:25
1728
1728
如何高效利用紅外熱成像技術進行氣體泄漏檢測
氣體泄漏是許多工業場所和環境中常見的問題,它可能導致安全風險、環境污染以及能源浪費。因此,快速而準確地檢測和定位氣體泄漏非常重要。紅外熱成像技術提供了一種先進且可靠的方法,可以在氣體泄漏檢測方面發揮
2023-05-30 11:12:54
2455
2455
在線式vocs氣體泄漏可視化檢測系統wavelab130
Wavelab140是一款機載式vocs氣體泄漏可視化巡檢系統,適用于甲烷和其他揮發性有機化合物的泄漏檢測。該系統由大疆M300RTK無人機搭載吊艙式vocs氣體泄漏紅外成像儀D330組成。
2023-06-28 17:06:02
1396
1396
氣體泄漏在線監測報警系統產品概述
一、SF6濃度檢測儀產品概述 KDXJ-8 SF6氣體泄漏報警系統是根據當前電力系統強調安全生產的形勢,為在安裝有SF6設備的配電裝置室的工作人員提供人身健康安全保護而設計、開發的智能型在線檢測系統
2023-08-10 15:14:49
1359
1359
真空泄漏檢測儀的重要性和應用
真空泄漏檢測儀是一種強大的設備,它能夠檢測和定位系統或部件的微小泄漏。在許多行業中,包括汽車、航空航天、醫療設備和半導體等,這種設備都是必不可少的。下面我們將詳細討論真空泄漏檢測儀的重要性
2023-08-15 09:52:20
1575
1575實時檢測,及時預警 | 六氟化硫氣體泄漏報警監測系統
硫氣體泄漏報警監測系統仍是企業守護氣體環境安全的重大選擇。 六氟化硫氣體監測報警器是預防氣體泄漏的重要安防設備,內部核心部件是SF6氣體傳感器,可24小時不間斷檢測氣體泄漏濃度,一旦達到預設值,會立即報警,有效杜絕
2023-08-21 16:49:27
1539
1539
制冷型氣體泄漏成像儀MAG-G3
為實現石油化工行業對VOC(揮發性有機化合物)等有害氣體泄漏的快速檢測,巨哥科技推出新款MAG-G3氣體泄漏成像儀。 中波制冷型氣體泄漏成像儀MAG-G3 MAG-G3氣體泄漏成像儀采用制冷型
2023-09-04 15:16:32
1003
1003
石化行業氣體泄漏檢測現狀和解決方案
石化現場氣體泄漏是一項高風險且難以管理的任務。一氧化碳、天然氣、氫氣、甲烷、氧氣、壓縮空氣等壓力氣體管網復雜,泄漏點難以檢測,一旦泄漏發生,可能導致火災、爆炸、窒息等嚴重危害,嚴重威脅著現場人員
2023-10-20 18:23:25
2143
2143
氣體泄漏檢測這么危險,還是自動化來解決吧
石化行業氣體泄漏檢測現狀石化現場氣體泄漏是一項高風險且難以管理的任務。一氧化碳、天然氣、氫氣、甲烷、氧氣、壓縮空氣等壓力氣體管網復雜,泄漏點難以檢測,一旦泄漏發生,可能導致火災、爆炸、窒息等嚴重危害
2023-11-23 08:34:12
1227
1227
六氟化硫SF6在線監測系統,氣體泄漏檢測的小幫手
和油之間的新-代超高壓絕緣介質材料。?六氟化硫以其良好的絕緣性能和滅弧性能,在電力工業中應用廣泛,如斷路器、高壓變壓器、氣封閉組合電容器、高壓傳輸線、互感器等。 檢測六氟化硫氣體泄漏的方法: 六氟化硫氣體泄漏檢測分為定量檢測和定性檢
2023-12-13 14:08:15
1960
1960
六氟化硫氣體檢測——SF6氣體紅外泄漏報警監測系統
六氟化硫SF6氣體泄漏報警監測系統 ,是根據當前電力系統強調安全生產的形勢,采用原裝進口高穩定的O2氣體傳感器和德國原裝進口SF6氣體傳感器,雙光束雙波長非分散式紅外吸收光譜技術(NDIR
2024-01-04 15:10:21
2528
2528
一招教你如何選擇適用的工業GDS氣體檢測報警系統
在化工企業生產、儲運等過程中,經常會涉及到各類可燃、有毒氣體釋放源,可燃氣體和有毒氣體檢測報警系統GasDetectionSystem(以下簡稱GDS系統)就是一套通過氣體檢測報警器實時檢測和監測各
2024-04-23 17:15:48
2404
2404
AS043-FGSLEAKPOC2Z 可燃氣體泄漏檢測儀產品手冊
電子發燒友網站提供《AS043-FGSLEAKPOC2Z 可燃氣體泄漏檢測儀產品手冊.rar》資料免費下載
2024-05-15 17:53:17
3
3一款24小時實時檢測的六氟化硫氣體泄漏報警系統
硫氣體泄漏報警監測系統仍是企業守護氣體環境安全的重大選擇。 ? 六氟化硫氣體監測報警器是預防氣體泄漏的重要安防設備,內部核心部件是SF6氣體傳感器,可24小時不間斷檢測氣體泄漏濃度,一旦達到預設值,會立即報警,有效杜
2024-07-10 14:55:46
1091
1091
甲烷傳感器TGS8410在天然氣汽車氣體泄漏檢測系統中的應用
們的生命財產安全帶來了威脅。因此,設計一套高效可靠的天然氣汽車氣體泄漏檢測系統顯得尤為重要。在這個過程中,甲烷傳感器TGS8410以其卓越的性能和可靠性,成為了系統中的重要組成部分。 一、天然氣汽車氣體泄漏檢測系統的
2024-07-12 10:14:28
937
937
氣體泄漏定量報警系統SF6 的組成——每日了解電力知識
今天武漢摩恩智能電氣有限公司帶大家了解一下MEQB-8000 SF6氣體泄漏定量報警系統 MEQB-8000 SF6氣體泄漏定量報警系統的組成: 系統分為兩個模塊: (1)、氣體取樣分析模塊,主要
2024-07-26 10:03:45
1415
1415
漢威科技推出R10非制冷手持式紅外氣體泄漏檢測儀
石油、化工、燃氣等諸多行業涉及大量易燃易爆氣體,為保障安全生產,降低有害氣體污染,降低潛在經濟損失,必須進行氣體泄漏檢測。
2024-12-04 10:33:24
1694
1694如何利用氣體壓力傳感器監測氣體泄漏
在化工、石油、天然氣等行業中,氣體泄漏可能導致嚴重的安全事故和環境污染。因此,及時準確地監測氣體泄漏對于保障人員安全和環境保護至關重要。氣體壓力傳感器作為一種有效的監測工具,能夠通過檢測壓力變化來
2024-12-09 18:03:35
1834
1834FLIR OGI熱像儀助力氣體泄漏檢測
2005年,FLIR開創性地發布了首臺商業用途OGI熱像儀,20年來,這款革命性產品以卓越的氣體泄漏檢測能力,持續引領工業安全領域的技術革新,成為眾多行業信賴的安全守護神!
2025-02-19 17:11:16
1027
1027推薦兩款菲力爾氣體泄漏檢測神器
在石化行業,氣體泄漏是安全生產的“大敵”。如何快速、精準地檢測泄漏,成了企業關注的焦點。今天,小菲就帶大家聊聊菲力爾的兩款“氣體泄漏檢測神器”——FLIR Si2x系列聲學成像儀和Gx系列光學氣體成像熱像儀。它們都能“看到”氣體泄漏的畫面,但有哪些不同呢?一起來瞧瞧吧。
2025-04-07 11:22:08
902
902颯特紅外熱成像技術助力氣體泄漏檢測
隨著美國、歐洲率先立法,全球各國政府正緊跟其后,策劃實施LDAR(Leak Detection and Repair,泄漏檢測與修復)法規以遏制氣體泄漏,主要針對石油煉化廠、化工廠的揮發性有機化合物(VOCs)及有害空氣污染物(HAPs)。
2025-06-18 10:40:40
1089
1089氣體泄漏檢測系統:筑牢工業安全防線的智能解決方案
安全管理本質是風險管理,智能化氣體泄漏檢測系統是企業風險防控 “神經末梢”。技術創新重塑工業安全格局,選擇適配檢測方案是合規要求,更是企業可持續發展戰略投資,精準檢測守護生命與未來。
2025-07-21 11:11:33
540
540
電子發燒友App





評論