|
編者按:關于對UPS的EMC的要求,是廣大電源科技工作者所共同關心的問題。本刊從上期開始分次選登國家標準(報批稿)中的部分內容,以使從事這方面工作的科技工作者先睹為快。 不間斷電源設備(UPS) 第2部分:電磁兼容性(EMC)要求 附錄A (規范性附錄) 電磁發射的試驗方法
??? 這些試驗目的是測量由UPS產生且通過傳導和輻射方式傳播的電磁輻射電平。 ??? 本附錄主要關注連續性電磁發射。 ??? 根據UPS的物理尺寸和功率額定值,對實際提供的UPS,制造廠可以選擇最合適的試驗場所和試驗布置。 ??? 某些情況,例如多模塊構成的系統,唯一的解決方法是在安裝現場進行評估試驗。因此,下述試驗裝置和方法,盡可能提供一般的規范,以適合大多數UPS。 A.1? 測量設備 A.1.1? 測量儀器 ??? 準峰值檢波器接收機和平均值檢波器接收機應符合GB/T6113.1。 ??? 注:也可以使用具有其它檢波特性的測量儀器,只要能證明騷擾值的測量結果是相同的。為方便起見,特別在受試設備的工作頻率在工作周期內顯著變化時,應該盡量使用掃頻接收機或頻譜分析儀。 A.1.2? 人工電源網絡(AMN) ??? 測量電源端子騷擾電壓應使用在GB/T6113.1第10.3規定的50Ω/50μH的人工電源網絡。 ??? 人工電源網絡在橫跨電源的測量點提供一個規定的射頻阻抗,并同時為受試設備與電源線上的環境噪聲提供隔離。 A.1.3? 電壓探頭 ??? UPS的輸出以及由于UPS輸入電流額定值過大而不能使用人工電源網絡測量時,應使用按GB/T6113.1第11.2的要求和圖10所示的電壓探頭。探頭依次連接在每一線和所選擇的參考地(金屬平板、金屬管)之間測量。 ??? 探頭主要由一個耦合電容器和一個電阻構成,以使電網和地之間的總阻抗至少為1500Ω。電容器或保護測量接收機防止危險電流的任何其它器件對測量準確度的影響,均應小于ldB,或可以校準。 ??? 探頭的接地線要求用低阻抗連接到參考地,連接線的長度不應小于最大測量頻率波長的1/10(30MHz時大于1m),另外,頻率低于3MHz時,連接線長度不超過10m。 A.1.4? 天線 ??? 按GB/T6113.1第14條的要求。 A.2? 受試設備的布置 A.2.1? 這里沒有特別的規定,在某種意義上而言,UPS的構成、安裝、布置和操作符合常規應用。相互聯系的接口電纜/負載/器件應至少與UPS各接口、端口中的一個相連接,在實際上,每根電纜線接一個習慣使用的典型裝置。 ??? 根據最初的預試驗結果,對于有多路相同類型接口的UPS,可能需要增加互連電纜/負載/器件。增加到某一根電纜對輻射的影響不大于2dB時為止,但是布置選擇的原理和端口的負載情況應在試驗報告中說明。 A.2.2? 應根據各個設備的要求確定互連電纜的類型和長度,如果電纜長度可以變化,則應選取產生最大輻射的長度。 A.2.3? 如果在試驗時為了達到兼容性,使用了屏蔽電纜或專用電纜,那么,在說明書中應包括建議使用這種電纜的說明。 A.2.4? 超過規定長度的電纜,應在電纜的中部進行捆扎,電纜線束的長度應為0.3m~0.4m。如果由于電纜太粗或太硬,或由于試驗是在用戶安裝現場進行等原因不能捆扎時,則超長電纜的處置應在試驗報告中明確說明。 A.2.5? 為了保證試驗的可重復性,任何一組結果都應附有關于電纜和受試設備方位的詳細說明,如有使用條件的要求,則這些條件應在文件中予以規定,例如電纜長度,電纜類型,屏蔽和接地要求,這些條件應包括在說明書中。 A.2.6? 當對一個與其它設備相互配合而構成一個系統的設備進行評估時,可用其它設備代替整個系統,或者使用模擬器進行評估。無論采用何種方法,都應注意保證受試設備與系統其它部分的影響或滿足A.5.5所規定的環境噪聲條件的模擬器的影響一起評估,用來代替實際設備的任何模擬器應能完全地體現接口的電特性和在某些情況下的機械特性,尤其是射頻(RF)信號阻抗以及電纜的構造和類型。 ??? 注:本程序要求能夠評估與其它制造廠的另外一些設備組合而構成一個系統的設備。 A.2.7? 對于蓄電池外置的UPS,應盡可能地使?電池包括在試驗方案之中,并按說明書安裝。 ??? 若不可能,或者是由包括了蓄電池的其它設施供電時,則在試驗報告中應對此作出說明。 A.2.8? 交流輸出應接電阻負載,并且可以調節,以獲得被測UPS所需承擔的有功功率。 A.2.9? 受試設備相對于接地平面的位置應與實際使用中情況相符合,即落地式UPS應放在接地平面或放在緊貼接地平面的絕緣地板上(如木制地板),而臺式UPS應放在非金屬的桌子臺面上。電源電纜和信號電纜相對于接地平面的走向應等效于實際使用情況,接地平面可以是金屬的。 ??? 注:附錄A?5.3和A.8.1分別給出了端子電壓測量,場強測量的特定的接地平面的要求。 A.3? 最大發射布置的確定 ??? 應在預測試中尋找相對于限值的最大發射的頻率,此時,UPS處于典型運行方式,并且電纜按常規位置放置,試驗布置應能代表典型系統的配置情況。 ??? 應通過檢測幾個有針對性的頻率上的騷擾,鑒別出最高的騷擾頻率,以確保所找的頻率為可能的最大騷擾頻率,并由此確定相關的電纜、UPS配置和運行方式。 ??? UPS的預試驗方案按圖A.4到A.11。UPS和外圍設備的距離按照圖示,為了找到最大值,只可改變電纜的方向和位置。 ??? 在本試驗程序中,臺式設備的電纜只在典型布置的范圍內改變方向和位置。對落地式設備,電纜應按使用者安裝時那樣放置,且不再作進一步調整。對落地式設備,如果電纜的安裝規定不清楚,或每一次的安裝可能不一樣,還應改變電纜方向和位置,使之達到產生最大發射值。 ??? 端子騷擾電壓和騷擾場強的最終測量按A.5、A.6和A.7分別進行。 A.4? 試驗時設備的工作狀態 ??? UPS應在所設計的額定工作電壓和典型的負載條件運行,負載可以是實際負載,也可以是模擬負載。無論是用試驗程序還是用其它的測量方法,在試驗UPS時,所有對發射有影響的元器件都必須處于工作狀態,以保證所測到的是整個受試系統發射。并且,對任何一種UPS運行方式都必須用這種方式來試驗。 A.5? 電源端子騷擾電壓的測量方法 A.5.1? 測量接收機 ??? 使用附錄A.1.1所述的準峰值檢波器接收機和平均值檢波器接收機進行試驗。 A.5.2? 人工電源網絡(AMN) ??? 應使用附錄A.1.2所描述的人工電源網絡。 ??? 將試驗單元和人工電源網絡相連,試驗單元的擺放應使其邊界與人工電源網絡最近的表面之間的距離為0.8m。 ??? 制造商提供的電源軟線,一般應為1m長,如果超過1m,則應將其超長部分來回折疊,折疊長度不超過0.4m。 ??? 如果制造商在安裝說明書中對電源電纜另有規定,則應使用長度為1m的該類型電源電纜連接試驗單元和人工電源網絡。 ??? 按制造商在安裝說明書中的規定布置試驗單元,并連接電纜。 ??? 安全所需的接地線應接到人工電源網絡的參考地上,除制造商提供接地線或另有規定外,該接地線應為1m長,其走向應平行于電源線,兩線間隔不超過0.1m。 ??? 由制造商規定或提供的為了連接到相同的終端作為安全接地的其它接地線(例如EMC所需的接地線)也應一并連接到人工電源網絡的參考地上。 ??? 從本地廣播服務區域耦合過來的傳導環境噪聲可能使得在某些頻率無法進行測量。此時,可以在人工電源網絡與供電電源之間插入一個合適的附加的射頻濾波器,或在屏蔽室內測量。構成該射頻濾 ??? 波器的元件應封閉在一個金屬屏蔽盒內。該金屬屏蔽盒直接連接到測量系統參考地上。接上附加的射頻濾波器后,人工電源網絡的阻抗在測量頻率仍應滿足要求。 ??? 例外: ??? UPS的額定功率值超過人工電源網絡的標稱值時,則允許使用符合GB/T6113.1和圖A.2所示的電壓探頭來測量電源端子騷擾電壓。 ??? 這種情況下,電源的額定電流值應至少與所安裝UPS的電流額定值相等,以盡可能地與現場供電電源的阻抗相匹配。 A.5.3? 接地平面 ??? 如果受試設備不接地且是非落地式設備,則應放在距離面積至少為2m×2m的水平參考接地平面或垂直參考接地平面0.4m處,并應與其它不屬于該試驗單元的組成部分的任何金屬面或接地平面保持0.8m的距離。如果在屏蔽室內進行測量,則上述0.4m距離可以是距屏蔽室任一側壁的距離。 ??? 落地式設備遵守相同的規定,只是應該放在一塊水平金屬接地板上。接觸的各點應和正常使用相一致,但不能與接地平面形成金屬接觸,參考接地平面應至少比試驗單元的邊框大0.5m,且最小尺寸為2m×2m。 ??? 應用盡可能短的導體將AMN參考接地點連接到參考接地平面上,導體長寬比小于3:l,或用螺栓固定到參考接地平面上。 A.5.4? 傳導發射測量的設備布置 ??? 按A.2的要求布置并運行UPS,臺式和落地式設備的布置按圖A.4~圖A.9。 ??? 臺式UPS應放置在高出地平面0.8m的非金屬臺上,它距與水平金屬接地平面相連的垂直接地平面0.4m(見A.5.3)。 ??? 設計成臺式或落地式兩用的設備應按臺式的布置來進行試驗,除非典型安裝為地面放置,并采用相應的布置。 ??? 那種設計在墻壁上安裝使用的設備應按臺式UPS的布置來進行試驗,設備的方位應與正常工作時的情況相一致(即正常安裝位置)。 ??? 電源端口經電源軟線與AMN連接,除非按A.5.2的例外情況在試驗場地或安裝現場試驗。交流輸出端口與一個負載箱連接。當實際使用時預定要與外部信號線連接,信號端口經信號電纜與一個阻抗穩定網絡(ISN)連接。 A.5.5? 傳導發射的測量 ??? 如A.3所述,應找出產生相應于限值的最大發射的UPS布置、電纜配置和運行方式。 ??? 以這種布置進行測量和記錄數據,發射值低于限值不超過20dB時,相對于載流電源端口和UPS通信端口限值,至少記錄6個最高發射的頻率點。應明確標出每一個發射的對應導線。 ??? 當規定信號端口的發射采用電流探頭測量電流來代替測量電壓時,它應符合GB/T6113.1第11.2的要求。 A.6? 交流輸出端口的測量方法(如適用) ??? 交流輸出端口接阻性負載箱,將交流輸出有功功率緩慢地從零調到額定值,以找出最壞情況下的騷擾電壓。 ??? 負載應是純阻性的,以避免非正弦波帶來的測量誤差。 ??? 應使用GB/T6113.1所述特性和圖A.2所示的電壓探頭來測量騷擾電壓。 ??? UPS的輸出端到負載設備的騷擾電壓不超過2.4.2規定的限值。 ??? 電壓探頭中的電容或測量接收機為防止危險電流而采用的其它保護器件對測量準確度的影響,均應小于ldB,或可以校準。 ??? 電壓探頭的典型連接方法如圖A.6所示。連接長度應加以限制,可行的方案為長度盡可能限制在2m或對附加損耗加以校正。 ??? 相對于參考地應使用探頭測量各輸出端,并記錄測量結果。 ??? 試驗時,負載放在距離UPS0.8m的位置,負載的電纜長度為1m。 ??? 如果UPS的電源輸入端是通過一個人工電源網絡AMN相連,那么這個人工電源網絡必須保留在線路中,以維持規定的電源阻抗值。 A.7? 輻射發射的測量方法 ??? 在30MHz~1000MHz頻率范圍內,用準峰值檢波器接收機進行測量。 ??? 進行輻射場的測量應離開受試設備的邊框一定距離,受試設備的邊框由一條反映受試設備簡單幾何構型的假想直線組成。UPS和UPS系統間所有電纜應包含的這邊框內。 ??? 對A級UPS和B級UPS規定的測量距離見2.5.1。 A.7.1? 測量接收機 ??? 測量接收機應符合GB/T6113.1第1篇的要求。 A.7.2? 天線 ??? 天線應符合GB/T6113.1第14條的要求。 A.8? 試驗場地 A.8.1? 試驗場地 ??? 試驗場地應符合GB/T6113.1第15條的要求 A.8.2? 替代試驗場地 ??? 某些情況下,試驗可以在不完全具備A.8.1所述全部特性的替代場地進行試驗,但應證明這樣的替代試驗場地不致使測量數據失效。圖A.3是替代試驗場地的例子,不符合A?8.1的全部要求的接地平面是另一例子。 A.8.3? 用戶安裝現場試驗 ??? 在某些情況下,A級UPS或電流大于25A的限制銷售的UPS,可能需要在用戶安裝現場試驗。 這些測量最好在使用者房屋的邊界進行。如果該邊界離開受試設備不足30m,則應在距離受試設備30m處測量。 ??? 測量應按不同方位進行,按方位的測量點的數量應盡可能合理,符合實際。在相互垂直的方向至少測量4點,并且測量朝著任何有設備的方向,在該方向上可能產生有害影響。 ??? 現場的特性可能會影響測量,這種形式的兼容性測量僅限于用戶安裝現場試驗。附加的經過型式試驗和符合兼容性的UPS,可加到受試單元中,不會使測量的兼容性無效。 A.9? 輻射發射的設備布置 ??? UPS應按A.5.4的要求布置并運行,臺式設備布置按圖A.10,落地式設備的布置按圖A.11。 ??? 臺式UPS應放置在輻射發射試驗場地中高出水平接地面0.8m的非金屬的桌面上。 ??? 落地式UPS應直接放置在水平接地平面上,接觸點與正常使用一致,但與接地平面之間需要有12mm的絕緣隔離。 ??? 被設計成臺式或落地式的兩用設備,應按臺式的布置來進行試驗,除非典型安裝為地板放置,且采用相應布置。 ??? 那種設計在墻壁上安裝使用的設備,應按臺式UPS的布置來進行試驗,設備的取向應與正常運行時一致。 A.9.1? 輻射發射的測量 ??? 如A.4所述,找出相對于限值產生最大發射時的UPS布置、電纜布置和運行方式。用這種布置進行測量和記錄數據。 ??? 同時監視發射頻譜,改變天線高度、天線極化方向和UPS方向,以產生相對于限值的最大發射。 發射值低于限值不超過20dB時,相對于限值至少記錄6個最高發射的頻率點。在記錄每次發射時,記錄天線的極化方向。 A.9.2? 在強環境信號下的測量 ??? 按GB9254中第10.6的要求。 A.10? 騷擾功率的測量 ??? 從控制和管理角度看,對于B級UPS,騷擾功率的測量和限值比騷擾場強測量和限值更合適。騷擾功率的測量和限值待定。 A.11? 由UPS(磁場)產生的輻射磁場騷擾的測量 ??? (選項) ??? 試驗限值見附錄B。 ??? 在10kHz~30MHz的頻率范圍內,測量受試設備輻射的磁場分量。 ??? 如果測量是在屏蔽室內進行,屏蔽室尺寸應使天線位置距離各壁至少1m。受試設備放在離地板1m±0.2m的接地平面上。測量在離開受試設備產生最大騷擾面距離D=3m處進行。 ??? 產生最大騷擾面的定義為:在所考慮的頻帶范圍內,發射最大信號的那一面。使用頻譜分析儀來選擇該面和測量天線方位最為簡單。測量距離從天線的相位中心算起。 ??? 使用如圖A.1所示屏蔽環形天線進行測量,框架在一個垂直調整方向,以使其接收最大的磁場。
圖A.1? 測量發射騷擾的試驗方案
圖A.2? 測量電源端或UPS輸出端騷擾電壓的電路
注1:圖形邊界圍繞的場地上方應無反射電磁場,該空間的水平高度和對于水平接地平面至少應比天線與受試設備最高點高3m。 注2:替代場地的適用范圍見A.8.2。 圖A.3? 最小尺寸的替代試驗場地
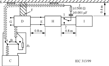
A:負載測量開關位置B:電源測量開關位置? C:RFI測量接收機D:人工電源網絡(AMN) E:AMN與UPS的電源連接F:接地片(長寬比最大3:1)G:輸入電源連接H:UPS I:負載J:電壓探頭K:參考地RE:端接電阻(50Ω) 注1:RFI的試驗接地應與AMN的地可靠連接在一起; 注2:當開關在A位置時,AMN測量裝置的端子上接一個適當的端接電阻; 注3:對于1級保護的UPS和/或負載,安全接地導體應與AMN的地連接在一起; 注4:UPS輸出端子1和2與負載之間的距離為0.8m,其連接線長度不超過1m。 圖A.4? 臺式設備傳導發射的測量布置
圖A.5? 落地設備的測量布置
注1:如果垂懸的互連電纜與接地平面距離不足0.4m,應來回折疊成0.3m-0.4m長的線束,懸掛在接地平面與臺面近似中間的位置。 注2:電源軟線的超長部分應在其中點折疊成線束或縮短至適宜的長度。 注3:UPS與一個AMN連接。所有的AMN和ISN也可以與垂直的接地平面,或者與金屬壁連接。 1)AMN和ISN與UPS之間的距離0.8m,距其它設備和其它金屬面至少0.8m; 2)電源軟線和信號電纜應盡量離垂直接地平面0.4m放置。 注4:外置蓄電池裝置和外部連接的I/O信號電纜,應按正常使用位置放置(如可能)。那些不與輔助設備AE相連的I/O信號電纜的末端可以端接適當的終端阻抗。 如果使用電流探頭,應將電流探頭放在離開ISN的0.1m處。 圖A.6? 臺式設備的傳導發射試驗布置
圖A.7臺式設備測量的布置平面圖(傳導發射測量)
圖A.8臺式設備的替代布置平面圖(傳導發射測量)
注1:I/O電纜的超長部分應在其中心位置折疊成0.3m~0.4m的線束。如果不可能捆扎,那么電纜應來回排成蛇形。 注2:電源軟線的超長部分應在中心位置進行捆扎或縮短至適當的長度。 注3:如果為了運行的需要,那些不與外設相連的I/O信號電纜的末端可以端接適當的終端阻抗。 注4:UPS和電纜與水平接地平面之間應絕緣(距離不大于12mm)。 注5:AMN可以直接放置在水平接地平面的上面或緊貼其下面。 注6:如果使用電流探頭,電流探頭應放在離ISN的0.1m處。 注7:外置蓄電池(如應用)應按常規的場地布置方式放置和布線。 圖A.9? 落地式設備的試驗布置圖(傳導發射測量)
注1:如果垂懸的互連電纜與接地平面距離不足0.4m,應來回折疊成0.3m~0.4m長的線束,懸掛在接地平面與臺面近似中間的位置。 注2:如果為了運行的需要,那些不與外設相連的I/O信號電纜的末端可以端接適當的終端阻抗。 注3:多插座的電源盒應與金屬接地平面等高,并直接搭接到接地平面上。如果使用AMN,應安裝在接地平面的下面。 注4:外置蓄電池(如應用)應按常規的場地布置方式放置和布線,參見2.4.4。 注5:外圍設備放置應保持0.1m距離。 注6:電源電纜應垂落至地面,不應增加連接到電源插座的電源軟線的長度。 圖A.10 臺式設備試驗布置圖(輻射發射測量)
注1:I/O電纜的超長部分應在其中心位置折疊成0.3m~0.4m的線束。如果不可能捆扎,那么電纜應來回排成蛇形。 注2:電源軟線的超長部分應在其中心位置進行捆扎或縮短至適當的長度。 注3:那些不與外設相連的I/O信號電纜應在中間進行捆扎,如果為了運行的需要,末端可以端接適當的終端阻抗。 注4:UPS和電纜與水平接地平面之間應絕緣(距離不大于12mm)。 注5:多插座的電源盒應與金屬接地平面等高,并直接搭接到接地平面上。如果使用AMN,應安裝在水平接地平板的下面。 注6:電源電纜和信號電纜應垂落至地面。 注7:外置蓄電池(如應用)應按常規的場地布置方式放置和布線,參見2.4.4。 圖A.11? 落地式設備試驗布置圖(輻射發射測量) |
電磁發射的試驗方法
- 電磁發射(9473)
相關推薦
熱點推薦
加速度老化試驗箱 橡膠材料加速熱老化試驗方法
20世紀20年代,加速度老化試驗箱問世,產生了熱空氣加速老化試驗方法。這種方法是將試驗樣品懸掛在給定條件的加速度老化試驗箱內,并周期性地檢查和測定試樣的外觀及性能變化,從而評定其耐熱性的一種方法
2017-06-22 14:03:15
發電機轉子交流阻抗試驗方法
轉子繞組是否有匝間短路。 二、試驗方法及注意事項 1.試驗方法 向轉子繞組施加交流電壓,讀取電壓、電流及功率損耗值。 施加電壓的大小通過調壓器調節。 2.試驗用儀器 (1)轉子交流阻抗測試儀、調壓器
2020-09-03 20:28:43
變壓器空載試驗的目的、試驗方法
變壓器空載試驗試驗方法的目的
變壓器空載試驗是為了確定10kV及以上變壓器勵磁臂的空載阻抗。
測量中變化電壓空載損耗的增加通常是由于繞組匝間短路、繞組層間短路、繞組并聯支路短路、各并聯匝數
2024-05-09 10:33:12
變頻串聯諧振試驗成套裝置試驗方法
的低電壓的交流耐壓試驗要求;下面我們就來了解下有關變頻串聯諧振試驗成套裝置的試驗方法:1、電流選擇根據電氣設備所需的電流IC,在變頻串聯諧振試驗成套裝置中選擇額定輸出電流In,使其大于所需電流IC。即
2020-01-08 15:39:32
家用元器件灼熱絲試驗方法解析
本文首先介紹了什么是灼熱絲試驗,描述了灼熱絲試驗方法的基本原理,并將這種試驗方法與其他常用的可燃性試驗方法進行了簡要的比較。此外,本文還列舉了進行灼熱絲試驗時應遵循的各種規范。什么是灼熱絲試驗
2017-10-10 12:00:39
常用電磁兼容試驗的試驗方法和試驗要點-錢振宇
;><strong>常用電磁兼容試驗的試驗方法和試驗要點-錢振宇</strong></font>&
2009-10-12 10:17:17
拉線位移編碼器合格的試驗方法
編碼器的合格試驗方法,精量電子在每一個編碼器出廠之前,都要經過嚴格的試驗來確定產品的合格,合格之后方可出廠,精量電子通過這樣一層層的考驗,才取得今天的成就,優良的品質,為企業贏得好評!`
2020-08-07 16:42:22
電力設備高壓試驗方法有哪些?
華天電力專業生產串聯諧振裝置,可進行各種高壓試驗。電力設備高壓試驗的方法有哪些?高壓試驗是檢測電力設備能否正常運行的一種常見且有效的手段,試驗方法當然也有很多,華天電力為您整理總結主要的三種試驗方法。
2018-11-01 10:11:48
電壓、電流互感器計量試驗方法和圖解
湖北中試高測電氣控股有限公司為您解答:電壓、電流互感器計量試驗方法和圖解 一、電壓、電流互感器的概述典型的互感器是利用電磁感應原理將高電壓轉換成低電壓,或將大電流轉換成小電流,為測量裝置、保護裝置
2020-09-22 21:29:46
針焰試驗儀的試驗方法
針焰試驗儀的試驗方法; 適用范圍: 該儀器測試固定電工絕緣材料受濕時表面火花放電能力,測定其相比漏電起痕指數CTI和漏電起痕指數PTI。它適用于潮濕環境條件下使用的絕緣材料,電機、電器
2017-11-27 18:15:19
高低溫試驗中散熱與非散熱樣品試驗的方法
規定試驗溫度,然后放入具有室溫的試驗樣品,這是一種簡便的節約時間的方法,本試驗方法適用于已知溫度突變對試驗樣品不產生損傷時的情況。 溫度漸變試驗Ab:先將具有室溫的試驗樣品放人亦為室溫的試驗箱內,然后
2015-08-04 17:45:11
電力系統遠方保護設備的性能及試驗方法--模擬比較系統
電力系統遠方保護設備的性能及試驗方法--模擬比較系統 GB/T 15149.2-1998 idt iec 834-2:1993
2009-01-13 22:21:46
8
8中外中性鹽霧試驗方法的比較
中外中性鹽霧試驗方法的比較:在各國鹽霧試驗標準和方法中,其試驗溶液、設備、壓力、溫度、噴霧量、試樣放置位置和角度等參數或項目,雖然各不相同,但通過合理的配置設備、控
2009-06-17 15:40:32
18
18電纜絕緣和護套材料通用試驗方法
GB/T2951標準規定了配電用電纜和通信電纜,包括船用電纜的聚合物絕緣和護套材料的試驗方法。GB/T2951.1規定了厚度和外形尺寸的測量方法及機械性能試驗方法。這些方法適用于最
2009-07-04 15:53:12
16
16電工電子產品環境試驗 第2部分:試驗方法試驗Eh:錘擊試驗
電工電子產品環境試驗 第2部分:試驗方法試驗Eh:錘擊試驗
采 用 不 同的錘對電氣設備進行撞擊試驗都可能產生機械應力。試驗的結果依賴于專用的試驗裝置,為了標準化的
2009-08-17 08:27:51
2
2光纖強度篩選(驗證)試驗方法縱向張力復繞法 YD/T 716
光纖強度篩選(驗證)試驗方法縱向張力復繞法的主要內容:本標準參照國際標準CCITTG650建議《單模光纖相關參數的定義和試驗方法》(1992)本標準規定了光纖強度篩選試驗的基
2009-08-20 14:52:04
33
33在出現無線電干擾情況時有線通信網的發射限值及試驗方法
在出現無線電干擾情況時有線通信網的發射限值及試驗方法:寬帶通信業務的部署改變了通信網的許多基本特征。其一,寬帶通信網絡中信號傳輸隨時都在進行,網絡占用時間是持續
2009-10-22 10:38:31
11
11動力轉向液壓泵試驗方法及試驗設備
文章分析了動力轉向液壓泵試驗方法的不足,提出了新的試驗方法,經生產實踐使用證明,該試驗方法易于操作,測試結果能真實、準確地反映轉向液壓泵的使用性能,并介紹了動
2009-12-11 15:32:58
9
9水泥基滲透結晶型防水材料試驗方法探討
本文主要討論水泥基滲透結晶型防水材料的試驗方法,包括材料本身的勻質性試驗,物理力學性能試驗、抗滲試驗、滲透深度測試的方法。材料性能的測試方法很多,要尋求能反映
2009-12-15 14:54:48
7
7聲發射試驗過程中避免噪音和干擾的方法
聲發射試驗過程中避免噪音和干擾的方法
雖然噪音(包括干擾)對于聲發射是一個問題,有許多有效的方法防止噪音。下面將仔細描述防止噪音的方法(見2.1
2010-03-20 10:03:36
30
30移動通信電源技術要求和試驗方法
主題內容與適用范圍:本標準規定了移動通信電源的技術要求和試驗方法。
本標準適用于供地面、內河或沿海作移動業務使用的,其額定輸出電壓為48V以下的直流穩壓電源
2010-06-04 10:43:52
8
8數字電視接收及顯示設備環境試驗方法 SJ/T11326—20
數字電視接收及顯示設備環境試驗方法 SJ/T11326—2006:本標準規定了數字電視接收及顯示設備的環境試驗方法。
本標準適用于數字電視接收及顯示設備,作為設計、生產和
2010-06-18 22:18:48
42
42親水性涂層牢固度試驗方法
YY/T 1898—2024親水性涂層牢固度試驗方法YY/T 1898—2024親水性涂層牢固度試驗方法是為了評估血管內使用的帶親水潤滑涂層醫用導管導絲的涂層牢固度而設計的。外觀檢查法:這種方法主要
2024-06-27 14:37:12
YY_T 0497-2018注射器剛性韌性試驗方法
YY_T 0497-2018注射器剛性韌性試驗方法YY/T 0497-2018是關于《一次性使用無菌胰島素注射器》的標準,其中包含了注射器的剛性和韌性試驗方法。剛性試驗方法試驗原理:通過施加一定
2024-06-27 14:42:34
GB 18671-2009注射針穿刺力試驗方法
GB 18671-2009注射針穿刺力試驗方法GB 18671-2009《一次性使用靜脈輸液針》標準中,關于輸液針穿刺力的試驗方法主要包括以下幾個步驟和要點:試驗前準備:確保被檢針和模擬皮膚在22
2024-06-27 14:44:33
變頻器的EMC標準及典型試驗方法
變頻器的EMC標準及典型試驗方法
1 變頻器裝置的電磁兼容性標準在我國,反映變頻器電磁兼容的標準有國標 GB12668.3-2003<<調
2009-10-15 14:19:55
7957
7957
醫用照明設備插入損耗試驗方法分析
[摘要]本文介紹了醫用照明設備的電磁兼容性發射要求,對醫用照明設備插入損耗試驗的試驗要求做 了詳盡的說明,深入分析了插入損耗試驗中不同的試驗方法對結果的影響。 [關鍵詞
2011-04-21 17:00:55
29
29基于電磁兼容的浪涌(沖擊)抗擾度試驗
電氣和電子設備。本部分的月的是建立一-個共同的基準,以評價電氣和電子設備在遭受浪涌(沖擊)時的性能。本部分規定了一個一致的試驗方法,以評定設備或系統對規定現象的抗擾度。往: 按GB/Z 18509- -2001規定,本部分是電磁兼容基礎標準,供各
2017-09-29 19:40:57
9
9電磁超聲換能器的電磁聲發射檢測方法
,根據EMAT和電磁聲發射兩種檢測方法的原理特性,實現EMAT對鐵磁材料的電磁聲發射檢測。對EMAT進行仿真分析和實驗,結合凱瑟效應和聲發射理論,給出裂紋活性的判定依據。仿真和實驗結果表明,EMAT可在鐵磁材料中激發聲發射信號,并實
2018-01-08 16:30:01
2
2【新專利介紹】基于關鍵器件的智能電能表加速退化試驗方法
2017年11月3日,國家電網公司申請了一項國家發明授權專利——基于關鍵器件的智能電能表加速退化試驗方法。本發明涉及計量設備運行檢定檢測技術領域,具體涉及一種基于關鍵器件的智能電能表加速退化試驗方法。
2018-07-21 09:53:00
1209
1209
電動汽車用動力蓄電池循環壽命要求及試驗方法的國家標準資料免費下載
本標準規定了電動汽車用動力蓄電池的標準循環壽命的要求、試驗方法、檢驗規則和工況循環壽命的試驗方法和檢驗規則。
2018-08-30 08:00:00
26
26模擬氣體閥門內漏的試驗裝置及試驗方法
今天為大家介紹一項國家發明授權專利——一種模擬氣體閥門內漏的試驗裝置及試驗方法。該專利由中國石油化工股份有限公司青島安全工程研究院申請,并于2017年7月18日獲得授權公告。
2019-02-14 14:04:13
1422
1422
過電壓保護器試驗方法
TBP型過電壓保護器試驗方法如下:試驗方案:過電壓保護裝置的放電電壓是決定被保護設備能否得到保護的重要指標。TBP型過電壓保護器與閥式避雷器結構相似,由放電間隙和非線性電阻串聯組成。決定這種結構
2019-08-13 14:24:42
14246
14246
彩色涂層鋼板及鋼帶試驗方法中對循環鹽霧的要求
新公布的GB/T 13448-2019彩色涂層鋼板及鋼帶試驗方法取代了GB/T 13448-2006版,值得一提的是,在GB/T 13448-2006 彩色涂層鋼板及鋼帶試驗方法中,只有中性鹽霧
2021-09-28 09:26:29
1754
1754這項電磁兼容國家標準正式發布,今年12月實施
5月21日,國家市場監督管理總局國家標準化管理委員會發布了《關于批準發布等386項推薦性國家標準和3項國家標準修改單的公告》。公告標準清單中包含GB/T?22148.3-2021《電磁發射的試驗方法
2021-06-09 10:00:26
4294
4294
GB-T3048.8-94電線電纜電性能試驗方法 交流電壓試驗
GB-T3048.8-94電線電纜電性能試驗方法 交流電壓試驗(電源技術應用停刊時間)-GB-T3048.8-94電線電纜電性能試驗方法 交流電壓試驗
2021-09-24 17:42:16
17
17GB-T3048.4-94電線電纜電性能試驗方法 導體直流電阻試驗
GB-T3048.4-94電線電纜電性能試驗方法 導體直流電阻試驗(開關電源技術課后答案)-GB-T3048.4-94電線電纜電性能試驗方法 導體直流電阻試驗
2021-09-24 17:48:01
9
9GB-T3048.14-92電線電纜 直流電壓試驗方法
GB-T3048.14-92電線電纜 直流電壓試驗方法(新能源通信電源技術)-GB-T3048.14-92電線電纜 直流電壓試驗方法
2021-09-24 17:54:03
10
10GB-T3048.15-92電線電纜 絕緣線芯直流火花試驗方法
GB-T3048.15-92電線電纜 絕緣線芯直流火花試驗方法(電源技術期刊是免費還是收費)-GB-T3048.15-92電線電纜 絕緣線芯直流火花試驗方法
2021-09-24 17:57:32
5
5IEC61439電氣標準:低壓成套開關設備和控制設備試驗方法
根據IEC61439電氣安全測試標準;低壓成套開關設備和控制設備試驗方法及安規儀器PROFITEST PRIME介紹
2022-09-16 11:28:15
6895
6895
高低溫試驗箱的試驗方法淺析
高低溫試驗箱的試驗方法分為非散熱試驗樣品和散熱試驗樣品(即被測樣品是否有熱值,業界常說)。以下是各種試驗方法的應用比較:
1.非散熱試樣和散熱試樣:在條件試驗期間,當在自由空氣條件下(即無
2022-11-10 17:10:48
1607
1607
GJB標準 軍用設備環境試驗方法
3GJB150.5-86軍用設備環境試驗方法溫度沖擊試驗4GJB150.6-86軍用設備環境試驗方法溫度--高度試驗5GJB150.7-86軍用設備環境試驗方法太陽輻射
2023-02-23 14:21:05
6319
6319
IEC 68-2-14 試驗方法 N :溫度變化
1.測試目的本試驗法之目的在決定試件于溫度變化或溫度連續變化環境下所受之影響。2.范圍本試驗法可區分為:試驗方法Na:在特定時間內快速溫度變化。試驗方法Nb:在特定溫度變率之溫度變化。試驗方法Nc
2023-03-08 16:53:53
3344
3344
醫用液體和氣體用小孔徑連接壓力衰減泄漏試驗方法
醫用液體和氣體用小孔徑連接件性能測試標準:YY/T 091620-2019 / ISO80369-20:2015,標準介紹了壓力衰減泄漏試驗方法,該液體泄漏試驗方法與IS0594系列標準規定的方法
2023-03-30 15:04:30
1659
1659
高低溫試驗箱的標準要求和試驗方法
要滿足高低溫試驗箱的標準要求,以及進行相應的試驗方法。
《GB11158-2008高溫試驗箱技術條件》是一項技術規范,適用于高溫試驗箱等高溫環境測試設備的設計、制造及檢測。其目的是確保高溫
2023-05-16 10:35:48
4542
4542
鋰電池高溫試驗方法
方法主要有熱濫用試驗、溫度循環試驗高溫放置試驗等。 1、熱濫用試驗 IEC 62133:2002規定的熱濫用試驗方法是將充滿電的電池在室溫下穩定后放人一個自然或循環空氣對流的恒溫恒濕試驗箱中,試驗箱以5 ℃/min±2℃/min的速率升溫至130℃±2℃。保持此溫度,10 min后停止試驗
2023-06-20 09:39:43
2299
2299國內外銅線鍵合拉力試驗方法標準對比分析
歡迎了解 張秋?閆美存 中國電子技術標準化研究院 摘要: 為滿足銅線鍵合拉力試驗需求,從拉力施加位置、失效模式分類、最小拉力值以及試驗結果的應用等4 個方面對國內外銅線鍵合拉力試驗方法標準的技術內容
2023-12-22 08:40:17
2516
2516
三相繼電保護試驗裝置的試驗方法——每日了解電力知識
今天武漢摩恩智能電氣有限公司帶大家了解一下 MEJB-902B三相繼電保護試驗裝置。 MEJB-902B三相繼電保護試驗裝置各種繼電器的試驗方法: 1、交流電壓/電流/反時限電流繼電器校驗 在交流
2024-06-21 10:59:49
2127
2127
掃地機器人高溫高濕試驗標準詳解及試驗方法
掃地機器人的高溫高濕試驗標準主要參考了一系列國家標準和國際標準,這些標準詳細規定了試驗的溫度、濕度、持續時間以及試驗方法等。以下是一些具體的掃地機器人高溫高濕試驗標準:
一、國家標準
1
2024-07-13 10:11:17
2649
2649
凱迪正大分享電纜交流電壓檢測的試驗方法及其重要性
電纜交流電壓檢測作為評估電纜工作狀態、預防故障發生的重要方式之一,其試驗方法的選擇與執行至關重要。本文講結合凱迪正大的實操經驗探討電纜交流電壓檢測的基本原理、常用試驗方法、操作步驟及其在實際應用中的重要性。
2024-08-12 15:41:48
1229
1229C-V2X測試探秘系列之電磁兼容試驗方法
就是為了確保在復雜電磁環境下,汽車的通信系統仍然可以正常工作,保護駕乘者的安全。參考《QCT-基于LTE-V2X直連通信的車載信息交互系統技術要求及試驗方法-1》標
2025-01-08 10:03:33
1348
1348
絕緣子做工頻交流耐壓試驗方法及講解
述方法檢出的絕緣子。對于單元件的支柱絕緣子,交流耐壓試驗目前是最有效、最簡易的試驗方法。各級電壓的支柱絕緣子的交流耐壓試驗電壓值如表4—2所示。對于35kV針式支柱
2025-04-11 15:36:49
1349
1349
電子發燒友App





評論