反向恢復過程: ? ? 通常把二極管從正向導通轉為反向截止所經過的轉換過程稱為反向恢復過程 。由于反向恢復時間的存在,使二極管的開關速度受到限制。 ??? 試想一下,如果二極管的反向恢復時間長,那就
2022-12-10 17:06:38
20942 
碳化硅二極管是單極器件,因此與傳統的硅快速恢復二極管(硅FRD)相比,碳化硅二極管具有理想的反向恢復特性。當器件從正向切換到反向阻斷方向時,幾乎沒有反向恢復功率,反向恢復時間小于20ns,甚至600V10A碳化硅二極管的反向恢復時間也小于10ns。
2023-02-08 17:23:23
3979 
除了上面的伏安特性曲線以外,對于二極管,你還需要知道兩個特性:二極管電容和反向恢復時間。這兩個特性掌握了之后,那對于通常的二極管來說,你該知道的基本上就算都知道了。
2023-02-14 11:44:27
1779 
超快恢復二極管是一種具有開關特性好、反向恢復時間超短的半導體二極管,常用來給高頻逆變裝置的開關器件作續流、吸收、箝位、隔離、輸出和輸入整流器,使開關器件的功能得到充分發揮。超快恢復二極管是用電設備
2023-07-08 10:08:33
3007 
二極管正向導通時,電子存儲在P區,空穴存儲在N區,此現象叫做電荷存儲效應。外加反向電壓時,電子和空穴分別往相反方向移動,形成反向漂移電流,同時與其他多數載流子復合,待電子和空穴明顯減小后,反向恢復過程完成,二極管截至。
2023-10-18 09:41:50
6056 
為解決功率二極管反向恢復問題已經出現了很多種方案。一種思路是從器件本身出發,尋找新的材料力圖從根本上解決這一問題,比如碳化硅二極管的出現帶來了器件革命的曙光,它幾乎不存在反向恢復的問題。
2024-03-27 11:25:34
3652 
二極管是單向導通,那么反向恢復時間是什么,需要怎么測試
2023-09-27 07:51:57
導通時少數載流子積累的現象稱為電荷儲存效應。二極管的反向恢復過程就是由于電荷儲存所引起的。反向電流保持不變的這段時間就稱為儲存時間ts。在ts之后,P-N結上的電流到達反向飽和電流IR,P-N結達到平衡
2024-07-16 10:52:56
)功率二極管反向恢復特性(b)二極管關斷原理電路(c)關斷過程中非平衡載流子濃度分布變化圖反向恢復過程從時間T=0開始,施加反向電壓V,可以看見,正向電流Ifm開始減小,知道T0時正向電流將為0。從T
2023-02-14 15:46:54
反向恢復時間就是存儲電荷耗盡所需要的時間。二極管和一般開關的不同在于,"開"與"關"由所加電壓的極性決定, 而且"開"態有微小的壓降Vf
2019-12-03 10:16:05
想請教大家一下LLC輸出二極管是零電流開通和關斷,不存在反向恢復的問題,是否可以采用普通二極管?求解答謝謝
2016-01-07 17:07:05
設定反向恢復時間的trr。我右鍵edit model仔細看過了確實也沒有反向恢復時間這個參數,我也調出來本來庫里有的快恢復二極管MUR系列,右鍵edit model也沒有看到設定反向恢復時間的參數。請大神指點,怎么修改反向恢復時間,很重要,多謝多謝,回帖有加分。
2018-04-04 09:08:27
過程都會造成二極管的過電壓,二極管兩端的電壓由公式2決定: ③ 反向恢復損耗的概念可能大家都比較清楚了,二極管的反向恢復電流乘以反向電壓就是二極管的瞬時功率,在反向恢復時間內對二極管的瞬時功率積分
2020-12-08 15:44:26
反向恢復的幾種方法為解決功率二極管反向恢復問題已經出現了很多種方案。一種思路是從器件本身出發,尋找新的材料力圖從根本上解決這一問題,比如碳化硅二極管的出現帶來了器件革命的曙光,它幾乎不存在反向恢復
2017-08-17 18:13:40
在開關電源二次側的輸出整流電路中,一般選用反向恢復時悶較短的整流二極管,常用的主要有快恢復二極管、超快恢復二極管、肖特基勢壘二極管。 快恢復二極管和超快恢復二極管廣泛用于PWM脈寬調制器、開關電源
2020-10-29 08:50:49
為什么普通整流二極管都沒標反向恢復時間?
2023-04-20 16:43:24
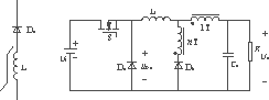
以AC/DC Boost開關電源為例,如圖1所示,主電路中輸人整流橋二極管產生的反向恢復電流的di/dt遠比輸出二極管D反向恢復電流的|di/dt|要小得多。圖2是圖1開關電源中輸人整流橋二極管
2021-06-30 16:37:09
上一篇文章我們詳細討論了二極管的結電容:勢壘電容和擴散電容。我們也知道了數據手冊中所給出的結電容參數,它的大小和反向恢復時間沒有關系。如下表所示:序號種類型號結電容反向恢復時間封裝品牌1普通
2021-10-18 10:28:06
什么是反向恢復過程?二極管在開關轉換過程中出現的反向恢復過程是由于什么原因引起的?
2021-06-29 07:28:24
):1.5V芯片尺寸:120MIL浪涌電流Ifsm:300A漏電流(Ir):10uA工作溫度:-50~+150℃恢復時間(Trr):35nS引線數量:3 二極管SFF3006反向恢復過程,現代脈沖電路中大
2021-11-30 16:28:50
存在反向恢復電流。可以考慮降低電源二極管的最大額定電流,使用尺寸更小的二極管。電源更緊湊,功率密度更高,可以提高開關頻率,功耗更低。SiC技術之所以能夠提供這些優點是因為在正常導通器件,不會累積反向恢復電荷。缺點是價格比較高。原作者:蝸牛 硬件筆記本
2023-02-15 14:24:47
,這個功率在上部開關和體二極管之間分離開來。如果di/dt和Ifwd條件與我的應用相類似,我將25°C溫度下損耗的2倍作為與恢復相關損耗的估算值。那么,你打算拿這些損耗怎么辦呢?實際電路中,由反向恢復導致
2018-09-03 15:17:44
轉換器內所使用的MOSFET體二極管的反向恢復。氮化鎵—GaN器件不會表現出反向恢復特性,并因此避免了損耗和其它相關問題。借助于我的LMG5200和一個差不多的基于硅FET的TPS40170EVM-597
2022-11-17 06:32:52
,而是利用金屬與半導體接觸形成的金屬-半導體結原理制作的。因此,肖特基二極管也稱為金屬-半導體(接觸)二極管或表面勢壘二極管。由于肖特基二極管的開關速度非常快,開關損耗也特別小,反向恢復時間極短(可以小到
2015-06-19 14:52:18
PIN硅片。因基區很薄,反向恢復電荷很小,所以快恢復二極管的反向恢復時間較短,正向壓降較低,反向擊穿電壓(耐壓值)較高。 通常,5~20A的快恢復二極管管采用TO–220AB塑料封裝,20A以上的大功率快
2021-06-30 13:51:20
二極管反向恢復時間測試儀 長春艾克思科技有限責任公司滿足國家標準:GB/T8024-2010,使用矩形波法測試反向恢復時間。一:主要特點A:測量多種二極管B:二極管反向電流峰值100A(定制)C
2015-03-05 09:30:50
如何選擇開關電源次級輸出的整流二極管的反向恢復時間?
2023-05-15 17:47:45
?快恢復二極管反向恢復時間(tr)的定義:電流通過零點由正向轉換到規定低值的時間間隔。它是衡量高頻續流及整流器件性能的重要技術指標。在快恢復二極管里,IF為正向電流,IRM為最大反向恢復電流。Irr
2021-05-14 14:12:50
快恢復二極管與普通整流二級管最大的區別就是快恢復二極管的反向恢復時間。那么快恢復二極管的反向恢復時間是如何定義的呢?下面來給大家普及一下基礎知識:快恢復二極管反向恢復時間(trr)的定義:電流
2017-02-10 17:51:37
快恢復二極管與普通整流二級管最大的區別就是快恢復二極管的反向恢復時間。那么快恢復二極管的反向恢復時間是如何定義的呢?下面來給大家普及一下基礎知識:快恢復二極管反向恢復時間(trr)的定義:電流
2021-08-13 17:15:07
變化時,通過連續性調整功率管壓降來獲得穩定的輸出電壓的一種電源,這種調整管工作時候處于線性放大狀態,這種電路對于整流二極管反向恢復時間要求不是很高,因此這種電源整流二極管只要滿足最大整流電流。最大反向
2023-02-17 14:08:01
客戶簡單講解一下。肖特基二極管是屬于低功耗、大電流、超高速的半導體器件,其特長是開關速度非常快,反向恢復時間可以小到幾個納秒,正向導通壓降僅0.4V左右,而整流電流卻可達到幾千安。所以適合在低電壓、大電流
2015-10-19 11:26:11
快恢復二極管,它具有開關特性好,反向恢復時間短、正向電流大、體積較小、安裝簡便等優點。可作高頻、大電流的整流、續流二極管,在開關電源、脈寬調制器(PWM)、不間電源(UPS)、高頻加熱、交流電
2022-03-31 10:04:12
快恢復二極管(簡稱FRD)是一種具有開關特性好、反向恢復時間短特點的半導體二極管,主要應用于開關電源、PWM脈寬調制器、變頻器等電子電路中,作為高頻整流二極管、續流二極管或阻尼二極管使用。 快恢復
2021-09-09 06:52:46
快恢復二極管(簡稱FRD)是一種具有開關特性好、反向恢復時間短特點的半導體二極管,主要應用于開關電源、PWM脈寬調制器、變頻器等電子電路中,作為高頻整流二極管、續流二極管或阻尼二極管使用。 快恢復
2015-11-27 17:55:42
高壓二極管反向恢復時間測試儀滿足國家標準:GB/T 4023-1997,使用矩形波法測試反向恢復時間。一:主要特點A:測量多種高速高壓二極管 B:二極管反向電流峰值50mA(定制)C:二極管正向
2015-03-11 14:02:20
`<div> 揭秘肖特基二極管的反向恢復時間 肖特基二極管和一般二極管的差異在于反向恢復時間,也就是肖特基二極管由流過正向電流的導通狀態,切換到不導通狀態所需的時間
2018-11-02 11:54:12
整流二極管的反向恢復過程
2021-01-08 06:22:44
;肖特基二極管的耐壓能常較低,但是它的恢復速度快,可以用在高頻場合,故開關電源采用此種二極管作為整流輸出用,盡管如此,開關電源上的整流管溫度還是很高的。快恢復二極管是指反向恢復時間很短的二極管(5us以下
2019-06-12 02:34:10
` 肖特基(Schottky)二極管是一種快恢復二極管,它屬一種低功耗、超高速半導體器件。其顯著的特點為反向恢復時間極短(可以小到幾納秒),正向導通壓降僅0.4V左右。肖特基(Schottky
2018-10-22 15:32:15
肖特基二極管是什么? 肖特基二極管是以金屬和半導體接觸形成的勢壘為基礎的二極管,簡稱肖特基二極管。肖特基二極管屬于低功耗、超高速半導體器件,其反向恢復時間可小到幾個納秒(2-10ns納秒),正向壓降
2016-04-19 14:29:35
、放電時間,完全不同于PN結二極管的反向恢復時間。由于SBD的反向恢復電荷非常少,故開關速度非常快,開關損耗也特別小,尤其適合于高頻應用。 具有開關頻率高和正向壓降低等優點,但其反向擊穿電壓比較低,大多不高于60V,最高僅約100V,以致于限制了其應用范圍。`
2018-10-25 14:48:50
一、二極管從正向導通到截止有一個反向恢復過程在上圖所示的硅二極管電路中加入一個如下圖所示的輸入電壓。在0―t1時間內,輸入為+VF,二極管導通,電路中有電流流通。 設VD為二極管正向壓降(硅管為
2020-02-25 07:00:00
請教一下大佬二極管的反向恢復時間是什么意思?
2023-04-04 14:39:39
編輯-Z超快恢復二極管如何選?我們在選用超快恢復二極管時要注意什么呢?下面給大家介紹一下ASEMI超快恢復二極管資料。 當我們選擇超快恢復二極管整流器時,總是會關注反向恢復時間trr(它代表從指定
2021-10-25 17:34:10
超高速二極管反向恢復時間測試儀一:主要特點A:測量多種二極管B:二極管反向電流2.5~10mAC:二極管正向電流2.5~50mA D:測量精度1nSE:二極管接反、短路開路保護F:示波器圖形顯示G
2015-03-11 13:56:18
用慢恢復管,理由是慢恢復管由于其反向恢復時間比較長,這樣鉗位電容中的一部分能量會在二極管反向恢復過程中回饋給電路,這樣整個 RCD電路的損耗可以降低。不過這個只適合小電流,低di/dt的場合。比如小功率
2020-09-18 17:00:12
電源所用的快恢復整流二極管都是肖特基二極管結構。這種快恢復整流二極管充分利用肖特基二極管多數載流子導電,因而正、反向恢復時間都短的優勢,實現高頻高效整流。 功率二極管的正向恢復時間理解為:一個尚未導
2011-07-14 08:32:21
二極管反向恢復時間及簡易測試在開關電路中應用的二極管,反向恢復時間是一個主要參數。用圖示儀器直接觀察特性曲錢是理想的測試方法,但需要專用測試設備。本文闡述了二
2008-11-19 18:09:16
116 :本文簡要地介紹了超快速二極的性能管對電力電子電路的影響和現代功率變換對超快速二極管反向恢復特性的要求,超快速二極管的反向恢復參數與使用條件的關系和一些最新超快
2009-10-19 10:24:09
39 測量功率二極管的反向恢復時間簡單有效方法
在互聯網上很少看到測量二極管的反向恢復時間(trr and Irr)簡單有效方法。一些在網上提供的方法,或者需要特別的
2009-11-11 09:48:31
101 超快速二極管的反向恢復特性摘要:本文簡要地介紹了超快速二極的性能管對電力電子電路的影響和現代功率變換對超快速二極管反向恢復特性的要求,超快速
2009-11-11 11:22:48
19 快恢復二極管,快恢復二極管是什么意思
快恢復二極管(簡稱FRD)是一種具有開關特性好、反向恢復時間短特點的半導體二極管,
2010-02-27 09:08:46
2851 本文主要介紹了電力二極管型號及選型。電力二極管的主要類型電力二極管的應用范圍廣,種類也很多,按照正向壓降、反向耐壓、反向漏電流等性能,特別是反向恢復特性的不同,介紹幾種常用的電力二極管。其主要類型有普通二極管、快恢復二極管、肖特基二極管。下面來看看具體分析。
2018-01-16 10:46:19
18963 快恢復二極管(簡稱FRD)是一種具有開關特性好、反向恢復時間短特點的半導體二極管,主要應用于開關電源、PWM脈寬調制器、變頻器等電子電路中,作為高頻整流二極管、續流二極管或阻尼二極管使用。 快恢復
2018-01-21 11:51:39
53639 快恢復二極管(簡稱FRD)是一種具有開關特性好、反向恢復時間短特點的半導體二極管,主要應用于開關電源、PWM脈寬調制器、變頻器等電子電路中,作為高頻整流二極管、續流二極管或阻尼二極管使用。
2018-01-22 09:07:03
13524 快恢復二極管(簡稱FRD)是一種具有開關特性好、反向恢復時間短特點的半導體二極管,主要應用于開關電源、PWM脈寬調制器、變頻器等電子電路中,作為高頻整流二極管、續流二極管或阻尼二極管使用。 快恢復二極管的內部結構與普通PN結二極管不同
2018-01-24 10:09:01
38655 
快恢復二極管的內部結構與普通PN結二極管不同,它屬于PIN結型二極管,即在P型硅材料與N型硅材料中間增加了基區I,構成PIN硅片。因基區很薄,其反向恢復電荷很小,所以快恢復二極管的反向恢復時間較短,正向壓降較低,反向擊穿電壓較高。
2019-06-14 14:31:56
14263 快恢復二極管(簡稱FRD)是一種具有開關特性好、反向恢復時間短特點的半導體二極管,主要應用于開關電源、PWM脈寬調制器、變頻器等電子電路中,作為高頻整流二極管、續流二極管或阻尼二極管使用。
2019-07-01 16:41:47
28117 
本文首先從反向恢復時間,結構特點和常規檢測方法出發介紹了快恢復二極管的性能特點,然后說明了用快恢復二極管的注意事項。
2019-08-09 15:48:35
4284 在開關電源二次側的輸出整流電路中,一般選用反向恢復時悶較短的整流二極管,常用的主要有快恢復二極管、超快恢復二極管、肖特基勢壘二極管。
2020-07-10 11:51:12
5543 
將寬禁帶半導體器件SiC肖特基二極管引入到直流開關電源的PFC電路中,可以在不改變電路拓撲和工作方式的情況下,有效解決硅二極管反向恢復電流給電路帶來的許多問題,極大地改善電路的工作品質。
2020-10-02 16:11:00
10338 
,對IGBT形成電流沖擊,不利于IGBT的可靠運行。 功率二極管存在顯著的電導調制和電荷存儲效應,其開、關狀態的改變需要一定的時間。在正向恢復過程中,開通初期出現高出正常通態壓降2~10倍的電壓尖峰;而在反向恢復過程中,關斷初期不能承受
2020-10-12 01:56:41
1629 電子發燒友網為你提供快恢復二極管反向恢復時間及參數資料下載的電子資料下載,更有其他相關的電路圖、源代碼、課件教程、中文資料、英文資料、參考設計、用戶指南、解決方案等資料,希望可以幫助到廣大的電子工程師們。
2021-04-01 08:49:24
21 ,反向恢復時間更小。 如此一來,使用肖特基二極管肯定損耗是更小的,溫度更低,也不會燙成狗,這樣整個開關電源效率也更高。 上面這一段話,想必大家都知道,不過僅從文字上面看,有一種模糊,不那么透徹的感覺,今天就主要結合實例,對
2021-08-16 11:02:38
15674 
,它有普通整流二極管、快恢復二極管、超快恢復二極管、肖特基二極管等。那么什么是二極管的反向恢復時間呢?它和結電容之間有什么關系呢?下面列舉常用二極管的反向恢復時間: 普通二極管:反向恢復時間一般 500ns以上; 快恢復二極管:反向
2021-09-22 15:07:03
39423 
快恢復二極管工作原理及特點作用快恢復二極管(簡稱FRD)是一種具有開關特性好、反向恢復時間短特點的半導體二極管,主要應用于開關電源、PWM脈寬調制器、變頻器等電子電路中,作為高頻整流二極管、續流
2021-11-07 13:35:59
29 二極管從正向導通到截止有一個反向恢復過程
2022-02-09 11:34:04
3 救世主GaN來了!第1部分:體二極管反向恢復。
2022-11-03 08:04:34
2 二極管的反向恢復過程,實際上是其工作點從導通過度到截止。 二極管從處于導通狀態到處于關斷的狀態,不是在一個時間點上完成的,而是在一段時間內完成的,這段時間伴隨著二極管兩端的電壓和流過它的電流的劇烈
2023-02-23 09:51:45
4 反向恢復時間(trr):正向二極管電流衰減為零后,由于兩層中存在存儲電荷,二極管繼續反向導通。反向流動的時間稱為反向恢復時間(trr)。二極管保持其阻斷能力,直到反向恢復電流衰減為零。
2023-02-23 15:50:30
8887 
二極管的反向恢復時間是指在二極管從正向導通到反向截止狀態時,當反向電壓被突然移除或者反向電流被截止時,二極管內部存在的載流子需要一定時間從快速流動狀態回復到均衡狀態的時間。在這個過程中,二極管的反向電流會迅速減小,直到達到零電流的狀態。
2023-02-25 15:38:46
7913 當我們對于用實際組件來實現轉換器有更加深入的了解時,這個波形變得復雜了很多。不斷困擾開關轉換器的一個特別明顯的非理想狀態就是同步降壓或升壓轉換器內所使用的MOSFET體二極管的反向恢復。氮化鎵
2023-04-15 09:15:12
5736 
肖特基二極管的反向恢復時間表示的是從正向導通狀態切換到反向截止狀態時所需的時間。它是指當肖特基二極管從正向導通到反向截止時,電流停止流動,并且由于電荷存儲效應而需要一定的時間才能完全恢復到截止狀態的時間。
肖特基二極管是一種特殊構造的二極管,具有快速開關速度和低反向恢復時間的特點。
2023-08-24 15:45:11
5895 和應用。 一、作用 IGBT反向并聯二極管可以向后置之間的電流流經IGBT,從而降低二極管的電壓下降和反向恢復電阻。IGBT是一種具有高電壓和高電流承受能力的開關器件,但在應用中,由于其內部電容和反向恢復時間較長,因此可能會出現延遲關斷和過電壓等問
2023-08-29 10:32:24
10876 并不能像理想二極管那樣完美的工作,它在正向偏置電壓瞬間變為反向偏置電壓的時候,并不能立刻恢復到截止狀態,這里存在一個逐漸轉變的過程,這個過程我們稱之為反向恢復過程。 反向恢復過程 通常我們把二極管從正向導通轉為反
2023-11-01 16:48:03
2292 
【科普小貼士】肖特基勢壘二極管(SBD)的反向恢復特性
2023-12-13 14:42:08
2109 
器件損壞。為了保護二極管不受反向擊穿的影響,可以使用二極管反向恢復電路。 二極管反向恢復電路是一種用于減小反向恢復電流的電路,通常由二極管和電感器構成。當二極管處于正向導通狀態時,電感器存儲了能量;當二極管從導
2023-12-18 11:23:57
4138 二極管反向恢復電流是指二極管在截止狀態突然轉為正向偏置時,會出現一個瞬時的反向電流。這個反向電流也被稱為反向恢復電流或逆向恢復電流。 二極管是一種具有兩個電極(正級和負級)的電子元件,用于將電流限制
2023-12-22 15:08:04
5144 特殊設計的二極管,它具有短恢復時間、低反向恢復電流和高浪涌電容的特點。它通常用于高頻開關電路和需要快速反向恢復的應用,如電源開關模式電源和電機驅動等。快恢復二極管的主要特點在于其恢復時間較短,能夠快速地關斷電
2024-01-12 14:43:58
5090 生反向恢復過程。 反向恢復過程是指當二極管的正向電壓減小到零或反向電壓增加到零時,電流不能立即停止流動,而是經過一個反向電流的過程。這個過程通常包括兩個階段:反向恢復時間和存儲時間。 反向恢復時間(Recovery Time):反
2024-01-12 17:06:11
6947 
二極管的反向恢復時間(Reverse Recovery Time)是衡量其從導通狀態切換到截止狀態時性能的一個重要參數。 反向恢復時間是指二極管從正向導通狀態切換到反向截止狀態時,反向電流下降到其
2024-01-31 15:15:47
8266 
二極管反向恢復是二極管在特定操作條件下展現出的一個重要特性,它涉及到二極管從正向導通狀態轉換到反向偏置狀態(或相反過程)時的動態行為。以下是對二極管反向恢復的定義、原理以及相關特性的詳細闡述。
2024-09-10 15:31:42
4643 快恢復二極管是一種專為快速切換應用而設計的二極管,主要用于高頻整流、開關電源和逆變器等領域。1.反向恢復時間(ReverseRecoveryTime,t_rr)反向恢復時間是快恢復二極管最重要的參數
2024-09-11 13:51:12
2214 
二極管反向恢復的頻率響應是一個涉及二極管在高頻操作條件下性能的重要概念。它主要描述了二極管在經歷從正向導通狀態到反向偏置狀態(或相反過程)時,其電流和電壓變化對頻率的依賴關系。以下是對二極管反向恢復頻率響應的詳細闡述。
2024-09-13 16:31:30
1436 二極管作為一種重要的半導體器件,在電子電路中扮演著至關重要的角色。然而,在二極管的實際應用中,反向恢復損耗是一個不容忽視的問題。本文將對二極管的反向恢復損耗進行詳細探討,包括其定義、產生機理、計算方法以及降低損耗的措施等方面。
2024-10-12 16:53:54
5157 功率二極管的反向恢復現象是電力電子領域中一個至關重要的概念,它涉及到二極管在正向導通狀態與反向偏置狀態之間轉換時的動態行為。以下是關于功率二極管的反向恢復現象的詳細闡述,包括其定義、原理、特性、影響以及應用等。
2024-10-15 17:57:45
3273 高效率二極管在電力電子和開關電源中扮演著關鍵角色,它們通過提供快速的開關速度和低導通壓降,顯著提升電源系統的效率。在相同負載條件下,不同二極管反向恢復時間的表現可能會有所不同,影響開關頻率、系統效率
2024-12-23 11:11:25
1567 
現代集成電路中MOSFET的體二極管的反向恢復特性對系統安全具有重要影響,本文探討了Diode的反向恢復特性的機理和模型原理。 ? 半橋、全橋和 LLC 的電源系統以及電機控制系統的主功率
2025-01-03 10:36:29
2014 
整流二極管是電力電子領域中不可或缺的元件之一,其性能直接影響到電源的效率和可靠性。反向恢復時間(trr)作為整流二極管的關鍵參數之一,對二極管的工作性能有著顯著的影響。 1. 反向恢復時間的定義
2025-01-15 09:32:41
1894 在電子電路中,二極管是一種基本的半導體器件,用于整流、穩壓、信號調制等多種應用。二極管的反向恢復時間是衡量其在高頻開關應用中性能的關鍵參數。 一、反向恢復時間的定義 當二極管從正向導通狀態突然變為
2025-02-07 09:34:43
2587 1.快恢復二極管概述快恢復二極管(FastRecoveryDiode,FRD)是一種專門用于高頻整流應用的二極管,其特點是具有短反向恢復時間(trr)和低反向恢復電流(Irr),相比普通整流二極管
2025-03-27 11:11:26
886 
在開關電源、高頻整流和逆變器等電路中,二極管的反向恢復時間直接關系到系統效率、EMI表現甚至可靠性。合科泰通過芯片設計與工藝創新,為市場提供了反向恢復時間性能優異的二極管產品。那么,什么是二極管的反向恢復時間?它會產生哪些影響?合科泰又是如何應對這一問題的呢?
2025-09-22 11:00:34
1020
評論