UPS雙母線一體化配電解決方案
0??? 引言
??? 結合上海某電力系統具體情況,我們做出了艾默生專業機房設備解決方案。該方案展示了最新專業機房系統全貌,為最安全最可靠的UPS并機雙母線冗余供電系統。
1??? 機房配電方案
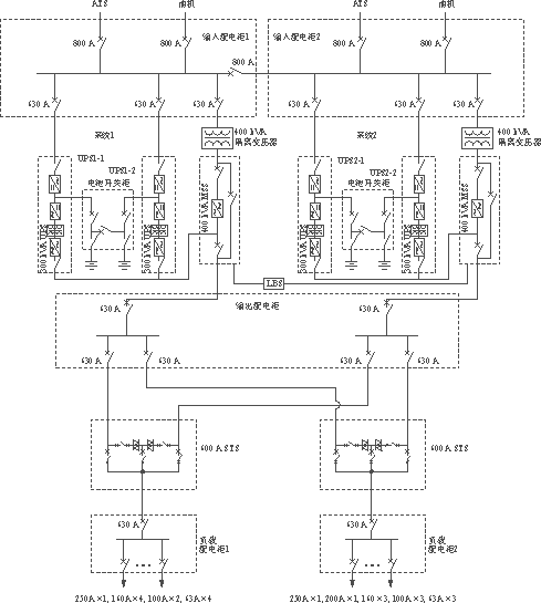
??? 根據機房的實際情況,配置情況如圖1所示。
圖1??? 雙母線一體化配電方案
??? 配置4臺容量為300kVA的Hipulse系列12脈沖整流UPS,每2臺(1+1)帶并機柜提供雙母線供電,每臺UPS配置192節GNB1000AH/2V電池,兩臺合計384塊。雙母線合計768塊。
??? 系統1由UPS1-1和UPS1-2兩臺帶并機柜并機。并在旁路柜前增加一臺隔離變壓器,當UPS轉旁路時,消除市電對負載諧波干擾及降低零地電壓。兩臺UPS平時可各帶50%負載,當一臺UPS有故障時,另一臺可帶100%負載繼續供電。當兩臺UPS同時有故障時,可經UPS靜態旁路開關柜MSS轉到旁路供電。
??? 系統2由UPS2-1和UPS2-2兩臺帶并機柜并機。并也在旁路柜前增加一臺隔離變壓器。系統2的結構和工作原理同系統1。
??? 平時,系統1與系統2分別帶自己的負載。系統1經UPS1輸出柜和靜態轉換開關600ASTS1帶重要PC負載,系統2經UPS2輸出柜和靜態轉換開關600ASTS2帶通信設備、電梯照明等負載。當其中一個系統供電母線上的任何設備或電纜需要維護或故障時,其負載可經靜態轉換開關切換至另一個系統供電。由此,做到了點對點的冗余,極大增加了整個系統的可靠安全性。
??? 在兩套系統的相互切換過程中,為保證二者可以同頻率、同相位,艾默生提供一種LBS負載總線同步跟蹤控制器。在它的控制管理下,如果UPS供電系統2出現供電故障,具有自動跟蹤控制功能的負載總線同步跟蹤控制器和靜態轉換開關會讓系統1暫時承擔起全部負載的供電任務。在此期間,用戶就可對系統2進行脫機檢修。
??? 兩套系統分別配外置維修旁路,外置維修旁路由1個空氣開關組成。當系統需要維護時,可由該旁路供電。在外置維修旁路柜及UPS系統并機柜的內置維修旁路開關上,各安裝有一個CASTELLKEY互鎖裝置,以保證二者之間的安全正確切換,使逆變器輸出和維修旁路永遠不會短路。
2??? 艾默生Hipulse系列UPS特點
??? 艾默生7000 Hipulse系列UPS產品是艾默生公司在大中型計算機電源設備中的主流產品,其獨特的技術可簡述如下。
2.1??? 高可靠性
??? 衡量一臺UPS可靠性高低的重要指標之一是其應具有極強的抗輸出過載能力。這意味著,即使因用戶投入大負荷或非線性負載而形成瞬態浪涌過載輸出局面時,不但應保證UPS逆變器的完好無損,而且還不能出現因逆變器輸出過載能力差而轉交流旁路供電的局面。這是因為,當UPS在執行逆變器供電→交流旁路供電切換操作的期間,有可能因不穩壓的市電電源與具有穩壓輸出特性的逆變器之間的瞬態電壓差過大而損壞UPS。艾默生UPS的典型過載能力,三相工作時110%額定負載為1h,125%額定負載為10min,150%額定負載為1min;單相工作時,200%額定負載為30s。
??? 當過載量和在該過載量下的持續時間沒有超過上述范圍時,將一直由逆變器向負載供電。
2.2??? 具有極強的抗“階躍性”負載及抗短路能力
??? 在UPS運行中最嚴重的情況是輸出被短路。由于配置有設計獨特的輸出限流電路,即使用戶因不慎而造成輸出短路時,逆變器也不會被損壞。艾默生UPS的典型抗短路能力,在三相工作時,短路電流被限制在160%標稱輸出電流5s;單相工作時,短路電流被限制在290%標稱輸出電流5s。
2.3??? 優越的帶三相不平衡負載的能力
??? 對于三進/三出型UPS來說,即使用在波峰因數(crest ratio)為3:1的計算機之類的非線性負載時,也能在不降低額定輸出功率的條件下,向用戶提供失真度<3%~5%的高質量的正弦波電源。此外,由于配置有自適應平衡調整電路,當接100%不平衡負載(一相空載,兩相滿載)時,也可確保三相相電壓差<2%,相位差在120°±1°的范圍內。
2.4??? 高輸入功率因數
??? 由于大量整流濾波型負載(例如:計算機、通信設備、家用電器或一般的UPS)被引入市電而使電網被“污染”,造成大量的高次諧波電流流過整個供電系統,導致中線電流過流及電動機負載異常發熱。為解決上述問題,而向用戶提供如下技術方案來消除諧波“污染”,確保用戶電網的供電質量達到“綠色電源”標準,即在大型UPS中,采用輸入濾波及12脈沖整流濾波方案,將輸入功率因數從一般UPS的0.8提高到>0.92。
2.5??? 優異的并機輸出特性
??? 在設計獨特的直接并機調控系統中,設有頻率母線和電流母線分別精密調控各臺UPS對市電的同步跟蹤相位關系和均流輸出特性。因而,它不僅確保整個UPS供電系統中的每臺UPS都能均勻分攤負載電流,而且還能使可能出現在并機系統中的“環流”幾乎為零。此外,它還配置了靈敏的“環流監測”電路,時刻監視整個UPS供電系統的工作狀態,從而確保這種并機系統具有極高的可靠性(其MTBF可達1×106h數量級)。上述指標是同類機型中的最高水平。
2.6??? 完善的電池管理系統
??? 由于采用了“先恒流后恒壓”的充電技術及開發了功能強大的“電池監控軟件”,從而形成了高性能的電池管理系統。該調控系統具有如下優點:
??? ——采用二階分級調控的電池充電限流技術,確保不會發生過充電現象;
??? ——采用微處理器監測技術,根據用戶的實際負載量自動調整電池的臨界放電電壓的閾值,確保不會發生“深度放電”的現象;
??? ——利用可編程電池監控軟件對蓄電池執行定時的“自診斷”測試,自動實時顯示電池充電百分容量及電池的剩余供電時間;
??? ——提供具有自動溫度補償功能的電池充電系統;
??? ——配有過充保護和自動均充定時控制器。
3??? LBS負載母線同步追蹤器
3.1??? LBS的工作原理
??? LBS負載母線同步控制器包括一張裝于每臺UPS的LBS接口卡,和一只帶選擇開關的LBS掛墻控制盒。只須從UPS到LBS間采樣幾個參考信號,而在各UPS之間無須其他邏輯控制,以確保系統得到獨立和隔離。
??? LBS同時監視兩條母線上的UPS輸出頻率及相位。一旦發現它們超出同步跟蹤范圍(例如1°,可調)時,LBS激活,內部控制對預先通過LBS選擇為MASTER(主機)的UPS繼續跟蹤市電,而另一條母線上的UPS將通過LBS的控制,對MASTER進行跟蹤,當兩條母線上的UPS系統同步跟蹤5s后,LBS再回到同時跟蹤兩套UPS頻率及相位的工作狀態。
3.2??? LBS的四大優點
??? 1)LBS組成的雙母線同步跟蹤供電系統的可維護性和容錯性能得到了進一步的改善??? 對于雙母線供電系統,當需要對某一條輸出母線及母線上的開關等進行維護或需要系統增容時,用戶可隨時將由第一條母線上的配電柜轉由第二條母線上UPS供電。這意味著,不停電就可進行負載母線的維護,而單機運行、并機運行、串聯熱備份運行方式,是無法實現不停電維護的??梢?,LBS對于解決“點故障”更為可靠。
??? 2)LBS是解決真正的“雙母線供電系統”最經濟最簡單的辦法??? 兩臺UPS及一個LBS就可實現簡單又高可靠的冗余供電系統,而完全無需許多用戶認為必須的系統控制柜、外置維修旁路柜等設備。對于大型的應用,用戶在LBS每條母線端可選用并機冗余UPS系統。
??? 3)LBS及靜態轉換開關所組成的系統比串聯熱備份供電系統更為可靠??? 這是因為它的冗余,由供電到負載前端的母線,我們稱作“點冗余”。利用LBS及靜態轉換開關,即使對于單輸入的負載,也可方便地實現雙母線供電的功能。同時,對維護人員而言,減小了因須停電維護而對重要負載造成的危機及損失。還要指出的是,電氣獨立的配電方式確保第一條母線上的某個負載的故障完全不會影響其他負載。對至關重要的負載設備仍然可由第二套UPS及配電系統連續供電。
??? 4)LBS系統允許Hipulse系列UPS與另一任何牌子的新的或正在運行的同容量UPS系統共同組成雙母線供電系統??? 設計者可以在一套已有的多機并機UPS系統上,再加一臺新的UPS單機實現上述可靠性高的雙母線冗余供電系統。這不但節省了投資,而且使至關重要的負載得到了最可靠、利用率最高、最安全的UPS系統供電。
4??? STS靜態轉換開關
4.1??? 艾默生靜態轉換開關(STS)概述
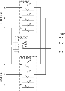
??? 艾默生的靜態轉換開關(STS)是一種固態的、三極、雙位的轉換開關,如圖2所示。STS設計用來實現兩個同步三相交流電源之間進行不間斷(<5ms)轉換。兩路交流電源的幅度、頻率和相位差應控制在一定的范圍內。STS的主要作用是在一路輸入電源發生故障或需要檢修、測試時,實現從一路電源到另一路電源之間真正的不間斷的轉換,禁止接入兩路會產生回流的輸入電源。STS可以通過控制面板設定其中任意一路輸入電源為主電源,另一路輸入電源為備用電源。只有在主電源故障或手動復位的情況下,STS才會自動在5ms內從主電源切換到備用電源。STS的兩路靜態開關是嚴格互鎖的,STS內還裝有手動旁路開關,在STS需要檢修時,可以手動地將輸入電源切換到旁路開關。進行手動轉換時可保證輸出不間斷。

圖2??? STS內部結構圖
4.2??? STS的工作模式
??? STS的所有的轉換都是快速的先斷后合,主電源及備用電源之間不會產生沖擊電流,所有的轉換都在<5ms的時間內完成。
4.2.1??? 正常工作模式
??? 在正常工作狀態下,主電源處于正常的電壓范圍內,負載一直連接于主電源。在主電源發生故障時,負載自動切換到備用電源,主電源恢復正常后,負載又自動切換到主電源。
4.2.2??? 過流抑制模式
??? 在STS感應的負載電流超過預先設定的過流值時,表示有沖擊電流或者過載,這時即使主電源電壓超出正常的電壓范圍,STS也不發生轉換。在負載電流恢復到正常值時,過流抑制模式自動復位,STS恢復到正常的工作模式。
4.2.3??? 手動轉換
??? 在備用電源電壓處于正常的電壓范圍內,且備用電源與主電源間的相位差處于允許的范圍內。STS可以手動地在兩路電源之間進行切換。
4.2.4??? 緊急轉換
??? 為了保證負載電源供給不中斷,在負載連接的電源中斷時,STS將自動在5ms內轉換到另一路電源。緊急轉換優先任何轉換或者抑制。
4.2.5??? 晶閘管故障
??? 為了確保正常運行,STS不停地監視晶閘管(SCR)的狀態。當供給負載電源的SCR發生短路時,STS將自動報警提示,并迅速打開另一路電源的隔離開關。當有SCR開路時,STS將自動報警,切換先前打開的隔離開關。所有的開路和短路報警都將被鎖定,要求系統進行維修并復位到原先的正常工作狀態。
4.2.6??? 維修旁路
??? STS裝有互鎖的維修旁路開關,STS可以通過旁路開關不間斷地切換到任一路輸入電源,以便于維修。在維修時,STS的輸入、輸出和旁路的電源接線端子都應被隔離,以便在系統處于旁路時,安全維護STS內的任何組件。
5??? 結語
??? UPS雙母線一體化配電方案是艾默生結合了該電力系統的具體情況,在對場地和設施作了全面的考慮后提出的。應用這套方案系統將得到穩定、高效、安全的24h不間斷電力支持,堪稱最新專業機房系統的典范。
電子發燒友App














評論