新型EPWM斬波器式交流穩壓電源的原理分析
0??? 引言
??? 隨著高新技術的發展,越來越多的高精密負載對輸入電源,特別是對交流輸入電源的穩壓精度要求越來越高。但是,由于電力供求矛盾的存在,市電電網電壓的波動較大,不能滿足高精密負載的要求,需要在市電電網與負載之間增設一臺高穩壓精度的寬穩壓范圍的交流穩壓電源。
??? 交流穩壓電源形式有很多種,目前應用較多的三相柱式交流穩壓器,由于用的是機械傳動和碳刷觸點進行調節,因而存在工作壽命短、可靠性差、動態響應慢等缺點。正在被一種無觸點多補償變壓器式交流穩壓電源所取代。
??? “補償”的概念有補足和抵消兩種意思。所謂多補償變壓器式交流穩壓電源,就是用多個(一般是2~4個)補償變壓器,將其次級串入主電路中,通過由雙向晶閘管或固態繼電器組成的“多全橋”變換電路,采用有選擇的切換或通過切換串入補償變壓器的個數進行有級補償,來達到穩壓目的。由于沒有機械傳動和碳刷,因而提高了壽命與動態反應速度,使交流穩壓電源的整體性能大大提高。但也存在著一些缺點,諸如只能有級調壓,調節精度不高,使用的補償變壓器及控制開關較多,電路相對復雜等。本文取其優點、避其缺點,提出了用等脈寬調制(EPWM——equal-pulse width modulation)高頻斬波器進行補償的交流穩壓電源以供參考。它是作者曾經研制和發表過的“PWM斬波器式交流穩壓電源”的一種改進變形電路(參見電源世界2002年第1期及電源技術應用2002年第3期),比原電路更簡單,也更合理一些。
1??? 工作原理
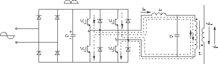
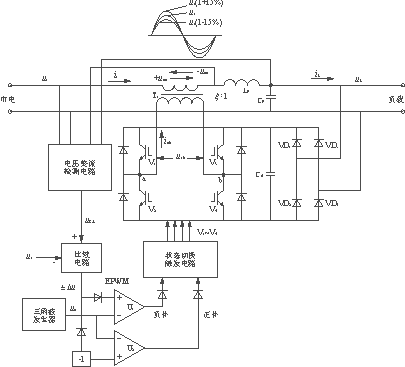
??? EPWM斬波式交流穩壓電源的簡化原理電路如圖1所示。它是由主電路和控制電路兩部分組成的。主電路是由EPWM橋式斬波器V1~V4及其輸出變壓器Tr、直流整流電源VD1~VD4和輸出交流濾波器LF、CF組成。橋式斬波器通過其輸出變壓器Tr的次級串聯在市電電源與負載之間,以便對市電電壓的波動進行正、負補償。橋式斬波器輸出電壓中的諧波,由濾波器LFCF來濾除。橋式斬波器所需的直流電源,由取自穩壓電源輸出端的市電電源,通過整流器VD1~VD4來供給。這里應該指出的是,EPWM橋式斬波器V1~V4并不是工作在逆變器狀態,而是工作在橋式斬波器狀態。這是由它的EPWM工作方式、直流電源電壓波形和直流電容Cd值的大小及其功能來區分的。如圖2所示,橋式斬波器的直流電壓,不是通過電容Cd把整流電壓濾波成恒定的平滑直流電壓,而是仍然為單相橋式整流電壓的波形。直流電容Cd不再具有直流濾波功能,而只是為了創造一個續流通路而設置的。對于感性負載,在一個斬波開關周期內續流的能量是很小的(由于斬波頻率較高),所以Cd的值也很小,Cd的充放電速度很快,不會影響整流電壓的上升或下降速度,使Cd上的電壓與不濾波的整流電壓波形相同。也就是說,由于電容Cd的值很小,它只允許續流電流通過,不再具有直流濾波功能,因此對整流波形不產生影響。這就說明橋式斬波器是工作在EPWM斬波狀態,而不是工作在逆變狀態。
圖1??? EPWM斬波式交流穩壓電源的簡化原理電路框圖

圖2??? EPWM橋式斬波器主電路
??? 斬波式交流穩壓電源的控制電路,是由市電輸入電壓整流檢測電路、比較電路、EPWM電路和橋式斬波器開關V1~V4工作狀態的切換和觸發電路組成。在市電電壓整流檢測電路中,加入對濾波電感LF上的電壓檢測,是為了減小濾波電感LF的電抗對穩壓精度的影響。
??? EPWM斬波器式交流穩壓電源工作原理如圖1所示。當市電電壓波動時,通過對市電輸入電壓us及濾波電感LF上電壓的整流檢測電路,得到電壓信號US.L,將US,L與基準參考電壓Ur進行比較,得到誤差電壓ΔU。當US,L>Ur時(市電電壓上波動)得動+ΔU,+ΔU使EPWM調制器中的比較器U2不能工作,只能使比較器U1工作,+ΔU通過與三角波uc在U1中進行比較,在+ΔU大于三角波的部分產生出EPWM脈沖信號,此信號通過“狀態切換觸發電路”對橋式斬波器中的開關管V1~V4進行控制,在其輸出變壓器Tr次級產生負補償電壓-uco,使負載電壓UL=US-Uco=Ur;當US,L<Ur時(市電電壓下波動)得到-ΔU,-ΔU使EPWM調制器中的比較器U1不能工作,只能使比較器U2工作,-ΔU通過反相器與三角波uc在U2中進行比較,在ΔU大于三角波部分產生出EPWM脈沖信號,此信號通過“狀態切換觸發電路”對橋式斬波器中的開關管V1~V4進行控制,在其輸出變壓器Tr次級產生正補償電壓+uco,使負載電壓UL=US+Uco=Ur。
??? 對市電電壓的正、負補償,是通過狀態切換觸發電路,切換橋式斬波器中開關管V1~V4的工作順序來實現的。如果對應于市電的正半周讓V1及V4導通,對應于市電的負半周讓V2及V3導通,是對市電電壓進行正補償,如圖2中的虛線路徑所示。對應于市電正半周讓V2及V3導通,對應于市電負半周V1及V4導通,就是對市電電壓進行負補償,如圖2中點劃線路徑所示。
??? 采用圖2所示主電路對市電電壓波動進行補償的關鍵有兩點:一是EPWM;二是電容Cd的值要小到不影響整流電壓ucd的變化,即使Cd小到不再具有直流濾波功能。
2??? EPWM調制及正弦斬波電壓的生成
??? 圖1所示交流穩壓電路的EPWM,與正弦斬波電壓的生成如圖3所示。其中圖3(a)為整流器VD1~VD4的交流輸入電壓波形,圖3(b)為直流電容Cd上的電壓波形,圖3(c)為EPWM,圖3(d)為EPWM產生的橋式斬波器中開關管V1~V4的觸發脈沖波形,圖3(e)即為EPWM正弦斬波電壓波形,圖3(f)為Tr初級補償電壓波形。
??? EPWM是由P.D.Parkh,S.R.Paradla于1983年首先提出來的。其原理是采用用直流形式表示的誤差電壓ΔU與三角波電壓uc進行比較如圖3(c)所示,在直流誤差電壓ΔU大于三角波電壓的部分產生出等脈寬調制脈沖,如圖3(d)所示。用圖3(d)的等脈寬調制脈沖去觸發橋式斬波器中相應的開關管V1~V4,就可以在橋式斬波器的兩橋臂中點a和b之間產生出EPWM正弦斬波電壓波形,如圖3(e)所示。經過濾波器LFCF濾波后,就可以在變壓器Tr初級得到正弦補償電壓uab1,如圖3(f)所示。uab1在Tr次級產生補償電壓uco。當對市電電壓進行正補償時,補償電壓uco與市電電壓相位相同;當對市電電壓進行負補償時,補償電壓uco與市電電壓相位相反。圖3是針對正補償情況畫出來的,對負補償也可以畫出相應的波形圖。
??? 對于圖3(e)所示的EPWM正弦斬波電壓波形,為了使此波形具有半波奇對稱,和四分之一波偶對稱,以消除其傅里葉級數中的余弦項和正弦項中的偶次諧波,使載波比N=fc/f=4k,即三角波頻率fc為市電頻率f的4整數倍。調制比M=Δt/TΔ=ΔU/Ucm,Δt為脈沖寬度,TΔ=1/fc為三角波周期、Ucm為三角波幅值,如圖3(e)所示??芍?I>M=Δt/TΔ就是EPWM正弦斬波電壓波形的占空比D,即M=Δt/TΔ=D。

(a)??? 整流輸入電壓
(b)??? 電容Cd上電壓
(c)??? EPWM
(d)??? 斬波開關驅動脈沖
(e)??? EPWM正弦斬波波形
(f)??? 補償電壓
圖3??? EPWM斬波器式交流穩壓電源的工作波形圖
??? 載波三角波的方程式為
??? uc=i=1,2,3,…(1)
??? 當調制電平為ΔU時,可求出觸發脈沖起始點ti和終止點ti+1的方程式。
??? 由=ΔU,得到
??? ti=ΔU(2)
??? 由=ΔU,得到
??? ti+1=ΔU(3)
??? 則脈沖寬度為
??? Δt=ti+1-ti=ΔU(4)
式中:TΔ=2π/N。
??? 各觸發脈沖的起始角和終止角的數值為
??? α1=(1-D);α2=
(1+D);α3=
(3-D);α4=
(3+D);
??? ……
??? 由圖3(e)可以看出,EPWM正弦斬波電壓波形是鏡對稱和原點對稱,因此,在它的傅里葉級數中將不包含余弦項和正弦項中的偶次諧波,只包含正弦項中的奇次諧波,即
??? f(ωt)=bnsinnωt??? n為奇數(5)
式中:bn=f(ωt)sinnωtd(ω t)
??? 對于基波,n=1。由于被EPWM斬波的波形是正弦波,即f(ω t)=Umsinωt,所以
??? b1==
=
=DUm(6)
??? 對于諧波,則
??? bn=
??? 當n=kN±1,k=1,2,3,……時,對上式求解得
??? bkN±1==-
sinkDπ(7)
??? 當n≠kN±1時,bn≠kN±1=0。
??? 所以EPWM正弦斬波電壓的傅里葉級數表示式為
??? uab=DUmsinωt-sinkDπsin(kN±1)ωt(8)
??? 考慮到Tr的變比ξ:1,補償電壓uco表示式為
??? uco=Dsinωt-
sinkDπsin(kN±1)ωt(9)
??? 用LFCF濾除高次諧波后得到補償電壓為
??? uco=Dsinω t=D
(10)
??? 由式(8)中的諧波幅值sinkDπ可以算出,當載波三角波頻率fc=10kHz,N=200,D=0.1~0.9時,基波與各次諧波的幅值如表1所列?;ê透鞔沃C波與調制比亦即占空比D的關系曲線如圖4所示??芍狤PWM正弦斬波電壓的諧波頻率與載波比N成正比,N越大諧波頻率越高,所需的濾波器LFCF的參數值也越小。所以,根據表1及圖4可以計算LF及CF的值。
表1??? 基波與各次諧波的幅值(fc=10kHz,N=200)
| 諧波
分量 | 占空比D | ||||||||
|---|---|---|---|---|---|---|---|---|---|
| 0.1 | 0.2 | 0.3 | 0.4 | 0.5 | 0.6 | 0.7 | 0.8 | 0.9 | |
| b1/Um | 0.1 | 0.2 | 0.3 | 0.4 | 0.5 | 0.6 | 0.7 | 0.8 | 0.9 |
| b199/Um | -0.0984 | -0.1871 | -0.2575 | -0.3027 | -0.3183 | -0.3027 | -0.2575 | -0.1871 | -0.0984 |
| b201/Um | -0.0984 | -0.1871 | -0.2575 | -0.3027 | -0.3183 | -0.3027 | -0.2575 | -0.1871 | -0.0984 |
| b399/Um | -0.0935 | -0.1514 | -0.1514 | -0.0935 | 0 | 0.0935 | 0.1514 | 0.1514 | 0.0935 |
| b401/Um | -0.0935 | -0.1514 | -0.1514 | -0.0935 | 0 | 0.0935 | 0.1514 | 0.1514 | 0.0935 |
| b599/Um | -0.0858 | -0.1009 | -0.0328 | 0.0624 | 0.1061 | 0.0624 | -0.0328 | -0.1009 | -0.0858 |
| b601/Um | -0.0858 | -0.1009 | -0.0328 | 0.0624 | 0.1061 | 0.0624 | -0.0328 | -0.1009 | -0.0858 |
| b799/Um | -0.0757 | -0.0468 | 0.0468 | 0.0757 | 0 | -0.0757 | -0.0468 | 0.0468 | 0.0757 |
| b801/Um | -0.0757 | -0.0468 | 0.0468 | 0.0757 | 0 | -0.0757 | -0.0468 | 0.0468 | 0.0757 |
圖4??? 諧波分量與占空比D的關系曲線
3??? 對市電電壓波動的補償與Tr容量
??? 當市電電壓us波動時,將會引起負載電壓uL的波動。為了保持uL穩定不變,必須用補償電壓uco對市電電壓的波動進行補償。當Us>Ur時須進行負補償,使Us-Uco=UL=Ur;當Us<Ur時須進行正補償,使Us+Uco=UL=Ur,所以
??? UL=Us±Uco=Ur(11)
正補償時取正號,負補償時取負號。
??? 假定補償變壓器Tr的變比為ξ:1,橋式斬波器的輸出電壓基波為uab1=DUmsinωt
??? 則??? Uco=(12)
??? 將式(12)代入式(11)得
??? UL=US±Uab1(13)
??? 橋式斬波器的基波輸出電壓
??? Uab1=DUL(14)
??? 將式(14)代入式(13)得
??? UL=US±UL(15)
??? 或UL(- +)UL=US,UL(1- +
)=US
??? UL=(16)
??? 正補償時取正號,負補償時取負號。當占空比D=1時,最大正、負補償電壓由式(12)得
??? Uco,max=(因為此時Uab1=DUL=UL)。
??? 當市電電壓的波動范圍為±15%時,最大補償電壓
??? Uco,max=0.15UL=(17)
??? 由于補償變壓器Tr初次級匝比為
??? ξ==6.667(18)
??? 而補償變壓器次級電流,即市電輸入電流
??? IS=(19)
式中:P為市電輸入功率。
??? 補償變壓器初級電流,即橋式斬波器輸出電流
??? Ich=(20)
??? 即橋式斬波器的斬波開關管的額定電流,只有市電輸入電流IS的1/ξ。因而補償功率
??? Pco=Uab1Ich=DUL=
(21)
??? 當US=UL時,D=0,補償功率Pco,min=0;當Us,min=(1-0.15)UL=0.85UL時,D=1,則補償功率
??? Pco,max==0.176P(22)
??? 可以根據Pco,max來選擇補償變壓器Tr的容量。
4??? 單相EPWM斬波器式交流穩壓電源
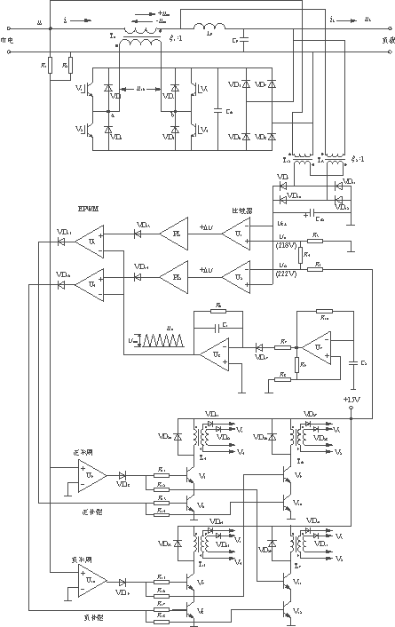
??? 單相EPWM斬波器式交流穩壓電源的原理電路如圖5所示,此電路只是為了說明原理而采用的。它由5個部分組成,即主電路,市電電壓檢測電路,正、負補償控制電路,三角波發生器電路和正、負補償切換觸發電路。主電路的組成與工作原理前面已經作過了介紹,下面僅對其余4個部分作一簡單說明。
4.1??? 市電電壓檢測電路
??? 市電電壓的檢測電路,由兩個相同的變壓器Tr2、Tr3及二極管VD9~VD12,Cd2組成。市電電壓檢測的采樣點取法,對穩壓精度影響很大。如果采樣點取自輸入端,檢測市電輸入電壓,對補償電壓的穩定性是有利的,但不能補償因變壓器Tr1次級漏抗及濾波電感LF電抗引起的電壓降,補償精度差;如果采樣點取自輸出端,檢測輸出負載電壓,這樣可以對Tr1次級漏抗及LF電抗引起的電壓降進行補償,但補償后由于UL=Ur就不能繼續保持Tr1次級補償電壓uco的存在,出現補償不穩定現象;如果像多個補償變壓器無觸點補償式交流穩壓電源那樣,采樣點取自輸入端與輸出端,對市電輸入電壓與負載電壓同時檢測,然后將它們相加并除以2,即,當IS≠0時,如果令Tr1次級漏抗XT與LF電抗XL之和XT+XL=X,則US-XIS=UL,所以
=
=US-
。由此可知這種檢測法雖然可以對因X而造成的電壓降進行補償,也不會出現補償不穩定現象,但只能補償一半的XIS,還有一半XIS不能進行補償。比較好的檢測法是采樣點取自輸入端,檢測市電輸入電壓US及檢測X上的電壓降XIS,用US-XIS作為檢測到的電壓。這樣,既能保證補償電壓的穩定性,也能使補償的精度提高。圖5所示的單相穩壓電路,就是采用了這種電壓檢測電路。
??? 串聯補償變壓器的次級漏電抗XT,一般為Tr1容量的(3~5)%。而Tr1的容量與市電電壓的波動范圍有關,當市電電壓波動范圍為±15%時,Tr1的容量僅為穩壓電源標稱容量的17.6%。所以,補償變壓器Tr1折算到負載額定電壓Ur的次級漏抗壓降標么值為
??? XTIS=(0.03~0.05)×0.176=0.00528~0.0088
??? XTIS的值很小,可以認為XTIS≈0,此時只需對LF電抗XL引起的電壓降進行補償就可以了。在圖5中,變壓器Tr2檢測的是市電輸入電壓US,變壓器Tr3檢測的是LF上的電壓降,用Tr2及Tr3的次級電壓相減后再進行整流,就可以得到反映US-XLIS數值的直流電壓USL。
4.2??? 對市電電壓波動進行正負補償的控制電路
??? 對市電電壓波動進行正、負補償的控制電路,由圖5中比較器U1、U2,比例放大器PI1、PI2,及EPWM比較器U3、U4,和基準電壓給定電路R3~R5組成。它分成上下兩個支路,上支路由U1、PI1、U3組成,用于對市電電壓的負波動進行正補償控制;下支路由U2、PI2、U4組成,用于對市電電壓的正波動進行負補償控制。與此相應基準電壓給定電路也給出了兩個基準電壓給定值Ur1及Ur2。Ur1對應于市電電壓的218V;Ur2對應于市電電壓的222V。當市電電壓US<218V時上支路工作,下支路不工作,USL與Ur1在U1中進行比較,產生出正誤差電壓+ΔU,+ΔU經過PI1放大后與三角波uc在U3中進行比較,產生出使橋式斬波器對市電電壓進行正補償的控制。當市電電壓US>222V時下支路工作,上支路不工作,USL與Ur2在U2中進行比較,產生出正誤差電壓+ΔU,+ΔU經過PI2放大后與三角波uc在U4中進行比較,產生出使橋式斬波器對市電電壓進行負補償的控制?;鶞孰妷航o定電路給出兩個基準電壓(Ur1=218V與Ur2=222V)的目的,是為了當市電電壓US在218V~222V之間時不使穩壓電源工作,以避免市電電壓US在(220±2)V區間內穩壓電源產生正負補償振蕩,使輸出電壓不穩定,這一點在圖1中沒有表明。這里需要指出的一點是,圖5中運放PI1和PI2的放大倍數,與補償變壓器Tr1的初次級變比ξ1:1、檢測變壓器Tr2、Tr3(兩個變壓器完全相同)的初次級變比ξ2:1、三角波的電壓幅值Ucm及市電電壓的幅值Um有關。PI1及PI2的放大倍數
??? K≥ξ1×ξ2×
??? 當Tr1、Tr2、Tr3的變比相同時,K≥ξ12
圖5??? 單相EPWM斬波式穩壓電源的原理電路
4.3??? 三角波發生器電路
??? 三角波發生器電路由一個方波電壓發生器(U7)和一個積分器(U8)組成,如圖5中U7及U8所示,這種電路在UPS中是常用的。三角波頻率與方波電壓發生器的頻率相同,當方波電壓發生器中的電阻R8=0.86R9時,三角波頻率fc≈
4.4??? 狀態切換觸發電路
??? 狀態切換與觸發電路如圖5下部電路所示。它是由脈沖變壓器Tr4、Tr5、Tr6、Tr7及其下面的兩個三極管組成的。圖中U9、U10是將市電電壓變換成與其相對應的正、負半周方波電壓。U9得到與us正半周相對應的方波電壓,U10得到與us負半周相對應的方波電壓。電路的切換采用的是三極管與門的工作原理,觸發電路采用的是脈沖變壓器輸出形式,當然也可以采用光耦的輸出形式。切換電路有兩組輸入信號,每組兩個輸入信號,即正補償與負補償,正半周方波與負半周方波。因此,應有4組觸發電路,即由Tr4、V5、V6組成的正補償正半周觸發電路;由Tr6、V9、V10組成的正補償負半周觸發電路;由Tr7、V11、V12組成的負補償正半周觸發電路和由Tr5、V7、V8組成的負補償負半觸發電路。每一種觸發電路,只有當脈沖變壓器下面的二個三極管同時導通時才能輸出觸發脈沖。脈沖變壓器下面的兩個三極管,其中一個受正負補償信號的控制,另一個受正負半周方波電壓的控制。因此,四種觸發電路對應于市電電壓的每半個周期中,只有一種觸發電路輸出觸發脈沖,其它3種觸發電路不工作。由于正負方波電壓的加入,4種觸發電路之間每半個周期轉換一次,而且轉換是在市電電壓過零時進行。因此,觸發電路的切換不會對輸出產生沖擊。
4.5??? 穩壓補償過程
??? 空載時假定US<Ur,則正補償控制電路工作,并使V6、V10導通。在市電電壓正半周,U9使V5、V11導通。由于V5、V6導通,Tr4輸出觸發脈沖,使斬波橋中V1、V4導通。在市電電壓負半周,U10使V7、V9導通,由于V9、V10導通,Tr6輸出觸發脈沖,使斬波橋中V2、V3導通,對市電電壓進行正補償。補償電壓Uco的大小,與Ur1-USL=ΔU的大小成比例。如果此時加載,IS≠0,則Tr3檢測的電壓降XIS使US減小,因而ΔU增大,補償電壓Uco也相繼增大,以達到US+Uco=UL=Ur的補償目的。
??? 當US>Ur時,穩壓補償過程與US<Ur時相似,不再重復。
5??? 三相EPWM斬波器式交流穩壓電源
??? 三相EPWM斬波器式交流穩壓電源,可以用三個如圖5所示的單相電路組成。由于三相是各自獨立地進行穩壓補償控制,所以,還可以對市電輸入電壓的不對稱度進行補償。
6??? 結語
??? 按照上述原理制成了一臺2.5kVA樣機,當輸入電壓變化范圍為±15%時,輸出電壓的變化<±1%,諧波含量<2.3%。
??? 這種穩壓電源的特點是體積小、重量輕、穩壓精度高、反應速度快、是無級補償、電路簡單。當市電電壓在218~222V時,穩壓電源不工作,不耗電,電源損耗小,效率高。但只能補償市電電壓的大小變化,不能補償諧波。
電子發燒友App

























評論