LinkSwitch系列恒壓/恒流式單片開關電源的應用
0??? 引言
??? 恒壓/恒流(CV/CC)式開關電源是最常用的一種特種電源。2002年9月,PI公司率先推出了LinkSwitch系列(包含LNK500、LNK501)高效率恒壓/恒流式三端單片開關電源芯片,它是世界上第一個專門為取代4W以下小功率線性穩壓電源而研制的高集成度、低成本、高壓功率轉換芯片。2004年3月,該公司又研制出LNK520型恒壓或恒壓/恒流式三端單片開關電源。由LinkSwitch構成的恒壓/恒流式開關電源,價格堪與線性電源相媲美。它比傳統的線性電源體積小,重量輕,特別適合于低成本電池充電器。這種開關電源可在恒壓、恒流兩種工作模式下自動轉換,比用TOPSwitch-Ⅱ構成的恒壓/恒流式特種開關電源大約可節省20個元器件。當額定輸出功率為3W時,LinkSwitch允許采用EE13型磁芯,以進一步減小開關電源的體積。
??? LinkSwitch系列單片開關電源可替代線性電源,廣泛用于各種個人電子設備(手機、無繩電話、掌上電腦、數碼相機、MP3播放器、電動剃須刀等)的電池充電器或電源適配器,也可以應用在電視機等家用電器的待機電源及各種輔助電源中。
1??? LinkSwitch系列單片開關電源的性能特點
??? 1)LinkSwitch系列產品采用PI公司的EcoSmartR技術,將700V功率MOSFET、PWM控制器、高壓啟動、電流限制和過熱保護等電路集成在一個芯片中。該芯片只有3個引腳,對LNK500、LNK501而言,僅須配14個外圍元器件,即可構成具有恒壓/恒流(CV/CC)輸出特性的特種開關電源。用做電源適配器時,LinkSwitch工作在恒壓區,可為負載提供穩定的電壓,此時恒流區用來提供過載保護及短路時的自動重啟動保護。做電池充電器時,LinkSwitch工作在恒流區,充電完畢自動轉入恒壓區;若在充電過程中因負載短路而使輸出電壓降至2V以下,則進入自動重啟動階段。與線性穩壓電源相比,其功耗可降低70%。
??? 2)LNK500、LNK501在寬范圍輸入(交流85~265V)時的最大輸出功率為3W,交流230V固定輸入時的最大輸出功率為4W。通常將LinkSwitch設計在不連續模式下工作。利用光耦反饋技術可提高恒壓輸出的精度和穩定度,而利用外部穩壓管進行二次穩壓能改善恒流特性。
??? 3)該器件采用新穎的初級恒壓、恒流控制方案,包括初級鉗位、反饋、內部供電和回路補償等電路,極大地簡化了外圍電路的設計。LNK500/501不需要輔助繞組及外部恒壓/恒流控制電路,完全由初級感應電壓UOR來控制恒壓/恒流輸出。
??? 4)具有完善的保護功能,包括過熱保護,過電流保護,輸出短路情況下的過載保護,開路故障保護和軟啟動功能。
??? 5)功率MOSFET的漏極擊穿電壓為700V,極限電流固定為254mA,漏-源通態電阻為28Ω(典型值),最大占空比為77%。自動重啟動頻率為300Hz。過熱保護溫度為+135℃,當溫度降至+70℃時芯片才恢復正常工作。
2??? LinkSwitch系列單片開關電源的典型應用
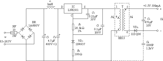
??? 由LNK501構成恒壓/恒流式電池充電器的電路如圖1所示。該電池充電器的主要技術指標如下:恒壓區的額定輸出電壓Uo=+5.5V,恒流區的輸出電流IOM=500mA,最大輸出功率POM=2.75W;當交流輸入電壓u=85~265V時,電源效率η≥72%;當交流輸入電壓u=230V或115V時,空載功耗分別為260mW或200mW。
圖1??? 由LNK501構成恒壓/恒流式電池充電器的電路
??? RF(Fusible Resistor)采用10Ω、1W的熔斷電阻器,當輸入端發生短路故障時能起到過流保護作用。BR為1A、600V的整流橋,亦可用4只1N4005型硅整流管來代替。C1、L和C2構成π型濾波器。LNK501的開關頻率為42kHz,允許使用簡單的EMI濾波器濾除電磁干擾,而且一般不需要初級返回端與次級返回端之間并聯一只安全電容(亦稱Y電容)。
??? 由1A、600V的硅二極管VD1(1N4937)和0.1μF電容器C4組成鉗位保護電路,用來吸收由高頻變壓器漏感產生的尖峰電壓。初級繞組的感應電壓值(UOR)亦稱次級反射電壓,它與輸出電壓UO之間存在下述關系式:UOR=n(UO+UF1)(式中n為初級與次級的匝數比,UF1為次級整流管的壓降)。這表明UOR能反映輸出電壓的高低。因此,利用取樣電容C4所獲得的反饋電壓同樣能反映出UO的變化情況。電阻R1的作用就是將C4上的反饋電壓轉換成反饋電流(即控制端電流IC),進而去調節LNK501的輸出占空比,實現穩壓目的。利用R2可降低開關噪聲。根據實際需要還可在初、次級返回端之間并聯一只1000~2200pF、耐壓值為1.5kV的安全電容C6,進一步抑制電磁干擾,具體接線方法如圖1中虛線所示。
??? 在恒壓區域內,輸出電壓受占空比控制。當IC>2mA時,進入恒壓區,輸出電壓及占空比同時降低;在IC=2.3mA時,進行過電流保護,使占空比降至30%。若UO降到2V以下,則C3放電,使LNK501進入自動重啟動階段,迅速將輸出電流限制在50mA以下。若實際輸出功率超過POM,則UO↓→UOR↓→IC↓,從而限制了漏極電流ID的進一步增大。若因輸出端發生短路故障而導致輸出功率繼續增大,則IC下降到0.9mA,迫使控制端電容Cc放電,LNK501就進入自動重啟動階段。上述自動保護功能提高了電池充電器在工作時的安全性。在空載或輕載的情況下,芯片的功耗隨開關頻率的降低而降低。
??? 該恒壓/恒流式電池充電器的輸出特性如圖2所示。圖2中的實線代表極限值。次級整流管VD2采用11DQ06型1A/60V肖特基二極管,亦可用MBR160代替。

圖2??? 由LNK501構成恒壓/恒流式電池充電器的輸出特性
3??? 電路設計要點
3.1??? 最大輸出功率
??? LinkSwitch在交流85~265V寬范圍輸入、交流230V固定輸入時的最大連續輸出功率(POM)分別為3W、4W。為達到最大連續輸出功率,設計電路時應注意以下事項。
??? 1)設計的直流輸入電壓最小值UImin≥90V。當交流輸入電壓u=85~265V時,輸入濾波電容的容量可按3μF/W的比例系數來選取。對于交流230V或115V固定輸入電壓,可按1μF/W的比例系數來選取。
??? 2)LinkSwitch是專門設計在不連續模式下工作的,此時初級繞組感應電壓UOR的范圍是40~60V。若設計成連續模式,會導致環路工作不穩定。
??? 3)次級整流管應采用肖特基二極管。圖1中的VD2就采用1A/60V的肖特基二極管。
??? 4)預先可假定電源效率η=70%。
??? 5)源極引腳必須與印制板上的覆銅箔接觸良好,以保證將熱量及時散發出去,使芯片溫度不超過+100℃。
??? 除了受溫度條件、通風狀況、封裝形式、電源結構等因素的影響之外,在給定條件下LinkSwitch的最大輸出功率還與高頻變壓器磁芯的大小、導磁率、初級電感容量、最小輸入電壓、輸入濾波電容的容量、輸出電壓、整流管壓降等參數有關,這會造成實際的POM值與設計值不相等。
3.2??? 高頻變壓器
??? 在非連續模式下,當功率MOSFET關斷時,已存儲在高頻變壓器中的能量就轉換為次級輸出。若不考慮次級損耗的情況下,則高頻變壓器的最大轉換功率為
??? PM=0.5LPI2LIMITf
式中:LP為初級電感量;
????? I2LIMITf為系數,它代表初級極限電流的平方與開關頻率的乘積,其典型值為I2LIMITf=(254mA)2×42kHz=2710A2Hz。
??? PM所對應的控制端電流用IDCT來表示,IDCT可用來設定LinkSwitch電源的最大輸出功率點POM。
??? 當開關電源從恒流區開始工作時,初級電感量(LP)對峰值輸出功率(POPK)起決定作用,該參數應加以控制。若估計的POPK值允許有±20%的變化量,則LP值允許偏差±10%,磁芯的氣隙δ≥0.08mm。
??? 若采用EE13型磁芯,取δ=0.08mm,LP允許有±10%的偏差,初級感應電壓UOR=40~60V,則LinkSwitch的最大輸出功率可達2.7W。選擇尺寸較大的磁芯能提升感應電壓UOR,進而提高輸出功率。例如,選擇EE16型磁芯時,最大輸出功率為3W。如不考慮空載時的功率損耗,還可采用EE19型磁芯,在交流230V輸入時,UOR>70V,將輸出功率提高到5W。UOR還影響恒流輸出特性曲線的線性度。在完成設計前應檢查恒流輸出特性。
3.3??? 影響輸出特性的因素
??? LinkSwitch輸出特性的余量由LinkSwitch的余量以及外部電路來決定。采用如圖1所示電路時,最大輸出功率為2.75W,輸出電壓的變化量為±10%,輸出電流的變化量為±20%。影響輸出特性的因素主要有初級漏感、次級整流管的壓降和輸出引線上的電阻。例如,當初級漏感達到50μH時將導致空載時的輸出電壓大約上升30%。如果增加光耦反饋電路并利用外部穩壓管進行二次穩壓,那么整個負載范圍內的輸出電壓變化量可降低到±5%。
3.4??? 關鍵元器件的選擇
??? 下面以圖1為例,介紹選擇外圍關鍵元器件的原則。
??? 1)鉗位二極管VD1應選擇耐壓為600V甚至更高的快恢復或超快恢復二極管,不能用普通的低速二極管。
??? 2)鉗位電容C4可采用0.1μF、100V的金屬膜或塑料薄膜電容,容量誤差在±5%、±10%或±20%均可,但不推薦使用陶瓷電容,因為該種電容受溫度和電壓變化的影響較大、容易引起輸出電壓的波動。
??? 3)控制端電容C3可為LinkSwitch的上電過程或自動重啟動階段提供控制電壓。設計電池充電器時,C3應選擇0.22μF、10V的電容器,以保證有足夠的時間去啟動電路。
??? 4)選擇反饋電阻R1的原則是在最大輸出功率時能使2.3mA的反饋電流流入控制端。R1的準確值還要看所設計的UOR值。適當增大R1值可改變電池充電器的輸出特性,如圖3所示。
圖3??? 增大R1值對輸出特性的影響
??? 圖3中的虛線框代表典型的輸出特性曲線,實線框表示增大R1值以后的實際工作區,虛線箭頭分別表示恒壓區及恒流區的變化方向。由圖3可見,增大R1值能提高平均輸出電壓UO(恒壓曲線向上移動),減小平均輸出電流IO(恒流曲線向左移動)。其變化特征是RFB↑→UO↑→IO↓。
??? 5)如需要增加安全電容濾除次級上的瞬態干擾,應將安全電容并聯在初級電路返回端與次級電路返回端之間。安全電容的容量很小,但耐壓值必須達到1.5kV才符合IEC標準。
3.5??? 示波器的接線方式
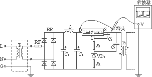
??? 在用示波器觀察LinkSwitch的輸出波形時,如果將探針接源極S,地線接初級的返回端,那么探頭分布電容上的電荷可能造成誤觸發,使LinkSwitch達到極限電流。正確的方法是按圖4所示,將探頭的地線接LinkSwitch的漏極D,以直流作為參考點。由于漏極上有直流高壓,因此,在電源的進線端必須接隔離變壓器T1。
圖4??? 示波器的正確接線方式
4??? 結語
??? LinkSwitch系列恒壓/恒流式三端單片開關電源采用初級恒壓、恒流控制方案,它不需要輔助繞組及外部恒壓/恒流控制電路,極大地簡化了外圍電路的設計,為實現小功率CV/CC式開關電源的優化設計創造了有利條件。
電子發燒友App































評論