三相電力調整器是通過對電壓、電流和功率的精確控制,從而實現精密控溫。并且憑借先進的數字控制算法,優化了電能使用效率。對節約電能起了重要作用。
2019-11-06 09:02:20
電力電子技術課程中,講解到三相橋式電路可以工作在有源逆變狀態。本來想在網上搜索個資源,方便上課。發現全網都沒有,自己動手,豐衣足食。分享出來,給需要同學和老師。仿真采用matlab2019b建立。可以通過面板。圖1 控制面板設置不同的參數,可以進行有源逆變的仿真。仿真結果如下圖。...
2021-12-29 07:41:04
點擊箭頭處“藍色字”,關注我們哦!!一、有源濾波器簡述有源電力濾波器、是一種用于動態抑制諧波、補償無功的新型電力電子裝置,它能夠對大小和頻率都變化的諧波以及變化的無功進行補償。其應用可克服LC濾波器
2021-12-31 08:24:02
【作者】:陳玉慶;【來源】:《電氣自動化》2010年01期【摘要】:傳統PI無法實現有源電力濾波器無靜差諧波補償,于是本文提出了兩種輸出電流控制策略:PI控制和重復控制并聯運行的復合控制技術與指定
2010-04-24 09:08:23
現P-N跳變,而兩電平變流器只能在P-N之間跳變。也就是說三電平的電壓跳變幅度為直流母線電壓的一半,而兩電平的為直流母線電壓。高的電壓跳變幅度對并網逆變器或有源電力濾波器帶來的是較高的紋波電流,為了抑制紋波
2009-09-27 13:52:52
進行了比較深入的研究,也提出了很多新的算法。但是,三電平有源電力濾波器始終沒有從實驗室走向市場。究其原因,有可能是技術不夠成熟,控制算法過于復雜,應用成本高,也可能是企業界對此不夠重視,尚未認識到該
2009-09-27 13:51:33
該文介紹了有源電力濾波器的工作原理和基本控制方法,并闡述有源電力濾波器的現狀及發展前景等等。【關鍵詞】:有源電力濾波器;;諧波;;工作原理;;應用及前景【DOI】:CNKI:SUN
2010-05-13 09:12:03
作為一種新型電力電子裝置,有源電力濾波器工作性能決定于主電路構成元件參數及其控制系統。介紹了有源電力濾波器的結構與原理,針對三角波比較控制方法和空間電壓矢量法進行了分析與對比,根據仿真結果得出合理
2010-05-06 08:52:01
前些年,滑模變結構控制這詞兒甚囂塵上, 這兩個電路,都可直接付諸實用,但想要做到滑模控制,這樣的架構是不行的,肯定要添加至少十只三極管吧?!
2024-10-16 01:50:49
小弟最近在學滑模控制,有一些問題想請教。1、滑模控制器的輸入包括Ialpha、Ibeta、Ualpha、Ubeta,其中Ialpha、Ibeta是通過傳感器測得的三相電流經過clarke變換獲取,而
2016-08-21 15:50:59
有源電力濾波器由有源逆變器構成,與被補償的諧波負載并聯連接,通過實時檢測負載電流波形,控制有源電力濾波器產生相應的補償電壓,使有源支路的阻抗對各次諧波都為零,濾除波形中的基波(50/60Hz)成分
2019-10-29 09:11:08
申請理由:做過三相逆變器,有源電力濾波器,變頻器,都是采用DSP完成采樣及控制算法的實現。實驗室現有TMS320F28335的DSP開發板,早就知道有更快速、內存更大的6系列的DSP,但一直沒有一睹
2015-09-10 11:21:35
、端子臺等引出方式可選(250A以上為銅排引出);4、可根據客戶要求定制;特點和優勢1、適用于三相三線制的電力供電制式;2、VIP3-32B系列采用兩級共模濾波電路設計,高性能三相三線制濾波器;3
2023-03-31 11:56:58
本文采用的是單周期控制策略,因為常用的控制方法無非為滯環,三角波,自適應,變結構,這里給出了用單周期控制方法產生補償信號,適用于小功率APF。有源電力濾波器單周控制策略的研究.pdf
2014-10-27 13:14:00
檢測兩部分內容。與補償器實際輸出的補償電流進行滯環比較。輸出三相PWM信號去控制變流器。 3 有源電力濾波器控制系統設計 所設計的APF控制系統采用DSP+ARM雙核結構。DSP完成采樣控制、A/D
2011-07-15 08:45:34
對三相四線制并聯型有源電力濾波器的主電路拓撲結構進行了總結分析,提出一種適用于四橋臂有源電力濾波器的無差拍電流控制策略。通過Matlab/Sim-ulink對該控制策略進行了仿真,并給出了仿真波形
2010-05-06 08:51:40
】:瞬時無功功率理論;;諧波;;有源電力濾波器【DOI】:CNKI:SUN:HBGX.0.2010-01-012【正文快照】:基于三相瞬時無功功率理論檢測諧波和無功電流,常見的兩種方式是:p-q檢測方式
2010-04-24 09:03:00
APF有源電力濾波器 LCL 三電平 全套方案基于DSP28335的三電平I字型拓撲架構的APF全套方案。供電電源電壓:380V三相開關頻率:20k;濾波次數:2—50;全響應時間:≤10ms濾波
2022-01-07 06:57:28
做一個有源濾波器的控制如何用labview建立電力系統三相諧波源模型求大神指導
2013-11-03 16:55:44
有源濾波柜。2、假如用于制造高頻濾波性能優良,通訊要求的高性能溝通有源電力濾波器,挑選安科瑞溝通安科瑞電力有源濾波柜。3、假如僅經過電源線的電快脈沖(EFT)試驗,那就一定要挑選EFTS電快脈沖按捺器了。4、假如是為了順暢經過商業規范,比如傳導發射試驗,依據相數挑選是單相還是三相,溝通單相供電的設備可運
2021-07-09 07:51:37
補償,諧波治理無功補償可同時進行快速響應;4.三相不平衡補償:BYAPF系列有源濾波器可有效治理三相不平衡,減小中性線電流,防止因中性線電流過大引起的火災事故以及帶來的其他安全隱患;5.快速連續補償
2014-06-27 13:38:11
可以看到三電平帶來的效益是明顯的。三電平比兩電平在控制、主電路的結構方面更復雜了一些,但是與節約的電能相比,這些是微不足道的。三電平的有源電力濾波器是更加綠色環保的有源電力濾波器,是實實在在省錢的有源
2010-02-22 16:00:56
可以看到三電平帶來的效益是明顯的。三電平比兩電平在控制、主電路的結構方面更復雜了一些,但是與節約的電能相比,這些是微不足道的。三電平的有源電力濾波器是更加綠色環保的有源電力濾波器,是實實在在省錢的有源
2010-02-22 16:03:54
DSP芯片為核心控制部件的試驗樣機上進行了試驗.仿真和實驗結果表明,這種有源電力濾波器能夠實時、動態地抑制諧波和補償無功功率,因而可以在三相四線制電力系統中推廣應用【關鍵詞】:諧波抑制;;無功補償
2010-05-13 09:09:37
本文對基于滑模變結構的永磁同步電機直接轉矩控制系統進行了建模仿真,根據仿真的結果,提出改進的基于優化的滑模變結構控制器的控制方法,并根據此構想建立了基于滑模變
2009-04-03 09:44:47
52 將二極管箝位式三電平逆變器應用于三相并聯有源濾波器以降低開關管應力。采用載波移相調制方法實現三電平逆變器的電流控制以提高其等效開關頻率從而改善諧波補償效果。對
2009-04-03 10:11:38
12 切換電容有源電力濾波器是一種結構較為新穎的有源電力濾波器,它避免了傳統有源電力濾波器對大電流源或者電壓源的依賴。這使得濾波器的成本和體積都大大減小。在控制方法
2009-04-03 10:18:31
45 針對帶有電流變液智能阻尼器的半主動汽車懸架模型,運用滑模變結構方法設計了半主動懸架滑模控制器。根據滑模運動方程穩定的H盯witZ判據選擇滑模面系數,用指數趨近率改善滑
2009-04-17 22:36:44
17 針對直流側電壓波動對有源電力濾波器性能的影響,以并聯型有源電力濾波器為例,闡述了系統中直流側電壓波動的原因,從瞬時能量守恒方面分析了直流側電壓控制的原理,在
2009-08-04 09:29:49
18 針對機器人這一高度非線性、強耦合的系統,首先著重從滑模面設計、滑模條件方面的工作進行了深入的探討,利用滑模變結構控制方法設計了滑模面和控制律,接著進行了Lyapunov
2009-10-06 09:12:39
18 一種三相并聯有源濾波器的仿真研究:針對廣泛使用的非線性負載產生諧波和導致功率因數較低的問題,在建立三相并聯型有源電力濾波器數學模型的基礎上,把滑模變結構控制和
2009-11-01 09:19:09
33 采用滑模變結構的異步電機矢量控制系統:根據三相電機和滑模變結構理論提出同時估計異步電機磁鏈和轉速的變結構觀測方法,并同時實時檢測重要的時變電機參數轉子時間常數,
2009-11-18 11:14:49
28 以三相系統中的電網電流為研究對象,介紹了有源電力濾波器的系統結構和工作原理,討論了主要元件參數的設計和計算。
2009-11-21 15:31:41
47 并聯型有源電力濾波器控制方法的統一描述及對比研究
本文研究有源電力濾波器的控制方法。首先對比研究了串聯型和并聯型有源電力濾波器的常見控制方法。然后提出一
2010-02-22 09:57:18
56 通過對三相四橋臂有源濾波器電路(APF)的分析,指出其主功率橋臂的電流控制與中線電流控制是相互獨立的.提出了一種新穎的混合控制方法,即三相主功率橋臂的電流
2010-03-01 18:12:20
25 基于滑模變結構控制的逆變器并聯控制策略研究摘要:本文研究了一種采用滑模變結構控制的逆變器并聯控制策略解決傳統的基于下垂特性法、或者是改進的下垂
2010-06-02 17:23:29
24 1.產品特性與優勢?適用于三相三線制的電力供電制式?SJS460系列采用兩級共模濾波電路設計,高性能三相三線制濾波器?5KHz-30MHz范圍內擁有優異的共模、差
2024-03-18 13:13:44
一、產品描述1.產品特性?適用于三相帶零線的電力供電制式? SJS780系列采用一級差模和兩級共模組成的三級濾波電路設計,高性能三相四線制濾波器?
2024-03-26 08:20:53
有源電力濾波器控制策略綜述
摘要:針對空間矢量最優控制、定頻滯環電流控制、單周控制、變結構控制等幾種目
2009-07-07 10:48:37
1426 
一種消除有源電力濾波器系統振蕩的控制方法
摘要:提出一種增加局部反饋的控制方法,對傳統有源電力濾波器控制方式進
2009-07-14 17:56:14
1016 
三相三線逆變器的直流側有源濾波器電路
三相三線逆變器的直流側有源濾波器電路
2009-07-16 19:20:29
2558 
串聯型電力有源濾波器主電路
圖串聯型電力有源濾波器主電路
串聯型電力有源濾波器
2009-07-17 08:23:23
1927 
有源電力濾波器的主電路參數設計
1引言
有源電力濾波器一般設計成電壓源型PWM逆變器,通過控制各橋臂的全控
2009-07-18 11:52:34
2032 
有源電力濾波器的發展與應用
摘要:介紹有源電力濾波器在國外近年來的一些發展情況,介紹有源電力濾波器目前的主要研究問題、分類及其應用情況。
2009-07-21 17:09:51
2492 
一種實用的三相有源濾波器控制策略的研究
摘要:介紹一種實用的三相有源濾波器(APF)的控制策略,APF的主要電路拓撲采用三相四線制電壓型變換器。其控
2009-07-25 11:09:50
1003
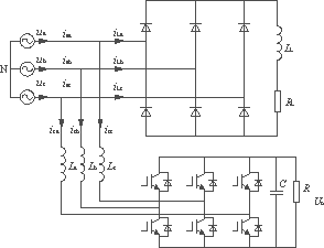
圖 三相并聯有源濾波器的主電路
有源濾波器的主電路采用三相
2009-07-25 11:10:52
5460 
三相并聯型電能質量控制器的系統結構
并聯型有源電力濾波器(Pa
2010-02-22 09:46:08
1210 
有源濾波器,有源濾波器是什么意思
一、基本概念: 有源電力濾波器(APF)是一種用于動態抑制諧波、補償無功的新型電力電
2010-03-24 14:09:19
5214 APF PCS 有源電力濾波器
APF PCS有源濾波器具有:有源濾波、動態補償、抑制諧振、補償無功功率等四大功能。產品為成套設備體積
2010-03-24 17:40:31
1546 為了解決 有源電力濾波器 (APF)補償大容量諧波電流的問題,對多臺APF的并聯運行進行了研究,并提出了一種基于均流和限流方案的并聯控制策略。該方法既保證了有源電力濾波器補償諧
2011-08-09 17:27:47
64 首先對三相并聯型 有源電力濾波器 的原理以及諧波檢測方法進行了分析,然后詳細介紹了有源電力濾波器的主電路設計要點和以TMS320F2812型DSP為核心的控制系統構成,完成了諧波電流檢
2011-08-11 11:53:49
90 基于電流最大允許脈動、逆變器開關頻率和阻尼特性要求,提出了應用在三相并聯有源電力濾波器中的LCL濾波器的一種新穎的設計方法。LCL濾波器是一種濾除逆變器開關諧波的有效手段
2011-09-20 14:26:25
64 為解決三相四線有源電力濾波器的非線性控制問題,對三相四線有源電力濾波器進行電路模型分析,提出采用Takagi-Sugeno模糊直接反饋控制的方法,對電源電流進行模糊直接反饋控制,快
2012-04-05 15:29:25
51 對三相雙降壓式并網逆變器這一新型拓撲的滑模控制進行了研究,使系統獲得良好的魯棒性。首先,對三相雙降壓式并網逆變器進行了等效分析。然后,根據等效分析電路重點對其滑模
2013-09-26 15:04:38
18 現代控制理論與交流電機調速_滑模變結構控制
2016-04-25 10:10:07
24 變帶寬濾波器在變結構控制的應用,下來看看
2017-01-08 15:59:09
4 基于卡爾曼濾波滑模變結構轉子位置觀測器的PMSM無差拍控制_邱忠才
2017-01-07 17:01:10
6 三相并聯混合有源電力濾波器的無源控制策略_丁青青
2017-01-08 10:40:54
1 三相電壓型PWM整流器的雙滑模控制方案研究_鄭宏偉
2017-01-08 11:07:01
0 三相有源電力濾波器滑模解耦控制方法研究_胡志坤
2017-01-08 13:49:17
1 滑模變結構控制理論的研究及在直接轉矩控制系統中的應用
2017-01-21 12:07:36
3 新型三相三線制模糊滑模控制并聯有源濾波器設計_江全才
2017-02-07 18:22:06
1 介紹一種實用的三相有源濾波器(APF)的控制策略,APF 的主要電路拓撲采用三相四線制電壓型變
換器。其控制電路分為兩部分:相電流基準的產生和滯環控制脈沖調制。相電流基準與相電壓同相位,幅
值則
2022-07-11 16:42:28
16 三相四線四橋臂并聯型有源電力濾波器直流側電容優化設計
2017-09-11 10:54:47
21 基于DSP的三相四線有源電力濾波器的控制
2017-09-12 10:13:37
10 ),其應用可克服LC濾波器等傳統的諧波抑制和無功補償方法的缺點(傳統的只能固定補償),實現了動態跟蹤補償,而且可以既補諧波又補無功;三相電路瞬時無功功率理論是APF發展的主要基礎理論;APF有并聯型和串聯
2017-10-25 10:22:55
17317 并聯有源電力濾波器是一種用于動態抑制諧波和補償無功的新型電力電子裝置,近年來,有源電力濾波器的理論研究和應用均取得了較大的成功。對其主電路(VSI)參數的設計也進行了許多探討,但是,目前交流側濾波電感還沒有十分有效的設計方法,然而該電感對有源濾波器的補償性能十分關鍵。
2017-11-21 17:34:08
17930 
針對三電平有源電力濾波器,在建立其小信號數學模型的基礎上,提出一種考慮輸出補償電流的改進型預測電流跟蹤控制策略。同時,為控制三電平直流側中點電位不平衡,提出一種基于平衡因子的中點電位平衡控制策略。為
2017-12-27 15:43:34
22 針對傳統基于3D-SVPWM調制的矢量控制策略對諧波信號跟蹤動態效果差和控制目標單一的問題,在三相四線制不對稱負載系統中,提出了一種多目標優化模型預測控制策略。建立四橋臂有源電力濾波器(FAPF
2018-03-21 10:17:30
3 為解決并聯型有源電力濾波器三相電流之間和有功無功電流之間的強耦合問題,以達到改善負載補償效果的目的,總結了近年來相關學者對有源電力濾波器解耦控制的研究工作。首先,分析了并聯有源電力濾波器的結構和特點
2018-03-22 13:59:01
1 三相有源電力濾波器實現主要是諧波分析、電流內環跟蹤控制、直流母線電壓穩定、驅動信號生成等。
2018-08-08 19:04:23
15953 本文首先介紹了有源電力濾波器原理圖,其次介紹了有源電力濾波器基本原理詳解,最后介紹了有源電力濾波器功能。有源電力濾波器是一種用于動態抑制諧波、補償無功的新型電力電子裝置,能對動態諧波和頻率、無功進行動態補償,其應用可克服LC濾波器等傳統的諧波抑制和無功補償方法的缺點。
2018-08-30 18:53:44
35493 本文首先介紹了有源電力濾波器的作用,其次介紹了有源電力濾波器的優缺點,最后闡述了有源電力濾波器發展趨勢。有源電力濾波器的優點:1、有較快的響應能力、2、可靠性高、3、有著大容量的補償力、4、簡單的操作方法和結構、5、高性價比、6、節能降耗能力。
2018-08-30 18:58:49
15315 三相濾波器可以降低降低整個系統對電網的傳導干擾,在150kHz?30MHz范圍內擁有優越的插入衰減表現,三相濾波器設計經湊擁有更好的抑制高頻干擾效果,在工業涉筆、機械、機床等自動化控制中有著廣泛的用途。
2020-07-22 16:35:10
4755 ,且具有改善三相不平衡度的優點。對于有源濾波器諧波電流檢測與補償電流的發生是其極為關鍵的技術。
有源電力濾波器的電流控制一般采用 PWM(PulseWidth Modulation)模式,目前常用
2020-09-17 09:45:20
2086 
有源電力濾波器(AcTIve Power Filter,APF)作為一種用于動態抑制諧波的電力電子裝置,其能夠同時補償多次諧波電流,能實時控制、自動跟蹤非線性電流并加以控制,有較快的動態 響應速度,且具有改善三相不平衡度的優點。對于有源濾波器諧波電流檢測與補償電流的發生是其極為關鍵的技術。
2020-09-18 15:44:52
3141 
簡要分析了并聯電力有源濾波器的結構及工作原理。針對三相三線制供電系統設計了一采用DSP數字控制的并聯有源濾波器。對該有源濾波器的硬件結枃、軟件流程、指令電流及PwM波的產生進行了分析和闡述。通過試驗驗證了該系統的正確性和有效性。
2021-05-06 14:07:57
33 型有源電力濾波器的三角波載波線性控制、電流滯環跟蹤控制、定頻瞬時值控制等電流控制策略進行了研究,通過理論分析比較了各自的特點。
2021-05-13 09:58:19
37 三相交流電力濾波器具備高差模衰減和低串聯電阻。 篩選功能 115v2kW; 6.0-8.0臂; 極低串聯電阻; 內部結構阻尼; 基板和I/O相互之間的高壓隔離; -55°C至+100°C操作溫度
2021-11-11 14:41:48
3466 智能滑模變結構控制(淺談人工智能的發展趨勢)-智能滑模變結構控制的交流伺服控制系統,僅提供參考
2021-09-30 13:14:32
15 三相濾波器,就是用來過濾三相電里面的諧波的濾波器。三相濾波器可以降低整個系統(如變頻系統、伺服系統等)對整個電源的干擾,能夠有效衰減10KHz~30MHz這個頻段內的諧波,在三相供電的工業設備、機械、機床以及其他自動化控制系統中,有著較為廣泛的應用。
2021-11-01 16:06:28
7702 三相濾波器原理是指當三相電流通過濾波器時,濾波器會吸收一部分電流,而另一部分電流會被另外兩個濾波器吸收,從而形成一個三相濾波器耦合。
2023-02-23 11:21:38
6517 摘要:通過分析LCL的濾波數學模型建立三相三線制并聯有源電力濾波器仿真模型。對比有源電力濾波器不帶LCL濾波和帶LCL濾波對系統濾波效果的影響,仿真結果表明:三相三線制有源電力濾波器帶LCL濾波可以濾除有源電力濾波器中變流器所產生的高頻開關次諧波。
2023-04-20 14:27:48
5111 
三相三線電源濾波器和交流三相四線電源濾波器的區別主要是它們的功能不同。
2023-09-26 11:43:27
2791 三相三線濾波器和三相四線濾波器的區別? 三相三線和三相四線都是常見的電力系統中的電路配置,它們之間的主要區別在于接地方式和電路的接線方法不同,這也導致了它們所需的濾波方法也不同。本文將從以下三個方面
2023-10-25 15:38:25
2862 獨立式有源 EMI 濾波器 IC 如何縮小共模濾波器尺寸
2023-11-27 15:38:30
1369 
顯著區別。本文將詳細探討三相三線濾波器和三相四線濾波器之間的區別。 首先,讓我們了解一下三相電力系統的基本結構。在三相三線系統中,使用三個相線(A、B、C)和一個中性線(N)。這種系統通常用于工業領域,如大型機械設
2023-12-15 14:37:52
2155 交流三相三線電源濾波器有什么特點和優勢? 在現代電力系統中,由于頻繁的電氣設備運行和電源負載變化,電網中存在大量的電源諧波和干擾信號。這些諧波和干擾信號會對電氣設備的正常運行造成不利影響,降低其性能
2023-12-18 13:40:11
1963 隨著現代工業和家庭電器的迅速發展,對電力系統的電磁兼容性和電源質量要求越來越高。這使得電源濾波技術,尤其是三相電源濾波器,變得尤為重要。下面將對三相電源濾波器的原理、特點和應用進行詳細介紹。
2024-02-27 10:37:44
2209 
三相電源濾波器作為電力系統中不可或缺的一部分,對于提升電能質量、保障設備正常運行具有重要意義。本文維愛普小編將深入探討三相電源濾波器的原理、應用領域及發展趨勢,旨在為讀者提供全面、深入的了解。
2024-05-06 11:18:09
1667 三相電源濾波器是一種專門設計用于三相交流電源系統的電磁干擾(EMI)濾波設備。
2024-05-24 16:04:18
3390 三相三線電源濾波器,作為現代電力系統中不可或缺的電氣元件,其重要性日益凸顯。在復雜多變的工業與商業用電環境中,三相三線電源濾波器以其獨特的優勢,為電力系統的穩定運行和電氣設備的可靠工作提供了強有力的保障。
2024-10-10 09:03:38
1323 
電子發燒友網站提供《用于三相交流電源系統的有源EMI濾波器評估模塊.pdf》資料免費下載
2024-11-04 09:09:59
1 。本文將深入探討三相四線軍用電源濾波器的特點、應用及其在現代軍事裝備中的重要性。 深圳維愛普三相四線軍用電源濾波器是專為軍用設備設計的電力濾波器,具有優異的共模和差模干擾抑制特性。其設計初衷是為了應對復雜多
2025-02-12 14:30:29
852 在快速發展的工業自動化領域,每一個細節的優化都關乎生產效率與設備安全。三相濾波器,這一看似不起眼的電子元件,卻在保障電力質量、提升設備穩定性方面發揮著舉足輕重的作用。本文將深入探討三相濾波器在工業
2025-03-11 11:04:06
836 TPSF12C3 是一款有源濾波器 IC,旨在減少三相交流電源系統中的共模 (CM) 電磁干擾 (EMI)。
配置有電壓感應和電流注入 (VSCI) 的有源 EMI 濾波器 (AEF) 使用電
2025-05-06 09:52:34
1764 
評論