數字信號處理器(digital signal processor,DSP)是一種用于數字信號處理的可編程微處理器,它的誕生與快速發展,使各種數字信號處理算送得以實時實現,為數字信號處理的研究
2022-08-02 17:37:28
22642 
控制領域得到了廣泛的應用。一般數字信號處理器構成的控制系統, IGBT驅動信號由處理器集成的PWM模塊產生的。而PWM接口驅動能力及其與IGBT的接口電路的設計直接影響到系統工作的可靠性。因此本文
2009-09-04 11:37:02
的應用。一般數字信號處理器構成的控制系統, IGBT驅動信號由處理器集成的PWM模塊產生的。而PWM接口驅動能力及其與IGBT的接口電路的設計直接影響到系統工作的可靠性。因此本文采用Agilent公司
2012-09-09 12:22:07
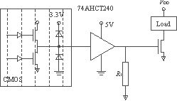
數字隔離器的安全可靠性
2021-01-21 07:27:02
數字信號處理,或者說對信號的數字處理,是60年代前后發展起來的一門新興學科。進入70年代以來,隨著電子計算機,大規模集成電路(LSI)和超大規模集成電路(VLSI),以及微處理器技術的迅猛發展
2023-09-28 06:34:08
圍的干擾不會引起數字值的變化,因此,數字信號處理系統的抗干擾性能強,可靠性高,數據 的保存也能永久穩定。 ?。?) 精度高 模擬器件的數據表示精度低,難以達到10-3以上,而數字信號處理器和數字器件
2020-12-09 14:01:39
ADSP系列數字信號處理器原理介紹,一共7個部分
2016-05-28 09:22:40
HXS320F28025C是中科昊芯自主研發的一款基于 RISC-V 架構的 32 位浮點數字信號處理器(DSP)芯片,基于 H28x 內核,具三角函數單元與 CRC 指令集,增可配置邏輯模塊,支持
2025-12-03 09:02:10
鍍層開路、鍍層裂紋、鍍層空洞、柱狀結晶、孔壁分離等失效分析;冷熱沖擊、回流焊、鍍層結晶、鍍層覆蓋性等可靠性分析。01.冷熱沖擊金鑒實驗室針對PCB板冷熱沖擊測試,并檢測電阻變化,對鍍層失效部位可通過氬
2021-08-05 11:52:41
DSP數字信號處理器
2023-04-06 11:21:43
數字信號處理器
2023-03-24 15:01:31
關于電路板焊點可靠性分析的材料相關問題 可以咨詢我 chenghua@aecteam.com
2009-05-18 16:15:40
《電路可靠性案例征文》大賽主辦方:硬件十萬個為什么信號完整性 電子發燒友論文形式:不限參加方式:文檔發送到微信號elecfans008評選標準:案例由《硬件十萬個為什么》《信號完整性》《電子發燒友
2016-09-03 15:35:31
)失效,都將引起整個系統失效。 上圖中的a表示系統的功能框圖,而b表示系統的可靠性框圖,可以看出,兩者有時是不相同的。 例如:一個LC并聯諧振電路: 雖然是LC并聯諧振電路,但
2016-09-03 15:47:58
很強的數據處理能力,然而系統必要的控制功能是DSP所不擅長的。什么是數字信號處理器性價比的新標桿?我們需要注意什么?
2019-08-02 07:25:28
,可靠性工程得到迅速發展!1965年,美國頒發了《系統與設備的可靠性大綱要求》,可靠性工程活動與傳統的設計、研制和生產相結合,獲得了較好的效益。羅姆航空發展中心組建了可靠性分析中心,從事與電子設備
2020-07-03 11:18:02
:SUN:DSJS.0.2010-02-005【正文快照】:1可靠性概述長期以來,國內生產的駐極體電容傳聲器(簡稱傳聲器),一直使用由結型場效應晶體管(JFET)和正向箝位二極管D1組成的簡單組合件[1
2010-04-22 11:29:53
關于舉辦“基于全球最流行統計軟件MINITAB的現代實戰可靠性分析暨高級可靠性檢驗員國家職業資格取證考前培訓班”的通知各有關單位: 根據《中華人民共和國勞動法》勞動和社會保障部《招用技術工種從業人員
2011-05-03 11:22:06
DSP技術廣泛應用于各個領域,但傳統的數字信號處理器由于以順序方式工作使得數據處理速度較低,且在功能重構及應用目標的修改方面缺乏靈活性。而使用具有并行處理特性的FPGA實現數字信號處理系統,具有很強的實時性和靈活性,因此利用FPGA實現數字信號處理成為數字信號處理領域的一種新的趨勢。
2019-10-17 08:12:27
單片機復位電路的可靠性分析(2008-08-02 21:02:33) 摘要:總結了目前使用比較廣泛的四種單片機復位
2010-10-23 11:13:48
單片機復位電路的可靠性分析
2012-08-16 15:39:58
、信號線路故障保護器、ESD(靜電干擾)保護器、能實現電源短路保護的自聚合開關等。 三、軟件系統的可靠性設計在單片機應用系統可靠性設計中,軟件設計最主要的任務是保證在過程空間中。應用程序按照給定的順序有序
2021-01-11 09:34:49
哪位大神關于《數字信號處理與數字信號處理器》的DSP論文,求分享。。。。
2014-05-27 16:25:52
基于數字信號處理器TMS320F2812的逆變電路設計摘要:本文簡述了單相逆變電路的工作原理,分析其驅動信號生成的兩種分立元件控制電路;提出利用數字信號處理器(DSP)實現正弦脈寬調制,并結合
2012-12-21 11:00:25
件),數字信號處理器以其優越的性能在交流調速、運動控制領域得到了廣泛的應用。一般數字信號處理器構成的控制系統, IGBT驅動信號由處理器集成的PWM模塊產生的。而PWM接口驅動能力及其與IGBT的接口電路
2012-06-11 17:24:30
關于舉辦“基于全球最流行統計軟件MINITAB的現代實戰可靠性分析暨高級可靠性檢驗員國家職業資格取證考前培訓班”的通知各有關單位: 根據《中華人民共和國勞動法》勞動和社會保障部《招用技術工種從業人員
2011-05-15 11:19:26
如何去選擇數字信號處理器 (DSP)?
2021-05-25 07:20:05
。因此,硬件可靠性設計在保證元器件可靠性的基礎上,既要考慮單一控制單元的可靠性設計,更要考慮整個控制系統的可靠性設計。
2021-01-25 07:13:16
的計算模型?! ? 電子線路板熱可靠性分析的建?! ”疚?b class="flag-6" style="color: red">分析的電子線路板中,由9個MOS管及6塊集成電路塊構成主要發熱器,當元器件處于工作狀態時,大部分的損耗功率就會轉變為熱量,那么在建模過程中
2018-09-13 16:30:29
。純分享帖,需要者可點擊附件獲取完整資料~~~*附件:電機微機控制系統可靠性分析.pdf
【免責聲明】本文系網絡轉載,版權歸原作者所有。本文所用視頻、圖片、文字如涉及作品版權問題,請第一時間告知,刪除內容!
2025-04-29 16:14:56
我想問一下高速電路設計,是不是只要做好電源完整性分析和信號完整性分析,就可以保證系統的穩定了。要想達到高的可靠性,要做好哪些工作???在網上找了好久,也沒有找到關于硬件可靠性的書籍。有經驗的望給點提示。
2015-10-23 14:47:17
一、航天電連接器的可靠性分析1.固有可靠性 電連接器的固有可靠性一般是指電連接器制造完成時所具有的可靠性,它取決于電連接器的設計、工藝、制造、管理和原材料性能等諸多因素。電連接器制作完成后,其失效
2021-03-25 16:24:47
針對軟硬件復合計算機系統的可靠性分析,提出了相應的模塊化分解模型,采用動態和靜態相結合的方法分析系統可靠性。通過分析案例系統的可靠性和部件的重要度,揭示在軟
2008-12-03 13:05:13
11 了解數字信號處理器:
2009-07-27 15:55:54
16 定點數字信號處理器(DSP)技術與應用
數字信號處理器(DSP)的應用領域•通用數字信號處理(數字濾波、卷積、相關、變換等)•通信(高效調制/解調、編/解碼
2010-04-07 10:30:36
23 該文研究用ANSYS 軟件對電子線路板做熱可靠性分析時的建模問題,通過仿真分析,得到如下兩點推論:(1)銅箔分布的不均勻性對PCB 傳熱有重要的引導作用,因此在建模時應盡量予
2010-04-24 08:48:26
15 Analog Devices Inc. ADSP-SC598雙SHARC+?數字信號處理器Analog Devices Inc. ADSP-SC598雙SHARC+ ? 數字信號處理器(DSP)采用
2024-02-22 13:47:31
DDC2256AZZF:高性能數字信號處理器的理想選擇在現代電子系統中,數字信號處理器(DSP)是實現高效信號處理和數據轉換的關鍵組件。DDC2256AZZF是德州儀器(Texas
2024-03-02 21:32:33
TMS320C6416TBGLZA8:高性能數字信號處理器在數字信號處理(DSP)領域,處理器的性能直接影響到系統的效率和準確性。TMS320C6416TBGLZA8是德州儀器(Texas
2024-03-03 12:49:04
TMS320C6416TBGLZA8:高性能數字信號處理器在數字信號處理(DSP)領域,處理器的性能直接影響到系統的效率和準確性。TMS320C6416TBGLZA8是德州儀器(Texas
2024-03-03 12:49:31
ADSP-21060LCW-160:高性能數字信號處理器在數字信號處理領域,處理器的性能和效率對系統的整體表現至關重要。ADSP-21060LCW-160是亞德諾半導體(Analog Devices
2024-03-03 12:51:11
5962-8606305XA是一款高性能的數字信號處理器,通常用于和航空航天領域的嚴苛環境下。它由德州儀器(Texas Instruments)生產,采用了先進的數字信號處理技術,具有出色的計算能力
2024-04-25 13:11:57
DSP芯片外圍電路典型設計(數字信號處理器芯片TMS320F206) :
引 言 DSP(數字信號處理器)芯片是一種能夠實時快速地實現各種數
2007-08-15 15:57:19
5032 數字信號處理入門指南什么是DSP?
數字信號處理器(DSP)采集已被數字化的現實世界的聲音、音頻、視頻、溫度、壓力或位置等信號,并從數學的角度對其進
2009-09-15 08:55:11
1510 
Freescale推出MSC8155數字信號處理器助推無線基站設備性能
飛思卡爾半導體現已推出MSC8155 數字信號處理器 (DSP)。該處理器基于最新的 StarCore 技術,是公司旗艦產品MSC8156 D
2010-02-24 16:41:47
1159 數字信號處理器性價比
傳統基于微控制器的嵌入式應用常常面臨新的挑戰,一方面控制器的信息處理能力有限,難以滿足大量數據運算任務的需求,增加DSP協處理器成
2010-04-17 17:59:57
1078 
車載主機的數字信號處理器 &nb
2010-01-04 10:52:00
1601 數字信號處理器(DSP)
數字信號處理器(digital signal processor, 簡寫 DSP)是一種專用于(通常為實時的)數字信號處理的微處理器。
2010-01-04 10:54:54
3702 摘 要:以兩片由TI公司生產的數字信號處理器TMS320C6203B為核心,用可編程邏輯陣列CPLD進行邏輯控制,采用現場可編程門陣列FPGA作圖像的預處理和進行雙數字信號處理器(DSP)之間的通訊,實現了實時相關的圖像處理。此系統實時性好,可直接利用數字圖像的灰度特征,
2011-02-24 22:51:12
60 隨著大規模集成電路和計算機技術的飛速發展, 數字信號處理(DSP)技術已經滲透到幾乎各個領域,包括計算機語音學、計算機視覺、計算機多媒體技術、超文本數據傳輸等各個領域, 而用于進行數字信號處理的專用DSP 芯片的性能價格比也在驚人地增加。 目前DSP的主
2011-02-24 23:56:05
35 對航天飛機結構常用的蒙皮骨架組成的薄壁結構,提出一種考慮損傷容限和耐久性設計要求的結構系統可靠性分析方法,以此為航天結構系統的可靠性設計提供參考. 對加勁板進行可靠性分
2011-05-18 18:11:18
0 LED燈具所涉及的技術問題很多、很復雜,其中主要是系統可靠性問題,包含LED芯片、封裝器件、驅動電源模塊、散熱和燈具的可靠性。以下分別對這些問題進行分析: 1. LED燈具 可靠性
2011-10-11 14:25:19
1641 
電子產品可靠性分析、評價的重點在于確定其高風險環節。基于充分考量失效機理的分析目的,采用了元器件-失效模式-失效機理-影響因素相關聯的分析方法,通過相關物理模型和一個
2012-04-20 11:16:16
180 數字信號處理器原理、結構及應用所附光盤。
2016-06-06 16:03:43
21 數字信號處理器用戶手冊中文資料
2016-12-17 10:45:38
13 發輸電系統可靠性分析中最優切負荷模型_榮雅君
2017-01-04 16:45:45
0 基于模糊Petri網的GIS故障診斷與可靠性分析_王濤云
2017-01-05 15:34:14
1 基于時序模擬的并網型微網可靠性分析_王玉梅
2017-01-08 10:30:29
0 CmDSP_一種可配置媒體數字信號處理器
2017-02-07 14:58:18
7 MEMS和數字信號處理器的露點傳感器設計
2017-02-07 14:58:18
7 數字信號處理器的匯編程序優化方案
2017-02-07 15:05:00
14 石化工業儀表電源系統的可靠性分析
2017-02-07 15:27:34
9 DSP又稱數字信號處理器。數字信號處理是將信號以數字方式表示并處理的理論和技術。數字信號處理與模擬信號處理是信號處理的子集。
2017-05-18 08:46:19
50518 EGS通信網絡可靠性分析研究
2017-08-31 08:34:46
6 DSP數字信號處理器發展及應用簡介
2017-10-21 08:58:15
12 DSP技術廣泛應用于各個領域,但傳統的數字信號處理器由于以順序方式工作使得數據處理速度較低,且在功能重構及應用目標的修改方面缺乏靈活性。而使用具有并行處理特性的FPGA實現數字信號處理系統,具有很強
2017-10-31 10:37:23
0 1 引言 數字信號處理器(DSP)已經發展了20多年,最初僅在信號處理領域內應用。近年來, 隨著半導體技術的發展,其高速運算能力使很多復雜的控制算法和功能得以實現,同時將實時處理能力和控制器的外設
2017-11-01 17:05:52
3 為解決因結構復雜、數據缺乏、人的認知水平不足等導致液壓系統存在不確定性,以及液壓系統存在多性能、多故障狀態等多態性問題,提出了液壓系統證據理論和貝葉斯網絡相結合的可靠性分析方法。證據理論能夠很好地處理
2018-03-13 14:29:47
1 在傳統的配電系統和信息系統可靠性分析中,通常僅考慮其各自的可靠性,很少計及兩者之間的相互影響。為了在配電網可靠性分析中計及信息系統的影響,研究了信息系統與配電系統的關系。著重分析了信息系統發生故障
2018-03-28 16:09:27
1 上世紀四十年代初期到六十年代末期,是結構可靠性理論發展的主要時期;六十年代到八十年代,是結構可靠性理論得到了發展并已較為成熟的時代九十年代,人可靠性分析方法的研究趨于活躍,許多學者將人工智能、隨機
2018-10-16 15:28:56
9854 對于從事電子信息行業的人員,都應該接觸以及了解過數字信號處理器。關于數字信號處理器簡稱為DSP,屬于一種專用的微處理器,在其體系結構方面,可以針對數字信號處理的操作當中,必要時候進行優化。DSP的使用目標一般為測量或過濾又或是壓縮連續的真實模擬信號。
2018-10-29 11:26:00
10639 DSP,也就是數字信號處理器英文的縮寫,是一種能夠提供實時處理信號的微處理器。在一般的家用電腦當中也配備了這種微處理器,其通過利用儲存在存儲器里的數據來進行工作,從這方面來說在支票的結算或是在電子游戲當中是相當合適的。
2018-10-29 14:46:00
6467 在數字信號處理器之間,如果由于其可編程性,通常可以分為可編程和不可編程這兩個類別。 在不可編程信號處理器中,信號處理被用作主要邏輯結構,但是沒有控制程序,并且通常只能執行一個主處理功能,因此也稱為專用信號處理器。
2018-10-29 14:50:18
6768 數字信號處理器(DSP)是一種專門的微處理器(或SIP塊),其體系結構針對數字信號處理的操作需要進行了優化。
2019-08-26 17:38:01
5651 中國電科38所在福州舉行的首屆數字中國建設峰會上發布了實際運算性能業界同類產品最強的數字信號處理器——“魂芯二號A”。
2019-09-04 14:57:34
1814 和時域、頻域分析;序列離散傅里葉變換的概念、性質和應用及其快速算法;數字濾波器的基本概念與理論,數字濾波器的設計、算法結構和誤差分析;多采樣速率數字信號處理的基本理論、高效算法結構和應用舉例?!?b class="flag-6" style="color: red">數字信號處理》
2020-03-30 08:00:00
195 PCB 可靠性分析就像在大型展會之前獲得第二意見。它可以幫助您在設計之前就找出設計中的問題區域。具體的 PCB 可靠性分析有很多好處,但我將談三點。可靠的功能,更低的成本和更快樂的客戶。 1. 可靠
2020-09-30 18:39:36
2614 一、可靠性設計基本概念可靠性設計是根據可靠性要求進行優化設計的一個過程,其核心是可靠性分析與可靠性評估,通過產品可靠性要求的轉換可獲取產品可靠性設計指標,可靠性設計的目的是提高產品的固有可靠性,而制造質量控制只能使產品可靠性盡可能接近固有可靠性
2020-12-24 12:41:44
2711 LTE-R無線通信系統可為鐵路通信網絡提供數據傳輸支持,實現列車安全可靠運行,然而目前針對該系統的可靠性與失效動態特性分析較少。提出一種基于動態故障樹(DFT)的LTE-R系統可靠性分析方法。通過分析
2021-03-23 16:27:12
8 DSP 數字信號處理技術 (Digital Signal Processing)指理論上的技術; DSP 數字信號處理器(Digital Sig —hal Processor)指芯片應用技術。因此
2021-03-25 09:30:45
12 集成電路封裝測試與可靠性分析。
2021-04-09 14:21:51
119 數字調諧抗鋸齒/重構過濾簡化高性能數字信號處理器設計
2021-04-17 15:53:14
7 數字信號處理器(DSP)實驗報告說明。
2021-04-19 11:26:41
16 ADSP-21990:混合信號數字信號處理器數據表
2021-05-07 15:22:06
10 ADSP-21991:混合信號數字信號處理器數據表
2021-05-13 13:00:10
6 電子發燒友網站提供《Gowin數字信號處理器(DSP)用戶指南.pdf》資料免費下載
2022-09-14 14:22:34
11 TI CC6678數字信號處理器 (DSP) 的50種用法
2022-11-04 09:51:49
3 電子發燒友網站提供《數字信號處理器上的音源分離.zip》資料免費下載
2022-12-06 09:24:03
1 數字信號處理器是一種專門用于數字信號處理的微處理器。它能夠高效地執行數字信號處理算法,包括數字濾波、頻譜分析、信號合成和其他數字信號處理技術。DSP廣泛應用于音頻處理、視頻處理、無線通信和圖像處理等領域。
2023-05-31 11:53:49
4662 貞光科技從車規微處理器MCU、功率器件、電源管理芯片、信號處理芯片、存儲芯片、二、三極管、光耦、晶振、阻容感等汽車電子元器件為客戶提供全產業鏈供應解決方案。摘要IGBT作為新能源汽車電機控制器
2023-05-05 17:27:46
2302 
作為數字信號處理的一個實際任務就是要求能夠快速、高效、實時完成處理任務,這就要通過通用或專用的數字信號處理器來完成。因此,數字信號處理器是用來完成數字信號處理任務的一個軟、硬件環境和硬件平臺。
2023-08-07 16:58:08
12382 電子發燒友網站提供《鎂合金微弧氧化電源驅動電路可靠性分析.pdf》資料免費下載
2023-11-06 09:42:40
0 數字信號處理器 (Digital Signal Processor, DSP)是一種專用微處理器,它在架構上對數字信號處理 (Digital Signal Processing)做了優化。第一款單
2023-11-30 09:07:16
2210 
在現代通信、數據傳輸和信號處理等領域,數字信號的應用日益廣泛。數字信號以其高可靠性、抗干擾能力強和易于處理等優點,成為現代通信系統的核心。然而,對于數字信號的測量和分析,傳統的方法往往難以勝任。頻譜分析
2024-05-17 18:10:16
2027 隨著信息技術的飛速發展,數字信號處理器(Digital Signal Processor,簡稱DSP)作為數字信號處理的核心設備,在通信、音視頻、自動控制等領域發揮著越來越重要的作用。本文將詳細探討數字信號處理器的特點、作用以及種類,以期為讀者提供全面的了解和認識。
2024-05-22 18:20:27
4536
評論