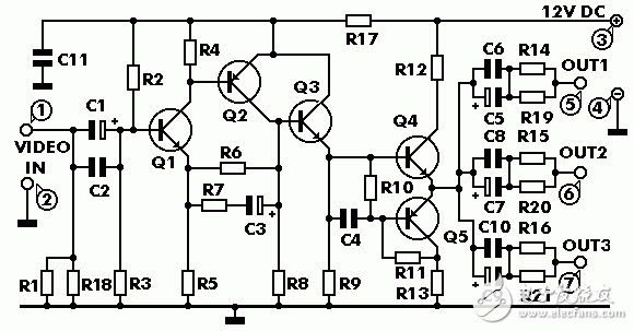
視頻信號預處理電路圖
2009-07-15 12:05:14
1412 
視頻信號干擾是如何產生的?視頻信號干擾的解決方法有哪些?
2021-06-02 07:10:56
AA類放大器的特點是什么?AA類放大器的基本電路和工作原理是什么?
2021-04-08 06:54:25
D類放大器基本工作原理和近期發展D類放大器的高效特性,使其成為便攜式和大功率應用的理想選擇,傳統D類放大器需要一個外部低通濾波器,以從脈寬調制信號(PWM)輸出波形中提取音頻信號,然而,許多現代D類放大器采用先進的調制技術,可使各種應用免去外部濾波器并降低電磁干擾(EMI)。[hide][/hide]
2009-12-17 14:49:59
D類放大器的工作原理及EMI抑制方法1. 前言:在日新月異的多媒體時代,便攜式電子產品,如智能電話、PDA、MP3、PMP、DSC、DVC、NB等多媒體產品,對聲音質量的要求越來越嚴格。另外,由于
2009-09-25 10:41:14
視頻信號的處理過程就是拍攝視頻信號的逆過程。攝像頭輸出的是標準 PAL 制電視信號。攝像頭通過光電轉換實現圖像到視頻信號的轉換,也就是掃描的過程。攝像頭每掃描完一行圖像,加入一個行同步脈沖,每掃描完
2018-12-04 09:36:59
MM1031是MITSUMI公司生產的一款視頻信號放大器,工作電壓5V,它為4腳MMP-4P封裝。
2021-04-26 06:42:35
的頻率響應特性。該系列產品支持多種輸入信號,具體取決于是否需要6dB的視頻放大器、視頻驅動器或同步端鉗位以及偏置電路類型的組合輸入。由于這些IC(集成電路)可以從VCC=2.8V的低電壓開始運行,因此
2019-07-09 02:25:22
帶寬放大器是指工作頻率上限與下限之比遠大于l 的放大電路。這類電路主要用于放大視頻信號、脈沖信號或射頻信號。如何利用可變增益放大器VGA AD603設計帶寬直流放大器?我們該注意哪些事項?
2019-08-19 06:27:33
音頻信號均幅控制放大器電路主要器件包括哪些?如何去設計音頻信號均幅控制放大器?
2021-04-22 07:18:01
USB的主要優點有哪些?USB結構與工作原理是什么?USB外設控制器怎么實現?怎么實現帶DMA視頻信號接口功能的USB接口電路設計?
2021-05-31 06:25:17
400 行觸發,波形見下圖。波形記錄分析視頻信號是連續的模擬波形,為了全面分析波形,我們需要將波形記錄后分析,此時示波器必須具備足夠的存儲深度,才能在記錄波形之后看清放大的細節,如下圖所示。購線網www.gooxian.com 專業定制各類測試線(同軸線、香蕉頭測試線,低噪線等)。
2018-05-03 10:23:37
想通過一個電路來檢測視頻信號的有無,求電路圖
2018-10-12 14:36:54
越來越多的便攜式設備,例如數碼相機、蜂窩電話和便攜式媒體播放器等,都開始逐漸增加復合視頻輸出的連接功能。這類設備中,連接在視頻數/模轉換器(DAC)之后的視頻濾波放大器產生視頻信號?,F有的3.3V
2020-12-17 09:52:10
是音響系統的核心組件,負責增強音頻信號,使揚聲器發揮更大威力。無論是在家庭影院、公共演講還是音樂演出中,系統放大器都能夠提供足夠的輸出,讓音質更加清晰響亮。同時,在音視頻傳輸中,系統放大器還可以對視頻信號進行
2024-11-18 14:46:42
怎么利用數字示波器進行視頻信號測量?數字熒光示波器是什么?具有哪些優點?常見的視頻信號測量有哪些?
2021-04-15 06:47:12
使用低電源電壓放大器分配DN327視頻信號
2019-07-19 06:08:04
請教一下技術大佬,鎖相放大器工作原理是咋樣的?他 鎖相放大器的結構復雜嗎?
2021-04-07 07:03:43
LG CB550B顯示器視頻信號處理放大電路圖
2008-11-24 08:15:34
33 LG CB773F顯示器視頻信號處理放大電路
2008-11-24 08:19:18
16 LG CB775C顯示器視頻信號處理放大電路圖
2008-11-24 08:23:46
19 LG CB777F顯示器視頻信號處理放大電路圖
2008-11-24 08:27:15
43 LG CB995B顯示器視頻信號處理放大電路圖
2008-11-24 08:29:17
22 自已制作的示波器,可以用來觀察視頻信號。
2008-12-09 16:58:47
50 小功率音頻信號放大器電路及制作
2009-04-13 12:41:00
18 GA01視頻隔離放大器使用說明書:GA01 視頻隔離放大器可實現模擬視頻信號的隔離傳輸。GA01 內含DC/DC 隔離電源、視頻隔離電路、視頻驅動電路等,實現了電源輸入、視頻輸入、視頻輸
2009-12-18 09:19:08
26 CIM1007視頻信號隔離放大器:測試波形時,應在輸出端接75Ω負載電阻。通常輸入端也應接75Ω電阻作為信號源負載。輸出端接了電纜之后,測方波響應會有過沖震蕩,在電纜末端接75Ω電
2009-12-18 09:22:09
29 采用低電源電壓放大器的視頻信號分配設計要點
視頻設計常常被迫工作於可能的最低軌電壓條件下,造成這一結果的原因很簡單,就是邏輯電路供電電壓
2010-03-18 14:56:36
35 針對某綜合測試系統的測試需求,采用一種基于PCI總線的塔康(TACAN)視頻信號產生電路設計方案,實現了塔康視頻信號方位可調整的功能。介紹了系統的工作原理和設計要求;重點
2010-07-21 16:13:58
18 高幀頻的視頻信號不同于普通視頻信號,如果采用模擬信號方式傳輸,它的模擬帶寬達到了幾十兆甚至一兩百兆,這樣很難實現遠距離傳輸。
2006-03-11 13:24:45
1795 
常用視頻信號格式及端子接口定義
R
2006-04-16 23:20:52
10776 
視頻信號傳輸方式及特性說明
標簽/分類:
1. 分量視頻(Component Signal)
2007-08-21 15:08:05
8603 
CCD視頻信號處理電路本文介紹了專用CCD視頻信號處理芯片XRD4460的功能與特點,并利用該芯片設計一種CCD視頻信號處理電路,給了其詳細的硬件和軟件設計。該電路適用于CCD相機
2008-05-12 09:04:16
2863 
視頻隔離放大器使用說明書
GA01 視頻隔離放大器可實現模擬視頻信號的隔離傳輸。GA01 內含DC/DC 隔離電源、視頻隔離電路、視頻驅動電路
2008-10-19 10:45:05
5235 
CIM1007視頻信號隔離放大器
外圍電路:需輸入隔直電容47uF。測試波形時
2008-10-19 10:47:47
1806 
直流耦合視頻放大器/濾波器的視頻信號電平轉換
摘要:這篇應
2009-02-23 11:18:59
1151
視頻信號切換電路
2009-02-28 18:07:06
1220 
視頻信號箱位電路
2009-03-13 19:38:16
550 
差分放大器的工作原理
差分放大器也叫差動放大器是一種將兩個輸入端電壓的差以一固定增益放大的電子放大器,有時簡稱為“差放”。差分放大器通常
2009-03-22 15:53:39
35301 
各種視頻信號格式及端子介紹
本刊讀者都是有一定電子基礎的,視頻信號是我們接觸最多的顯示信號,但您并不一定對各種視頻信號有所了解。因為國內用到的視頻信
2009-05-09 08:44:12
4658
視頻信號放大電路圖
2009-07-15 12:04:43
2763 
視頻信號分配器電路圖
2009-08-06 14:47:50
8070 
快速視頻信號波幅測試儀
2009-09-24 11:21:04
1657 
雷達視頻信號模擬器的硬件設計與實現
2.3視頻信號卡
視頻信號卡為整個系統的核心部分,因其視頻信號的生成所涉及的運算量很大,單個DSP難以生成多路視頻信
2009-11-09 16:19:31
1532 
數碼攝像機視頻信號
&n
2009-12-21 09:41:05
472 各種視頻信號格式及端子詳細介紹
RF/AV/SVIDEO/YUV/VGA/RGB/RGBS/DVI/HDMI/ 視頻信號是我們接觸最
2010-02-21 09:42:30
6196 視頻放大器,視頻放大器是什么意思
視頻放大器概述
2010-03-10 17:00:51
1217 常見音視頻信號類型和接頭種類有哪些?
常見視頻信號的類型有:復合視頻(Composite-Video)、 超級視頻(Super-Video)、模擬分量視頻(RGBHV
2010-03-26 09:48:52
14508 視頻放大器/信號隔離器,視頻放大器/信號隔離器作用是什么?
視頻放大器是放大視頻信號,用以增強視頻的亮度、色度、同步信號
2010-03-26 09:55:18
6924 寬頻帶放大器
實際中許多場全需要放大視頻信號,它的頻譜很寬,通常從幾十赫到幾兆赫或幾百兆赫。由于這類放大器的相對工作頻帶很寬,所以通常稱為
2010-04-16 15:36:11
4542 
帶寬放大器是指工作頻率上限與下限之比遠大于l 的放大電路。這類電路主要用于放大視頻信號、脈沖信號或射頻信號。
2011-04-08 11:09:55
4014 
在安防監控系統中,視頻信號傳輸是整個系統中一個至關重要的環節,選擇何種介質和設備傳送視頻信號將直接關系到監控系統的質量和可靠性。目前,在監控系統中用來傳輸視頻信號
2011-09-07 19:09:39
1906 
視頻信號發生器設計方案除能產生多種數字化視頻外,還能靈活更改所產生的視頻各項參數,因此視頻信號發生器具有一定應用價值。
2011-12-28 16:08:47
2352 
常見視頻信號傳輸特性及轉換深度分析,下面是幾種常見的同步信號附加模式和表示方法,
2012-05-02 15:25:22
3293 解釋B類放大器的工作原理;參與討論B類放大器Q點的位置;描述B類推挽式放大器的工作原理;解釋交越失真及其原因
2012-06-15 18:39:48
17462 
提出一種基于FPGA的實時視頻信號處理平臺的設計方法,該系統接收低幀率數字YCbCr 視頻信號,對接收的視頻信號進行格式和彩色空間轉換、像素和,利用片外SDRAM存儲器作為幀緩存且通
2012-08-13 17:17:58
100 放大器的工作原理。
2016-04-15 18:09:44
28 設計并制作一個短距視頻信號無線通信網絡。通信網絡如圖 1 所示。該網絡包括主節點 A、從節點 B 和 C,實現從節點 B 和 C 到主節點 A 的視頻信號傳輸。傳輸的視頻信號為模擬彩色視頻信號(彩色
2017-09-11 17:25:18
16 、直流耦合視頻信號的組合。集成視頻濾波器的常用電源電壓是5V或3.3V,對于要求微功耗的應用(例6和例7),可以采用1.8V或2.5V電源對視頻濾波放大器供電。這些低功耗應用實例中的濾波放大器(MAX9509)采用了Maxim的DirectDrive?技術,通過內部固定8V/V增益獲得2VP-P視頻信號。
2018-07-11 10:45:00
2168 最近因錄像機內視頻信號射頻調制器損壞,一時配件又難購買到.造成無法觀看錄像節目;為此自制了一臺簡易視頻信號射頻調制器,使用效果不錯。該調制器原理簡單,制作大便,對元件無特殊要求,很適合業余愛好者制作。
2019-02-06 19:26:00
6808 
關鍵詞:MAX4180 , 驅動放大器 , 視頻線 如圖所示為由MAX4180構成的視頻線驅動放大器電路。MAX4180適用于作為同軸電纜傳輸線放大視頻信號,為了使傳輸過程反射最小,負載上獲得最大功
2019-03-24 16:56:01
777 視頻延長器是為了解決視頻信號較長距離的傳輸時,發生的圖像重影,顏色失真等問題,是專為安防監控等系統工程中高質量視頻信號長距離傳輸的需求而專業設計的集視頻信號發射、分配、驅動、接收和還原功能為一身
2020-03-20 17:20:00
1692 圖 1中顯示的電路能有效地去除在汽車和工業應用中視頻信號的背景噪聲(圖3)。這種特殊的設計可消除超過1000倍的共模噪聲, 比起其它基于運算放大器的拓撲簡單得多。 該設計采用一個高CMRR差分放大器
2020-04-21 09:38:59
4117 
,使用RF-LAMBDA可變增益放大器提高視頻信號的亮度、色度和同步信號。 當視頻傳輸距離較長時,最好采用粗線直徑的視頻線,同時增加視頻放大器以提高信號強度,達到長距離傳輸的目的。 RF-LAMBDA可變增益放大器在增強信號的同時,線路中的干擾信號也會被放大。此外,太多的視頻放大器不
2020-09-28 15:33:57
1060 2004年8月-視頻儀表放大器輕松從嘈雜環境中提取干凈的視頻信號
2021-05-27 12:53:29
9 低頻功率放大器,一般是用來放大低頻信號功率的,由于它通常處于低頻放大器的最后一級,也稱為末級放大器。它是變壓器耦合五極管功率放大線路所組成單管功率放大器,通常工作于甲類。
2022-09-20 17:07:04
12509 
Maxim提供用于濾波和放大模擬視頻信號的芯片。其中許多芯片設計為連接到視頻數模轉換器(DAC)的輸出。
2023-01-11 16:15:32
1677 
低頻功率放大器,一般是用來放大低頻信號功率的,由于它通常處于低頻放大器的最后一級,也稱為末級放大器。它是變
壓器耦合五極管功率放大線路所組成單管功率放大器,通常工作于甲類。
2023-02-17 11:45:31
2 日常生活中各種視頻信號處理及傳輸系統一般都會用到高速寬帶的運算放大器,來實現對高速視頻信號的緩沖放大或調制處理等功能,運算放大器是視頻信號處理系統中的關鍵部分之一。
2023-03-14 15:50:05
1851 射頻放大器和功率放大器都是電子設備中常用的放大器類型,但它們的應用場景和工作原理有所不同。射頻放大器主要用于放大高頻信號,其輸入和輸出都是射頻信號。
2023-04-26 10:28:00
6174 今天給大俠帶來基于FPGA的數字視頻信號處理器設計,由于篇幅較長,分三篇。 今天帶來第一篇,上篇,視頻信號概述和視頻信號處理的框架。 話不多說,上貨。
2023-05-19 10:56:17
2494 
放大器的工作原理以及使用方法。 高壓放大器工作原理:當輸入信號通過放大器時,放大器會把輸入信號的電壓放大到比輸入信號電壓更高的電壓,這樣就可以達到放大輸入信號的目的。 高壓放大器使用方法: 圖:ATA-7000系列高壓放
2023-05-30 11:46:21
2180 
增益模塊放大器是一種基礎的放大器類型,其工作原理主要是通過差分放大電路、共源極場效應管等元件的組合,對輸入信號進行放大和處理,從而實現了信號的放大和輸出。
2023-06-03 11:30:45
1201 各種視頻信號處理及傳輸系統都需要用到高速寬帶運算放大器,來實現對高速視頻信號的緩沖放大或調制處理等功能,運算放大器是視頻信號處理系統中的關鍵部分之一。視頻信號處理應用要求運算放大器具有寬帶寬、高轉換速率、低失真、大輸出電流等特點。
2023-06-15 10:12:03
1500 
低溫放大器(Low Noise Amplifier,簡稱LNA)是一種用于將微弱的射頻信號放大到更高功率級別的電子設備,具有噪聲系數低、增益高等優點。其工作原理和應用如下。
2023-06-20 10:11:02
1430 脈沖信號放大器的工作原理可以簡要分析如下。
2023-07-05 18:21:08
3436 電子發燒友網站提供《使用Pericom視頻交換機接口視頻信號.pdf》資料免費下載
2023-07-26 15:31:11
0 低噪聲放大器工作原理詳解 低噪聲放大器是一種特定類型的放大器,其用途非常廣泛。低噪聲放大器在射頻和微波領域中非常受歡迎,因為它可以有效降低信號的噪聲,同時將信號放大到所需的水平。 本文將詳細介紹
2023-09-05 17:37:06
6235 儀表放大器的工作原理詳解? 儀表放大器(Instrumentation amplifier)是一種用于測量微弱信號并放大其幅度的電路。在許多應用中,測量的信號通常非常微弱,而且可能被一些噪音和干擾所
2023-09-05 17:47:54
7260 信號功率放大器是一種電子設備,用于將輸入信號的功率進行放大,以達到所需的輸出功率水平。它在各個領域中都有廣泛的應用,包括音頻放大器、射頻放大器、激光功率放大器等。下面將詳細介紹信號功率放大器的工作原理和特點。
2023-11-23 11:01:04
1562 
)的概念,即輸入電壓與輸出電流之間的關系。 跨阻放大器由輸入阻抗高的差動放大器和輸出阻抗低的共源極場效應管組成。它的輸入可以是電壓信號,而輸出則是電流信號。通過將輸入電壓信號加到差動放大器的輸入端,差動放大器將產生一對對稱的輸出電流。 下面詳細介紹跨阻放大器的工作原理
2023-12-07 14:40:00
5849 SR830鎖相放大器工作原理介紹 SR830鎖相放大器是一種常用的實驗儀器,主要用于測量和放大微弱的交流信號。它的工作原理基于鎖相檢測技術,可以有效地減少噪聲干擾,提高信號質量和測量精度。本文將詳細
2023-12-21 14:56:17
2525 高壓放大器 是一種用于產生高電壓輸出信號的電子設備,通常用于科學研究、醫療、工業和通信領域。它的工作原理涉及到電路設計、放大器拓撲結構、元件選型和功率供應等多個方面。下面將詳細介紹高壓放大器
2024-01-02 14:59:52
1406 
應用。 高壓放大器的工作原理: 高壓放大器的工作原理是,當輸入信號通過放大器時,放大器會把輸入信號的電壓放大到比輸入信號電壓更高的電壓,這樣就可以達到放大輸入信號的目的。 高壓放大器作用: 高壓放大器可以將低電壓信號放
2024-01-11 16:52:55
969 
推挽射隨放大器的工作原理及電路特點 推挽射隨放大器是一種常見的功率放大電路,常用于音響設備、音響放大器等場合。本文將詳細介紹推挽射隨放大器的工作原理和電路特點。 一、工作原理 推挽射隨放大器由兩個
2024-01-11 16:46:23
2241 介紹高頻功率放大器的工作原理以及它的三種常見工作狀態。 一、高頻功率放大器的工作原理 高頻功率放大器的工作原理主要是利用晶體管的高頻放大特性,將輸入信號放大到較高的功率級別。常見的高頻功率放大器包括甲類、乙
2024-01-25 09:57:06
8045 前置微小信號放大器是電子電路中的一種重要組件,主要用于放大輸入信號中的微小電壓。這種放大器的工作原理涉及到電子器件的特性和基本電路理論。以下是前置微小信號放大器的工作原理的詳細解釋: 前置微小信號
2024-02-02 14:31:21
1095 
的工作原理由晶體管、真空管或功率放大器集成功能來實現。在這篇文章中,我們將著重研究晶體管功率放大器的工作原理和基本要求。 晶體管功率放大器的工作原理: 晶體管功率放大器的設計目的是將弱信號放大到較高功率級別,并將
2024-02-04 09:37:00
2482 電荷放大器的工作原理是什么?電荷放大器輸出的電壓信號屬于數字信號嗎? 電荷放大器是一種電子設備,用于放大電荷信號。其工作原理是通過控制電荷的傳遞來放大輸入信號。電荷放大器廣泛應用于科學研究、工業控制
2024-02-05 09:29:44
4834 音頻放大器,作為音響系統中的重要組成部分,承擔著將音頻信號放大并傳遞給揚聲器的重要任務。其結構復雜,工作原理獨特,對音質的影響至關重要。本文將詳細探討音頻放大器的結構和工作原理,以期為讀者提供深入的理解。
2024-05-31 18:04:31
7644 優點。本文將詳細介紹D類放大器的工作原理,包括其基本組成、調制與解調過程、輸出濾波器設計、效率分析以及實際應用。 一、D類放大器的基本組成 D類放大器主要由以下幾個部分組成: 1. 輸入信號處理器:負責將模擬音頻信號轉換為數字信號
2024-06-10 15:44:00
2430 的工作原理 電視信號放大器的主要功能是放大電視信號,以提高信號的接收質量。其工作原理如下: 接收電視信號:電視信號放大器通過內置的天線或外接的天線接收電視信號。 信號放大:接收到的電視信號經過放大器內部的放大電路進行
2024-08-23 11:23:33
4806 不變。這種電路在音頻、視頻等領域有廣泛應用,能夠提供高品質的信號放大功能。 二、工作原理 1. 輸入信號 交流放大器的輸入是一個交流信號,通常由輸入源(如音頻設備、視頻信號源等)提供。 這個信號是一個變化的電壓或電流
2024-09-26 09:17:14
2194 組件。它的主要任務是將來自音頻源的微弱信號放大到足以驅動揚聲器的功率水平。功放的設計和性能直接影響到音響系統的輸出音質和動態范圍。 功放的工作原理 功率放大器通過電子元件(如晶體管、電子管或集成電路)來放大輸入的
2025-01-19 14:33:18
1558 演進持續推動通信、雷達等領域的性能突破?。 一、核心工作原理 【輸入信號接收與預處理】? 射頻功率放大器接收來自調制器的低功率射頻信號(如基帶調制后的已調信號),通過輸入端的耦合電容和匹配網絡濾除雜波,確保信號完整性?。 ?
2025-04-21 09:48:54
1947
評論