也存在自己的一系列問題,包括穩健性、可靠性、高頻應用中的瞬時振蕩,以及故障處理等。 對設計人員而言,成功應用 SiC MOSFET 的關鍵在于深入了解 SiC MOSFET 獨有的工作特征及其對設計的影響。本文將提供此類見解,以及實現建議和解決方案示例。 為何使用 SiC MOSFET 要充分
2018-07-04 09:01:39
10466 
目前,TFT控制器主要用專用芯片、自帶控制器的MCU以及FPGA來實現,基于FPGA的方案以其實現靈活性、低成本以及高可靠性的特點,越來越被大家所接受,并且廣泛的應用。本文為您介紹四種基于Microsemi FPGA的TFT控制解決方案。
2014-05-07 11:14:06
2193 碳化硅(SiC)MOSFET的快速開關速度,高額定電壓和低RDSon使其對于不斷尋求在提高效率和功率密度的同時保持系統簡單性的電源設計人員具有很高的吸引力。
2021-02-02 11:54:33
8164 
功率轉換電路中的晶體管的作用非常重要,為進一步實現低損耗與應用尺寸小型化,一直在進行各種改良。SiC功率元器件半導體的優勢前面已經介紹過,如低損耗、高速開關、高溫工作等,顯而易見這些優勢是非常有用的。本章將通過其他功率晶體管的比較,進一步加深對SiC-MOSFET的理解。
2022-07-26 13:57:52
3254 MOSFET的獨特器件特性意味著它們對柵極驅動電路有特殊的要求。了解這些特性后,設計人員就可以選擇能夠提高器件可靠性和整體開關性能的柵極驅動器。在這篇文章中,我們討論了SiC MOSFET器件的特點以及它們對柵極驅動電路的要求,然后介紹了一種能夠解決這些問題和其它系統級考慮因素的IC方案。
2023-08-03 11:09:57
2587 
談談SiC MOSFET的短路能力
2023-08-25 08:16:13
3283 
在高功率應用中,碳化硅(SiC)MOSFET與硅(Si)IGBT相比具有多項優勢。其中包括更低的傳導和開關損耗以及更好的高溫性能。
2023-09-11 14:55:31
1566 
下面將對于SiC MOSFET和SiC SBD兩個系列,進行詳細介紹
2023-11-01 14:46:19
3289 
安全可靠的運行帶來影響。因此針對基于SiC MOSFET的儲能變流器功率單元,重點研究了其低感設計和散熱設計方法,并提出了功率單元的整體設計方案。通過優化疊層母排的結構,將高壓交流模塊與低壓直流模塊的雜
2024-02-22 09:39:26
4666 
SiC MOSFET的開關尖峰問題,并介紹使用瞬態電壓抑制二極管(TVS)進行保護的優勢和上海雷卯電子提供的解決方案。 1. SiC MOSFET開關過程中的電壓尖峰 SiC MOSFET在快速開關時,由于其內部寄生電容和電路寄生電感的作用,會在器件兩端產生電壓尖峰。這些尖峰可能遠
2024-08-15 17:17:27
5788 
的技術、項目經驗積累,著筆SiC相關設計的系列文章,希望能給到大家一定的參考,并期待與您進一步的交流。 本文作為系列文章的第五篇,主要針對SiC MOSFET相關應用中的EMI改善方案做一些探討。 對設計人員而言,成功應用 SiC MOSFET 的關鍵在于深入了解 SiC MOSFE
2022-08-30 09:31:00
1740 
系列產品,B3M040065H,B3M040065L,B3M040065Z高性能,高可靠性和易用性,高性價比,同時提供驅動電源和驅動IC解決方案!
*附件
2025-01-22 10:43:28
有使用過SIC MOSFET 的大佬嗎 想請教一下驅動電路是如何搭建的。
2021-04-02 15:43:15
從本文開始,將逐一進行SiC-MOSFET與其他功率晶體管的比較。本文將介紹與Si-MOSFET的區別。尚未使用過SiC-MOSFET的人,與其詳細研究每個參數,不如先弄清楚驅動方法等
2018-11-30 11:34:24
上一章介紹了與IGBT的區別。本章將對SiC-MOSFET的體二極管的正向特性與反向恢復特性進行說明。如圖所示,MOSFET(不局限于SiC-MOSFET)在漏極-源極間存在體二極管。從MOSFET
2018-11-27 16:40:24
”)應用越來越廣泛。關于SiC-MOSFET,這里給出了DMOS結構,不過目前ROHM已經開始量產特性更優異的溝槽式結構的SiC-MOSFET。具體情況計劃后續進行介紹。在特征方面,Si-DMOS存在
2018-11-30 11:35:30
,與Si-MOSFET不同,SiC-MOSFET的上升率比較低,因此易于熱設計,且高溫下的導通電阻也很低。 4. 驅動門極電壓和導通電阻 SiC-MOSFET的漂移層阻抗比Si-MOSFET低,但是
2023-02-07 16:40:49
采用IGBT這種雙極型器件結構(導通電阻變低,則開關速度變慢),就可以實現低導通電阻、高耐壓、快速開關等各優點兼備的器件。3. VD - ID特性SiC-MOSFET與IGBT不同,不存在開啟電壓,所以
2019-04-09 04:58:00
本文就SiC-MOSFET的可靠性進行說明。這里使用的僅僅是ROHM的SiC-MOSFET產品相關的信息和數據。另外,包括MOSFET在內的SiC功率元器件的開發與發展日新月異,如果有不明之處或希望
2018-11-30 11:30:41
。SiC-MOSFET應用實例2:脈沖電源脈沖電源是在短時間內瞬時供電的系統,應用例有氣體激光器、加速器、X射線、等離子電源等。作為現有的解決方案有晶閘管等真空管和Si開關,但市場需要更高耐壓更高
2018-11-27 16:38:39
`請問:圖片中的紅色白色藍色模塊是什么東西?芯片屏蔽罩嗎?為什么加這個東西?抗干擾或散熱嗎?這是個SiC MOSFET DC-DC電源,小弟新手。。`
2018-11-09 11:21:45
米勒箝位示意圖在高功率應用中,對于SiC MOSFET的選取,本文推薦采用[color=#2655a5 !important]ROHM(羅姆)公司提供的新型SiC MOSFET解決方案——[color
2019-07-09 04:20:19
0? 引言SiC-MOSFET 開關模塊(簡稱“SiC 模塊”)由于其高開關速度、高耐壓、低損耗的特點特別適合于高頻、大功率的應用場合。相比 Si-IGBT, SiC-MOSFET 開關速度更快
2025-04-23 11:25:54
MOSFET ,是許多應用的優雅解決方案。然而,SiC功率器件的圣杯一直是MOSFET,因為它與硅IGBT的控制相似 - 但具有前述的性能和系統優勢。 SiC MOSFET的演變 SiC MOSFET存在
2023-02-27 13:48:12
(SiC)MOSFET即將取代硅功率開關,需要能夠應對不斷發展的市場的新型驅動和轉換解決方案。由于其優異的熱特性,SiC器件在各種應用中代表了優選的解決方案,例如汽車領域的功率驅動電路。SiC
2019-07-30 15:15:17
%。如該例所示,毫無疑問,SiC功率元器件將成為能源問題的一大解決方案。SiC的優點如前文所述,利用SiC可以大幅度降低能量損耗。當然,這是SiC很大的優點,接下來希望再了解一下低阻值、高速工作、高溫
2018-11-29 14:35:23
采用IGBT這種雙極型器件結構(導通電阻變低,則開關速度變慢),就可以實現低導通電阻、高耐壓、快速開關等各優點兼備的器件。3. VD - ID特性SiC-MOSFET與IGBT不同,不存在開啟電壓,所以
2019-05-07 06:21:55
Sic MOSFET 主要優勢.更小的尺寸及更輕的系統.降低無源器件的尺寸/成本.更高的系統效率.降低的制冷需求和散熱器尺寸Sic MOSFET ,高壓開關的突破.SCT30N120
2017-07-27 17:50:07
CAB450M12XM3工業級SiC半橋功率模塊CREE
CAB450M12XM3是Wolfspeed(原CREE)精心打造的一款工業級全碳化硅(SiC)半橋功率模塊,專為高功率密度、極端高溫環境
2025-03-17 09:59:21
額定擊穿電壓器件中的半導體材料方面勝過Si.Si在600V和1200V額定功率的SiC肖特基二極管已經上市,被公認為是提高功率轉換器效率的最佳解決方案。 SiC的設計障礙是低水平寄生效應,如果內部和外部
2022-08-12 09:42:07
功率分立和模塊解決方案的少數供應商之一。美高森美的SP6LI產品系列采用專為高電流SiC MOSFET功率模塊而設計的最低雜散電感封裝之一,具有五種標準模塊,在外殼溫度(Tc)為80°C的情況下,提供從
2018-10-23 16:22:24
,很高興能與APEX Microtechnology開展合作。ROHM作為SiC功率元器件的先進企業,能夠提供與柵極驅動器IC相結合的功率系統解決方案,并且已經在該領域取得了巨大的技術領先優勢。我們將與
2023-03-29 15:06:13
失效模式等。項目計劃①根據文檔,快速認識評估板的電路結構和功能;②準備元器件,相同耐壓的Si-MOSFET和業內3家SiC-MOSFET③項目開展,按時間計劃實施,④項目調試,優化,比較,分享。預計成果分享項目的開展,實施,結果過程,展示項目結果
2020-04-24 18:09:12
是48*0.35 = 16.8V,負載我們設為0.9Ω的阻值,通過下圖來看實際的輸入和輸出情況:圖4 輸入和輸出通過電子負載示數,輸出電流達到了17A。下面使用示波器測試SIC-MOSFET管子的相關
2020-06-10 11:04:53
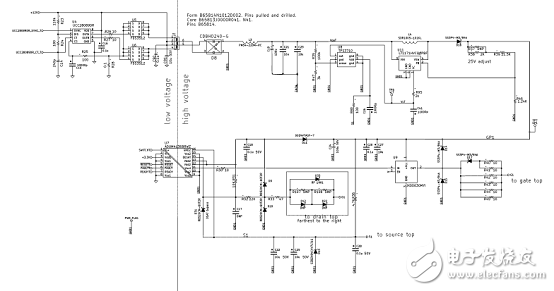
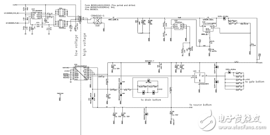
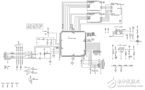
、根據評估版原理圖,分析SIC MOS的驅動和保護方案。2、搭建一個非隔離的半橋結構的雙向DC-DC變換器樣機。預期參數:高壓端400V,低壓端200V,開關頻率250KHZ,電流10A。3、對DSP
2020-04-24 18:08:05
`收到了羅姆的sic-mosfet評估板,感謝羅姆,感謝電子發燒友。先上幾張開箱圖,sic-mos有兩種封裝形式的,SCT3040KR,主要參數如下:SCT3040KL,主要參數如下:后續準備搭建一個DC-DC BUCK電路,然后給散熱器增加散熱片。`
2020-05-20 09:04:05
;Reliability (可靠性) " ,始終堅持“品質第一”SiC元器有三個最重要的特性:第一個高壓特性,比硅更好一些;而是高頻特性;三是高溫特性。 羅姆第三代溝槽柵型SiC-MOSFET對應
2020-07-16 14:55:31
項目名稱:SiC mosfet 測試試用計劃:申請理由:公司開發雙脈沖測試儀對接觸到Sic相關的資料。想通過此次試用進一步了解相關性能。試用計劃:1、測試電源輸入輸出性能。2、使用公司設備測試Sic器件相關參數。3、編寫測試報告。
2020-04-21 15:54:54
Navitas的GeneSiC碳化硅(SiC) mosfet可為各種器件提供高效率的功率傳輸應用領域,如電動汽車快速充電、數據中心電源、可再生能源、能源等存儲系統、工業和電網基礎設施。具有更高的效率
2023-06-16 06:04:07
要充分認識 SiC MOSFET 的功能,一種有用的方法就是將它們與同等的硅器件進行比較。SiC 器件可以阻斷的電壓是硅器件的 10 倍,具有更高的電流密度,能夠以 10 倍的更快速度在導通和關斷
2017-12-18 13:58:36
,航空業最近經歷了快速增長,新的航空航天世界在用于電源和電機控制的SiC器件中找到了新的電源管理解決方案。碳化硅有望在航空工業中降低重量和減少燃料消耗和排放,例如,碳化硅 MOSFET在更高工作溫度下
2022-06-13 11:27:24
)。圖片由Bodo的電力系統提供 因此,分析了四種最大dv/dt為5V/ns的可能解決方案: 1. IGBT的電壓源驅動 2. 碳化硅-MOSFET的電壓源驅動 3. IGBT的電流源驅動 4.
2023-02-21 16:36:47
對于高壓開關電源應用,碳化硅或SiC MOSFET帶來比傳統硅MOSFET和IGBT明顯的優勢。在這里我們看看在設計高性能門極驅動電路時使用SiC MOSFET的好處。
2018-08-27 13:47:31
的C3M0060065D 650V 60mohm SiC MOSFET,CCM圖騰柱PFC的高頻半橋選擇了兩個并聯器件。 PFC的低頻半橋以及CLLC諧振轉換器的直流母線側和電池側均選擇單個C3
2023-02-27 09:44:36
1. SiC模塊的特征大電流功率模塊中廣泛采用的主要是由Si材料的IGBT和FRD組成的IGBT模塊。ROHM在世界上首次開始出售搭載了SiC-MOSFET和SiC-SBD的功率模塊。由IGBT的尾
2019-03-12 03:43:18
求大佬提供一種低成本、高性能的等效高溫解決方案
2021-04-13 06:44:58
和 –4V 輸出電壓以及 1W(...)主要特色用于在半橋配置中驅動 SiC MOSFET 的緊湊型雙通道柵極驅動器解決方案4A 峰值拉電流和 6A 峰值灌電流驅動能力,適用于驅動 SiC
2018-10-16 17:15:55
應的SiC-MOSFET一覽表。有SCT系列和SCH系列,SCH系列內置SiC肖特基勢壘二極管,包括體二極管的反向恢復特性在內,特性得到大幅提升。一覽表中的SCT3xxx型號即第三代溝槽結構SiC-MOSFET
2018-12-05 10:04:41
SiC-MOSFET 是碳化硅電力電子器件研究中最受關注的器件。成果比較突出的就是美國的Cree公司和日本的ROHM公司。在國內雖有幾家在持續投入,但還處于開發階段, 且技術尚不完全成熟。從國內
2019-09-17 09:05:05
本半導體制造商羅姆面向工業設備和太陽能發電功率調節器等的逆變器、轉換器,開發出耐壓高達1200V的第2代SiC(Silicon carbide:碳化硅)MOSFET“SCH2080KE”。此產品損耗
2019-03-18 23:16:12
。BD7682FJ-LB是AC/DC轉換器用的準諧振控制器,是全球首款*專為驅動SiC-MOSFET而優化的IC。(*截至2015/3/25的數據)您可能已經注意到,開關要使用SiC-MOSFET時,需要為將
2018-11-27 16:54:24
DC-DC轉換器效率的解決方案[1]。但是,鑒于其單向設計,在反向操作模式下,轉換器的電壓增益受到限制,因此無法實現轉換器的預期優勢[2]-[3]。隨后,選擇雙向CLLC諧振轉換器[3]-[4]作為
2019-10-25 10:02:58
WInSiC4AP專案設想透過技術創新開發先進的封裝技術,發揮新型SiC元件能夠在高溫[3,4]下輸出大電流的性能優勢。關于封裝技術,WInSiC4AP將一方面想在完整封裝方案的高溫穩健性方面取得突破
2019-06-27 04:20:26
門是許多行業的國際領先研發合作伙伴,其活動范圍從幾瓦到兆瓦級不等。主要的發展領域是光伏并網逆變器,存儲系統,電動汽車和電網。最初為光伏應用開發的方法,技術和解決方案被采用并應用于其他行業,例如鐵路系統
2019-10-25 10:01:08
損耗。最新的模塊中采用第3代SiC-MOSFET,損耗更低。采用第3代SiC-MOSFET,損耗更低組成全SiC功率模塊的SiC-MOSFET在不斷更新換代,現已推出新一代產品的定位–采用溝槽結構的第3代產品
2018-12-04 10:11:50
請問:驅動功率MOSFET,IBGT,SiC MOSFET的PCB布局需要考慮哪些因素?
2019-07-31 10:13:38
異的高溫和高頻性能。
案例簡介:SiC MOSFET 的動態測試可用于獲取器件的開關速度、開關損耗等關鍵動態參數,從而幫助工程師優化芯片設計和封裝。然而,由于 SiC MOSFET 具備極快的開關特性
2025-04-08 16:00:57
CISSOID引入了新系列P通道高溫功率MOSFET晶體管
CISSOID,在高溫半導體解決方案的領導者,介紹了 VENUS,他們的新系列高溫 30V 的 P通道功率 MOSFET 晶體管保證操
2010-02-23 10:42:59
1970 Vishay推出集成的DrMOS解決方案--SiC762CD。在緊湊的PowerPAKMLP 6x6的40腳封裝內,該器件集成了對PWM信號優化的高邊和低邊N溝
2011-01-03 15:05:07
1165 
Vishay宣布,推出具有為PWM優化的高邊和低邊N溝道MOSFET、全功能MOSFET驅動IC、自舉二極管的集成DrMOS解決方案---SiC779CD
2011-05-12 08:51:14
1737 美高森美公司(Microsemi Corporation)日前發布全球首款單芯片、標準化同步以太網(SyncE)解決方案。
2012-02-02 09:27:41
914 、不間斷電源系統以及能源儲存等應用場景中的需求不斷提升。 SiC MOSFET的特性 更好的耐高溫與耐高壓特性 基于SiC材料的器件擁有比傳統Si材料制品更好的耐高溫耐高壓特性,其能獲得更高的功率密度和能源效率。由于碳化硅(SiC)的介電擊穿強度大約是硅(Si)的
2021-08-13 18:16:27
8493 自2018年特斯拉Model3率先搭載基于全SiC MOSFET模塊的逆變器后,全球車企紛紛加速SiC MOSFET在汽車上的應用落地。
2021-12-08 15:55:51
2181 
Power Integrations (PI) 宣布為其 InnoSwitch?3-AQ 系列新增兩款 1700 伏額定 AEC-Q100 合格 IC。新的解決方案包括用于汽車級開關電源的碳化硅
2022-07-29 08:07:27
2204 
寄生電感是SiC MOSFET Vds尖峰和振鈴的主要原因。SiC MOSFET的快速開關速度會導致較高Vds尖峰和較長的振鈴時間。這種尖峰會降低設備的設計裕量,并且較長的振鈴時間會引入EMI。
2022-08-29 15:20:38
2087 SiC MOSFET 的優勢和用例是什么?
2022-12-28 09:51:20
2594 
在大電流應用中利用 SiC MOSFET 模塊
2023-01-03 14:40:29
1100 從本文開始,將逐一進行SiC-MOSFET與其他功率晶體管的比較。本文將介紹與Si-MOSFET的區別。尚未使用過SiC-MOSFET的人,與其詳細研究每個參數,不如先弄清楚驅動方法等與Si-MOSFET有怎樣的區別。
2023-02-08 13:43:20
1448 
本章將介紹部分SiC-MOSFET的應用實例。其中也包括一些以前的信息和原型級別的內容,總之希望通過這些介紹能幫助大家認識采用SiC-MOSFET的好處以及可實現的新功能。
2023-02-08 13:43:21
1627 
SiC MOSFET:SCT3xxx xR系列是面向服務器用電源、太陽能逆變器和電動汽車充電站等要求高效率的應用開發而成的溝槽柵極結構SiC MOSFET,采用4引腳封裝。此次共推出6款機型(650V耐壓和1200V耐壓)。
2023-02-09 10:19:22
3469 
在SiC MOSFET的開發與應用方面,與相同功率等級的Si MOSFET相比,SiC MOSFET導通電阻、開關損耗大幅降低,適用于更高的工作頻率,另由于其高溫工作特性,大大提高了高溫穩定性。
2023-02-12 15:29:03
4591 
SiC功率MOSFET內部晶胞單元的結構,主要有二種:平面結構和溝槽結構。平面SiC MOSFET的結構,
2023-02-16 09:40:10
5634 
功率轉換電路中的晶體管的作用非常重要,為進一步實現低損耗與應用尺寸小型化,一直在進行各種改良。SiC功率元器件半導體的優勢前面已經介紹過,如低損耗、高速開關、高溫工作等,顯而易見這些優勢是非常有用的。本章將通過其他功率晶體管的比較,進一步加深對SiC-MOSFET的理解。
2023-02-23 11:25:47
687 
本文將介紹與Si-MOSFET的區別。尚未使用過SiC-MOSFET的人,與其詳細研究每個參數,不如先弄清楚驅動方法等與Si-MOSFET有怎樣的區別。在這里介紹SiC-MOSFET的驅動與Si-MOSFET的比較中應該注意的兩個關鍵要點。
2023-02-23 11:27:57
1699 
在SiC-MOSFET不斷發展的進程中,ROHM于世界首家實現了溝槽柵極結構SiC-MOSFET的量產。這就是ROHM的第三代SiC-MOSFET。
2023-02-24 11:48:18
1170 
本章將介紹部分SiC-MOSFET的應用實例。其中也包括一些以前的信息和原型級別的內容,總之希望通過這些介紹能幫助大家認識采用SiC-MOSFET的好處以及可實現的新功能。
2023-02-24 11:49:19
1295 
如何為SiC MOSFET選擇合適的驅動芯片?(英飛凌官方) 由于SiC產品與傳統硅IGBT或者MOSFET參數特性上有所不同,并且其通常工作在高頻應用環境中, 為SiC MOSFET選擇合適的柵極
2023-02-27 14:42:04
83 摘要:碳化硅(SiC)由于其優異的電學及熱學特性而成為一種很有發展前途的寬禁帶半導體材料。SiC材料制作的功率MOSFET很適合在大功率領域中使用,高溫柵氧的可靠性是大功率MOSFET中最應注意
2023-04-04 10:12:34
3040 
首先,是一張制造測試完成了的SiC MOSFET的晶圓(wafer)。
2023-08-06 10:49:07
2959 
采用SiC MOSFET的3kW圖騰柱無橋PFC和次級端穩壓LLC電源
2023-11-24 18:06:32
2938 
SiC設計干貨分享(一):SiC MOSFET驅動電壓的分析及探討
2023-12-05 17:10:21
3739 
SiC MOSFET的橋式結構
2023-12-07 16:00:26
1150 
SIC MOSFET對驅動電路的基本要求? SIC MOSFET(碳化硅金屬氧化物半導體場效應晶體管)是一種新興的功率半導體器件,具有良好的電氣特性和高溫性能,因此被廣泛應用于各種驅動電路中。SIC
2023-12-21 11:15:49
1695 可行的解決方案。 首先,讓我們了解一下SIC MOSFET的基本原理和結構。SIC(碳化硅)MOSFET是一種基于碳化硅材料制造的金屬氧化物半導體場效應晶體管。相較于傳統的硅MOSFET,SIC MOSFET具有更高的載流能力、更低的導通電阻和更優秀的耐高溫性能,可以應用于高頻、高功率和高溫環境
2023-12-21 11:15:52
1413 MOSFET的基本結構。SIC MOSFET是一種由碳化硅材料制成的傳導類型晶體管。與傳統的硅MOSFET相比,SIC MOSFET具有更高的遷移率和擊穿電壓,以及更低的導通電阻和開關損耗。這些特性使其成為高溫高頻率應用中的理想選擇。 SIC MOSFET在電路中具有以下幾個主要的作用: 1. 電源開關
2023-12-21 11:27:13
2621 SiC具有高效節能、穩定性好、工作頻率高、能量密度高等優勢,SiC溝槽MOSFET(UMOSFET)具有高溫工作能力、低開關損耗、低導通損耗、快速開關速度等特點
2023-12-27 09:34:56
2548 
光伏儲能BUCK-BOOST中SiC MOSFET方案可使用BTD25350
2024-06-11 09:35:47
1098 
電子發燒友網站提供《適用于 Microsemi? RTG4? FPGA 的 TI 航天級電源解決方案應用手冊.pdf》資料免費下載
2024-09-09 09:35:33
0 SiC MOSFET(碳化硅金屬氧化物半導體場效應晶體管)和SiC SBD(碳化硅肖特基勢壘二極管)是兩種基于碳化硅(SiC)材料的功率半導體器件,它們在電力電子領域具有廣泛的應用。盡管它們都屬于
2024-09-10 15:19:07
4705 碳化硅(SiC)MOSFET作為寬禁帶半導體材料(WBG)的一種,具有許多優異的參數特性,這些特性使其在高壓、高速、高溫等應用中表現出色。本文將詳細探討SiC MOSFET的主要參數特性,并通過對比硅基MOSFET和IGBT,闡述其技術優勢和應用領域。
2025-02-02 13:48:00
2736 SiC碳化硅MOSFET正負壓驅動供電與米勒鉗位解決方案 傾佳電子(Changer Tech)-專業汽車連接器及功率半導體(SiC碳化硅MOSFET單管,SiC碳化硅MOSFET模塊,碳化硅
2025-04-21 09:21:56
875 
基于BASIC Semiconductor基本半導體股份有限公司 碳化硅SiC MOSFET的高效熱泵與商用空調系統解決方案 BASiC基本股份SiC碳化硅MOSFET單管及模塊一級代理商傾佳電子楊
2025-05-03 10:45:12
562 
隨著新能源、工業電源及電動汽車等領域的快速發展,輔助電源對高效率、高功率密度及高溫穩定性的需求日益迫切。傳統的硅基器件已逐漸難以滿足嚴苛的性能要求,而碳化硅(SiC)MOSFET憑借其優異的開關速度
2025-06-09 17:21:23
507 
亞非拉市場工商業儲能破局之道:基于SiC碳化硅功率模塊的高效、高可靠PCS解決方案 —— 為高溫、電網不穩環境量身定制的技術革新 傾佳電子楊茜致力于推動國產SiC碳化硅模塊在電力電子應用中全面取代
2025-06-08 11:13:47
1101 
近期,中國領先的碳化硅(SiC)功率器件與IC解決方案供應商——瞻芯電子開發的首批第3代1200V SiC 35mΩ MOSFET產品,憑借優秀的性能與品質贏得多家重要客戶訂單,已量產交付近200萬顆,為應用系統提供高效、可靠的解決方案。
2025-07-16 14:08:23
1049 
BASiC_62mm SiC MOSFET半橋模塊和驅動方案介紹
2025-09-01 15:23:11
0
評論