本文為大家介紹四種多地控制開關電路。
多地控制開關電路----電路一
本例介紹一款具有延時功能的多地控制開關,采用多只按鈕來控制一路照明燈。按動任一只按鈕,均可使照明燈點亮,3min左右照明燈自動熄滅。該多地控制開關電路由控制按鈕S1~S5、電源電路和定時控制電路組成,如圖所示。

多地控制開關電路元器件選擇R1和R2選用1/4W或1/8W碳膜電阻器。C1和C2均選用耐壓值為25V的鋁電解電容器。VD選用1N4001或1N4007型硅整流二極管。IC選用NE555型時基集成電路。UR選用1A、50V的整流橋堆。K選用JRX-13F型12V直流繼電器。T選用3~5W、二次電壓為11~12V的電源變壓器。S1~S5均選用觸頭電流大于5A的動合(常開)型電源按鈕。EL選用多只40~60W的燈泡并聯。
多地控制開關電路----電路二
本例介紹的多地控制開關,可在多個地方任意接通或斷開某部分負載(用電設備)的工作電源。該開關既可用于樓道、走廊、公共場所的照明燈控制,也能用于工業生產(在工廠車間的多個地方控制一套生產設備)。該多地控制開關電路由中間繼電器KA1~KA3和S1~Sn組成,如圖所示。

地控制開關電路電路(四)若需要控制功率較大的負載,可將KA1換成交流接觸器。元器件選擇S1~Sn均選用動合(常開)按鈕。KA1~KA3均選用220V交流中間繼電器。
多地控制開關電路----電路三
本例介紹的多地控制開關,可用于控制照明燈或小功率單相交流電動機。該對地控制開關電路由降壓電路和控制電路組成,如下圖所示。

多地控制開關電路元器件選擇R1、R3和R4均選用1/4W金屬膜電阻器;R2選用1/2W金屬膜電阻器。C1選用獨石電容器;C2選用耐壓值為16V的鋁電解電容器。IC選用CD4024型7位二進制計數器集成電路。UR和VT應根據負載的功率大小來選擇,若控制100W以下的照明燈,則UR和VT可選用1A、400V的整流橋堆和晶閘管;若控制1kW以下的單相交流電動機,則UR和VT的電流容量應為6~10A。
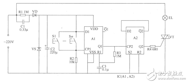
多地控制開關電路----電路四
本例介紹的多地控制開關,可用多只按鈕開關來控制一路用電器(例如照明燈),適用于旅館、醫院、走廊、樓梯等需要3路以上開關控制的場合。 該多地控制器開關電路由電源電路、單穩態觸發器、雙穩態觸發器和按鈕S1~Sn、晶閘管VT等組成,如圖所示。

多地開關控制器電路 元器件選擇 R1選用1/2W碳膜電阻器或金屬膜電阻器;R2~R4均選用1/4W碳膜電阻器。 C1選用耐壓值大于400V的滌綸電容器或CBB電容器;C2選用耐壓值為25V的鋁電解電容器;C3選用獨石電容器或滌綸電容器。 VD選用1N4007型硅整流二極管。 VS選用1/2W、9V的硅穩壓二極管。 VT選用3A、600V的雙向晶閘管。 IC選用CD4013或C043型雙D觸發器集成電路。 S1~Sn均選用常開型按鈕。
電子發燒友App































































評論