說明了開關電源的組成及工作原理;從開關電源的各組成部分出發,分析了電磁騷擾產生的機理,提出了應采取的相應抑制措施;討論了電磁兼容設計中需要加以注意的問題。
關鍵詞:開關電源;電磁干擾;抑制措施;電磁兼容
0??? 引言
??? 開關電源與線性穩壓電源相比,具有功耗小、效率高、體積小、重量輕、穩壓范圍寬等許多優點,己被廣泛應用于計算機及其外圍設備、通信、自動控制、家用電器等領域。但開關電源的突出缺點是能產生較強的電磁干擾(EMI)。EMI信號既具有很寬的頻率范圍,又有一定的幅度,經傳導和輻射后會污染電磁環境,對通信設備和電子產品造成干擾。如果處理不當,開關電源本身就會變成一個騷擾源。目前,電子產品的電磁兼容性(EMC)日益受到重視,抑制開關電源的EMI,提高電子產品的質量,使之符合EMC標準,已成為電子產品設計者越來越關注的問題。本文就高頻開關電源設計中的電磁兼容性問題進行了探討。
1??? 開關電源的組成及工作原理
1.1??? 組成
??? 開關電源的組成框圖如圖1所示,它由以下幾個部分組成:
??? 1)主電路??? 包括輸入濾波器、整流與濾波、逆變、輸出整流與濾波;
??? 2)控制與保護電路;
??? 3)檢測與顯示電路??? 除了提供保護電路所需的各種參數外,還提供各種顯示數據;
??? 4)輔助電源。
圖1??? 開關電源的組成框圖
1.2??? 開關穩壓電源原理
??? 開關穩壓電源電路如圖2所示。圖2中的開關K以一定的時間間隔重復地接通和斷開,在K接通時,輸入電源Vin通過K和濾波電路供電給負載RL,當K斷開時,輸入電源Vin便中斷了能量的提供。可見,輸入電源向負載提供能量是斷續的,為使負載能得到連續的能量提供,開關穩壓電源必須要有一套儲能裝置,在開關接通時將一部份能量儲存起來,在開關斷開時,向負載釋放。圖2中,由儲能電感L、濾波電容C2和續流二極管D組成的電路,就具有這種功能。在AB間的電壓平均值VAB可用式(1)表示。
??? VAB=Vinton/T=DVin(1)
式中:ton為K導通時間;
????? T為K工作周期;
????? D為占空比,D=ton/T。
圖2??? 開關穩壓電源電路原理圖
??? 由式(1)可知,改變D,即可改變VAB。因此,隨著負載及輸入電源電壓的變化調整D便能使輸出電壓Vo維持不變。這種控制方法稱為時間比率控制(Time Ratio Control,縮寫為TRC)。按TRC原理,它有3種方式:
??? 1)脈沖寬度調制(Pulse Width Modulation,縮寫為PWM)??? 其開關周期恒定,通過改變脈沖寬度來改變占空比的方式;
??? 2)脈沖頻率調制(Pulse Frequency Modulation,縮寫為PFM)??? 導通脈沖寬度恒定,通過改變開關工作頻率來改變占空比的方式;
??? 3)混合調制??? 導通脈沖寬度和開關工作頻率均不固定,彼此都能改變的方式,它是以上二種方式的結合。
2??? 開關電源產生電磁干擾的機理
??? 開關電源之所以是一個很強的電磁騷擾源,來源于高頻通斷的開關器件和輸出整流二極管,以及脈沖變壓器及濾波電感等。
2.1??? 開關管與整流管
??? 開關管、整流管高頻通斷時所產生的dv/dt、di/dt是具有較大輻度的脈沖,頻帶較寬且諧波豐富,是一個很強的騷擾源。
2.2??? 高頻變壓器
??? 開關管負載為高頻變壓器初級線圈,在開關管導通瞬間,初級線圈產生很大的涌流,并出現較高的浪涌尖峰電壓;在開關管斷開瞬間,由于初級線圈的漏磁通,致使一部分能量沒有傳輸到次級線圈,而是通過集電極電路中的電容、電阻形成帶有尖峰的衰減振蕩,疊加在關斷電壓上,形成關斷電壓尖峰,產生與初級線圈接通時一樣的磁化沖擊電流瞬變,這個噪聲會傳導到輸入、輸出端,形成傳導騷擾,重者有可能擊穿開關管。
??? 另外,高頻變壓器初級線圈、開關管和濾波電容構成的高頻開關電流環路可能會產生較大的空間輻射,形成輻射騷擾。如果電容濾波容量不足或高頻特性不好,電容上的高頻阻抗會使高頻電流以差模方式傳導到交流電源中形成傳導騷擾。需要注意的是,二極管整流電路產生的電磁騷擾中,整流二極管反向恢復電流的|di/dt|遠比續流二極管反向恢復電流的|di/dt|大得多。作為電磁騷擾源來研究,整流二極管反向恢復電流形成的騷擾強度大,頻帶寬。但是,整流二極管產生的電壓跳變遠小于功率開關管導通和關斷時產生的電壓跳變。因此,不計整流二極管產生的|dv/dt|和|di/dt|的影響,而把整流電路當成電磁騷擾耦合通道的一部分來研究也是可以的。
2.3??? 雜散參數影響耦合通道的特性
??? 在傳導騷擾頻段(<30MHz),多數開關電源騷擾的耦合通道是可以用電路網絡來描述的。但是,在開關電源中的任何一個實際元器件,如電阻器、電容器、電感器乃至開關管、二極管都包含有雜散參數,且研究的頻帶愈寬,等值電路的階次愈高,因此,包括各元器件雜散參數和元器件間的耦合在內的開關電源的等效電路將復雜得多。在高頻時,雜散參數對耦合通道的特性影響很大,分布電容的存在成為電磁騷擾的通道。另外,在開關管功率較大時,集電極一般都需加上散熱片,散熱片與開關管之間的分布電容在高頻時不能忽略,它能形成面向空間的輻射騷擾和電源線傳導的共模騷擾。
3??? 電磁兼容設計
3.1??? 輸入端濾波器的設計
??? 開關電源產生的噪聲包含共模噪音和差模噪音。共模干擾是由于載流導體與大地之間的電位差產生的,其特點是兩條線上的雜訊電壓是同電位同向的;而差模干擾則是由于載流導體之間的電位差產生的,其特點是兩條線上的雜訊電壓是同電位反向的。通常,線路上干擾電壓的這兩種分量是同時存在的。為此應在電源輸入端加濾波器,濾波器阻抗應與電源阻抗失配,失配越厲害,實現的衰減越理想,得到的插入損耗特性就越好。也就是說,如果噪音源內阻是低阻抗的,則與之對接的EMI濾波器的輸入阻抗應該是高阻抗(如電感量很大的串聯電感);如果噪音源內阻是高阻抗的,則EMI濾波器的輸入阻抗應該是低阻抗(如容量很大的并聯電容)。由于線路阻抗的不平衡,兩種分量在傳輸中會互相轉變,情況十分復雜。典型的EMI濾波器包含了共模雜訊和差模雜訊兩部分的抑制電路,如圖3所示。
圖3??? 電源濾波器
圖中:差模抑制電容Cx1,Cx??? 20.1~0.47μF;
????? 差模抑制電感L1,L2??? 100~130μH;
????? 共模抑制電容Cy1,Cy2??? <10000pF;
????? 共模抑制電感L??? 15~25mH。
??? 插入損耗的定義如圖4所示,當沒接濾波器時,信號源輸出電壓為V1,當濾波器接入后,在濾波器輸出端測得信號源的電壓為V2。若信號源輸出阻抗與接收機輸入阻抗相等,都是50Ω,則濾波器的插入損耗為
??? IL=20log(2)
??? 設計時,必須使共模濾波電路和差模濾波電路的諧振頻率明顯低于開關電源的工作頻率,一般要低于10kHz,即f=<10kHz。

圖4??? 插入損耗的定義
??? 圖5是差模與共模干擾的示意圖。
(a)差模干擾(b)共模干擾
圖5??? 差模與共模干擾示意圖
??? 在實際使用中,由于設備所產生的共模和差模的成分不一樣,所以,濾波電路可適當增加或減少濾波元件。具體電路的調整一般要經過EMI試驗后才能有滿意的結果,安裝濾波電路時一定要保證接地良好,并且輸入端和輸出端要良好隔離,否則,起不到濾波的效果。
??? 圖6是兩種濾波電路,它們的濾波效果如圖7實驗曲線所示。
(a)濾波電路1

(b)濾波電路2
圖6??? 兩種濾波電路
①為加濾波器電路1??? ②為加濾波電路2
圖7??? 兩種濾波電路效果實驗曲線
3.2??? 輻射EMI的抑制措施
??? 要降低輻射干擾,可應用電壓緩沖電路,如在開關管兩端并聯RCD緩沖電路,或電流緩沖電路,如在開關管的集電極上串聯20~80μH的電感。
??? 功率開關管的集電極是一個強騷擾源,開關管的散熱片應接到集電極上,以確保集電極與散熱片之間由于分布電容而產生的電流流入主電路中。為減少散熱片和機殼之間的分布電容,散熱片應盡量遠離機殼,如有條件的話,可采用有屏蔽措施的散熱片。整流二極管應采用恢復電荷小,且反向恢復時間短的,如肖特基管,最好是選用反向恢復呈軟特性的。另外,在肖特基管兩端套磁珠和并聯RC吸收網絡均可減少干擾,電阻、電容的取值可為幾Ω和數千pF,電容引線應盡可能短,以減少引線電感。
??? 負載電流越大,二極管反向恢復的時間也越長,則尖峰電流的影響也越大。采用多個二極管并聯來分擔,可以降低短路尖峰電流的影響。
??? 開關電源必須屏蔽,采用模塊式全密封結構,一般用1mm以上厚度的鍍鋅鋼板,屏蔽層必須良好接地。在高頻脈沖變壓器初、次級之間加一屏蔽層并接地,可以抑制干擾的電場耦合。將高頻脈沖變壓器、輸出濾波電感等磁性元件加上屏蔽罩,可以將磁力線限制在磁阻小的屏蔽體內。
??? 例如,對輻射干擾超過標準限值20dB的某開關電源,采用了如下一些在實驗室容易實現的措施進行了改進:
??? 1)在所有整流二極管兩端并聯470pF電容;
??? 2)在開關管G極的輸入端并聯50pF電容,與原有的39Ω電阻形成一RC低通濾波器;
??? 3)在各輸出濾波電容(電解電容)上并聯0.01μF電容;
??? 4)在整流二極管管腳上套一小磁珠;
??? 5)改善屏蔽體的接地。
??? 經過上述改進后,該電源就可以通過輻射干擾測試的限值要求。
3.3??? 傳導騷擾的解決方法
??? 開關電源的傳導騷擾通過輸入電源線向外傳播,既有差模騷擾、又有共模騷擾。傳導騷擾的測試頻率范圍為0.15~30MHz,限值要求如表1所列。
表1??? 傳導騷擾限值表
| 電源端口 | 頻率范圍/MHz | 準峰值dB/μV | 平均值dB/μV |
|---|---|---|---|
| A級 | 0.15~0.5 | 79 | 66 |
| 0.5~30 | 73 | 60 | |
| B級 | 0.15~0.5 | 66 | 56 |
| 0.5~5 | 56 | 46 | |
| 5~30 | 60 | 50 |
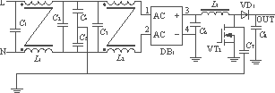
??? 在0.15~1MHz的頻率范圍內,騷擾主要以共模的形式存在,在1~10MHz的頻率范圍內,騷擾的形式是差模和共模共存,在10MHz以上,騷擾的形式主要以共膜為主。差模騷擾的產生主要是由于開關管工作在開關狀態,當開關管開通時,流過電源線的電流線性上升,開關管關斷時電流突變為零,因此,流過電源線的電流為高頻的三角脈動電流,含有豐富的高頻諧波分量,隨著頻率的升高,該諧波分量的幅度越來越小,因此差模騷擾隨頻率的升高而降低,輸出回路的濾波電路如圖8所示,電容C5與電感L3組成低通濾波器,差模傳導騷擾主要存在低頻率段。
圖8??? 輸出回路的濾波電路
??? 產生共模騷擾的主要原因是電源與大地(保護地)之間存在分布電容,電路中方波電壓的高頻諧波分量通過分布電容傳入大地,與電源線構成回路,產生共模騷擾。如圖8所示,L、N為電源輸入,C1、C2、C3、C4、C5、L1、L2組成輸入EMI濾波器,DB1為整流橋,VT2為開關管,開關管安裝在散熱器上時,開關管的D極與散熱器相連,與散熱器之間形成一個耦合電容,如圖8中的C7所示,VT2工作在開關狀態,其D極的電壓為高頻方波,方波的頻率為開關管的開關頻率,方波中的各次諧波就會通過耦合電容、L、N電源線構成回路,產生共模騷擾。電源與大地的分布電容比較分散,難以估算,但從圖8來看,VT2的D極與散熱器之間耦合電容的作用最大,從DB1到電感L3之間的電壓為100Hz,而從L3到VD1和VT2的D極之間的連線的電壓均為方波電壓,含有大量的高次諧波。其次L3的影響也比較大,但L3與機殼的距離比較遠,分布電容比開關管和散熱器之間的耦合電容小得多,因此,我們主要考慮開關管與散熱器之間的耦合電容。
3.4??? 接地技術的應用
??? “接地”有設備內部的信號接地和設備接大地,兩者概念不同,目的也不同。“地”的經典定義是“作為電路或系統基準的等電位點或平面”。
3.4.1??? 設備的信號接地
??? 設備的信號接地,可能是以設備中的一點或一塊金屬來作為信號的接地參考點,它為設備中的所有信號提供了一個公共參考電位。在這里介紹浮地和混合接地,另外,還有單點接地和多點接地。
??? 1)浮地采用浮地的目的是將電路或設備與公共接地系統,或可能引起環流的公共導線隔離開來。浮地還可以使不同電位間的電路配合變得容易。實現電路或設備浮地的方法有變壓器隔離和光電隔離。浮地的最大優點是抗干擾性能好。浮地的缺點是由于不與公共地相連,容易在兩者間造成靜電積累,當電荷積累到一定程度后,可能引起劇烈的靜電放電,而成為破環性很強的騷擾源。一個折衷方案是在浮地與公共地之間跨接一個阻值很大的泄放電阻,用以釋放所積累的電荷。注意控制釋放電阻的阻抗,太低的阻抗會影響設備泄漏電流的合格性。
??? 2)混合接地混合接地使接地系統在低頻和高頻時呈現不同的特性,這在寬帶敏感電路中是必要的。電容對低頻和直流有較高的阻抗,因此能夠避免兩模塊之間的地環路形成。當將直流地和射頻地分開時,將每個子系統的直流地通過10~100nF的電容器接到射頻地上,這兩種地應在一點有低阻抗連接起來,連接點應選在最高翻轉速度di/dt信號存在的點。
3.4.2??? 設備接大地
??? 在工程實踐中,除認真考慮設備內部的信號接地外,通常還將設備的信號地,機殼與大地連在一起,以大地作為設備的接地參考點。設備接大地的目的是:
??? 1)保證設備操作人員人身的安全;
??? 2)泄放機箱上所積累的電荷,避免電荷積累使機箱電位升高,造成電路工作的不穩定;
??? 3)避免設備在外界電磁環境的作用下使設備對大地的電位發生變化,造成設備工作的不穩定。
??? 由此可見,設備接大地除了是對人員安全、設備安全的考慮外,也是抑制騷擾發生的重要手段。
3.5??? 屏蔽技術
??? 抑制開關電源產生騷擾輻射的又一種方法是屏蔽,目的是切斷電磁波的傳播途徑,用電磁屏蔽的方法解決電磁干擾問題不會影響電路的正常工作。它用電導率良好的材料對電場進行屏蔽,用磁導率高的材料對磁場進行屏蔽。為了防止脈沖變壓器的磁場泄露,可利用閉合環形成磁屏蔽,另外,還要對整個開關電源進行電場屏蔽。屏蔽應考慮散熱和通風問題,屏蔽外殼上的通風孔最好為圓形多孔,在滿足通風的條件下,孔的數量可以多,每個孔的尺寸要盡可能小。接縫處要焊接,以保證電磁通路的連續性,如果采用螺釘固定,注意螺釘間距要短。屏蔽外殼的引入、引出線處要采取濾波措施,否則,這些會成為騷擾發射天線,嚴重降低屏蔽效果。若對電場屏蔽,屏蔽外殼一定要接地,否則,將起不到屏蔽效果;若對磁場屏蔽,屏蔽外殼則不需接地。對非嵌入的外置式開關電源的外殼一定要進行電場屏蔽,否則,很難通過輻射騷擾測試。對于開關電源來說,主要是做好機殼屏蔽,高頻變壓器屏蔽,開關管和整流二極管的屏蔽,采用光電隔離技術。功率開關管和輸出二極管通常有較大的功率損耗,為了散熱往往需要安裝散熱器或直接安裝在電源底板上。器件安裝時需要用導熱性能好的絕緣片進行絕緣,這就使器件與底板和散熱器之間產生了分布電容,開關電源的底板是交流電源的地線,因而通過器件與底板之間的分布電容將電磁干擾耦合到交流輸入端產生共模干擾,解決這個問題的辦法是采用兩層絕緣片之間夾一層屏蔽片,并把屏蔽片接到直流地上,割斷射頻干擾向輸入電網傳播的途徑。為了抑制開關電源產生的輻射電磁干擾對其他電子設備的影響,可完全按照對磁場屏蔽的方法來加工屏蔽罩,然后將整個屏蔽罩與系統的機殼和地連接為一體,就能對電磁場進行有效的屏蔽。電源某些部分與大地相連可以起到抑制干擾的作用。例如,靜電屏蔽層接地可以抑制變化電場的干擾;電磁屏蔽用的導體原則上可以不接地,但不接地的屏蔽導體時常增強靜電耦合而產生所謂“負靜電屏蔽”效應,所以仍以接地為好,這樣使電磁屏蔽能同時發揮靜電屏蔽的作用。電路的公共參考點與大地相連,可為信號回路提供穩定的參考電位。因此,系統中的安全保護地線、屏蔽接地線和公共參考地線各自形成接地母線后,最終都與大地相連。
3.6??? 元器件布局及印制電路板布線技術
??? 開關電源的輻射騷擾與電流通路中的電流大小、通路的環路面積、以及電流頻率的平方的乘積成正比,即輻射騷擾E∝IAf2。運用這一關系的前提是通路尺寸遠小于頻率的波長。
??? 上述關系式表明減小通路面積是減小輻射騷擾的關鍵,即是說開關電源的元器件彼此要緊密排列。在初級電路中,要求輸入端電容、晶體管和變壓器彼此靠近,且布線緊湊;在次級電路中,要求二極管、變壓器和輸出端電容彼此貼近。
??? 在設計印制電路板時,應盡量將相互關聯的元器件擺放在一起,以避免因元器件離的太遠而造成印制線過長所帶來的干擾;再者將輸入信號和輸出信號盡量放置在引線端口附近,以避免因耦合路徑而產生的干擾。在印制板上,將正負載流導線分別緊靠布在印制板的兩面,并設法使之保持平行,因為平行緊靠的正負載流導體所產生的外部磁場是趨向于相互抵消的。實踐證明,印制板的元器件布置和布線設計對開關電源EMC性能有極大的影響,在高頻開關電源中,由于印制板上既有電平為±5V~±15V的小信號控制線,又有高壓電源母線,同時還有一些高頻功率開關、磁性元件,如何在印制板有限的空間內合理地安排元器件位置,將直接影響到電路中各元器件自身的抗干擾性和電路工作的可靠性。另外,切忌兩條印制信號線平行走線。如果平行走線無法避免,可通過以下方法來補救:
??? 1)在兩條信號線之間加一條地線,以起屏蔽作用;
??? 2)盡量拉開兩條平行信號線之間的距離,以降低兩線之間電磁場的影響;
??? 3)使兩條平行的信號線流過的電流方向相反。布線間的電磁耦合是通過電場和磁場進行的,因此在布線時,應注意對電場與磁場耦合的抑制。對電場的抑制方法有:
??? 1)盡量增大線間距離,使電容耦合為最小;
??? 2)采用靜電屏蔽,屏蔽層要接地;
??? 3)降低敏感線路的輸入阻抗。
??? 對磁場的抑制方法有:
??? 1)減小騷擾源和敏感電路的環路面積;
??? 2)增大線間距離,使耦合騷擾源與敏感電路間的互感盡可能地小;
??? 3)最好使騷擾源與敏感電路呈直角布線,以便大大降低線路間耦合。
??? 另外,通過分析印制導線的特性阻抗,來選取印制導線的放置方式、長度、寬度以及布局方式。單根導線的特性阻抗由直流電阻R和自感L組成,印制線l越短,直流電阻R就越小;同時增加印制線的寬度和厚度也可降低直流電阻R。印制線長度l越短,自感L就越小,而且增加印制線的寬度b也可降低自感L。而多根印制線的特性阻抗除由直流電阻R和自感L組成外,還有互感M的影響,互感M除受印制線的長度和寬度影響外,印制線之間距離也起著重要的作用,增大兩線的間距可減少互感。針對以上現象,在設計印制電路板時,應盡量降低電源線和地線的阻抗,因為電源線、地線和其它印制線都有電感,當電源電流變化較大時,將會產生較大的壓降,而地線壓降是形成公共阻抗干擾的重要因素,所以應盡量縮短地線,也可盡量加粗電源線和地線線條。在雙面印制板設計中,除盡可能地加粗電源線和地線線條之外,還應在地線和電源線之間安裝高頻特性好的去耦電容。
4??? 結語
??? 要提高開關頻率,提高開關電源產品的質量,電磁兼容性問題必須重點考慮。本文是在分析了干擾產生機理以及經過大量實踐的基礎上,提出的行之有效的抑制措施。產生開關電源電磁干擾的因素還很多,抑制電磁干擾還有大量的工作要做。在設計時,還要從消除騷擾源和受擾設備之間的耦合和輻射,切斷電磁干擾的傳播途徑出發,使開關電源的電磁干擾降到最低點。
電子發燒友App




















評論