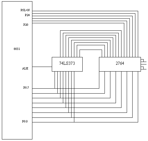
前不久,筆者碰到一位開加工廠的農村用戶反映,自家的低壓三相四線有功電能表有潛動現象,這段時間加工廠沒有用電,電能表卻仍然轉動,但轉動不快。根據該用戶反映的情
2010-08-12 10:35:14
3775 。 2、組別代號 組別代號表示相線,如D--單相,S--三相三線有功,T--三相四線有功;或表示用途,如A--安培小時計,B--標準,D--多功能,F--復費率,H--總耗, J--直流,L--長壽命,M--脈沖,S--全電子式,Y--預付費,X--無功,Z--最大需量。 3、設計序
2023-12-13 17:17:44
18229 三表法測三相四線制三相負載平均功率的另三種接線圖對于三相三線制系統(Y 接或Δ接),由于沒有中線,故圖1 所示的接法便不存在,圖2中接在中線上的功率表也不存在。此時的接線方法將只有圖3 所示的共A
2008-12-04 11:36:22
正弦信號;可以輸出純凈的,失真度在0.05%(典型值)的正弦功率信號。2、可進行電壓、電流、相位、頻率、功率表的試驗和檢定;3、可配合標準功率電能表、對三相電能表(電度表)的基本誤差、潛動、起動進行校驗
2017-08-03 10:29:52
裝置、交直流變送器、三相交直流電測儀表、同周期表、三相電能表等設備。參考標準:Q/GDW 1899-2013《 交流采樣測量裝置校驗規范》 ( 天恒測控參與起草 )。功能特點●交流采樣檢測:可進行虛負荷
2018-07-04 10:23:19
`三相交直流標準功率源又稱三相交直流指示儀表檢定裝置,可自動或手動檢驗電力系統中各種工頻電表(電壓表、電流表、功率表、頻率表、功率因數表、相位表)、單相交流電能表和三相交流電能表(選項)以及直流電
2018-10-17 09:59:22
接出線,9接零線。 電工天下二、三相四線電能表零線不接的影響在三相電壓平衡時,不接零線也不影響精度,表內有三個電壓線圈,星接后接在380V上,每個線圈上的電壓是220V,和接零線的效果相同,這時如果表
2018-06-13 17:28:11
如何去計算三相四線制有功電能表的實際用電量?三相四線制有功電能表是怎樣進行接線的?
2021-08-11 09:01:55
。安科瑞提供DTSD1352-C系列三相電能表,導軌式安裝,該表屬于陽光電源電表選型手冊系列,滿足陽光電源通訊協議。Malaysian customers purchased inverter from sungrow, application in local photovoltaic project
2021-11-16 06:57:43
推薦課程:課程名稱:PCB電磁兼容設計案例分析與仿真解析課程鏈接:http://url.elecfans.com/u/05942d9ef5 三相標準源XL-803電能表校驗介紹:1. 電能校驗該界面
2020-03-31 14:33:53
` XL-803系列三相標準源產生頻率可調、相角可調、功率穩定的三相大功率工頻電壓、電流信號。主要用于電流、電壓、相位、頻率、功率表的試驗和檢定;也可配合標準功率電能表,對電能表(電度表)的基本誤差
2019-03-07 16:11:14
參數 星型不對稱負載,斷開中線,重復測量以上各相參數4. 4. △對稱負載 △對稱負載a) a)各線電壓、線電流、相電流及各相 各線電壓、線電流、相電流及各相有功功率 有功功率b) b)二瓦表法測量三相
2008-12-17 13:39:38
`三相程控標準功率源803主要用于電表能、電壓表、電流表、相位表、頻率表、功率表、功率因數等電力電測數字儀表的測試和檢定,以及電壓互感器、電流互感器、鉗形電流互感器等電量傳感器的測試和檢定,電壓
2020-09-07 10:13:38
概述:CS5460A是美國CirrusLogic公司最新推出的帶有串行接口的單相雙向功率/電能計量集成電路芯片,現主要應用在單相電子式電能表和三相電子式電能表中。不同于以前流行的CS5460芯片,該芯片特有的自動引腳...
2021-04-20 06:50:37
現在做了一個電能表是以cs5463和PCP16F1933為主的功率表,現在的問題是:接上電壓還沒有接負載的情況下功率和功率因數都有了數值顯示,請求大家指教。1259532951扣扣
2016-07-26 01:09:32
什么是電能表?單項電能表的內部主要結構是怎樣構成的?電能表與感應電機的磁極結構有哪些不同?
2021-08-02 06:24:45
對于用電量計量工具使用電能表,也稱為電度表。早期的電能表使用機械感應線原理,由于它本身功耗、精度以及不易聯網,現在逐步被電子電路表取代。下面的電能表就是單位中替換下的機械單項電能表。淘汰下的單項機械
2021-07-05 07:12:10
影響,分裂成不同空間、不同時間的兩部分磁通,從而產生附加力矩,造成電能表潛動。②三相電能表未按正相序安裝。通常三相電能表應按正相序安裝,這樣與試驗室檢定調整時,相序一致,但實際安裝時,如未按要求
2009-08-20 14:56:21
影響小。等等。2、根據測量電路電流性質分可分直流電能表和交流電能表。3、根據相數分可分為單相表和三相表兩大類,其中三相表又分三相三線和三相四線兩種。我們公司三相交流電能表按測量對象分又分有功和無功兩種。二
2011-11-12 21:24:30
,相位,頻率等,無需換檔。正確插上即可讀數 4.ES2010E為二通道相位表。所以也可以用U2紅、COM、I2通道測試。 二、三相三線電壓、電流、相位角測試方法 1.將被測電壓線UA黃、UB綠、UC紅
2015-12-09 16:33:19
ADL-300EF型導軌式安裝三相電能表設計與應用主控制器為MC68HC908LJ12芯片,該芯片內部集成了兩個16位定時器TIM1、TIM2,6通道10位ADC,串行通信接口SCI和串行外圍部件
2011-01-17 00:00:24
能完全符合IEC 62053-21國標標準中0.5S級三相有功電能表的相關技術要求,能直接精確地測量額定頻率為50HZ或60HZ三相交流電網中的電壓、電流、功率、功率因數、電量及總量等電參數。該檢測儀
2019-02-26 15:16:53
電能表作為電能計量的基本設備,受到國家電力部門的長期重視,電能表生產企業更是不遺余力地尋求設計與開發性能俱佳且成本更低的解決方案。目前國內的電能表設計已經走過了由8位MCU向通用DSP甚至專用DSP
2019-08-29 07:10:46
TD3600 是一套專用于檢定三相電能表的裝置,由三相功率源、三相標準電能表、多表位檢定臺 ( 含掛表架、接線端鈕、脈沖輸入輸出、調節控制、顯示、儀器接口等 ) 、計算機及專用軟件等組成,準確度為
2018-07-09 17:17:42
WRH隔離電源通過三相電能表國電專項招標檢驗電力儀器儀表RS485/232通訊接口抗浪涌防靜電高隔離模塊電源順源科技根據電能表、配電負荷檢測儀、電力負荷控制終端、用電管理終端等電力行業儀器儀表
2010-03-10 16:44:21
MCP3909RD-3PH3,MCP3909和dsPIC33F三相電表參考設計是一款功能齊全的電能表,具有許多先進功能,如諧波分析,每相失真信息,垂度檢測,四象限電能測量以及有功和無功功率計算。它
2020-03-17 09:59:52
基本型電壓基準及通道內置獨立的PGA(可編程增益放大器),非常適合三相電流電壓信號的同步采樣,在小信號的時候,通過調整通道PGA可以獲得合適的動態范圍從而保證微弱信號的計量精度。電能表數據采集框圖示于圖2
2018-08-17 09:39:57
利用89S52單片機設計一個適用于農村機井灌溉的加密IC卡預付費多用戶三相電能計量系統,完成三相電功率測量和電能的自動計量、采用液晶顯示、余額報警提示和斷電控制、實現誰插卡誰送電誰用電的功能。.......有沒有相關資料,求啊!
2015-05-07 15:46:00
。 六、按照表計的安裝接線方式可分為:直接接人式和間接接入式(經互感器接入);其中由于測量電路的不同,通常又分為單相電能表、三相三線電能表和三相四線電能表。來源社為預付費IC卡電表官方
2018-05-23 15:52:54
圈與負載串聯,電壓線圈與負載并聯,兩線圈的發電機端應接電源的同一極性端。為接線方便,單相電能表都有專門的接線盒,盒內接有四個端鈕,如圖所示,連接時只要按照1、3端接電源,2、4端接負載即可。來自海洋興業儀器hyxyyq.com
2018-01-29 10:46:44
電子式電能表的特點有哪些?電子式電能表應用中的相關問題有哪些?
2021-09-18 07:33:16
質量管理,能夠充分滿足三相多功能電能表的需要。2,集成一個SPI接口,方便與外部MCU之間進行計量參數以及校表的傳遞。3,集成片上溫度傳感器,精度可達到±1℃4,支持全數字域的輸入增益調整,有功相位可校準
2016-05-20 09:14:07
電源性質:交流表、直流表按結構:整體式、分體式按接入相線:單相、三相三線、三相四線電能表按準確級:普通安裝式電能表(0.2S、0.5S、0.2.0.5.1.0、2.0級)和攜帶式精密電能表(0.01
2018-05-24 15:11:57
一.產品簡介: HD-3000型三相電能表檢驗裝置是引進技術和器件,根據《GB 11150-2001電能表檢驗裝置》、《JJG 597-89
2021-11-23 13:41:24
HD-3005系列三相國網智能電能表校驗裝置是根據國家電網智能表標準和規程的要求,而研制開發電子程控式三相智能表電能表檢驗裝置。適用于滿足國網標準的三相本地費控智能電能表、遠程費控智能電能表及智能
2021-11-23 13:44:57
HDBZ-II三相多功能電能表檢定裝置是我公司開發、研制的集電參量測量、對電能表校驗、接線判斷為一體的高精度測試儀器。該儀器配以高精度、高線性度的電壓互感器和電流互感器,使儀器對各種參量的測量精度
2022-07-13 09:52:10
本文設計了一款以FM2307 專用芯片為核心實現的三相預付費復費率電能表,具體介紹了硬件的四大模塊及其接口設計和軟件的實現。該表能實現紅外、RS485 和IC 卡通信三種通信功能
2009-09-22 10:21:12
24 本文設計了一款以FM2307 專用芯片為核心實現的三相預付費復費率電能表,具體介紹了硬件的四大模塊及其接口設計和軟件的實現。該表能實現紅外、RS485 和IC 卡通信三種通信功能
2009-12-16 14:44:13
32 ?1.XL-824D三相交直流現場校驗儀產品介紹 XL-824D三相交直流標準源,可作為三相交流標準功率源、直流標準功率源、直流標準電壓表、直流標準電流表,準確度等級0.1級/0.05級
2023-10-13 14:48:11
產品概述 DSJY-3便攜式三相電能表檢定裝置可以產生幅度可調、相位可調、頻率可調、功率穩定的三相標準工頻電壓、電流信號。主要用于電能表、電壓表、電流表、相位
2023-11-03 16:30:47
論述有些農村電網用只和只單相電能表, 分別測量三相三線和三相四線電路有功電能的有關問題,指出用戶應。如何用電以減少電能計算糾紛, 提出不宜用多只單相電能表測量三
2010-10-12 19:38:56
39 精度高、性能穩定、功能強大,適用于各級關口、大用戶計量,并且通過了多家權威機構的檢測MK6E電能表主要特點簡述如下:1.1、MK6E電能表適用于三相三線和三相四線
2025-02-27 11:28:27
DSYF-N無線二次壓降及三相電能表檢驗儀具備兩種儀器的功能:無線二次壓降及負荷測試儀、電能表現場校驗儀。儀器由主機和分機及配件組成,其中主機
2025-03-10 09:39:38
XL-803A三相程控標準功率源系列可作為交流標準電壓源、交流標準電流源、交流標準功率源,輸出可疊加最高49次諧波,準確度等級0.1級/0.05級/0.02級,可用于交流量檢測、校準,適用于電力部門
2025-10-10 14:12:06
基于新型Cortex-M3內核STM32的三相多功能電能表解決方案
電能表作為電能計量的基本設備,受到國家電力部門的長期重視,電能表生產企業更是不遺余力地尋求設計與開發性
2009-11-05 10:28:10
1672 
單相、三相多功能電能表及網絡電能表原理及設計
中國目前已成為世界電能計量行業最具有活力的市場。城鄉電網改造結束后,電能表市場需求從高速增長期逐步向平穩發
2010-03-13 12:17:12
3072 
本文詳細介紹了基于 MSP430F471XX 的單片機三相電能表設計:
2011-06-28 17:16:32
104 檢查電能表接線是否正確是 電能表 現場校驗的基本內容。本文分析了三相四線電能表可能出現的接線方式;并從電壓、電流的相位關系入手,提出了一種判別錯誤接線的方法,可以判
2011-06-30 16:22:54
123 背景 電能表 是用來測量電能的儀表,又稱電度表,火表,電能表,千瓦小時表,指測量各種電學量的儀表。基于ARM的方案已經出現,但是適合應用的ARM7 TDMI在性能上不盡人意,同時外
2011-09-06 20:10:46
5330 
本圖所示是DS型5~10A三相三線有功電能表直入式接線方式,對于10A以上的三相三線有功電能表其內部接線有所不同,但外部接線基本相同。
2011-12-12 15:58:25
7381 
三相四線多費率遠程電能表
2017-09-15 15:07:50
27 DTSY1352三相電子式預付費電能表主要用于計量額定頻率50Hz的三相交流有功電能,具有預付費、負載控制及RS485通信(選配)等功能,性能指標符合GB/T18460.3-2001標準。是改革傳統用電體制,提高用電管理水平的理想電能表。
2017-09-27 14:06:00
0 :也叫電度表,是電能計量裝置的核心,是計量負載消耗的或電源發出的電能。 電能表型號:1位D-電能表;2位表示相線:D-單相、S-三相三線有功、T-三相四線有功; 3位表示用途D-多功能、F-復費率、M-脈沖、S-全電子、Y-預付費;4位設計序
2017-11-02 11:38:43
14 端的ARM9系統的復雜程度很高,成本也較高。所以要研究一種廉價的,滿足客戶需求的電能表,來填補這個空缺。 一、關于CORTEX-M3與STM32 最新一代ARM v7內核,命名為Cortex,同ARM7/9/10/11相比在架構上有了革命性突破。它采用高效的哈佛結構三級流水線,達到
2017-12-01 02:27:01
966 
三相交流有功和無功電能表系計量額定頻率50HZ,三相交流電網中有功或無功電能消耗的感應式儀表。三相有功電能表技術 性能完全符合GB/T15283-94國家標準及IEC62053-11國際標準,三相無功電能表技術性能完全符合GB/T15282-94國家標準。
2018-02-06 14:33:35
186787 GPRS 網絡電能表就是GPRS 通信技術和 電表 技術的結合體, 他將三相多功能電能表和GPRS 通信模塊相結合, 形成具有無線網絡通信能力的 電能計量 裝置。GPRS 網絡電能表由基表和GPRS 無線通信模塊 兩部分組成。
2018-03-14 14:14:00
3276 
作為電能計量裝置,三相電能表被廣泛應用,常用的電壓規格有3×57 .7/100V、3×100V和3×220/380V三種電壓規格;從接入方式看,三相電能表又分為三相三線電能表和三相四線電能表。
2018-07-30 16:07:00
1650 
本發明屬于電測、儀器儀表領域,尤其是一種用于直入式三相智能電能表自動化檢定系統的電能計量裝置檢定方法。
2018-07-25 15:38:00
1276 
今天為大家介紹一項國家發明授權專利——雙向計量三相智能電能表。該專利由廣東電網公司電力科學研究院申請,并于2016年9月14日獲得授權公告。
2018-11-12 10:09:14
8938 的專用測試儀器,集成高精密、高線性電壓互感器和電流互感器,測量精度高,穩定性能好,電能表現場校驗儀也可以對電壓表、電流表、功率表、相位表的校驗和分析頻率偏差、電壓偏差、電壓波動、三相電壓允許不平衡度和電網
2019-08-19 13:53:33
3519 的專用測試儀器,集成高精密、高線性電壓互感器和電流互感器,測量精度高,穩定性能好,電能表現場校驗儀也可以對電壓表、電流表、功率表、相位表的校驗和分析頻率偏差、電壓偏差、電壓波動、三相電壓允許不平衡度和電網
2019-09-02 12:41:22
3017 本文主要闡述了單相電能表和三相電能表的區別。
2019-12-17 10:40:15
31648 三相電表是用于測量三相交流電路中電源輸出(或負載消耗)電能的電能表,一般工業用電用的是三相電表。
2020-02-16 05:14:00
29411 
多功能三相電能表現場校驗儀 具 有同步工頻電力參數測量功能,可現場不斷電、不拆線校驗各種有功、無功電能表,并自動判別電能表錯誤接線;適配至2000A多種規格的電流鉗后,可對 電能計量柜的綜合誤差
2020-03-19 14:36:12
2430 電能表的類型通常由五有些構成,各有些含義如下。組別代號:A代表安培小時計;B代表規范;D代表單相電能表;F代表伏特小時計;J代表直流;S代表三相三線;T代表三相四線;X代表無功。
2020-04-04 16:55:00
18449 
我們最常見的電能表是交流有功電表,可以分為單相表、三相三線表和三相四線表,而三相三線表一般用于高壓計量這里就不說了。
2020-04-04 15:51:00
13266 三相電能表效驗儀出廠時給出了校準后1年內的不確定度的指標,在日常使用過程中,可以通過以下程序調校三相電能表效驗儀。
2020-04-07 17:24:52
3910 安科瑞PZ系列電能表 三相電能測量 PZ72-AI3主要功能:三相交流電流測量,LED顯示。 可選配功能:一路通訊、一路模擬量輸出、兩路開關量輸入輸出、一路報警 1. 概述 安科瑞PZ系列電能表
2020-05-11 14:30:11
2680 
控制,是改革傳統用電體制,提高用電管理水平的理想計表。分別用于計量額定頻率50Hz的單、三相交流有功電能,DTSY1352三相預付費電能表,DDSY1352單相預付費電能表,具備負載控制
2020-05-11 10:47:19
3956 
具備負載控制,分別用于計量額定頻率50Hz的單、三相交流有功電能,帶RS485通信,可以預付費控制,產品符合企業標準Q31/0114000129C039-2019《電子式預付費電能表企業標準》的要求
2020-05-12 14:18:37
1871 
根據其安裝方式可分為直接接入式電能表和間接接入式電能表;根據其接入相線的不同可分為單相電能表、三相三線電能表和四相四線電能表;根據其工作原理的不同可分為電子式電能表和感應式電能表。
2020-07-20 11:04:46
11965 TK3030C三相電能表檢定裝置,該產品可以產生幅度可調、相位可調、頻率可調、功率穩定的三相工頻電壓、電流信號。 TK3030C三相電能表檢定裝置,主要用于電表能、電壓表、電流表、相位表、頻率表
2021-02-25 16:17:09
1672 TK3030C 三相電能表檢定裝置 型號:TK3030C 名稱:三相標準功率源 三相標準信號源 三相電能表檢定裝置, 三相程控精密測試電源 三相標準功率源 三相標準測試源廠家 三相交流功率源廠家
2021-03-10 15:31:16
1389 AN-641:基于ADE7752的三相電能表
2021-04-17 18:59:33
12 AN-1333:用ADE7932/ADE7933/ADE7978構成帶分路器的直接式三相電能表
2021-04-19 20:10:44
6 AN-624:ADE7754上三相電能表的校準
2021-04-28 17:41:02
2 基于ADE7752()的三相電能表
2021-05-26 16:50:52
16 三相四線智能電能表未接零線的話,首先三相四線智能電能表不接零線的話會影響計量數據準確性,假如電表有單相負載,就必須要接零線。
2021-09-29 14:24:33
23446 本案例是用北京穩聯技術有限公司生產的WL-ABC3010型Modbus 485轉Profinet網關將AEM96三相多功能電能表與PLC的配置案例,用到設備為西門子S7-1200PLC,WL-ABC3010型Modbus 485轉Profinet網關,AEM96三相多功能電能表。
2023-04-10 14:22:24
0 請旋轉手機 查看更多精彩 點我 ?? ? 原文標題:【產品中心】AEM72三相多功能電能表 文章出處:【微信公眾號:安科瑞能效管理】歡迎添加關注!文章轉載請注明出處。
2021-11-04 18:18:25
1203 
功率/電能測量儀表可測量交流及直流功率,測量時須選擇正確的測量功能。功率測量菜單見下圖:圖3-1功率測量菜單功率測量可測量三相四線電系統的三相有功功率、三相視在功率、三相無功功率、三相功率
2021-11-18 14:27:33
1593 
線電能表: 三相三線電能表通常用于不需要中性線的場景,例如工業和某些商業用途。它使用三根導線連接到主配電盤,并且不包含中性線。每根導線分別傳遞A、B、C三相電流。這三個相互位移120度的相電流共同構成了三相電源系統。 三相
2023-12-22 14:20:56
9278 多功能電能表集成三相電力參數測量及電能計量及考核管理,提供上 24 時、上 31 日以及上 12 月的電能數據統計。具有 31 次分次諧波與總諧波含量檢測,帶有開關量輸入和繼電器輸出可實現“遙信”和“遙控”功能,并具備報警輸出,可廣泛應用于多種控制系統,
2024-02-20 09:41:43
1665 
用戶更好地理解和使用這種電能表。 一、工作原理 三相四線電子式有功電能表的工作原理基于電磁感應定律。它通過測量三相電路中的電流和電壓,計算出電路中的功率,進而得出電能消耗。具體來說,電能表內部包含三個電流互
2024-06-12 09:26:21
5846 三相四線有功電能表是一種用于測量三相交流電路中電能消耗的儀表。在實際應用中,為了提高測量的準確性和方便性,電能表通常會采用一定的倍數來放大電流或電壓信號。那么,如何查看三相四線有功電能表的倍數呢
2024-06-12 09:28:26
8141 今天武漢摩恩智能電氣有限公司帶大家了解一下MEDN-3T 三相電能表檢定裝置 MEDN-3T 三相電能表檢定裝置工作原理: ? ?本儀器采用分布式嵌入式系統,每個分系統都有獨立的小系統組成,具有結構
2024-07-15 09:22:46
1042 
原理簡介: 三相三線制測量是指使用兩個功率元件實現對三相線路的測量,相當于在電路中分別接入兩只電流表(串聯在A、C兩相)、兩只電壓表(分別并聯在AB之間和CB之間)和兩只功率表(電流線圈串聯在A、C相,電壓線圈并聯在AB和CB之間),其測量原理如圖二十所示:
2024-07-15 11:22:08
2337 
三相DTSY預付費內控復費率電能表 分時計費 集計量與控制于一身的新型預付費電能表。三相全電量測量。 三相內控型預付費電能表分別用于計量額定頻率 50Hz 的三相交流有功電能,具有預付費、負載控制
2024-10-15 18:15:37
1306 
電子發燒友網站提供《使用MSP430F67641實現低成本三相電能表.pdf》資料免費下載
2024-10-10 09:43:45
0 物聯網三相導軌雙向電能表技術參數 ? 3 計量儀表功能特點 ? 4 外形尺寸及安裝說明 物聯網三相導軌雙向電能表安裝步驟 1.位置選擇:選擇一個干燥、通風良好且無強烈震動的地方,避免陽光直射。 2.
2024-12-18 14:40:08
1001 
在當今電力領域,準確計量電能對于電力系統的穩定運行和公平交易至關重要。三相電能表作為重要的計量設備,其準確性需要定期校驗。而“三相電能表便攜式校驗裝置”的出現,為電能表的校驗工作帶來了極大的便利
2024-12-21 15:48:06
924 功能特性概覽 三相電能表作為電力計量領域的關鍵設備,具備高精度計量功能,能精確測量三相電路中的有功電能、無功電能及視在電能,誤差值嚴格控制在極小范圍內,符合國際與國家標準,為公平貿易結算提供精準數據
2024-12-27 09:19:15
2373 
AEM96 三相多功能電能表,是一款主要針對電力系統,工礦企業,公用設施的電能統計、管理需求而設計的智能電能表;針對某些施工現場不允許停電作業的情況,推出AEM96-CT 三相多功能電能表方案
2025-02-07 17:43:55
0 電子發燒友網站提供《三相智能電能表(關口計量)通用技術規范.pdf》資料免費下載
2025-03-19 18:07:48
1 新書發布會現場,德力西電氣重磅推出行業首款碳中和產品:單相/三相費控智能電能表(具體型號包括DDZY607-D單相費控智能電能表和DTZY607-D三相四線費控智能電能表)。
2025-04-09 15:03:00
1113
評論