1、極距計算公式 極距是指電動機每個磁極沿氣隙圓周表面所占的距離,常用每個磁極所占電動機的槽數表示。 τ=Z/2p,式中希臘字母τ為極距;Z為電動機槽數;p為電動機磁極對數。如4極36槽電動機的極距
2023-09-12 15:23:49
12891 電動機轉速精密測量系統
2012-08-07 00:15:31
、礦井提升機、擠壓機上使用。5、變頻調速方法變頻調速是改變電動機定子電源的頻率,從而改變其同步轉速的調速方法。變頻調速系統主要設備是提供變頻電源的變頻器,變頻器可分成交流-直流-交流變頻器和交流-交流
2018-10-12 10:24:59
,尤其在起動時電動機發出異常聲響或過熱時,應立即切斷電源,在查清原因且排除后再行起動,以防故障擴大。 3.電動機帶負載運行時轉速緩慢的原因 電動機帶負載運行時轉速緩慢的原因有以下幾種
2009-09-12 10:57:49
電動機振動的危害電動機振動的原因如何查找振動原因處理電機振動的步驟
2021-02-05 07:30:31
電動機有哪些分類
2021-03-12 06:17:58
交流電機。同步電動機和異步電動機的區別在于,同步電動機的轉子是永磁體。所謂同步電動機,就是電動機轉子轉速和定子產生的旋轉磁場轉速是一樣的,沒有相對轉速差。在更多的領域,同步電動機的使用比異步電動機多,因為同
2021-09-06 06:08:45
、控制效果最好的電機控制裝置,它通過改變電網的頻率來調節電動機的轉速和轉矩。②因為涉及到電力電子技術,微機技術,因此成本高,對維護技術人員的要求也高,因此主要用在需要調速并且對速度控制要求高的領域。:電動機啟動方式全知道!
2018-11-01 10:58:01
電動機在部分放電測試期間測量重復的部分放電起始電壓(RPDIV),重復的局部放電消光電壓(RPDEV)和最大局部放電。 局部放電是一種廣譜信號,可以在很寬的頻帶范圍內進行測量。局部放電測試儀可測量
2021-09-22 11:06:39
電動機應用廣泛,下面為您揭曉目前電動機重要的七大應用領域:
2021-02-05 06:27:39
電動車電機種類和構造電機的檢查和測量電動機的故障檢測與排除
2021-02-01 07:02:18
眾所周知,電動機是重工業不可或缺的生產設備之一,現在國家提倡電動機需節能、環保、高效,那么如何能在電動機生產過程中降低能耗、節約電能、發揮其生產力呢?下面小編跟大家來簡述一下電動機的節能措施。
2021-01-29 07:34:49
電動機轉矩與轉速的關系是怎么樣的呢?在了解之前,首先我們需要了解什么是電動機輸出額定轉速和電機輸出扭矩,這兩者彼此之間息息相關。額定轉速是指在額定功率下電機的轉速。也即滿載時的電機轉速,故又叫做滿載
2021-06-29 13:53:06
電動機防護型式的選擇電動機電壓和轉速的選擇
2021-01-28 06:33:29
轉速開環恒壓頻比異步電動機調速系統仿真這里寫目錄標題轉速開環恒壓頻比異步電動機調速系統仿真一、理論基礎知識1. 恒壓頻比控制2. 正弦波脈寬調制(==SPWM==)技術二、Simulink仿真1.
2021-09-06 07:27:49
AC伺服電動機的構造AC伺服電動機在電動機的反輸出軸側搭載有轉速探測器(編碼器),通過檢測轉子的位置和速度,可執行高分辨率、高響應定位運行。編碼器是檢測電動機轉速和位置的傳感器。發光二極管(LED
2023-03-20 16:49:35
:n=60f/P 式中f為電源頻率、P是磁場的磁極對數、n的單位是:每分鐘轉數。根據此式我們知道,電動機的轉速與磁極數和使用電源的頻率有關,為此,控制交流電動機的轉速有兩種方法:1、改變磁極法;2、變頻
2018-10-15 10:20:55
交流伺服電動機有哪幾種轉速控制方式?伺服電動機的工作特性特點是什么?
2021-09-24 10:26:49
什么是伺服電動機伺服電動機(servo motor)的功能是將所輸入的電壓信號轉換為軸上的角位移或角速度輸出,其轉速和轉向隨輸入電壓信號的大小和方向變化而改變的控制電機。伺服電動機能帶一定的負載,在
2008-11-19 23:40:31
同步電動機(syn*onous motor)是由直流供電的勵磁磁場與電樞的旋轉磁場相互作用而產生轉矩,以同步轉速旋轉的交流電動機。 轉子轉速與定子旋轉磁場的轉速相同的交流電機。其轉子轉速n與磁極對數p、電源頻率f之間滿足n=60f/p。轉速n決定于電源頻率f,故電源頻率一定時,轉速不變,且與...
2021-09-03 08:10:34
調節要下滑得多,并且還可以得到任意多級的轉速。因此降低電源電壓從基速向下調速的調速方法,在直流電力拖動系統中被廣泛采用。 o 弱磁調速 保持他勵直流電動機電源電壓不變,電樞回路也不串電阻,在電動機
2011-06-03 09:56:38
對于電動機我是個外行,我想請問下直流電動機或者交流電動機的轉子相對于定子的轉速穩定性好的是哪個,轉動過程中轉子轉速波動特性是有一定規律還是隨機?可不可控?恒定轉速下其轉子振動角度幅值是否可控?或者說
2016-12-20 19:40:43
控制對象。在自動控制系統中,用作執行元件,把所收到的電信號轉換成電動機軸上的角位移或角速度輸出。分為直流和交流伺服電動機兩大類,其主要特點是,當信號電壓為零時無自轉現象,轉速隨著轉矩的增加而勻速下降。
2019-06-11 04:20:36
減小電動機啟動電流的方法有哪些?如何準確測量電動機啟動電流?
2021-01-25 06:15:07
單相串勵電動機的故障與負載、維護及設計制造質量等因素有關。由于單相串勵電動機轉速高,這就從材料和工藝等方面給電動機的維修帶來一定困難。因此,單相串勵電動機的維修,盡可能按原設計數據進行維修。單相串勵電動機的常見故障、原因及維修方法如下:
2021-01-22 07:06:01
單相串激電動機當采用交流供電時,稱交流串激電動機;當采用直流供電時,稱直流串激電動機。對于單相直流串激電動機改變它的電源極性,電動機的轉矩和轉速的方向不變(恒定轉向),這是因為激磁繞組和電樞繞組
2023-03-13 11:34:08
低,電流一般比較大,且諧波成分高,電流交變的頻率也隨轉速而變化,因而電動機普遍存在發熱情況,且情況比一般交流電動機嚴重。(1) 高次諧波引起電支機的交率和功率因數變差,電動機損耗增加。由于普遍電動機是按
2018-11-20 14:40:30
同步電動機與異步電動機的轉速有何不同?同步電動機與異步電動機轉動的原理有何不同?同步電動機與異步電動機轉動的外部特性和應用上的區別在哪?
2021-07-29 08:02:14
同步電動機與異步電動機 原理: 同步電機就是靠勵磁電流運行的,如果沒有勵磁,電機就是異步的。勵磁是加在轉子上的直流系統,它的旋轉速度和極性與定子是一致的,如果勵磁出現問題,電動機就會失步,調整不過來
2021-07-06 07:18:43
現代同步電動機多采用無刷勵磁系統,即同軸裝配的同步電動機、旋轉整流器、交流主勵磁機的無刷勵磁系統和靜上式副勵磁控制柜的無刷勵磁控制系統。 勵磁控制系統設計采用的三相橋式整流電路,除其三相橋式
2023-03-02 10:42:23
同步電動機是屬于交流電機,定子繞組與異步電動機相同。它的轉子旋轉速度與定子繞組所產生的旋轉磁場的速度是一樣的,所以稱為同步電動機。正由于這樣,同步電動機的電流在相位上是超前于電壓的,即同步電動機是一
2016-01-25 13:43:32
本文小編給大家總結下電動機幾個的檢查工作,以保證電動機的正常運轉,防止燒毀,延長電動機的工作壽命。
2021-01-21 06:58:46
電動機旋轉速度是如何控制的?
2021-01-28 07:06:02
微機保護是指什么?負序電流保護用于反應電動機的什么?定時限過電流保護對負荷存在電動機時應考慮哪些因素?
2021-09-16 07:53:45
與其他電源相連,其定子電流直接取自交流電力系統;與其他電機相比,異步電動機的結構簡單,制造、使用、維護方便,運行可靠性高,重量輕,成本低。以三相異步電動機為例,與同功率、同轉速的直流電動機相比,前者
2018-10-12 10:35:03
。 軸承損壞首要是軸承空位過大或嚴重磨損,缺少光滑油或油脂挑選不妥致使的,這時就需要及時清洗或更換軸承,確保電動機在工作進程中有超卓的光滑,通常的電動機工作5000h左右后,應抵償或更換光滑脂。 電動機斷相工作時,轉速會下降.并宣告反常響聲,假定工作時間過長,將會燒杯電動機。
2015-08-15 14:59:40
(1)發電制動當轉子轉速在外加轉矩作用下大于同步轉速時,電機處于發電機狀態,產生制動轉矩,從而對外加轉矩起制動作用。(2)反接制動短時改變電動機的相序,旋轉磁場反向,使電動機產生的轉矩與負載慣性轉矩
2023-03-07 09:49:43
異步電動機的機械特性(轉速/轉矩-電流特性)發布日期:2012-09-22瀏覽次數:180 我要投稿核心提示: 給定電壓下異步電動機的機械特性曲線。因為理解該特性曲線對理解和掌握異步電動機的調速控制
2021-09-06 08:25:56
`菜鳥求教,怎么利用8086或者8088來實現直流電動機的轉速測試`
2017-07-05 10:05:58
無刷直流電動機霍爾測速的原理是什么?怎樣去設計一種基于STM32單片機的電動機轉速測量系統?
2021-09-22 07:10:45
感應電動機的轉速―轉矩特性,如下圖所示。空載時以接近同步轉速的速度旋轉,但隨著負載的增加,轉速也同時下降,并且以負載及電動機的轉矩TP的平衡點P進行旋轉。負載若再增加到M點時,因電動機無法產生更大
2023-03-14 09:24:09
MOSFET或IGBT與電流測量功能結合一體。這樣簡化了功率電路的設計,令到一個密集而獨立的方案很容易組合到最終產品上。 電動機類型 在電動機控制系統中有四個核心部位應予凸顯,它們是∶ ·控制
2016-01-25 17:31:36
,它的角位移和線位移量與脈沖數成正比。轉速或線速度與脈沖頻率成正比。在負載能力的范圍內,這些關系不因電源電壓、負載大小、環境條件的波動而變化,誤差不長期積累,步進電動機驅動系統可以在較寬的范圍內,通過
2015-01-23 14:44:31
電動機驅動器驅動。通過一定的控制方式,可以使步進電動機運動時的角位移或線位移與脈沖數成正比,即其轉速或線速
2021-06-29 07:40:00
步進電動機的結構與原理
2019-10-08 14:28:36
直流伺服電機與普通他勵直流電動機有何不同?電磁式直流伺服電機的工作原理是什么?直流伺服電動機的機械特性是什么?永磁交流伺服電動機同直流伺服電動機比較,主要優點有哪些?
2021-06-28 06:10:39
永磁無刷電動機可以看做是一臺用電子換向裝置取代機械換向的直流電動機,直流無刷電動機主要由永磁電動機本體、轉子位置傳感器和電子換向電路組成。
2019-10-16 09:00:50
定義正弦波永磁同步電動機組成的調速系統稱為正弦型永磁同步電動機調速系統;而由梯形波(方波)永磁同步電動機組成的調速系統,在原理和控制方式上基本與直流電動機類似,故稱這種系統為直流無刷電動機
2008-11-25 09:37:10
求助,用于電動機微機保護中CPU的DSP2812與dsp54系列比較
2014-03-26 10:09:41
如圖3-35所示是卡座中的雙速直流電動機轉速調整可變電阻電路。 電路中的S1是機芯開關,S2是用來轉換電動機轉速的“常速/倍速”轉換開關,RP I和RP2分別是常速和倍速下的轉速微調可變電阻
2011-08-04 10:24:32
調節要下滑得多,并且還可以得到任意多級的轉速。因此降低電源電壓從基速向下調速的調速方法,在直流電力拖動系統中被廣泛采用。 o 弱磁調速 保持他勵直流電動機電源電壓不變,電樞回路也不串電阻,在電動機
2011-06-13 14:21:45
直流電動機的輸出功率與轉速有何關系?如何去表達?
2021-09-23 06:06:31
直流伺服電動機是指什么?直流伺服電動機的結構可分為哪幾類?與傳統型的直流伺服電動機相比,低慣量型直流伺服電動機具有哪些優點?
2021-07-13 08:20:35
無刷電動機驅動電路使用 drv10866驅動芯片驅動一個小型無刷直流電機風扇,無需使用任何位置傳感器。無刷直流電動機風扇的轉速可以平穩地改變,而不需要像普通交流風扇那樣通常的步驟。直流無刷電動機驅動
2022-03-07 16:06:37
精密減速機上伺服電動機噪聲測量應在空載穩定運行狀態下進行;對于直流伺服電動機,測定時其轉速和電壓應保持額定值;對交流伺服電動機應保持供電頻率相供電電壓為額定值;用靜止整流電源供電時,電源應符合有關
2018-10-11 11:43:29
廣泛應用于要求轉速可調、調速性能好,以及頻繁啟動、制動和反轉的場合。由于技術成熟和控制簡單,各種直流電動機驅動已經廣泛應用于不同的電力牽引應用系統。直流電功機的結構直流電動機是由靜止的定子和可旋轉
2018-10-10 18:15:03
請問雙值電容異步電動機轉速慢是什么原因導致的呢?
2023-03-31 11:31:30
步進電動機的微機控制電路
2019-09-12 09:12:20
小編告訴大家選擇電動機主要就要考慮它的型號、功率、轉速和起動要求等。選擇合理與否,直接關系到運行的經濟是否及電動機的使用壽命和安全。
2021-02-03 06:19:28
用短路發鏈接電動機2組端子后用電流檔萬用表測量時候為什么要轉動電動機轉子軸啊??各位i大師傅這是什么原理。小弟在這謝謝了
2012-01-08 15:09:08
高次諧波對電動機的影響高次諧波對電動機影響有哪些防范措施?
2021-02-24 06:30:17
步進電動機概述步進電動機工作原理及線性解析步進電動機的研究設計計算方法步進電動機動態特性的基礎理論步進電動機的驅動步進電動機的環境分配器步進電
2007-11-16 23:38:11
72 電動機、電氣傳動和電動機重繞計算圖內容有一般計算,如同步電動機的頻率,轉速和極數,感應電動機的頻率,轉速和極數,交流電動機的額定電流,低壓電動機無功就地補償
2009-02-19 10:45:31
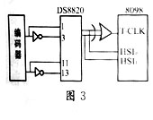
18 電動機轉速精密測量系統:從實際出發,利用Cygnal C8051 單片機、8253 和增量式光電編碼器實現了電動機瞬時轉速的快捷、準確測量,介紹了軟件和硬件的設計方法,并通過實驗數據對
2009-08-26 19:15:49
61
步進電動機的微機控制電路
2009-02-09 12:47:37
745 
電動機轉速控制電路
2009-04-13 10:36:36
1596 
PMC-751M電動機保護測控裝置PMC-751M電動機保護測控裝置是CET自主開發的智能型微機保護測控一體化裝置,具有豐富全面的保護功能,可用于需要差動保護功能的電動機間隔。PMC-751M適用于
2025-05-14 15:12:25
步進電動機的微機控制電路圖
2009-07-18 11:36:54
786 
基于FPGA的電動機微機保護實現方法
0 引 言 電動機內部故障的診斷與檢測是電動機保護 的主要研
2009-12-10 17:00:20
1121 
電動機驅動系統技術,電動機驅動系統技術是什么意思
電動機驅動系統是電動汽車的心臟,如圖1所示,電動機驅動系統的功能是在駕駛員的控制下,
2010-03-17 14:43:35
1834 Proteus之步進電動機轉速控制,很好的Proteus資料,快來下載學習吧。
2016-04-19 09:54:26
0 Proteus之伺服電動機轉速控制,很好的Proteus資料,快來下載學習吧。
2016-04-19 09:54:26
0 異步電動機微機控制的新構思,有需要的下來看看
2016-04-26 09:27:29
13 參考。 電動機絕緣電阻測量 首先,將電動機接線盒內6個端頭的聯片拆開,并且甩開其它無關的測試線纜, 可先測量電動機三相繞組之間的電阻(AB相,BC相,CA相),在測量對地之間的絕緣電阻,以SJJY-H絕緣電阻測試儀為例,將該測試
2020-02-18 11:09:26
3538 在電動機啟動后,轉速突然降低,其轉動速度遠遠低于額定轉速,遇到這種電動機的問題應該怎么辦。
2020-02-20 22:09:40
7779 本文首先介紹了三相異步電動機轉速公式,其次闡述了三相異步電動機轉速與什么有關,最后分析了三相異步電動機轉速和頻率的關系。
2020-03-16 09:11:12
78106 本文首先闡述了三相異步電動機轉速慢的原因,另外還介紹了三相異步電動機轉速。
2020-03-16 09:18:57
19442 電動機轉矩與轉速的關系及異同綜述
2021-06-30 09:24:10
3 電動機轉矩與轉速的關系是怎么樣的呢?在了解之前,首先我們需要了解什么是電動機輸出額定轉速和電機輸出扭矩,這兩者彼此之間息息相關。 額定轉速是指在額定功率下電機的轉速。也即滿載時的電機轉速,故又叫
2021-07-13 17:23:05
32306 電子發燒友網站提供《DIY電動自行車并測量電動機轉速.zip》資料免費下載
2022-10-31 10:01:56
1 低速電動機的最低轉速取決于其類型和應用場景。通常來說,低速電動機的最低轉速可以非常低,甚至可以達到每分鐘幾轉或者更低。例如,用于風力發電的低速電動機通常具有極低的最低轉速,可以在微風的情況下開始轉動。
2023-03-07 15:51:49
2635 一般來說,低速電動機的轉速要根據具體的應用需求來確定。例如在一些需要精密控制的場合,低速電動機的轉速通常需要更低,以便實現更高的精度和穩定性;而在一些需要快速響應和高效轉動的場合,低速電動機的轉速則需要相對較高,以確保高速運轉和良好的動力輸出。
2023-03-07 16:00:36
14889 °。一般情況下,電動機每組線圈所跨的定子槽數占總槽數幾分之一,此電動機就是幾極。 2、電動機的同步轉速 電動機的同步轉速即定子旋轉磁場的轉速n 1 ,n 1 =60f/P,式中n 1 為同步轉速,單位r/min;f為交流電源頻率,單位Hz;P為電動機的磁極對數。
2023-09-11 16:58:14
2414 率,稱為輸出功率。輸出功率P 2 為電動機銘牌上的額定功率,也就是我們平時所說的電動機的功率。電動機的輸出功率等于輸入功率減去電動機本身的損耗,P 2 =P 1 -P 損。 二、電動機的轉速 1、同步轉速 電動機的同步轉速即定子旋轉磁場的轉速n 1 ,n 1 =60f/P,式
2023-09-18 11:18:29
14046 電動機按使用電源不同分為直流電動機和交流電動機,電力系統中的電動機大部分是交流電動機,可以是同步電動機或者是異步電動機(電動機定子磁場轉速與轉子旋轉轉速不保持同步速)。
2023-09-19 10:47:40
3666 
三相異步電動機的轉速是多少啊?三相異步電動機的轉速與什么有關? 三相異步電動機的轉速與電源頻率和極對數有關。 一、三相異步電動機的轉速 三相異步電動機是一種常見的電動機類型,廣泛用于工業領域。它
2023-12-29 11:28:25
8657 的轉速與電源頻率同步,而異步電動機的轉速略低于電源頻率。這意味著同步電動機的轉速可以精確地控制,而異步電動機的轉速可能會受到負載變化的影響。 二、效率也不同。 同步電動機的效率在高負載條件下更高,而異步電動機的效率
2024-01-26 09:28:29
2311 三相異步電動機的轉速與電動機的設計無關。 在分析三相異步電動機的轉速與電動機設計之間的關系之前,我們需要先了解一下什么是三相異步電動機。三相異步電動機是一種常見的交流電動機,它由定子和轉子組成。定子
2024-02-26 10:03:35
1981 轉速不隨負載變化的是 同步電動機 。 同步電動機的轉速是由電源頻率和電動機的極對數決定的,其轉速與負載的大小無關,因此被稱為恒轉速電動機。具體來說,同步電動機的轉速n與電源頻率f、電動機的極對數p
2024-08-23 16:01:54
1821 當電動機的轉速不穩定或者出現異常時,首先需要檢查的是電源電壓是否波動。不穩定的電源電壓會使電動機的轉速發生變化,從而影響其正常運行。在某次對電源質量要求較高的設備上,就曾遇到過因電源電壓波動導致
2024-09-14 17:25:12
3350 。 我們需要了解電動機轉速的基本計算公式:n=60f/p(1-s)。在這個公式中,n代表電動機的同步轉速,f是供電系統的電源頻率,p表示電機的極對數,而s則是轉差率,即實際轉速與同步轉速之間的差異與同步轉速之比。這個公式是理解電
2024-09-19 16:44:17
3732
評論