79AL1565高壓板圖紙相關資料分享
2021-05-20 06:19:55
AIC1084GMTR
2023-03-29 21:54:06
AIC1896GGTR
2023-03-29 17:55:50
B82144B1565J000 - Inductors - EPCOS
2022-11-04 17:22:44
B82442A1565A000 - SMT inductors - EPCOS
2022-11-04 17:22:44
ECQE1565MFF - Plastic Film Capacitors - Panasonic Semiconductor
2022-11-04 17:22:44
LTC1565-31IS8
2023-03-28 13:13:44
EVAL BOARD NCP1565TELECG
2023-03-30 11:56:21
COVER ABS FOR PB-1565
2023-03-23 01:02:31
SY8029AIC
2023-03-29 21:43:37
同步PWM功率調節器AIC1567資料下載內容主要介紹了:AIC1567功能和特性AIC1567引腳功能AIC1567內部方框圖AIC1567典型應用電路
2021-03-31 07:39:39
開關電源芯片KA5Q1565RF資料下載內容包括:KA5Q1565RF引腳功能KA5Q1565RF內部方框圖KA5Q1565RF典型應用電路
2021-03-25 07:04:58
電源管理芯片ICE3A1565資料下載內容包括:ICE3A1565引腳功能ICE3A1565內部方框圖ICE3A1565典型應用電路
2021-03-23 07:08:45
電源管理芯片ICE3B1565資料下載內容包括:ICE3B1565引腳功能ICE3B1565內部方框圖ICE3B1565典型應用電路
2021-03-23 07:45:16
調試tlv320aic33的AGC功能時,發現該AGC幅頻特性較差,設定好目標增益,在輸入信號幅度相同情況下(比如都輸入vpp 500mv),頻率越高放大倍數越小,如2khz信號放大到1.5v了
2024-10-25 08:19:48
The TLV320AIC23B is a high-performance stereo audio codec with highly integrated analog
2008-07-29 08:50:39
76 MAX1565通過集成超高效升/降壓DC-DC轉換器以及三個輔助的升壓控制器為數碼相機和數碼攝像機提供完備的電源解決方案。MAX1565適用于2節、3節堿性或NiMH電池以及1節電鋰離子(Li+
2023-05-16 09:53:33
LTC?1565-31 是一款 7 階、連續時間、線性相位低通濾波器。LTC1565-31 的選擇性再加上其線性相位和動態范圍,使之適合于數據通信或數據采集系統中的濾波處理。濾波器衰減為 36dB
2023-07-03 09:17:34
AIC1187,pdf,datasheet
The AIC1187 is an ultra low dropout and highperformance linear regulator
2010-03-22 17:28:25
9 AIC1190 datasheet,pdf(Ultra LDO 1A Linear Regulator With Adjustable & Bypass Pin)
A low noise
2010-03-22 17:48:42
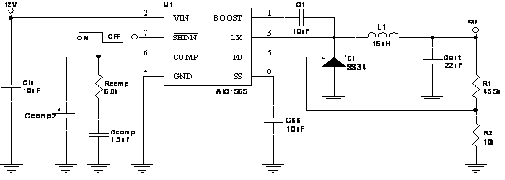
21 AIC1565 datasheet,pdf(High-Efficiency, 2A Step-Down DC-DC Converter)
The AIC1565 is a high
2010-03-22 17:50:00
41 AIC1748 datasheet,pdf(High PSRR, 600mA Linear Regulator With Bypass Pin)
A low noise, high PSRR
2010-03-22 17:51:37
41 AIC3643 datasheet,pdf(Built-in OVP White LED Step-Up Converter)
AIC3643 is a current-mode
2010-03-22 17:52:42
17 AIC3414 datasheet,pdf(1.2MHz, Synchronous Step-Up Converter in SOT23-6)
The AIC3414 step-up
2010-03-22 17:53:57
36 AIC2351 datasheet,pdf(Low-Noise Synchronous PWM/PFM Step-Down DC/DC Converter)
The AIC2351 is a
2010-03-22 17:55:05
46 AIC1952 datasheet,pdf(Dual Output Low ESR Cap.Low-Dropout 300mA Linear Regulator)
The AIC1952 is a
2010-03-22 17:56:40
36 AIC1790 datasheet,pdf(1 Cell Linear Lithium-Ion Battery Charger)
The AIC1790 is highly integrated
2010-03-22 17:57:55
27 Features• Full-featured evaluation board for the TLV320AIC11xx audio codec•
2010-06-23 11:19:37
0 TLV320AIC2
2010-06-24 16:43:23
8 TLV320AIC3
2010-06-24 16:49:57
4 TLV320AIC3
2010-06-24 17:25:24
12 ABSTRACTThe TLV320AIC3104 (AIC3104) is a versatile audio codec with multiple features. Whenfirst
2010-06-24 17:32:12
35 TLV320AIC3
2010-06-24 17:34:37
7 TLV320AIC3
2010-06-25 21:21:13
5 TLV320AIC3
2010-06-25 21:52:50
18 The TLV320AIC33, TLV320AIC3106and TLV320AIC34 high-performance, low-power stereoaudio codecs
2010-06-25 21:55:04
12 TLV320AIC3
2010-06-25 22:45:20
6 The TLV320AIC3110 is a low-power, highly integrated, high-performance codec which supports stereo
2010-06-25 22:49:02
29 and theAIC3110/AIC3100/AIC3120 EVM. Codec Control provides a graphical user interface for supported TIaudio codecs. The software is compati
2010-06-25 23:14:27
16 The TLV320AIC3120 is a low-power, highly integrated, high-performance codec which features a mono
2010-06-26 09:25:27
34 The TLV320AIC3204 (sometimes referred to as the AIC3204) is a flexible low-power, low-voltage
2010-06-26 09:29:07
33 TLV320AIC3
2010-06-26 09:33:13
5 The TLV320AIC3253 (sometimes referred to as the AIC3253) is a flexible, low-power, low-voltage
2010-06-26 09:36:32
10 The TLV320AIC3254 (sometimes referred to as the AIC3254) is a flexible, low-power, low-voltage
2010-06-26 09:44:20
36 TLV320AIC3
2010-06-26 09:50:04
9 The TLV320AIC36 (sometimes referred to as the AIC36) is a flexible, low-power, low-voltage stereo
2010-06-26 09:51:25
27 MLC1565-282 型號簡介 MLC1565-282是Coilcraft的一款電感器。這款電感器采用鐵氧體核心材料,最高工作溫度可達
2024-05-28 18:19:23
AIC1896電路圖
2008-01-05 09:03:19
2594 
基于AIC23語音接口及AGC方法的實現
摘要:針對語音接口常見的信號幅度動蕩的問題,設計了基于語音編解碼芯片AIC23和數字信號處理器TMS320VC5416的語音接口。研究了基于
2010-03-10 12:10:07
2664 
AIC1187的特性及應用電路
1A Ultra Low Dropout Linear Regulator
FEATURES Guaranteed 1A Output Current. Low Ground Current Wide Operating Voltage Ranges: 2.3V to
2010-03-22 17:31:08
744 
AIC1190的特性及應用Ultra LDO 1A Linear Regulator With Adjustable & Bypass Pin
FEATURES Guaranteed 1A Output Current. Fast Response in Line
2010-03-22 17:34:13
1446 
AIC1748的特性及應用Ultra Low Noise, High PSRR, 600mA Linear Regulator With Bypass Pin
FEATURES Guarantee 600mA Output Current. Fast Response in Line/
2010-03-22 17:37:47
1332 AIC3643的特性及應用
Built-in OVP White LED Step-Up Converter Download Complete Datasheet PDF
FEATURES Built-In Open
2010-03-22 17:39:18
1078 AIC3414的特性及應用
1.2MHz, Synchronous Step-Up Converter in SOT23-6
FEATURES Output Voltage Range: 2.5V to 4.0V
2010-03-22 17:41:02
1405 
AIC2351的特性及應用
Low-Noise Synchronous PWM/PFM Step-Down DC/DC Converter
FEATURES 2.5V to 5.5V Input Voltage Rang
2010-03-22 17:42:36
1267 AIC1952的特性及應用
Dual Output Low ESR Cap. Low-Dropout 300mA Linear Regulator
FEATURES Up to 300mA Output Current
2010-03-22 17:44:48
1332 
AIC1790的特性及應用1 Cell Linear Lithium-Ion Battery Charger
FEATURES Complete Linear Charger for 1 Cell Lithium-Ion Battery. Ideal for Low-Dr
2010-03-22 17:46:38
1616 
OM8370PS/N3/2/1565的檢測
2011-05-06 09:18:27
18024 TLV320AIC3204[1](簡稱AIC3204)是一款超低功耗立體聲音頻codec,由于其出色的音頻量化、處理性能以及超低的功耗設計,廣泛地應用在便攜式娛樂以及工業安防等語音設備中。本文從
2017-05-19 11:22:15
19 一個演示/測試系統已建成一個簡單的例子,使用tlv320aic20 / 21 / 24 / 25編解碼器。系統的硬件部分包括aic20 / 21 / 24 / 25的EVM板,AIC開發接口板,和一
2017-05-25 16:40:58
10 本應用報告確定EMI濾波的D類輸出級合適的組件 aic321x和aic326x音頻編解碼器。的aic321x和aic326x是高度集成,高性能從德克薩斯文書包括D類輸出級,可在filterfree
2017-05-26 14:51:12
10 TLV320AIC10 / 11設備框圖 TLV320AIC10 / 11設備包含模數轉換器(ADC)和數字到模擬轉換器(DAC)的數據路徑。ADC數據路徑包括運算放大器的輸入信號調理,輸入多路復用
2017-05-27 15:03:21
9 aic28是一個低功耗,高性能的音頻編解碼器與單聲道輸入立體聲輸出。有兩個數字總線接口上,aic28與主機處理器通信:SPI接口,I2S接口。SPI串行接口是主機處理器控制aic28,和音頻數據被
2017-05-27 15:51:32
10 本用戶指南描述的特點,操作和使用tlv320aic32evm,通過本身和對tlv320aic32evm-pdk部分。這評估模塊(EVM)是一個完整的立體聲音頻編解碼器與多輸入輸出,廣泛的音頻路由
2017-05-27 16:34:56
24 DSP入門系列--TLV320AIC23的編程實現
2017-10-20 14:21:41
27 摘要 TLV320AIC3204[1](簡稱AIC3204)是一款超低功耗立體聲音頻codec,由于其出色的音頻量化、處理性能以及超低的功耗設計,廣泛地應用在便攜式娛樂以及工業安防等語音設備中。本文
2017-11-16 11:11:41
46 TLV3AIC3104(AIC3104)是一種多功能音頻編解碼器,具有多個特點。
2018-05-22 11:46:02
35 TLV320AIC3254 社區視頻
2018-06-12 14:24:00
10654 電子發燒友網為你提供ADI(ti)LTC1565-31相關產品參數、數據手冊,更有LTC1565-31的引腳圖、接線圖、封裝手冊、中文資料、英文資料,LTC1565-31真值表,LTC1565-31管腳等資料,希望可以幫助到廣大的電子工程師們。
2019-02-22 12:42:39

電子發燒友網為你提供()NCP1565相關產品參數、數據手冊,更有NCP1565的引腳圖、接線圖、封裝手冊、中文資料、英文資料,NCP1565真值表,NCP1565管腳等資料,希望可以幫助到廣大的電子工程師們。
2019-04-18 21:21:10
DC1565A-演示手冊
2021-05-12 10:15:01
2 DC1565A-模式
2021-05-12 15:41:08
4 LTC1565-31:650 kHz連續時間,線性相位低通過濾數據表
2021-05-26 15:48:00
0 DC1565A-設計文件
2021-06-08 18:22:54
6 View the reference design for LTC1565-31_Typical Application. http://www.3532n.com/soft/ has
2021-07-06 10:47:00
0 View the reference design for DC1565A-E. http://www.3532n.com/soft/ has thousands of reference designs to help bring your project to life.
2021-07-08 16:06:32
1 電子發燒友網為你提供ADI(ti)DC1565A-C相關產品參數、數據手冊,更有DC1565A-C的引腳圖、接線圖、封裝手冊、中文資料、英文資料,DC1565A-C真值表,DC1565A-C管腳等資料,希望可以幫助到廣大的電子工程師們。
2021-08-11 11:00:03
電子發燒友網為你提供ADI(ti)DC1565A-B相關產品參數、數據手冊,更有DC1565A-B的引腳圖、接線圖、封裝手冊、中文資料、英文資料,DC1565A-B真值表,DC1565A-B管腳等資料,希望可以幫助到廣大的電子工程師們。
2021-08-11 10:00:02
電子發燒友網為你提供ADI(ti)DC1565A-D相關產品參數、數據手冊,更有DC1565A-D的引腳圖、接線圖、封裝手冊、中文資料、英文資料,DC1565A-D真值表,DC1565A-D管腳等資料,希望可以幫助到廣大的電子工程師們。
2021-08-10 08:00:03
電子發燒友網為你提供ADI(ti)DC1565A-A相關產品參數、數據手冊,更有DC1565A-A的引腳圖、接線圖、封裝手冊、中文資料、英文資料,DC1565A-A真值表,DC1565A-A管腳等資料,希望可以幫助到廣大的電子工程師們。
2021-08-10 08:00:03
電子發燒友網為你提供ADI(ti)DC1565A-E相關產品參數、數據手冊,更有DC1565A-E的引腳圖、接線圖、封裝手冊、中文資料、英文資料,DC1565A-E真值表,DC1565A-E管腳等資料,希望可以幫助到廣大的電子工程師們。
2021-08-09 15:00:03
電子發燒友網為你提供ADI(ti)DC1565A-H相關產品參數、數據手冊,更有DC1565A-H的引腳圖、接線圖、封裝手冊、中文資料、英文資料,DC1565A-H真值表,DC1565A-H管腳等資料,希望可以幫助到廣大的電子工程師們。
2021-08-10 02:00:02
電子發燒友網為你提供ADI(ti)DC1565A-F相關產品參數、數據手冊,更有DC1565A-F的引腳圖、接線圖、封裝手冊、中文資料、英文資料,DC1565A-F真值表,DC1565A-F管腳等資料,希望可以幫助到廣大的電子工程師們。
2021-08-09 17:00:04
View the reference design for SC1565_Typical Application. http://www.3532n.com/soft/ has
2021-08-20 09:54:47
1 View the reference design for NCP1565TELECGEVB. http://www.3532n.com/soft/ has thousands of reference designs to help bring your project to life.
2021-09-06 10:15:56
1 SPTECH硅NPN功率晶體管2SD1565規格書
2021-12-18 09:25:55
12 SPTECH硅NPN功率晶體管2SB1565產品手冊免費下載。
2022-03-09 14:09:31
1 UM1565_STM32F37xx/38xx標準外設庫的描述
2022-11-22 08:21:50
0 UM1565_STM32F37xx_38xx標準外設庫介紹
2022-11-22 08:22:12
1 電子發燒友網為你提供Maxim(Maxim)MAX1565ETJ+T相關產品參數、數據手冊,更有MAX1565ETJ+T的引腳圖、接線圖、封裝手冊、中文資料、英文資料,MAX1565ETJ+T真值表,MAX1565ETJ+T管腳等資料,希望可以幫助到廣大的電子工程師們。
2023-07-14 09:43:21

電子發燒友網為你提供Maxim(Maxim)MAX1565ETJ+相關產品參數、數據手冊,更有MAX1565ETJ+的引腳圖、接線圖、封裝手冊、中文資料、英文資料,MAX1565ETJ+真值表,MAX1565ETJ+管腳等資料,希望可以幫助到廣大的電子工程師們。
2023-07-14 09:47:13

電子發燒友網站提供《TLV320AIC3206應用參考指南.pdf》資料免費下載
2024-10-18 09:57:40
1 電子發燒友網站提供《TLV320AIC32x4睡眠和待機模式.pdf》資料免費下載
2024-10-18 09:43:26
0 電子發燒友網站提供《TLV320AIC31xx和TLV320DAC31xx功耗特性.pdf》資料免費下載
2024-10-18 09:42:07
0 電子發燒友網站提供《TLV320AIC33和TLV320AIC310x系列的耳機檢測.pdf》資料免費下載
2024-10-18 09:33:04
0 電子發燒友網站提供《TLV320AIC3254應用程序參考指南.pdf》資料免費下載
2024-10-18 09:24:55
5 電子發燒友網站提供《TLV320AIC3204的設計和配置指南.pdf》資料免費下載
2024-10-21 09:57:21
8 電子發燒友網站提供《在AIC33EVM/USB-MODEM系統的TLV320AIC33上使用數字麥克風功能.pdf》資料免費下載
2024-10-22 09:25:24
0 電子發燒友網站提供《在TSC210x/AIC26/AIC28/DAC26器件中使用PGA功能.pdf》資料免費下載
2024-10-23 10:26:53
0 電子發燒友網站提供《TLV320AIC3256EVM-U評估模塊.pdf》資料免費下載
2024-12-21 09:01:09
0
評論