最近一直在做有關電源方面的芯片,尤其是電壓在一定范圍內(一般3-12V即可)可調和穩定固定輸出電壓的芯片,并且使得輸出的電壓紋波盡量最小,以便來給不同電壓要求的運放或者其它精密芯片供電。因為在做儀器儀表或者精確濾波電路的時候對電壓的穩定性和輸出平整度要求較高,所以對比多種器件的功能應用,以便將綜合性能最好的芯片用于后續的使用中。
TL499ACP的典型應用
此款芯片通過調節外部的兩個電阻能夠提供2.9-30V的寬電壓變化范圍,它通過降壓變壓器經由交流耦合與后續電路連接,它的操作和直流電壓調整器一樣維持限定的輸出電壓。加入一節1.1-10V的電池、一個感應器、一個濾波電容、兩個電阻,在交流線路故障時,此芯片能夠進行步進限定電壓調節,尤其適用于寬電壓范圍,可調節的限定電壓使得此芯片對于寬電壓變化范圍的應用廣泛,交流故障中后備電源使得此芯片在微控制器的存儲器應用上極具效果。

圖1 TL499ACP管腳分布圖

圖2 典型應用電路
RE1滑動變阻器選取10K左右一般可行,其他按照所示參數選取步進開關校準器中對于不同的RCL、Cf和Cp最大輸出電流和輸入輸出電壓均有不同,當此三參數選取不同值時對應最大輸出電流和輸入輸出電壓值如以下各表所示:





這三個關鍵原器件選取時最好是選用貼片式的精密電容、電阻,這對于輸出電壓電流的穩定性和精確性很重要,特別指出的是,最終輸出的電流都不是很大,所以在帶動負載方面性能不是很好,建議應用在小負載的電路以及芯片供電電路中。
TL2575的典型應用
在上面提到的芯片在做供電電源方面有負載不大的問題,那么以下敘述的芯片帶動負載能力就很強了。據說還可以實現正負電壓的轉換(求指教),下面詳細說明:
此芯片既可以輸出穩定的固定電壓(3.3V,5V,12V,15V),又可以實現電壓從1.23-37V可調,輸入電壓范圍很寬(4.75-40V),并且輸出電流能夠最大達到1A,芯片的效率可以達到80%以上。外部僅需添加4-6個元器件即可達到要求,其自身具有頻率補償的功能。

圖1 管腳分布圖

圖2 典型應用電路
對于此電路圖,一般出于穩定考慮,輸入旁路電容盡量安置在芯片的最近處,環境溫度低于25攝氏度時,要將輸入電壓的值增大一些。而且多數情況下電解電容會降低容值,因此為保證輸出準確可以將一片陶瓷電容或者鉭電容和電解電容并聯接入電路中。
通常情況下為了環路的穩定和過濾紋波電壓將一片電容接在距輸出端極近處,此電容值的選擇原則一般是電容的過濾52KHz紋波電流至少是峰峰值紋波電流的1.5倍。
電感器與環流二極管連接在距輸出端較近處用以濾除噪聲,但是普通的二極管不能夠勝任此工作,需選用開關速度較大、并且不會產生過多的壓降的肖特基二極管,電感器不能超過其額定電流否則會導致芯片過熱。
對于電感的選擇上面則相應的對應兩種模式——連續模式和非連續模式,但是在多數情況下連續模式更加常用一些,此種模式下利用低的電流就能夠提供較高的功率,還能夠保證輸出低紋波電壓。在開關頻率處最終輸出還是有鋸齒形的紋波電壓,可能和輸出電容的選擇有關,此外輸出也包含小的突增瞬間電壓,這會出現在鋸齒波的峰值處,這是快速開關和寄生電感的影響,這些小的毛刺電壓可以通過低感應系數的電容濾除。反饋部分必須和輸出有電氣連接。
以下是固定輸出和可調輸出電壓高負載電路圖(可以直接使用):

圖3 固定輸出電路

圖4 輸出可調電路
LM317的典型應用
上面討論的芯片帶動負載能力已經能夠符合一般情況下的使用,本次的LM317的突出特點是其輸出電流能夠達到1.5A,為高負載提供了更多的選擇。另外,它的輸出電壓調節范圍也較寬,1.25-37V,芯片內部有短路電流限制和熱過載保護。只用兩個電阻就可以調節輸出電壓的大小,使用很方便。

圖1 管腳分布圖
下面討論下它的典型應用:
應用一:

圖2 可調電壓校準器
電路圖中Ci不是必要的,但是在距調整較遠的情況下最好連入電路中,它能夠提供充足的旁路電流,特別是在實現電壓調整和接入輸出電容時更加需要。CO能夠提供短暫的應答,對于本電路不是必須的,輸入電壓按照下式計算:

其中Iadj因為電流很小對于電路影響不大可以忽略不計。Cadj能夠提高紋波抑制,限制在提高輸出電壓時對紋波電壓升高。
應用二:

圖3 0-30V電壓可調電路
輸出電壓如下所示:
![]()
同樣,Aadj可以忽略不計。
應用三:

圖4 精密限流電路
此電路很簡單了,只需要提供給ADJUST一個反饋即可通過控制R1的大小來控制輸出電流的大小。
應用四(電池充電電路):

圖5 常用電池充電電路
此電路的輸出阻抗取決于Rs和R1、R2,輸出阻抗Z=Rs(1+R2/R1)

圖6 50mA恒定電流充電器

圖7 限流6V充電電路
此電路通過R3設置峰值電流,當R3為1歐姆時充電電流能夠達到0.6A。
MC34063的典型應用
在前幾次使用的都是升壓降壓的芯片,本次使用的不止有升壓降壓的功能,而且還有提供負電壓的功能,便于為雙電源運放供電。但是一般的電壓轉換芯片輸出電流都不是很大,在外部硬件配置后,本次使用的芯片能夠將輸出電流提高到1.5A,充分滿足大電流的需要,選擇合適的輸入電壓能夠提供強大的帶負載能力。
此芯片的輸入電壓范圍為3-40V,內部振蕩器頻率能夠達到100KHz,想要說明的是,最低輸入電壓達到3V,在使用中輸入電壓很低時(接近3V)同時又要求升壓后的電壓達到10V以上,那么帶動負載的能力就稍低了,因為功率器件本身使自己工作就要單獨提供1.3V左右的電壓,那么如果提供的輸入電壓是3.3V的話,能夠轉化的電壓也就只有2V,如果最后提升的電壓太大的話,電流就會降低,帶動負載的能力還是不強的。
下面看下它的管腳

圖1 管腳分布圖

圖2 內部原理圖

圖3 升壓轉換器
圖中1N5819是肖特基二極管,其導通壓降小,能夠保證最后輸出端電壓的精度,升壓的大小由R1、R2兩個電阻來調節設定,其計算公式如下VOUT=1.25(1+R2/R1)。輸出電流的大小主要由電感L的值來確定,電感大的話儲能多,輸出電流就會大些,反之相對較小。
需要較大的輸出電流時,其芯片的外圍配置作如下變換設置:

圖4 1.5A輸出電流升壓轉換器
注:前后兩圖分別對應NPN和PNP型三極管

圖5 降壓轉換器
同升壓轉換器外圍器件種類選擇大體相同,輸出電壓計算公式如下:VOUT=1.25(1+R2/R1),輸出電流只有500mA,想要大電流輸出的話按照如下電路連接即可:

圖6 1.5A輸出電流降壓轉換器
注:前后兩圖分別對應NPN和PNP型三極管
對于正負電壓供電的運放或者由負電壓提供參考的電路,可以選擇下面的負電壓產生電路:

圖7 負電壓轉化器
其輸出電壓計算公式如下:VOUT=-1.25(1+R2/R1),輸出電流為100mA,大電流輸出電路如下:

圖8 1.5A輸出電流反相電壓轉換器
由于本芯片電路中各個參數計算復雜,現把各個參數計算方法奉上:
表1 參數計算表

注:Vsat=輸出開關的飽和電壓,VF=輸出整流器的導通電壓。
TL431的典型應用
1特性:
TL431有良好的熱穩定性,輸出電壓用兩個電阻就可以任意地設置到從Vref(2.5V)到36V范圍內的任何值,典型動態阻抗為0.2Ω,在很多應用中可以用它代替齊納二極管,例如,數字電壓表,運放電路、可調壓電源,開關電源等等,參考電壓源誤差±1.0%,低動態輸出電阻,典型值為0.22Ω,輸出電流1.0~100mA;全溫度范圍內溫度特性平坦,典型值為50ppm,低輸出電壓噪聲。

圖1 管腳圖
2 工作原理
該芯片的內部等效電路如圖2所示。由輸入級、穩壓基準、差分放大器、復合管、輸出級構成,兩個二極管均為反向極向保護,引線端子REF為參考電壓輸入端,ANODE為公共陽極端,CATHODE為輸出陰極端。

圖2 內部電路原理圖
其等效功能框圖如圖3所示。其中REF為基準電壓(REF=2.5V),運放為同相放大器,三極管并聯型調整管(總增益A0≥1000倍),二極管為饋電支路。

圖3 等效功能框圖
Vref是一個內部的2.5V基準源,接在運放的反相輸入端。由運放的特性可知,只有當REF端(同相端)的電壓非常接近Vref(2.5V)時,三極管中才會有一個穩定的非飽和電流通過,而且隨著REF端電壓的微小變化,通過三極管的電流將從1到100mA變化。
3 技術指標
TL431的電氣參數見表1
表1 TL431電氣參數
參數名稱稱號測試條件TL431單位
mintypemax
基準電壓VRVKA=VR,IK=10mA244024952550mV
基準電壓溫漂STST=ΔVR/VR/ΔT±5*±30±50ppm/℃
基準電壓調整率SVSV=ΔVR/ΔVKA0.4*-1-2mV/V
參考端輸入電流IRIK=10mA0.5*24μA
最小陰極電流IKAminVKA=5V0.2*0.41mA
最大陰極電流IKAmaxVKA=5V100120150*mA
最小陰極電壓VKAmin(略)2.2*2.52.6V
最大陰極電壓VKAmax(略)36*3744V
最大耗散功率PD(略)7009001300mW
該器件的主要技術指標為:
●基準電壓溫漂小:≤±50ppm/℃;
●基準電壓精度高:2.5V±1%;
●輸出噪聲電壓低:≤100μVpp;
●穩壓范圍寬:(2.5~36)V連續可調;
●負載電流范圍大:(1.0~100)mA。
4 典型應用實例
穩壓基準
許多穩壓基準的負載能力都很小,端電壓調節也不方便,而由TL431構成的穩壓基準溫漂小,又有相當的負載能力,且輸出電壓連續可調,電路簡單。當在REF端引入輸出反饋時,器件可以通過從陰極到陽極很寬范圍的分流,控制輸出電壓。如圖4所示的電路,當R1和R2的阻值確定時,兩者對Vo的分壓引入反饋,若Vo增大,反饋量增大,TL431的分流也就增加,從而又導致Vo下降。選擇不同的R1和R2的值其電壓調節范圍為2.5V~36V,當R1短路或R2斷路時,Uo=VR=2.5V,在選擇電阻R時必須保證TL431工作的必要條件,就是通過陰極的電流要大于1 mA。
理論上以圖4分析方便些,但是實際應用中典型接線如圖5所示,輸出電壓由下式確定:U0=[1+(R1/R2)]·Vref (Vref=2.5V),由于承受電壓與(Vi –Vo)有關,因此 壓差很大時,R的功耗隨之增加,使用時應該注意。

圖4 并聯穩壓器

圖5 大電流分流穩壓器
5V固定輸出:

圖6 高效5V精密穩壓器
過電壓保護電路:
當Vi超過一定電壓時,TL431觸發,使晶閘管導通,產 生瞬間大電流,將保險絲熔斷,從而保護后極電路。V保護點=(1+R1/R2)Vref

圖7 過壓保護電路
電壓監視器:
利用TL431的轉移特性,組成實用電壓監視器。當電壓處于上下限電壓之間時LED點亮,上限電壓 1/(R1+R2)Vref,下限電壓1/(R3+R4)Vref。選擇R3R4時使通過陰極的電流大于1mA。

圖8 電壓監視器
比較器:
它是巧妙的運用了Vref=2.5v這個臨界電壓。當Vi《Vref時,V0=V+當Vi》Vref時,Vo=2V由于TL431內阻小,因而輸入輸出波形跟蹤良好。

圖9 具有溫度補償的比較器
恒流源電路:
恒流值與Vref和外加電阻有關,功率晶體管選用時要考慮余量。該恒流源如與穩壓線路配接,可做電流限制器用。

圖10 恒流源電路
TL494的典型應用
TL494常應用于電源電路當中,它用于固定頻率脈寬調制電路,它包含了開關電源控制所需的全部功能,廣泛應用于單端正激雙管式、半橋式、全橋式開關電源。
它的主要特性如下:
1.集成了全部的脈寬調制電路。
2.片內置線性鋸齒波振蕩器,外置振蕩元件僅兩個(一個電阻和一個電容)
3.內置誤差放大器。
4.內置5V參考基準電壓源。
5.可調整死區時間。
6.內置功率晶體管可提供500mA的驅動能力。
7.推或拉兩種輸出方式。

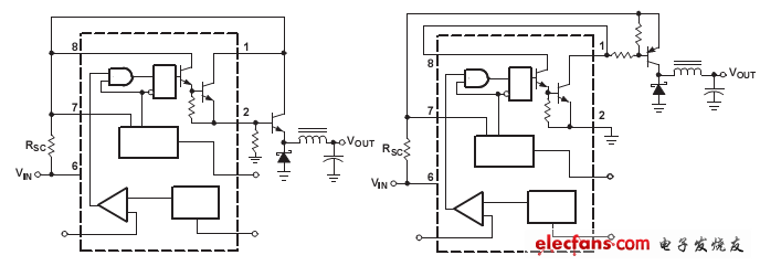
圖1 管腳分布圖
如上圖所示,3管腳為反饋PWM比較器輸入,4管腳為死區時間控制端口
它的工作原理:
TL494是一個固定頻率的脈沖寬度調制電路,內置了線性鋸齒波振蕩器,振蕩頻率可通過外部的一個電阻和一個電容進行調節,其振蕩頻率如下:F=1.1/(RT*CT),其最高振蕩頻率可達300kHz,既能驅動雙極性開關管,增設灌電流通路后,還能驅動MOSFET開關管。
輸出脈沖的寬度是通過電容CT上的正極性鋸齒波電壓與另外兩個控制信號進行比較來實現。
功率輸出管Q1和Q2受控于或非門,當雙穩觸發器的時鐘信號為低電平時才會被選通,即只有在鋸齒波電壓大于控制信號期間才會被選通。當控制信號增大,輸出脈沖的寬度將減小。
輸出驅動電流單端到達400mA,能直接驅動峰值電流達5A的開關電路。雙端輸出脈沖峰值為2×200mA,加入驅動級即能驅動近千瓦的推挽式和橋式電路。
控制信號由集成電路外部輸入,一路送至死區時間比較器,一路送往誤差放大器的輸入端。死區時間比較器具有120mV的輸入補償電壓,它限制了最小輸出時間,死區時間約等于鋸齒波周期的4%,當輸出端接地,最大輸出占空比為96%,而輸出端接參考電平時,占空比為48%。當把死區時間控制輸入端接上固定的電壓(范圍在0—3.3V之間)即能在輸出脈沖上產生附加的死區時間。
脈沖寬度調制比較器為誤差放大器調節輸出脈寬提供了一個手段:當反饋電壓從0.5V變化到3.5V時,輸出的脈沖寬度從被死區確定的最大導通百分比時間中下降到零。兩個誤差放大器具有從-0.3V到(Vcc-2.0)的共模輸入范圍,誤差放大器的輸出端常處于高電平,它與脈沖寬度調制器的反相輸入端進行“或”運算,正是這種電路結構,放大器只需最小的輸出即可支配控制回路。
當比較器CT放電,一個正脈沖出現在死區比較器的輸出端,受脈沖約束的雙穩觸發器進行計時,同時停止輸出管Q1和Q2的工作。若輸出控制端連接到參考電壓源,那么調制脈沖交替輸出至兩個輸出晶體管,輸出頻率等于脈沖振蕩器的一半。如果工作于單端狀態,且最大占空比小于50%時,輸出驅動信號分別從晶體管Q1或Q2取得。輸出變壓器一個反饋繞組及二極管提供反饋電壓。在單端工作模式下,當需要更高的驅動電流輸出,亦可將Q1和Q2并聯使用,這時,需將輸出模式控制腳接地以關閉雙穩觸發器。這種狀態下,輸出的脈沖頻率將等于振蕩器的頻率。

圖2 內部原理圖
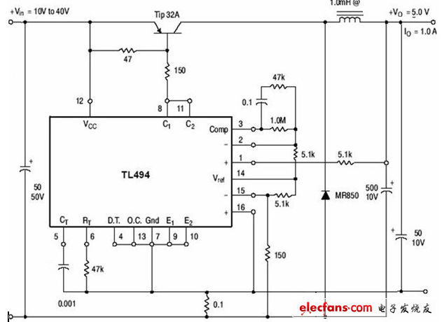
以下兩圖為TL494的兩個典型應用,第一個位5V電壓輸出的大電流(1A)電源電路,第二個為28V升壓電路,輸出電流為0.2A。

圖3 典型應用一

圖4 典型應用二
電子發燒友App

















評論