本文詳細介紹了直流穩壓電源的制作、檢測與管理方法。
2014-09-03 15:58:29
12408 
電力公司采用分時電價體系,以鼓勵人們在用電高峰時節約用電。這些不同的電價時段稱為費率時段,這種計費方法稱為靈活的費率管理方法。本電表參考設計采用了MAXQ3120微控制器,能夠滿足多費率電表的各種
2020-11-13 10:23:47
3381 8051微控制器是嵌入式系統、消費電子、汽車等各個領域中最流行和最常用的微控制器之一,技術上稱為Intel MCS-51架構。8051微控制器系列是由Intel公司在1980年開發,在80年代非常流行(當然現在也很流行)。
2022-09-12 17:32:00
4165 
在開發嵌入式系統時,其中一個選擇是將計算硬件基于微控制器,而不是微處理器MPU。這兩種方法都有其吸引力,但通常它們將在不同的應用中找到。通常,微控制器MCU可用于大小,低功耗和低成本是關鍵要求
2021-11-03 06:45:31
在開發嵌入式系統時,其中一個選擇是將計算硬件基于微控制器,而不是微處理器MPU。這兩種方法都有其吸引力,但通常它們將在不同的應用中找到。通常,微控制器MCU可用于大小,低功耗和低成本是關鍵要求
2021-11-11 09:09:42
的電流,所以不需額外電源。微控制器功耗管理模式在嵌入式應用中常見的節省功耗方法為,當系統對微控制器的資源需求很低時,定時讓微控制器進入休眠模式。在范例中,系統每隔 2 秒進行一次測量;如果實際上需要
2020-02-06 07:00:00
微控制器是將微型計算機的主要部分集成在一個芯片上的單芯片微型計算機。微控制器誕生于20世紀70年代中期,經過20多年的發展,其成本越來越低,而性能越來越強大,這使其應用已經無處不在,遍及各個領域
2021-09-10 06:21:27
微控制器廣泛應用于各種小型電器,隨著技術的發展,其不但價格低廉,而且功能越來越強大。由于家用電器、手持式消費電子產品、手持式通信裝置和車用電子等領域的市場推動,微控制器的使用量越來越大而且表現出
2019-06-25 06:19:25
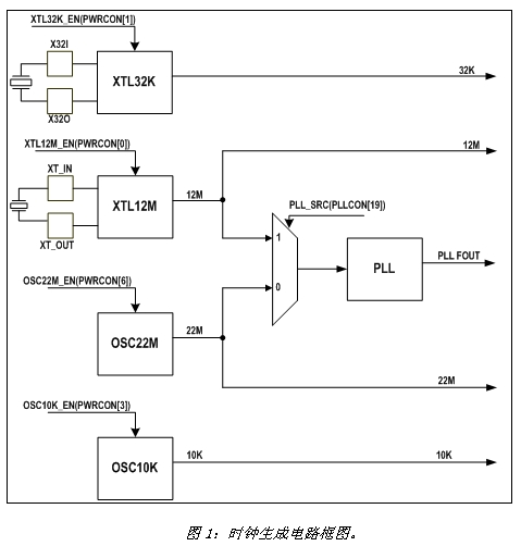
本應用筆記為使用AT32系列微控制器芯片的硬件設計人員提供參考設計,包括供電電源要求、時鐘管理、復位管理、調試接口的管理。它說明了使用AT32系列微控制器芯片所需的最低硬件資源。文中介紹了有關硬件
2023-10-25 07:54:01
MPC5642A 微控制器是否支持 CANOpen?
我正在使用 MPC5642A 微控制器,這個微控制器有 CANbus 接口。我想用這個微控制器與一個帶有 CANopen 接口的傳感器通信,我該怎么做,你能幫忙嗎?MPC5642A 微控制器是否支持 CANOpen?
2023-06-09 06:29:21
NXP 的哪個微控制器與(ST)的 SPC560P50L5 微控制器一模一樣?
2022-12-16 07:52:47
STM32F103的中斷管理方法是什么?如何對STM32F103中斷進行分組呢?
2021-11-16 08:42:54
中斷管理方法STM32中斷有0-4 5個分組,對每個中斷設置一個搶占優先級和響應優先級。分組配置是在寄存器SCB->AIRCR中配置:AIRCR[10:8] IP[7:4]分配情況分配結果01110:40位搶占優先級,4位響應優先級1...
2021-08-13 09:03:22
STM32系列32位微控制器有哪些特點?STM32系列32位微控制器是如何進行劃分的?分為哪幾類?
2021-09-22 07:08:42
STM8微控制器有哪些類型
2020-11-11 08:02:46
orcad庫管理方法,PCB集成方法
2014-09-01 23:56:12
司的Cortex微控制器時鐘控制和應用程序設計等實踐內容,另外還包括μC/OS移植和UML設計方法。本書有兩個主要目的,一是普及高端MCU,不要再面向寄存器編程,而要使用庫函數;二是體現Cortex
2014-03-13 11:35:46
Cortex—M3內核結構特點和Thumb-2指令集,及其與ARM其他內核的比較。詳細闡述意法半導體(ST)公司STM32系列ARM Cortex—M3微控制器的編程模型、存儲器結構、異常處理、電源管理、時鐘
2014-03-13 14:05:54
就執行自動波特率功能,并與主機的波特率同步。如圖1所示是在系統編程的物理連接.簡單的引導加載程序接口允許使用幾種方法來實現PC機與目標微控制 器間的通信。最簡單的方法是使用Dallas的微控制器工具包
2011-11-14 14:30:49
遇到了很多專業性的名詞無法理解,或者就是有點雜亂,現在整理一下查找的資料,希望對想要學習的同學有所幫助吧。??奈何水平有限,無法自己整理出一份屬于自己的見解,希望之后有機會吧~~~資料一 ······ 綜述(參考鏈接)什么是微控制器???微控制器可以與一***立的計算機相媲美; 它是一個功能非
2021-09-10 06:21:47
這種低精度的應用中,它們是簡化設計和節省電路板空間的方便而有效的方法。微控制器可以集成各種類型的電源電路。集成電壓調節器允許在芯片上產生所需的電源電壓,可以使用電源管理模塊顯著減少設備在非活動狀態下的電流消耗,并且當電源電壓不夠高時,監控模塊可以將處理器置于穩定的復位狀態,以確保可靠的運行。
2022-04-11 10:14:06
在開發嵌入式系統時,其中一個選擇是將計算硬件基于微控制器,而不是微處理器MPU。這兩種方法都有其吸引力,但通常它們將在不同的應用中找到。通常,微控制器MCU可用于大小,低功耗和低成本是關鍵要求
2022-10-29 10:56:07
本文討論了使用微控制器SPI訪問具有非標準SPI接口的ADC的方法。這些方法可以直接使用,也可以稍加調整即可控制ADC SPI;其可作為SPI主機使用,也可以與多條DOUT線配合使用以提高吞吐速率。
2021-01-07 06:20:36
大家好,STM32L0 系列微控制器通過 UART 閃存,但 STM32G0 系列微控制器不是能夠通過 UART 閃爍。所以問題是“使用 UART 閃存 STM32G0 系列微控制器的方法是什么”
2022-12-21 06:02:40
在STM32微控制器中如何使用PWM?
2021-09-24 10:02:51
如何使用STM32微控制器的DAC生成音頻和波形?
2021-11-19 06:06:22
PWM具有什么屬性?如何利用微控制器實現PWM?有什么方法?
2021-05-11 06:11:49
怎樣去設計RTU微控制核?RTU設備有哪些特點?如何去設計RTU微控制器?
2021-04-19 09:49:40
我想制作一個項目,以盡可能快的方式在幾個微控制器之間進行通信。我的想法是這樣的,我有10個微控制器,其名稱將為1 ... 10:我希望1接收一個數字作為輸入(來自用戶的輸入),并將其發送到2. 2將
2018-09-06 14:36:48
晚上好,如何將微控制器與FPGA連接?如何使用微控制器配置FPGA?如何使用微控制器或軟件程序為FPGA創建.bit文件以使用微控制器配置FPGA?任何人都可以告訴發送與這些排隊相關的文件....提前致謝問候Vimala
2020-03-25 09:22:18
我正在設計一個帶有PIC18f2520微控制器的PCB,我想知道我是否能用pickit3給微控制器供電,因為我已經把微控制器的vdd引腳連接到電壓調節器上。如果電壓調節器上沒有電壓輸入,這會影響電壓調節器嗎?
2020-05-11 06:44:36
為產品選擇正確的微控制器可能是項令人怯步的任務。您不僅要思考許多技術特性,還要考慮成本和備貨時間等會削弱項目的業務方面問題。在項目初期,您會有立即動手的沖動,想要在商定系統的細節之前開始選擇微控制器
2021-01-26 07:29:47
詳解微處理器和微控制器區別
2021-01-29 06:39:39
通過對傳統MCS-51單片機指令時序和體系結構的分析,使用VHDL語言采用自頂向下的設計方法重新設計了一個高效的微控制器內核。
2021-04-13 06:10:59
有什么方法可以引進微控制器系統級芯片嗎?
2021-04-30 06:57:41
物聯網的微控制器需求趨勢+應用技巧
2021-01-27 07:00:00
的信息或者更快地向外部主機傳送信息?! ? 什么類型的ADC可包含在精密模擬微控制器中? 可以使用多種方法實現ADC。微控制器中采用的兩種常用方法包括Σ-ΔADC和逐次逼近(SAR)型ADC。盡管
2011-08-19 11:41:51
作者:凌朝東 柯志斌1.引言 微控制器(Microcontroller)自上世紀70年代出現以來,在將近30年的時間里得到了迅猛的發展和廣泛的應用。隨著微電子技術的飛速發展,微控制器以其性能好
2019-06-24 07:35:21
高性能模擬與混合信號IC領導廠商Silicon Laboratories (芯科實驗室有限公司, Nasdaq: SLAB)日前推出業界最低功耗的微控制器(MCU)系列,以符合在強調省電各種應用中提
2019-07-29 07:43:06
怎樣去挑選一款合適的微控制器呢?選擇微控制器的步驟有哪些呢?
2021-11-04 06:25:16
當前頻譜管理存在的問題新型頻譜管理方法
2021-01-26 07:49:23
微控制器的抗干擾軟件編程方法:微控制器越來越多地用于各種電子應用之中,例如自動化、工業控制和用戶產品市場中。隨著金屬氧化物半導體的硅晶體管幾何尺寸的不斷下降,系
2009-04-28 11:44:11
27 利用PSD301微控制器外圍和微控制器設計智能發送器
2009-05-13 13:48:51
20 本文主要介紹了網絡中常用的兩種隊列管理方法:先進先出(FIFO)和隨機提前檢測(RED),并且通過實驗比較了這兩種隊列管理方法在解決網絡擁塞控制方面的表現,體現了研究
2009-05-25 11:24:13
9 利用軟件技術擴展嵌入式微控制器功能的方法:利用軟件技術在PIC16C5X系列8 位微控制器上實現了中斷和堆棧的軟件管理, 克服了由于其硬件資源不足而給應用帶來不便的缺陷; 同時,
2009-06-28 13:12:33
10 介紹一種以8051微控制器和82527獨立CAN總線控制器為核心組成的CAN總線智能傳感器節點的設計方法,并給出其硬件原理圖和初始化程序。
2009-07-17 08:41:16
26 從汽車用材料的特點, 說明材料技術管理方法在汽車生產管理中的應用。關鍵詞: 汽車材料 技術管理 方法 應用Abstract: Based on the character that the automobile usesmaterials, the app lica
2009-07-27 09:08:44
12 設計安全合理的密鑰管理方法是解決無線傳感器網絡安全性問題的核心內容?;贓xclusion Basis System(EBS)的動態密鑰管理方法由于安全性高,動態性能好,節約存儲資源,受到了廣泛
2009-11-18 15:25:49
14 微控制器/模擬應用中電源、接地和噪聲的管理:除了微控制器,微控制器應用經常包括低電平傳感器信號和適當的電源驅動電路,需要小心設計電源和接地。本文將討論噪聲源和噪
2009-11-19 23:23:26
13
從高速微控制器系列向超高速閃存微控制器的升級
摘要:多種原
2008-08-13 13:29:32
898 AT73C224 四信道功率管理單元,面向32位微控制器
愛特梅爾公司(Atmel Corporation)宣布推出“Analog Companion”功率管理單元AT73C224,專為基于32 位微控制器 (
2008-10-17 08:39:35
1467 微控制器/模擬應用中電源、接地和噪聲的管理
除了微控制器,微控制器應用經常包括低電平傳感器信號和適當的電源驅動電路,需要小心設計電
2010-01-12 16:34:40
1118 
微控制器/模擬應用中電源、接地和噪聲的管理
微控制器/模擬應用中電源、接地和噪聲的管理
除了微控制器,微控制器應用經常包括低電平傳感器信號和適
2010-01-16 09:01:41
1088 
如何讓微控制器性能發揮極限如今微控制器需要執行廣大范圍的任務,包括管理實時控制算法、解碼高速通信協定,以及處理高頻傳感器發出的信號
2010-03-16 14:40:44
711 
微控制器的開發方案
微控制器開發團隊與編譯器開發人員的合作成果是生成的代碼效率更高,性能更好。本文介紹的是為了使ATMEL AVR微控制器系列
2010-05-04 10:36:56
1128 
介紹一種在微控制器上實現PPP協議,并使其控制GPRS模塊通過GPRS連入Internet的方法;介紹GPRS技術和GPRS模塊的使用方法;重點介紹微控制器軟件的層次結構和PPP協議的實現方法。
2011-04-16 21:56:42
3109 
一種基于ARMCortex微控制器的相位差檢測方法
2017-09-26 09:46:28
5 基于LPC1000系列微控制器的校驗和自動填充實現方法
2017-10-09 10:40:19
9 針對 C2000 微控制器的集成微控制器 (MCU) 電源解決方案
2017-10-13 10:43:18
9 現有的內存管理的工作多集中在內存分配的效率上,實時性較好,但易產生內存碎片。為此,提出基于線段樹的高效內存管理方法。該方法將內存地址空間劃分為內存段,建立內存管理線段樹,基于所建立的內存管理線段樹
2017-12-27 14:06:42
2 據悉,2017年11月28日,深圳市科陸電子科技股份有限公司申請了一項國家發明授權專利——集中抄表系統采集器及電表資產編號搜集管理方法。本發明涉及集中抄表系統,尤其是采集器及電表資產編號搜集管理方法。
2018-07-15 10:19:00
3659 
今天為大家介紹一項國家發明授權專利——智能電能表雙控制器的數據管理方法。該專利由威勝集團有限公司申請,并于2018年10月9日獲得授權公告。
2018-12-04 15:15:23
1521 
微控制器廣泛用于測量各種物理變量。測量中涉及的技術對于單個變量類型可能有所不同,并且主要基于要測量的變量的特性。本教程介紹了一些使用微控制器測量電容器電容的方法。該技術利用電容器本身的特性,因此具有通用性,可以在任何微控制器中輕松實現。
2019-12-06 14:54:17
3433 
微控制器接口有I2C,SPI,UART這三種。微控制器特點是單鞘化,體積大大減小,從而使功耗和成本下降、可靠性提高。
2020-04-26 09:14:09
3062 微控制器的英文縮寫是MCU。無論何種微控制器,要正常穩定地工作,必須具備3個條件:供電電源、復位電路和時鐘振蕩脈沖。
2020-04-26 09:28:28
4698 微控制器已不是新興事物,對于微控制器,大家或許都有所了解。在往期文章中,小編對微控制器做過一定介紹。為進一步增進大家對微控制器的了解,本文將對微控制器測量電容器電容的方法加以講解。如果你對本文內容具有興趣,不妨繼續往下閱讀哦。
2020-06-27 16:04:00
4146 
微控制器的使用越來越多,在現實諸多方面均有微控制器的身影。但在實踐過程中,暴露出一些微控制器問題,譬如如何對微控制器進行省電管理。如果你對這個微控制器問題存在興趣,不妨繼續往下閱讀哦。
2020-06-21 10:28:18
4042 微控制器的使用已滲透入生活各方面,為增進大家對微控制器的了解,本文將對微控制器、微控制器應用予以介紹。如果你對微控制器具有興趣,不妨繼續往下閱讀哦。
2020-06-27 10:25:00
12887 對微控制器進行編程或刻錄意味著“將程序從編譯器傳輸到微控制器的存儲器”。微控制器的程序通常是用C或匯編語言編寫的,最后編譯器會生成一個十六進制文件,其中包含機器語言指令(例如零和微控制器可以理解的指令)。正是微控制器的內容被傳輸到微控制器,一旦程序被傳輸到微控制器的存儲器,它就根據該程序工作。
2020-08-21 15:40:59
11706 跟蹤區列表(TAL)由多個跟蹤區(TA)靈活配置組成,在3GPPR8中引人TAL可減少位置管理信令開銷。目前基于TAL的位置管理方法大多針對不同用戶產生不同的TAL,在海量蜂窩部署環境下的計算效率
2021-05-12 16:27:11
5 基于Memcached的緩存資源集中管理方法_郭棟(監控電源65W多少錢)-基于Memcached的緩存資源集中管理方法_郭棟這是一份非常不錯的資料,歡迎下載,希望對您有幫助!
2021-07-26 13:11:31
2 使用HCS12微控制器的設計與應用
2022-03-07 16:41:12
2 本文介紹了使用 HT32 系列微控制器的嵌入式 Flash 內存來模擬 EEPROM 的軟件方法。
2022-06-07 11:14:17
6 電子發燒友網站提供《基于微控制器的行車燈控制器.zip》資料免費下載
2022-07-27 10:42:26
0 NEC 的微控制器家族包括通用微控制器系列以及為特定市場需求專門設計的微控制器系列。多年來, NEC 的 CMOS 微控制器包含了各種 EMC 技術,其中在客戶端無任何措施的情況下,有些技術是還是
2022-08-15 19:59:45
1980 
降低微控制器能耗的首要也是最明顯的事情是找到減少微控制器在活動模式下運行時消耗的電量的方法。如果您的應用程序在大部分時間保持微控制器處于活動狀態,這一點尤其重要。
2022-08-17 12:22:58
1079 AN4749_管理低功耗STM32F7系列微控制器
2022-11-21 08:11:38
1 本應用筆記討論了采用微控制器的電池備份系統的功耗。大多數Maxim高速微控制器,包括DS87C520、DS89C450、DS80C400和DS5250,都采用多種電源管理方法。本應用筆記探討了電源
2023-03-01 13:49:58
902 
微控制器(MCU)普遍存在于電子產品中,如果你的微波爐有LED或LCD屏幕和鍵盤,則它肯定包含微控制器。汽車也是一樣,可以有很多個:發動機由微控制器控制,防抱死剎車、巡航控制等也是如此。
2023-07-06 11:12:02
3140 微控制器供電 微控制器的供電電壓可以分為以下幾種: ·5V:5V是最常見的微控制器供電電壓,包括許多傳統的8位微控制器和一些較老的16位微控制器。 ·3.3V:3.3V是現代微控制器中較為普遍的供電
2023-07-19 10:45:18
2193 
供電系統 為了實現對上述幾種電子器件供電,汽車控制器需要一個供電管理系統,即電源管理系統,如下所示: 上面就是汽車控制器的電源管理系統的一個基本介紹,總結下來就是: ·微控制器:汽車控制器中
2023-07-19 10:52:38
2054 
ucos內存管理方法十分小巧,實時性好,非常值得借鑒。
2023-09-11 15:32:56
1924 
干貨 | 如何選擇微控制器?
2023-09-21 17:23:27
1236 微控制器(通常簡稱為MCU或MC)是指完全獨立于單個芯片的非常小的微型計算機。歐時電子指南將詳細探討什么是微控制器以及它與微處理器等相關產品之間的根本區別,還將介紹一些最常見的市售微控制器類型,以及它們可以處理的任務類型。
2023-10-26 15:01:34
3000 【微控制器基礎】—— 從歷史切入,了解微控制器的五個要素(下)
2023-12-06 17:23:59
1159 
【微控制器基礎】——從歷史切入,了解微控制器的五個要素(上)
2023-12-07 10:55:00
1198 
鏈接庫方式的收費管理系統具體實現原理和方法。 關鍵詞: 預付費電能表;預付費控制器;動態連接庫;管理方法 0概述 用電收費管理是電力管理工作的重要內容,是直接與用戶相連的后環節,也是生產經營成果的終實現。電力企業迫切需要解決用電抄表難、收
2024-07-23 16:10:28
800 
微控制器(Microcontroller Unit,簡稱MCU)作為嵌入式系統的核心部件,其原理和應用在現代科技發展中占據了舉足輕重的地位。本文將從微控制器的原理、基本結構、工作原理、性能特點以及廣泛的應用領域等方面進行詳細闡述,旨在全面介紹微控制器的相關知識。
2024-08-22 10:40:59
3500 微控制器(MCU)內部的存儲器是微控制器系統的重要組成部分,它負責存儲程序代碼、數據以及控制邏輯等信息。這些存儲器類型多樣,各具特點,共同支持著微控制器的正常運行和高效工作。以下是對微控制器內部存儲器的詳細介紹。
2024-08-22 10:41:50
1965 : 預付費電能表;預付費控制器;動態連接庫;管理方法 0概述 用電收費管理是電力管理工作的重要內容,是直接與用戶相連的后環節,也是生產經營成果的終實現。電力企業迫切需要解決用電抄表難、收費難的問題,而使用IC卡預付費電能表是解決
2024-10-19 17:29:41
1440 
1、管理k8s核心資源的三種基礎方法 陳述式管理方法:主要依賴命令行CLI工具進行管理 聲明式管理方法:主要依賴統一資源配置清單(manifest)進行管理 GUI式管理方法:主要依賴圖形化操作界面
2024-12-31 10:16:28
1217
評論