集成電路充電器,本文是用三端穩壓器(LM317)構成的恒流充電電路。
2014-10-14 10:06:56
15478 
恒流充電原理是一種非常重要的電子技術,它可以幫助我們更加高效、安全地充電,保護電池的安全性,延長電池的使用壽命,為我們的生活帶來更多的便利和舒適。本文將詳細介紹自動恒流充電器的原理以及對三款自動恒流充電器電路圖進行分析。
2023-07-19 15:35:14
14457 
請問一下充電曲線的改變對充電器電路的影響是什么?有哪些公司是做相關電路設計的?謝謝!
2021-03-18 15:10:10
;300張(LCD取景屏常開,偶爾使用閃光燈),使用至今已4個多月,電池工作一直良好。而制作本充電器僅花費十幾元,起性價比是極高的,使用效果也非常令人滿意。 說明:印刷電路板中J1接電源變壓器的副邊輸出,J2接電池組。板中的D為硅整流橋。
2009-01-07 16:27:11
充電器充滿變燈電路的工作原理是什么?充電器充滿變燈電路的電器指示燈是如何變化顏色的?
2021-10-11 07:51:36
充電器發熱的原因是什么?在使用充電器時要避免哪些問題?
2021-03-16 06:15:07
現在我這有很多5V轉4.2的充電器,用萬用表打出來的電壓都差不多!我應該怎么判定哪個充電器的性能好些呢!或者說判定這種充電器的性能好壞應該看哪些指標參數!大俠們多指點下啊!
2012-08-28 08:46:09
。 ATC105充電器集成電路采用先放電再充電的方式,并有自動轉換功能。這種充電方式可防止因電池儲電量沒有用完就充電所造成的“記憶效應”(或稱存儲效應)。 三、附加功能各有千秋 為了提高充電器
2021-01-11 16:38:58
集成電路的基本應用,運放應用電路,振蕩電路,轉換電路,電機驅動電路,傳感器應用電路,充電器電路,新型集成穩壓器應用電路,定時器電路,濾波器電路。
2025-04-02 14:50:22
描述自動切斷電池充電器電路
2022-06-23 07:43:49
自動極性轉換充電器電路相關資料分享
2021-05-24 06:10:13
RZC4200是一個應用于小功率充電器和適配器的高性能離線式PWM控制器。它工作在初級檢測與調節,可省去光耦和TL431;并且集成了專有的恒壓恒流控制。功能特性:1, ±5%的恒壓調節和±5%的恒
2015-09-16 18:32:42
概述;CT3583是一款萬能充電器集成電路。它采用雙列8腳封裝。
2021-05-17 06:05:29
集成電路(IC)的靜電放電(ESD)強固性可藉多種測試來區分。最普遍的測試類型是人體模型(HBM)和充電器件模型(CDM)。什么是小尺寸集成電路CDM測試?兩者之間有什么區別?
2019-08-07 08:17:22
本手機充電器電路圖電子工程是基于FSEZ1307第三代初級側調節(PSR)PWM控制器集成電路。
FEZ1307手機充電器可用于電池充電器應用,如:手機,無繩電話,PDA,數碼相機或更換線性變壓器
2023-09-11 17:24:58
和使用壽命。現代生活中充電設備數量迅速增多,而各個廠商所出的充電接口又各不相同,與此同時,市場上充電器的種類特別繁多,且充電器的較典型的實現方法是用一個專門功能的集成電路IC去控制充電電流/電壓的范圍
2020-08-28 06:26:28
和使用壽命。現代生活中充電設備數量迅速增多,而各個廠商所出的充電接口又各不相同,與此同時,市場上充電器的種類特別繁多,且充電器的較典型的實現方法是用一個專門功能的集成電路IC去控制充電電流/電壓的范圍
2019-08-27 07:41:27
充電器系統簡化框圖對于雙充電器應用來講,沒有必要使用兩個全功能的充電器集成電路。專用、專門設計的并行充電器集成電路仍然可完美運行,并節省部件成本,因為并行充電器無需主充電器的所有功能。作為一個專用并行
2019-08-06 04:45:04
多普達696充電器電路圖電路原理圖所示,整個電路大致分為顯示、電壓比較、基準電壓、開關控制四大部分,其中由雙色發光二極管LED、電阻R5、電阻R6、集成電路U1B(U1、最大的那個集成電路中的一部分
2011-02-20 11:21:30
質量的電流,而山寨充電器只有一個2.2μF的電容器,濾波效果差。整流濾波后的電壓供振蕩電路使用,正品充電器大多使用一個小集成電路提供振蕩信號,由開關晶體管放大后接入高頻變壓器的原線圈,也有一些充電器
2017-06-07 16:04:29
實習要做一個手機充電器,請大神告知一下,手機充電器的原理或者簡易的電路設計!!
2013-01-10 16:58:22
內容簡介本書介紹了各類新型電池(鎳鎬電池、鎳氫電池、免維護鉛酸電池和錘離子電池,的基本結構、工作原理和充放電特性,詳細分析了各種快速充電控制專用集成電路的結構和工作原理,給出了各種智能快速充電器
2019-07-08 04:36:05
。 ]可以用于便攜式電池組的充電器或準備作為權力源,你可以插入到它的火炬或燈。 燃料電池1KW或3KW的選擇
2012-01-13 10:07:33
求 電動汽車充電器 WT6016C 智能高效充電器 電路圖,謝謝
2012-12-21 12:08:24
磷酸鐵鋰電池充電管理集成電路可用于:手持設備、應急燈具、備用電池應用、便攜式工業和醫療儀器、 電動工具、獨立電池充電器等。可使用太陽能板供電的PWM降壓模式單節磷酸鐵鋰電池充電管理集成電路ZS6078,獨立對單節磷酸鐵鋰電池充電進行管理,封裝外形小,外圍元器件少和使用簡單等優點。
2015-11-04 10:33:13
充電器開關電源的電壓因手機型號不同各有差異。可通過選擇穩壓值與其相同的穩壓集成電路來獲得合適的電壓。如果穩壓值與實際有出入,可在穩壓集成電路的輸出端或接地端串接二極管。以得到合適的電壓。比如萬能充電器
2019-05-27 05:00:05
我想設計一款電瓶車充電器在充電時 可以自動檢測正負極 ,簡單的來講就是這一款充電器對電池充電不考慮電池正負極性充電器隨時都可以對電池充電。請老師們賜教謝謝小弟不勝感激
2014-02-01 14:16:14
車載充電器這部分電路詳細分析!各個元件怎樣工作!謝謝!!!
2016-04-19 20:05:10
芯片等3微處理系統,可以保證內部充電安全。英銳恩推出車載充電器集成電路芯片—EN8F629,支持從 1.8V 到6V 的應用范圍,滿足客戶的不同需求,充分利用外置功率管以達到最高的轉換效率。采用電流模式
2018-09-14 17:03:36
本帖最后由 kuakewei123 于 2021-1-25 17:24 編輯
PW2601是一種充電器前端集成電路,旨在為鋰離子提供保護電池充電電路故障。該設備監測輸入電壓,電池電壓以及
2021-01-23 16:35:23
這個鎳鎘電池自動充電器,具有狀態指示功能。充電時發光二極管發綠光;充滿后,保護電路動作,發光二極管發紅光,指示電池已充滿。當電池充滿后,保護電路自動切斷充電電流,防止過充電。故該充電囂出可對普通鋅錳電池進行充電。
2021-05-14 07:23:26
這款充電器最近罷工了。充了一個晚上電瓶車還是沒電,換了一個充電器就可以正常沖電。充電器上的指示燈不停閃爍,想請教高人是什么故障,還有修理的價值嗎???
2011-06-17 10:09:06
蓄電池自動充電器電路及制作
2009-04-14 15:41:39
30 簡易全自動電池充電器電路及制作
2009-04-14 15:45:18
799
全自動逆變充電器電路圖
2008-06-23 10:18:58
5596 
簡單充電器電路
簡單充電器電路圖
2008-07-13 01:22:18
2459 
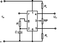
穩壓集成電路充電電路
由于穩壓集成電路的問世,用穩壓集成電路制作的充電電路也隨之出現,下圖是用7805集成電路
2008-07-13 03:49:05
1534 
12V自動充電器電路:本充電器采用恒流截壓充電方式.當負載電壓小于標稱電壓時,自動恒流充電;當負載電
2008-07-30 21:11:18
3070 
全自動鎘鎳電池充電器電路
2008-07-31 08:16:06
1448 
恒流自動充電器電路
2008-11-02 11:26:56
983 
鎳鎘電池小型自動充電器電路原理圖
2008-11-02 11:38:58
1009 
鎳鎘電池自動充電器電路原理圖
2008-11-02 11:39:38
870 
鉛酸蓄電池自動充電器電路原理圖
2008-11-02 11:40:19
2574 
新型鎳鎘電池快速充電器電路原理圖
2008-11-02 23:52:48
938 
蓄電池自動充電器電路原理圖
2008-11-03 00:02:39
1063 
自動充電器電路原理圖
2008-11-03 00:10:49
892 
自動恒溫恒流充電器電路原理圖
2008-11-03 00:11:54
856 
新型充電器電路圖
新型充電器電路最高可達300W,100W的成本只要20元,符合歐美能源之星要求
2008-11-27 11:14:36
1080 
汽車用的鎳鎘電池充電器電路
2009-01-10 12:23:06
948 
自動終止電池充電器電路圖
2009-03-19 10:46:47
1200 
鎳鎘電池自動充電器電路圖
2009-04-12 17:30:37
912 
蓄電池自動充電器電路圖
2009-04-12 17:31:53
1851 
9V小型電池自動充電器電路
2009-05-29 13:04:25
9486 
12V自動充電器電路圖
2009-05-29 13:13:05
8345 
并聯式全自動脈沖充電器電路
2009-05-29 13:14:02
1875 
電壓峰值增量型自動充電器電路
2009-05-29 13:29:18
544 
汽車用鎳鎘電池充電器電路
2009-05-29 19:08:22
709 
實用鎳鎘電池自動充電器電路圖
2009-05-29 19:11:35
1194 
無觸點自動充電器電路圖
2009-05-29 19:14:14
1055 
全自動充電器電路圖
2009-06-12 09:08:11
2150 
安全自動充電器電路圖
2009-06-12 09:23:35
947 
電池自動充電器電路圖
2009-06-12 09:28:50
895 
電瓶自動充電器電路圖
2009-06-12 09:29:14
2120 
具體放電功能的自動充電器電路圖
2009-06-12 09:29:51
826 
脈沖式自動充電器1電路圖
2009-06-12 09:30:18
1431 
脈沖式自動充電器2電路圖
2009-06-12 09:30:48
1323 
脈沖式自動充電器3電路圖
2009-06-12 09:31:28
2180 
全自動充電器2電路圖
2009-06-12 09:33:20
1811 
全自動電池充電器電路圖
2009-06-12 09:33:47
1345 
使用電池自動充電器電路圖
2009-06-12 09:34:13
1011 
實用電池自動充電器電路圖
2009-06-12 09:47:02
1188 
自動恒流充電器電路圖
2009-06-12 09:50:41
1212 
用集成電路是自動定標電路圖
2009-06-30 13:46:47
696 
TEA1102集成電路組成的充電器電路
2009-07-16 22:05:30
878 
KW9712是我們自行設計、委托專業工廠加工、采用DIP-8封裝的雙極型集成電路。外接一只電阻和一只電容即可決定其振蕩頻率,可設定在很低頻至500kHz。具有占空比互補的兩組圖騰柱
2009-07-27 10:24:45
1381 
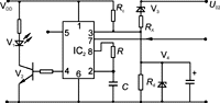
簡單易作的自動充電器
本充電器電路簡單,元件易取,它對各節鎳鎘電池分別充電,充足電即自停。電路見附圖所示,充電前,先調節R4,使三端可調穩壓器LM317的輸出
2009-07-29 15:02:08
5760 
應急燈用6V電瓶自動充電器
市面上出現的6V電瓶供電的應急燈,隨機配的充電器過于簡單,長時間工作發熱嚴重、易燒毀。充電時還容易造成電瓶過充,引起電解液過早
2009-07-29 15:03:39
6874 
用PIC16C71組成的充電器電路
用PIC16C71組成的智能充電器如圖所示,該電器采
2009-10-09 10:48:57
1079 
新型鎳鎘電池和電充電器
本充電器的功能特點:1?充電前先對電池放電,以消除記憶效應,放完電后自動轉換成充電;2?充電方式為脈寬調制恒流式,脈
2009-11-05 16:34:58
1042 新型鎳鎘電池和電充電器及電路圖
本充電器的功能特點:1?充電前先對電池放電,以消除記憶效應,放完電后自動轉換成充電;2?充電
2010-03-10 11:08:42
1295 KCG2 系列自動充電器是應用高頻PWM 脈寬調制技術,以IGBT、場效應功率 管和脈寬調制集成控制器為主要部件而構成的開關電源式自動充電器。其結構緊湊,體 積小,重量輕。充電過程為
2011-04-11 11:12:18
47 本人設計制作了一個簡易自動充電裝置,可有效延長電池壽命。結介紹了燈充電器電路原理,給出了燈充電器電路圖。
2011-12-27 11:22:39
5281 
1安培鋰電池充電器集成電路CN3069
2017-09-15 09:14:49
13 本文利用可調并聯穩壓器TL431集成電路可組成極簡單的充電器。能保護電池不過充,延長了電池的使用壽命。
2017-12-13 09:53:56
24444 
和以KA3842+LM358(LM324)集成電路為核心的充電器。改裝過程非常簡單,只需加裝一個5K至10K精密多圈微調電阻、(改60V、72V用5K,改12V/24V/36V/48V/60V/72V、用10K微調)、換一個輸出電容(48V以下的不用換電容)即可。
2018-01-24 09:40:58
449941 
附圖所示。電路的核心是一片互補輸出壓控脈寬調整集成電路KW9712,它可大范圍精確調節振蕩頻率和占空比,工作電壓+5V~+15V.靜態電流小于10mA。KW9712各腳功能如附表所列。
??? 振蕩
2018-09-20 18:28:15
3076 555集成電路制作全自動充電器,NE555 BATERY CHARGER
關鍵字:555集成電路制作全自動充電器制作
本文
2018-09-20 20:14:03
2377 以TL494為核心構成的充電器電路如圖所示。
2020-04-05 16:37:00
20665 此外,基于深厚的電源管理的技術及創新經驗,德州儀器(TI)今天推出了業界更小的降壓-升壓電池充電器集成電路,其集成了功率路徑管理,以實現更大功率密度、通用及快速充電,充電效率高達97%。
2020-07-07 17:30:06
1217 電子發燒友網站提供《自動切斷電池充電器電路.zip》資料免費下載
2022-07-04 15:02:13
4 在這篇文章中,我們將全面討論如何構建帶有集成自動電池充電器級的 500 瓦逆變器電路。
2023-06-03 16:13:55
3423 
該電路是昂貴電池充電器的替代品,降低成本的訣竅是購買便宜的電池充電器,并使用自動充電斷路器電路對其進行擴展,例如此處介紹的電路。
2023-07-24 11:39:38
2640 
在本文中,我們將嘗試使用自卸電容器概念構建自動電池充電器電路,用于對多組電池進行自我檢測和充電。
2023-07-27 10:49:32
2101 
自動電池充電器電路可以實現質量優良的電池充電器,可以為報警系統中使用的 12 伏汽車電池和干電池充電。
2023-08-21 15:59:36
1823 
一個非常簡單高效的鋰電池充電器和監控系統,可以設計采用LTM8061集成電路,由凌力爾特設計。
2023-10-06 14:44:00
1340 
使用Microchip的MCP73871鋰離子電池充電器集成電路,我們可以為鋰離子電池供電的應用設計一個非常簡單,高效的電池充電器解決方案。MCP73871鋰離子電池充電器是一款單片IC,具有緊湊的尺寸和豐富的功能。
2023-10-06 15:05:00
2848 
TL494構成的電動車充電器電路圖
2023-10-07 09:26:27
29 手機充電器的工作原理 手機充電器的基本構成? 手機充電器是一種將電能轉化為電壓和電流適合手機充電的設備。它由多個關鍵組件組成,包括變壓器、整流器、濾波器和穩壓器等。下面將詳細介紹手機充電器的工作原理
2023-11-23 11:00:27
16468 電子發燒友網站提供《集成電路 充電IC 充電器DW18B數據手冊.pdf》資料免費下載
2024-03-27 09:37:55
1
評論