電源設備中常用的四種變換電路(續)
Common Four Change Circuits in Power Supply Equipments
(上接總第11期)
3 DC/DC變換
將一種直流電壓變換成另一種(固定或可調的)直流電壓稱為DC/DC變換(亦稱直流變換器)。這種技術被廣泛地應用于無軌電車、地鐵列車、蓄電池供電的機動車輛的無級變速中,從而獲得平穩地加速、減速、快速響應的性能,80年代興起的電動汽車就是一例。
下面介紹利用自關斷器件構成的典型DC/DC變換電路。
最基本的斬波電路如圖形3.1所示,斬波器負載為R,當開關S合上時,uo=uR=Ud,并持續t1時間。當開關切斷時uo=uR=0,并持續t2時間,T=t1+t2為斬波器的工作周期,斬波器的輸出波形見圖3.1(b)。若定義斬波器的占空比D=t1/T,則從波形圖可以獲得輸出電壓平均值為

圖3.1降壓斬波電路原理
(a)電路(b)波形
?
若忽略開關的損耗,則輸入功率Pi應與輸出功率相
等,即從直流電源側看的等效電阻Ri為
Ri=Ud/Ioa=Ud/(DUd/R)=R/D(3.3)
由式3.1可知,當占空比D從零變到1時,輸出電壓平均值從零變到Ud,其等效電阻也隨著D而變化。
t1為斬波器導通時間,T為通斷周期,通常斬波器的工作方式有兩種:
(1)脈寬調制工作方式:維持T不變,改變t1。
(2)脈頻調制工作方式:維持t1不變,改變T。
普遍采用的是脈寬調制方式。因為頻率調制方式,容易產生諧波干擾,而且濾波器設計也比較困難。
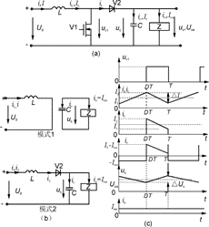
3.1降壓式(Buck)變換器
圖3.1所示的直流變換器在使用時輸出紋波較大,為降低輸出紋波,在輸出端接入電感L、電容C濾波電容,如圖3.2(a)所示,圖中V2為續流二極管。這就是降壓(Buck)式變換器,其輸出電壓平均值Uo總是小于輸入電壓Ud。通過電感中的電流(iL)是否連續,取決于開關頻率、濾波電感L和電容C的數值。
圖3.2降壓式(Buck)變換器
(a)電路(b)波形
當電路工作頻率較高,若電感和電容量足夠大并為理想元件,電路進入穩態后,可以認為輸出電壓為常數。當晶體管V1導通時,電感中電流呈線性上升,因而
Ud-Uoa=L(iomax-iomin)/ton=L△ion/ton
式中ton是晶體管導通時間。
當晶體管截止時,電感中電流不能突變,電感上感應電動勢使二極管導通,這時
Uoa=L(iomax-iomin)/toff=L△ioff/toff
式中toff為晶體管截止時間。在穩態時△ion=△ioff=△i。
因為電感濾波保持了直流分量,消除了諧波分量。輸出電流平均值為
Ioa=(iomax+iomin)/2=Uoa/RL(3.4)
3.2升壓式(Boost)變換器
圖3.3為升壓式變換器,它由功率晶體管V1、儲能電感L、二極管V2及濾波電容C組成。當晶體管導通時,電源向電感儲能,電感電流增加,感應電動勢為左正右負,負載Z由電容C供電。當V1截止時,電感電流減小,感應電動勢為左負右正,電感中能量釋放,與輸入電壓順極性一起經二極管向負載供電,并同時向電容充電。這樣把低壓直流變換成高壓直流。其輸出電壓平均值將超過電源電壓Ud其電路的工作波形如圖3.3(c)所示。
在電感電流連續的條件下,電路工作于圖3.3(b)所示的兩種狀態。
圖3.3升壓式(Boost)電路
(a)電路;(b)等效電路;(c)波形

圖3.4升/降壓式電路
(a)電路;(b)等效電路;(c)波形
(1)當晶體管導通、二極管截止(即0≤t≤t1=DT)期間,t1=0~DT,t=0時刻,V1導通,電感中的電流按直線規律上升
Ud=L(I2-I1)t1=L△I/t1(3.5)
(2)當晶體管由導通變為截止(即t1≤t≤T)期間,電感電流不能突變,產生感應電動勢迫使二極管導通,此時
Uoa-Ud=LI/t2,t2=DT~T=(1-D)T
則△I=Udt1/L=(Uoa-Ud)t2/L
將t1=DT,t2=(1-D)T代入上式,則求得
Uoa=Ud/(1-D)(3.6)
式3.6表明,BoostDC/DC變換器是一個升壓斬波器。當D從零趨近于1時,Uoa從Ud變到任意大。同理可求得輸入電流
I=Ioa/(1-D)(3.7)
T=△ILUo/Ud(Uoa-Ud)(3.8)
△I=Ud(Uoa-Ud)/fLUoa=UdD/fL(3.9)
式中f為開關轉換頻率。若忽略負載電流脈動,那么[0,t1]期間,電容上泄放的電荷量,反映了電容峰—峰電壓脈動量,亦即輸出電壓uo的脈動量(3.10)
由式3.5和式3.9求得t1=(Uoa-Ud)/Uoaf,并代入式3.10得,見圖3.3(c)
△Uc=Ioa(Uoa-Ud)/UoafC=IoaK/fC,
K=(Uoa-Ud)/Uoa(3.11)
3.3升/降壓式(Buck-Boost)變換器
圖3.4(a)為Buck-Boost電路,這是降壓-升壓混合電路,其輸出電壓可以小于輸入電壓Ud,也可以大于輸入電壓,而輸出電壓極性與輸入電壓相反。其工作波形示于圖3.4(c)。
在電感電流iL連續條件下,Buck-Boost電路工作于圖3.4(b)所示的兩種狀態。
經分析推導,可以得出輸出電壓平均值為
Uoa=-UdD/(1-D)(3.12)
同前面分析一樣,可得
Io=IoaD/(1-D)(3.13)
4AC/AC變換
在需要不同于市電頻率或頻率可變的交流電源的場合,通常采用AC/AC變換電路。
4.1AC/AC變換的基本原理
圖4.1(a)所示為AC/AC變換器的原理電路圖。實際上是由正組(P)雙半波變流器和負組(N)雙半波變流器反并聯組成的。正組由V1和V2組成,負組由V3和V4組成。
當正組工作時,分別觸發V1和V2使之導通,負載上獲得正向電壓。而負組工作時,對V3和V4觸發使之導通,負載上獲得反向電壓。現以電阻性負載為例,并假定兩組變流器不同時工作。
(1)整半周工作方式
假定輸出交流電壓的頻率(fo)為電源頻率(fs)的1/3,即To=3Ts。為此在輸出的前半周期內(To/2),讓正組變流器工作3個電源電壓整半周,在此期間內負組變流器被封鎖;然后在輸出的后半周期內,讓負組變流器導通3個電源整半周,在此期間內正組變流器停止工作,這樣可以獲得如圖4.1(b)所示的波形,其輸出電壓中的基波分量的頻率為電源頻率的1/3,即fo=fs/3,以此類推。
按整半周工作方式,輸出頻率是不能連續可調的,而且輸出電壓中包含大量的諧波。
(2)α調制工作方式
若每個電源半周期不是整半周期導通,而是控制α不同,讓輸出電壓按理想的正弦進行調制,則能獲得如圖4.1(c)所示的波形,其輸出電壓中的基波頻率仍然為電源頻率的1/3,但其輸出波形,比圖4.1(b)更接近正弦波,其諧波含量降低。這種工作方式是實際AC/AC變換器所采用的。
(3)高頻工作方式
這種工作方式不同于前述的兩種,在1個電源電壓的半周期內,兩組變流器要輪流工作多次,當圖4.1(a)的晶閘管用自關斷器件代替時,就可以實現這種工作方式,而且要求先封鎖已導通的變流器,然后才能使另一組變流器投入工作。若在1個電源電壓周期里,以高速率切換兩組變流器,使其輪流工作,則能獲得如圖4.1(d)所示的波形,并稱它為高頻工作方式。

圖4.1AC/AC變換原理電路
(a)電路;(b)整半周方式;
(c)α調制方式;(d)高頻方式
4.2α調制工作方式的實現
現以單相—單相直接變頻電路為例說明α調制工作方式的原理及其實現方法。圖4.2為單相橋式AC/AC變換電路。為了在負載一獲得交變電壓,可以交替地讓正組變流器和負組變流器輪流工作,并控制α的大小,使得輸出電壓的平均值按正弦規律變化。在半周期內,先讓控制角α由大變小,再由小變大,則輸出電壓的平均值將按低頻正弦的規律變化。
設理想的輸出電壓為(4.1)
變流器輸出電壓平均值的基本公式為
uo=(pUm/π)sin(π/p)cosα(4.2)
式中p為脈波個數。變流器輸出電壓同觸發角α之間符合余弦函數關系。圖4.2(a),p=2,sin(π/2)=1,則uo=(2Um/π)cosα,將所希望的輸出電壓波形ur=Ursinω0t同us=(2Um/π)cosωst進行比較,從而求得對應輸出電壓每瞬時的觸發角大小,如圖4.2(b)所示的那樣,該圖對應電阻性負載,兩組變流器均工作于整流方式。
為了保證兩組中的晶閘管不同時導通,兩組之間切換時要留有一定的間隙時間to(大于器件的關斷時間),在這期間,兩組均不工作。
圖4.2α調制工作方式原理
(a)電路;(b)波形

圖4.3三相半波/單相
負載AC/AC變換電路

圖4.4電阻負載時的電壓波形圖
4.3AC/AC變換器典型電路
以三相—單相直接變頻電路供給阻性負載為例,圖4.3所示為由兩組三相半波變流器構成的AC/AC變換器。通常對于電源是市電的AC/AC變換器的輸出頻率限于電源頻率的1/3以下,因為過高的輸出頻率將帶來諧波增加的弊病。改變基準正弦波的頻率,就可以改變輸出頻率。圖4.4給出了負載輸出電壓的波形。
有關AC/AC變換器的內容,多在變頻技術中應用,請讀者參閱有關專著。
電子發燒友App























評論