全橋結構在電路設計當中有著相當廣泛的作用。本文介紹了一種基于全橋DC-DC的隔離電源設計。
2014-09-22 11:09:25
8376 本篇博客是全橋MOS/IGBT電路搭建的介紹,想了解全橋電路的驅動部分請看博主的單元一:全橋驅動電路詳解。感興趣的可以添加博主逆變電路(Inverter Circuit)是與整流
2021-11-16 06:14:11
本帖最后由 efans_7c63b7 于 2021-5-10 10:12 編輯
各位大佬你們好,我是太理的一名研究生,課題是脈沖激光測距,我在使用el7104驅動激光二極管spllll90-3時,出現了激光不能發射出來的問題,有沒有大佬可以幫幫我,救救孩子吧
2021-05-08 11:44:38
通過對頻域干涉原理的深入研究,本文提出了一種超快時間分辨力的脈沖激光頻域干涉技術。采用該技術方法可精確同步泵浦-探測實驗中泵浦脈沖和探測脈沖的傳輸時間,其同步精度與脈沖激光器脈寬相當。本文詳細論述了
2010-05-13 09:03:21
請問在波長為370nm脈沖激光下的DMD的峰值功率密度是多少?如何查看?
2025-02-20 07:49:07
降功率頻率點是脈沖激光器中的一個很重要的概念,定義為特定脈寬下,激光器能夠輸出最大額定平均功率時的重復頻率下限。也就是說,低于此頻率點,即使設置功率100%,實際輸出的功率也會低于額定功率。降功率
2021-06-11 09:19:41
本人最近利用Multisim軟件在做一個全橋逆變電路,用到里面自帶的IGBT模塊,按說明文檔驅動電壓為±20V,然而給定驅動脈沖,IGBT并未正常開通、關斷,本人用到的脈沖發生模塊為Sources下
2012-12-08 10:24:05
關于超短脈沖激光微加工技術你想知道的都在這
2021-06-15 09:31:20
【摘要】:傳統光束質量測量裝置不能有效測量脈沖激光的M~2因子。為實時檢測脈沖激光M~2因子,將正交散焦光柵和短焦透鏡密接配合使用,同時測量待測光束9個不同位置處的光強分布,用二階矩方法計算束寬
2010-04-24 10:16:58
我用的脈沖激光測距,峰值功率可以達到70w,脈寬大概100ns左右,測距范圍100m以內,請問可以用PIN作為光電探測器接收嗎?后面的TIA放大大約10K-20K倍,另外,這個是不是對光學準直和接收系統要求很高,方便起見,單透鏡可以準直嗎?
2018-11-19 10:37:22
PWM電壓型單相全橋逆變器的設計一、任務:(1) 設計主回路、驅動電路、緩沖電路、過壓過流保護電路以及電壓檢測電路;(2)制作主回路、驅動電路、緩沖電路;(3)制作輔助電源(4)調試及數據分析二
2019-07-16 04:35:52
求助,高頻,在三相全橋使用IGBT時,需要進行窄脈沖處理嗎?我看有的說因為是高頻,所以不需要窄脈沖處理,
2015-03-30 18:05:14
全橋逆變電路得到正弦電壓,4個IGBT晶體管,對角線上的兩個IGBT可以用一樣的波形么?
2013-01-15 20:23:13
你好,我用APD探測100MHz脈沖激光,能否推薦一款合適的放大器?或者是合適的方案?謝謝!
2024-08-30 11:36:02
高效、可靠設計,并且易于和IGBT模塊集成,易于安裝。該電路以兩組磁芯原邊繞組共用高頻全橋開關的DC-DC隔離電源;生成4路無需隔離的全橋脈沖信號,實現了高功率密度的板上電源的緊湊設計。仿真和實驗結果表明,該電源電路簡潔、高效、可靠,達到了預期目的。`
2012-10-30 21:37:42
【正文快照】:1996年F.Sanchez報道了利用脈沖激光在空氣中誘導出硅表面柱型微結構[1],隨后T.H.Her[2]和A.J.Pedraza[3]分別利用飛秒和納秒激光脈沖在能量密度1~10 J
2010-04-22 11:41:53
您好,我正在設計一款脈沖激光器驅動電路,之前采用的是電容充放電的方案,效果不是太好。請問ADI有沒有比較好的方案?電路的參數為上升沿
2018-12-13 09:18:45
像我們搞電子的提到半導體芯片廠商一般都會提起TI、美信、亞德諾等,那像脈沖激光二極管業界內有沒有什么比較著名的廠商呢,要求能做出集成透鏡準直的脈沖激光二極管廠家。有沒有做激光的網友對此比較熟悉啊
2017-02-27 19:40:23
Keithley 2520脈沖激光二極管測試系統Keithley 2520 脈沖激光二極管測試系統是一個集成的同步系統,用于在制造過程的早期測試激光二極管,此時無法輕松實現適當的溫度控制
2022-11-18 14:06:17
介紹一種有效測量飛秒(fs) 脈沖激光的二次諧波光強分布的方法。該方法采用線陣CCD 作為光電傳感器, 用單行單次的同步觸發方式, 將一次觸發的fs 脈沖激光的二次諧波光強分布采集
2009-07-08 14:13:51
15 脈沖驅動激光二極管
相對較高的峰值功率和工作效率使得脈沖激光二極管成為固態激光器泵浦和范圍測定這類應用的理想選擇。脈沖激光二極管工作時通常占空
2009-11-12 14:42:29
162 湯姆遜硬X射線源中鎖模脈沖激光穩頻方法
摘 要: 湯姆遜硬X射線源中,光陰極微波電子槍要求觸發激光脈沖與腔中微波場相位的精確時間同步。理論分析了鎖模脈
2010-04-28 16:03:35
33 摘要:提出一種適用于軟開關全橋變換器的IGBT新型驅動電路,它采用脈沖變壓器隔離,無需附加單獨浮地電源。IGBT柵源之間沒有振蕩現象,死區時間可調節,驅動電路對元件參數變
2010-05-11 08:48:51
279 摘要:文章簡述IGBT全橋逆變器對其控制電源的技術要求,應用RCC自激反激型變換器原理,研制成功6路獨立輸出開關電源,給出了實際電路和試驗結果。關鍵詞:開關電源 變換器 控制
2010-06-11 08:47:07
107 脈沖激光電源是專門為脈沖Nd:YAG激光器設計的電源。采用開關電源,內部是由單片機控制的,是真正的數控電源
2010-07-01 15:11:01
69 摘要:運用絕緣柵雙極型晶體管(IGBT)對泵浦氙燈進行斬波放電,并采用間歇式長脈沖斬波技術,設計了一套能發射和控制長脈沖激光的Nd:YAG激光器。與傳統連續式長脈沖斬波技術相比,該
2010-08-30 08:28:27
27 摘要:分析了半導體激光器對驅動電源的要求,介紹了仿真軟件Multisim的主要功能及特點,利用Multisim設計了性能穩定的脈沖激光器驅動電源,給出了脈沖頻率、占空比等參數的理論及實驗
2010-08-30 08:38:13
65 摘要:為克服以往激光器普遍采用以晶閘管作為逆變元件的開關電源存在的缺點,研制了以IGBT為功率變換器件的開關型脈沖激光器電源,其主電路采用諧振型電流過零關斷工作方式,從根
2010-11-23 22:49:04
93 摘 要:針對現有測距儀中脈沖激光器存在寄生多脈沖的問題,提出并實現新型的采用同步泵浦聲光調Q方法的測距儀用激光器,消除了寄生脈沖并提高了激光器的峰值功率。關鍵詞:LD
2010-11-23 22:51:13
62 摘要 為利用現有裝備簡單獲得納秒脈寬、峰值較高的單脈沖激光,滿足軍事應用和高溫等離子體干涉研究的時間分辨要求,采用專利技術優化了調Q脈沖激光自斬波KDP泡克耳斯盒電光
2010-12-13 22:15:55
53 摘 要: 針對激光近炸引信不斷向中小口徑方向發展,體積不斷縮小,引信的內部干擾特別是電源方面的干擾變得愈來愈嚴重這一情況,在參考大量文獻的基礎上,根據脈沖激光引信
2010-12-14 15:35:09
47 輪胎模具用脈沖激光清洗機工作原理 脈沖激光清洗機是采用脈沖激光,在脈沖的作用下,激光束能夠以高強度的能量瞬間擊穿污漬或瑕疵,使其產生瞬間的汽化和爆炸,從而達到
2024-05-27 16:22:48
不銹鋼水壺脈沖激光焊接機應用范圍: 激光焊機可應用范圍:汽車安全氣囊、汽車濾清器、汽車車燈、動力電池、電子元件、傳感器、鐘表、精密機械、通信、汽車
2024-09-20 15:58:54
不銹鋼鋼管脈沖激光焊接機應用范圍: 激光焊機可應用范圍:動力電池、電子原件、傳感器、鐘表、精密機械、通信、電機馬達轉子、汽車安全氣囊、汽車濾清器
2024-09-21 11:27:47
電池極耳脈沖激光焊接機是奧信激光2015年新開發的一款集激光點焊技術和自動送料技術于一體的激光焊接設備,主要應用于聚能電池、手機鋰電池等電池行業;改設備主要采用振鏡掃描和焊接系統相結合,焊接速度快
2024-09-23 14:05:57
咖啡壺脈沖激光焊接設備應用范圍: 激光焊機可應用范圍:動力電池、電子元件、傳感器、鐘表、精密機械、通信、廚具衛浴、門把手、刀柄、汽車安全氣囊、汽車
2024-09-25 13:51:57
電熱管脈沖激光焊接機的配置怎樣:除一些簡單的機箱機柜外使用國產的,像自動激光焊接機的核心部件都是使用德國原裝的零部件,設備壽命高達10年之久,打破2年沒問題的紀錄。全天候24小時開機工作,匹配大功率
2024-09-28 11:58:22
咖啡壺脈沖激光焊接機應用范圍: 激光焊機可應用范圍:動力電池、電子元件、傳感器、鐘表、精密機械、通信、廚具衛浴、門把手、刀柄、汽車安全氣囊、汽車
2024-09-29 16:15:33
正信茶漏脈沖激光焊接機采用原裝國外配件,性能穩定,故障率低,使用壽命長達10年以上;焊接效率高、效果好、操作簡單方便,主要采用電腦編程,完成自動或半自動的點焊、對接焊、疊焊、密封焊,完成復雜的平面
2024-10-22 09:16:08
200W全橋相位調制型開關電源電路
2009-03-01 10:34:51
1539 
脈沖激光電源的設計與研制
摘要:介紹了一種新型脈沖激光電源的設計與研制,給出了這種電源的電路原理圖和調試
2009-07-15 08:39:58
2354 
脈沖激光電源電路原理圖
脈沖激光電源的原理方框圖如圖1所示。它由觸發電路、主變換器電路和高壓充放電電路等三大部分組成。其電路原理圖如
2009-07-15 08:41:44
14625 
移相全橋式IGBT超聲波電源的研制
摘要:介紹了某型超聲波電源的工作原理,采用移相式全橋串聯諧振電路,以IGBT為功率
2009-07-16 08:11:46
3144 
Econo FourPACK IGBT模塊是一種專門為緊湊型全橋輸出的雙變換不闖斷電源開發的低寄生電感模塊。與傳統的IGBT半橋模塊設計習慣采用兩條直流母線排的形式不同,Econo封裝使用焊接式引腳方便使用PCB板疊層母線。這種封裝形式的模塊已在馬達驅動中大量使用。通過
2011-03-15 00:45:53
184 深入分析了YAG脈沖激光電源的工作原理,根據氙燈特殊的電氣特性,設計了硬件電路和軟件程序。采用MOSFETS場效應管半橋逆變器,以SG3525為驅動的PWM技術的電源設計,針對氙燈泵浦YA
2011-03-18 16:08:23
221 本文介紹的激光電源為工作于重復脈沖方式的固體激光器提供電能。該激光器采用氙燈作泵浦光源,在惰性氣體燈中,氙氣的總轉換效率最高。激光器用于激光打標,工作頻率每秒60次
2011-06-29 09:21:18
5560 
本文針對10 kW三相IGBT全橋變換器設計了一種隔離驅動電源,提供4路相互隔離的輸出,每路輸出均提供+15 V/-9 V電源。電源功率較小,考慮成本和效率,采用單端反激式結構。
2011-08-19 11:35:12
13207 
簡潔的電路產生4路全橋驅動脈沖信號,無需隔離,實現了板上電源的緊湊設計,提高了功率密度。對關鍵信號的產生進行了仿真實驗,結果表明,該電源電路簡潔、高效、可靠,與IGBT半橋集成
2011-11-03 15:06:55
116 文章介紹高壓氙燈設計的 IGBT 脈沖式激光電源,詳細闡述了工作原理、設計方法和仿真過程,并給出實驗波形。其主電路采用全橋 PWM 工作方式,該電源具有很高的可靠性和良好的動態
2011-12-19 13:42:14
101 提出了一種基于IGBT的高壓脈沖電源,系統由能源系統和脈沖產生回路構成,由單片機來控制IGBT的觸發,其設計輸出為方波,電壓幅值在50 100 kV可調,脈沖寬度在l~10 s可調,頻率在1~
2011-12-19 14:04:33
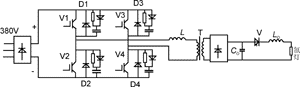
125 全橋型IGBT脈沖激光電源電路V1—V4組成橋式逆變器,兩端并聯RCD吸收支路,L為限流電感,Co為儲能電容.
2011-12-19 14:44:26
2675 
提出一種新型脈沖激光測距方法自觸發脈沖飛行時間激光測距方法。運用該方法有效解決了傳統脈沖激光測距法中存在的提高測量精度和縮短測量時間兩者之間的矛盾。對該方法及本質
2012-02-01 15:02:22
71 針對半橋IGBT 集成驅動板上隔離電源及驅動板負載的特點,設計了一種兩組磁芯共用一組高頻全橋開關的DC-DC 隔離電源。簡潔的電路產生4 路全橋驅動脈沖信號,無需隔離,實現了板上
2012-10-11 16:36:24
4692 
針對半橋IGBT 集成驅動板上隔離電源及驅動板負載的特點,設計了一種兩組磁芯共用一組高頻全橋開關的DC-DC 隔離電源。簡潔的電路產生4 路全橋驅動脈沖信號,無需隔離,實現了板上電源的緊湊
2013-05-17 10:33:17
3417 
脈沖激光測距儀的設計-課程設計。
2016-05-05 11:12:26
36 電子專業單片機開發中的學習教程資料——脈沖激光測距接收電路的設計。
2022-11-02 16:54:43
0 自動增益控制的自觸發脈沖激光測距技術,下來看看
2017-01-02 19:33:28
26 時間比例放大法在脈沖激光測距中的應用,下來看看
2017-01-02 19:33:28
25 仿真軟件在脈沖激光器驅動電源設計中的應用
2017-01-24 16:54:24
16 ?以下將為您介紹一些關于脈沖激光器專業術語的解釋。 峰值功率(Peakpower):這是脈沖激光器的專有名詞,同時也是脈沖激光器的一項重要性能指標。它代表著單個脈沖所能達到的最高功率。單位為瓦特(W)。 脈沖寬度(Pulsewidth):簡稱脈寬,是指單個脈
2017-10-13 16:46:33
5 超短及超強脈沖激光是具有廣泛應用的前沿技術, 結合國際上有關該研究的最新進展,介紹了最近在周期量級脈沖激光的產生及包絡相位測量、紅外飛秒鎂橄欖石激光研究、高精度飛秒激光同步、350 TW 啁啾脈沖
2017-11-07 10:46:14
9 本文主要介紹了一種為大電流窄脈沖激光器供電的激光電源的設計方法。文章中首先論述了激光電源的發展現狀。然后根據工作項目的要求 ,通過 CPLD 實現脈沖可調 ,用 VMOS 管實現恒流控制 ,詳細
2017-11-09 17:00:26
27 綜述了脈沖激光技術在溫密物質和沖擊波實驗研究中應用的方法和意義, 對建立溫密物質狀態和測量溫密物質參數的各種方法進行比較。綜述了國內外利用脈沖激光技術開展動高壓物理實驗研究的進展, 介紹了測量超短脈沖激光引起的沖擊波傳播時間的新方法。
2017-11-10 09:39:37
15 的技術指標,激光器電源是隨著激光器的發展不斷完善的。最初的固體激光器電源采用直流線性電源和RC充電電路,這種電源充電效率不高。為減小電源的體積和重量并提高充電精度,開關電源技術引入到激光電源中,它具有低功耗、高
2017-11-13 09:08:46
19 在微加工領域,短脈沖、尤其是超短脈沖激光器正在取代傳統的加工方法。對于超短脈沖激光器,得益于其冷燒蝕特性,因此其對所要加工的材料幾乎沒有任何限制。 在冷燒蝕過程中,材料的去除本質上只能通過化學鍵斷裂
2017-11-13 14:19:23
4 加載實驗中對激勵源的要求,設計基于半橋型開關電路原理的可調穩壓電源、以電容器作為儲能元件的充放電回路,并利用單片機實現對電容充放電過程的調控,以產生頻率和幅值可調的脈沖電流。將激勵源應用于電磁加載實驗,輸出
2018-01-22 16:21:05
1 全橋逆變電路實現低頻交流向高頻交流的轉換,從而降低變壓器的體積,提高電源效率。IGBT由于其兼備場效應管易于驅動、控制簡單、開關頻率高的優勢與BJT雙極型器件低飽和壓降、容量大的特點,被廣泛應用
2018-06-15 15:50:00
26260 
本文首先介紹了脈沖激光器的分類及脈沖激光器的激光級別,其次闡述了脈沖激光能量參數關系及能量換算,最后介紹了常用的脈沖激光器,具體的跟隨小編一起來了解一下。
2018-05-17 14:29:30
26121 在實驗科學中,新發現的(或重新發現的)合成技術在加速感興趣的領域中立即提供增強的性能和簡單性是一件罕見的事情。然而,1980年代末重新發現脈沖激光沉積(PLD)的情況就是如此。自從發現激光器_哈斯
2018-10-19 16:51:56
13 激光電源是高性能自動引燃恒流電源,分為連續激光電源與脈沖激光電源2種,連續激光電源是一種高性能自動引燃恒流電源,脈沖激光電源是專門為脈沖Nd:YAG激光器設計的電源。
2019-04-29 17:39:30
14319 ZGCM系列脈沖激光電源是我公司最新研制的基于觸摸操作控制的一款智能化高精度恒流型開關電源。內部采用基于FPGA和ARM的嵌入式系統軟件編程,外部配備18色彩色液晶屏顯示,顯示和控制部分
2019-07-05 16:44:32
23 激光探測技術是激光技術的一個最重要的方面。激光由于具有高亮度和方向性、單色性好等特點,因此在國防和民用領域中正發揮著越來越重的作用。脈沖激光探測技術作為激光探測技術的一種方式,正在成為世界研究的熱點
2019-12-24 16:48:53
22 脈沖激光測距儀作為軍用裝備器材,發展于60 年代初。經過30 多年的開發、研制和裝備,目前國外已完成了“手持式、腳架式、潛望式、坦克、裝甲、水面艦載、潛艇潛望、高炮、機載、機場測云、導彈和火箭
2020-08-26 10:40:30
3604 超短脈沖打標機:采用超短脈沖激光,可對各種材料特別是透明、反光性強的材料(如超薄液晶玻璃)進行精細打標;具有精度高、熱影響區域極小、打標邊緣無毛刺、無殘渣以及邊緣光滑等優點,還可在各種透明材料內部
2021-03-18 13:35:50
1261 ADP5202:大電流脈沖激光二極管驅動器數據表
2021-04-24 16:24:53
14 微型集成化低功耗脈沖激光器電光調Q電路
2021-06-30 15:32:54
10 1000W全橋型穩壓開關電源(核達中遠通電源技術有限公司怎么樣)-1000W全橋型穩壓開關電源 ? ? ? ? ? ?
2021-08-31 19:32:06
160 緊湊型全橋DC-DC隔離電源電路設計(電源技術圖解大全)-緊湊型全橋DC-DC隔離電源電路設計? ? ? ? ? ? ? ? ? ? ? ??
2021-08-31 19:41:55
63 本篇博客是全橋MOS/IGBT電路搭建的介紹,想了解全橋電路的驅動部分請看博主的單元一:全橋驅動電路詳解。感興趣的可以添加博主QQ:2859340499.逆變電路(Inverter Circuit
2021-11-09 12:51:01
69 PLL系列脈沖激光器是一個小型的那秒脈沖激光器,峰值功率高,便于與其它設備集成,可以根據輸入信號調整脈沖寬度,頻率等。 性能參數: 機械參數: 審核編輯?黃宇
2023-05-06 07:22:29
552 
1、應用領域不同:連續光纖激光器可以是單模也可以是多模的。單模產生的高質量光束能夠應用在材料領域或大氣傳輸,多模工業激光則具有高功率。脈沖激光器具有較大輸出功率,適合于激光打標、切割、測距等。以脈沖
2021-12-08 09:48:26
14229 
光電探測量采用脈沖激光照明半導體襯底并產生電子-空穴對。電子-空穴對擴散到傳感器的電極,從而可以檢測到由載流子擴散所引起的電壓變化。
2023-07-10 08:56:22
1369 
激光誘導擊穿光譜(Laser-inducedbreakdownspectroscopy,LIBS)技術是激光分析中的一項重要方法,廣泛應用于實驗室和工業領域。該技術通過使用短脈沖激光來聚焦樣品表面
2023-10-14 08:05:48
1464 
電子發燒友網站提供《IGBT單相電壓型全橋無源逆變電路.pdf》資料免費下載
2023-11-01 10:06:07
44 為交流電源的電力電子設備。電壓型單相全橋逆變電路是一種常見的逆變電路,其主要特點是輸出電壓波形為正弦波,且具有較高的輸出電壓和功率。 電路結構 電壓型單相全橋逆變電路主要由四個功率開關器件(如IGBT、MOSFET等)組成,
2024-07-08 16:05:29
6081 本文主要介紹了脈沖激光清洗機的基本原理、品牌推薦以及行業應用。圣同智能激光的脈沖激光清洗機因其高效清潔和智能化系統備受贊譽。其在汽車制造、電子零件加工和航空航天等領域具有廣泛應用前景。
2024-08-22 13:32:19
1562 
IGBT(Insulated Gate Bipolar Transistor)三相全橋整流電路的原理是基于IGBT的開關特性,將三相交流電轉換為直流電。 一、IGBT簡介 IGBT是一種復合全控型
2024-09-30 15:33:26
13578 脈沖激光二極管提供強功率短脈沖的能力,使其成為目標指定和測距等軍事應用的理想選擇。事實上,開發這些二極管的許多歷史動機都有軍事淵源。然而,當今的技術進步和成本降低的大背景之下,在測試測量和醫學領域
2024-10-14 18:02:29
994 
? 當今科技迅速發展,超短脈沖激光技術作為一項重要的特種加工技術,引起了廣泛關注。超短脈沖激光以其極短的脈沖寬度和高能量密度,在微納加工領域備受矚目。在諸多應用中,超短脈沖激光輔助碳化硅(SiC)晶
2024-11-25 10:02:10
1329 
脈沖激光焊接機和連續激光焊接機是兩種常見的激光焊接設備類型,它們各有特點和應用場景。以下是它們的區別以及各自的優劣勢:130+7094*0762=電化號 1.?脈沖激光焊接機 特點 脈沖激光
2024-12-02 10:50:30
2121 
連續激光器和脈沖激光器之間的更多區別。 QCW 與脈沖 您會遇到三種類型的激光器:連續波 (CW)、準連續波 (QCW) 和脈沖激光器。QCW 激光器也是脈沖激光器,但它們的脈沖在微秒范圍內,而脈沖激光器在納秒范圍內,并且更窄更快。通常,脈沖
2025-04-27 06:24:33
1449 
隨著集成電路高集成度、高性能的發展,對半導體制造技術提出更高要求。超短脈沖激光加工作為一種精密制造技術,正逐步成為半導體制造的重要工藝。闡述了超短脈沖激光加工技術特點和激光與材料相互作用過程,重點介紹了超快激光精密加工技術在硬脆半導體晶體切割、半導體晶圓劃片中的應用,并提出相關技術提升方向。
2025-05-22 10:14:06
1329 
評論