|
電池巡檢技術的應用設計?? 摘要:蓄電池作為動力系統的重要組成部分,其使用壽命和安全可靠性是用戶關注的焦點。為此,介紹了一種電池巡檢技術的軟硬件設計,它適用于與開關電源以及UPS配套的蓄電池的大規模巡檢。 關鍵詞:電池;開關電源;電池巡檢 Application and Design of Battery Patrol? HUANG Jian- jiang? Abstract:Battery is the important constituent part of the power system, the life and reliability of battery is the attention focus of the users,thus,a kind of hardware circuit and software design of the battery patrol technology are introduced which is applicable to the large scale patrol of the battery matched with the switching power supplies and UPS.? Keywords:Battery; Switching power supplies; Battery patrol
1? 引言 ??? 要延長蓄電池使用壽命,充電器必須具備完善的充電管理功能,例如:均衡充電、溫度補償、周期均充、蓄電池充放電測試、蓄電池容量試驗、電池深放電保護、二次下電等功能。如果單節蓄電池失效(也稱落后電池)導致整組蓄電池失效,這些功能對于已經失效的蓄電池就顯得意義不大。為此,本文著重討論了一種電池巡檢技術,它可以最多檢測256節蓄電池(鉛酸或鎳鎘蓄電池),蓄電池額定電壓為2V、4V、6V和12V,電池電壓的巡檢分辨率達到±5mV。 2? 電源監控系統 ??? 本文所涉及的高頻開關電源的智能監控系統如圖1所示,采用了總線式測控技術。在測控總線上外掛了六種功能擴展板:交流監測板、直流監測板、電池巡檢板、絕緣監測板、環境監測板和電氣控制板。這六種檢測板可以根據用戶需要進行靈活的取舍,而且系統調測和工程維護也非常方便。
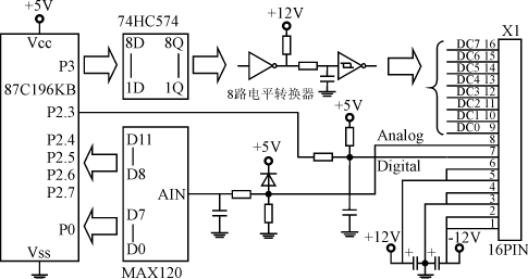
圖1? 開 關 電 源 監 控 系 統 原 理 框 圖 3? 硬件電路設計 3.1? 監控接口電路 ??? 電池巡檢的監控接口電路框圖如圖2所示,它也是測控總線的接口電路。把單片機87C196KB的P3口 用 鎖 存 器 74HC574擴 展 成 測 控 總 線 驅 動 電 路 , 經 8路 電 平 轉 換 器 轉 換 后 , P3口 的 數 據 作 為 測 控 總 線 接 口 X1的 功 能 擴 展 控 制 信 號 ( DC0~ DC7) , 即 各 個 功 能 擴 展 板 的 公 共 控 制 信 號 。 各 個 功 能 擴 展 板 所 采 樣 的 模 擬 量 ( Analog) 和 數 字 量 ( Digital) 分 別 接 到 X1的 8# 和 7# 引 腳 ( 作 為 公 共 數 據 輸 入 通 道 ) , 模 擬 量 經 12位 高 速 A/D轉 換 器 MAX120處 理 后 輸 入 到 87C196KB的 P0和 P2口 , 數 字 量 輸 入 到 87C196KB的 P2.3引 腳 。 針 對 電 池 巡 檢 板 而 言 , 模 擬 量 是 分 時 輸 入 的 每 節 電 池 電 壓 信 號 , 數 字 量 是 分 時 輸 入 的 每 節 電 池 極 性 信 號 , 其 它 功 能 擴 展 板 的 測 量 信 號 不 再 贅 述 。
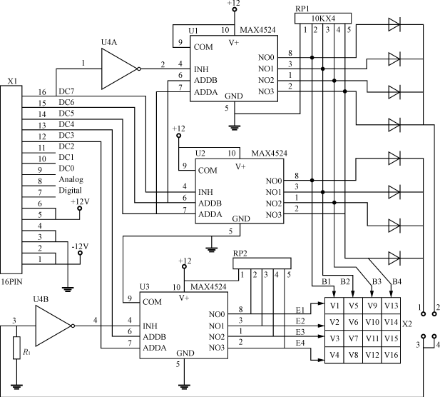
圖2? 監 控 接 口 電 路 框 圖 3.2? 地址譯碼電路 ??? 要巡檢每節蓄電池,單片機就必須能分時識別各節蓄電池的物理地址,從而對每一節蓄電池進行信號采樣和處理,為此設計了地址譯碼電路。譯碼電路主要采用MAXIM公司的多路轉換器MAX4525作為二四譯碼器(見表1)。 表 1? MAX4524真 值 表
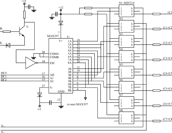
??? 設計思路:每塊電池巡檢板最多可檢測128節的蓄電池,以每8節蓄電池作為一小組,128節蓄電池可分成16小組。每小組8節蓄電池通過一個電池采樣單元BSU(BatterySamplingUnit)來采樣(見圖4),共需16個BSU。由DC0~DC2譯碼控制每個BSU中的8節蓄電池的信號采樣,DC3~DC6譯碼控制16個BSU的選通,DC7作為兩塊電池巡檢板聯合巡檢時的板選信號。 ??? 上述設計思路可概括為23×22×22×21=256,結合實際電路(見圖3和圖4),其中 ??? 1)23是指三八譯碼,即DC0~DC2控制雙8通道多路轉換器MAX397,采樣每小組8節蓄電池的電壓(見圖4和3.3詳述); ??? 2)22×22是指兩組二四譯碼,即DC3和DC4通過U3(MAX4524)產生4路控制信號E1~E4,DC5和DC6通過U1或U2(MAX4524)產生4路控制信號B1~B4,把E1~E4作為圖4中的三極管的發射極,B1~B4作為三極管的基極。根據乘法原理B1~B4和E1~E4可以控制16個NPN三極管Vk(k=1~16)。在圖4所示的BSU電路中,通過開關三極管Vk對MAX397進行選通,在未譯碼時,Bi(i=1~4)為低電平,Ej(j=1~4)為高電平,三極管Vk截止,則DC0~DC2控制無效;在譯碼時,Bi為高電平,Ej為低電平,Bi和Ej所對應的三極管Vk被開啟,第k個BSU被選通,則DC0~DC2控制有效(見表2); 表 2? DC3~ DC7的 譯 碼 表
??? 3)×21是指DC7控制U1、U2的選通,即當DC7為低電平時,DC5和DC6經U2譯碼變為B1~B4,從而控制第一塊電池巡檢板的第1~128節蓄電池的采樣(每節地址代碼:00~7F);當DC7為高電平時,DC5和DC6經U1譯碼變為B1~B4,從而控制第二塊電池巡檢板的第129~256節蓄電池的采樣(每節地址代碼:80~FF)(見圖3);
圖 3? 地 址 譯 碼 電 路 ??? 4)=256是指兩塊電池巡檢板可以聯合巡檢的最多蓄電池節數。圖3中的插座X2是電池巡檢板受控于DC7的板選信號跳線開關,因為U1或U2在工作時B1~B4必然有一路輸出高電平,經X2和U4B(非門)后,以低電平選通U3,如果X2未跳線,U3處于 高 阻 狀 態 而 無 法 控 制16個 BSU。 實 際 使 用 時 根 據 工 程 規 模 通 過 操 作 X2來 決 定 巡 檢 板 的 塊 數 。 如 果 把 兩 塊 巡 檢 板 通 過 總 線 并 聯 接 入 監 控 器 , 當 把 第 一 塊 巡 檢 板 上 的 X2的 1- 3引 腳 跳 線 時 , 監 控 器 將 測 控 此 板 , 并 且 把 第 二 塊 巡 檢 板 X2的 2- 4引 腳 跳 線 時 , 監 控 器 將 測 控 兩 塊 巡 檢 板 , 而 第 二 塊 巡 檢 板 的 X2不 跳 線 或 者 只 跳 X2的 1- 3引 腳 時 , 監 控 器 只 測 控 第 一 塊 巡 檢 板 。
圖4? 電池采樣單元BSU電路 3.3?? 采樣電路 ??? 電池采樣單元BSU的設計思路是,通過MAX397雙路分時依次驅動PhotoMOS繼電器AQV214,把每節電池電壓選送到采樣總線VC+與VC-上。 ??? 如圖4所示,BSU采用的核心器件是,MAXIM公司的雙8通道多路轉換器MAX397和NAIS公司的PhotoMOS繼電器AQV214。為了敘述方便,用Uk代表第k個MAX397(k=1~16),用Ni代表第i個AQV214(i=1~129),用Cj代表第j節蓄電池(j=1~128)。第1個BSU-U1(MAX397)與AQV214的接法是,U1的1A接N1的腳2,U1的2A與1B相連后接到N2的腳2,U1的3A與2B相連后接到N3的腳2,...,U1的8A與7B相連后接到N8的腳2,8B接到第2個BSU—U2(MAX397)的1A,其他BSU的接法與此相同。于是,只要將上一個BSU—MAX397的8B接到下一個BSU—MAX397的1A即可把16個BSU串聯在一起。另外,MAX397的COMA、COMB接地,Ni的腳1接正電源。當i為奇數時,Ni的腳6全部連接到采樣總線的VC+上,當j為偶數時,Ni的腳6全部連接到采樣總線的VC-上。蓄電池與巡檢板的接法是:N1的腳4接+C1,N2的腳4接-C1和+C2,N3的腳4接-C2和+C3,N4的腳4接-C3和+C4,...,N126的腳4接-C125和+C126,N127的腳4接-C126和+C127,N128的腳4接-C127和+C128,N129的腳4接-C128。在實際使用時根據用戶對監控器參數的設置,監控器可在256節的范圍內檢測任意組合方式的蓄電池組。 ??? 圖3的地址譯碼電路對三極管Vk(k=1~16)進行開關控制,Vk輸出經過非門電平轉換后接到MAX397的使能端(EN),從而對BSU進行選通控制。當EN=1時,DC0~DC2控制MAX397的A0~A2去觸發PhotoMOS繼電器AQV214,例如:當單片機選定第1個BSU,DC0~DC2為110時,MAX397的7A和7B通道被選通,于是,電流從+12V通過N7、N8(AQV214)的引腳1、2分別經7A-COMA和7B-COMB兩通道形成回路,則N7、N8被觸發,使其引腳4、6閉合,此時,第7節電池電壓+C7和-C7分別輸送到采樣總線VC+與VC-上,對于MAX397的其它通道的采樣控制,讀者就不難推理了(見表3)。 表3? MAX397真值表
??? 當電源監控系統運行時,單片機的P3口輸出數據00~FF到總線接口的DC0~DC7,其中,DC7選定兩塊巡檢板中一塊,DC3~DC6(0000~1111)選定16個BSU中的某一個,DC0~DC2(000~111)把已選定BSU上外掛的8節蓄電池中的某一節的電壓輸送到VC+與VC-上,具體的巡檢原理如表4所列。 表 4? 單 片 機 的 P3口 的 數 據 與 所 巡 檢 的 蓄 電 池 的 對 應 關 系
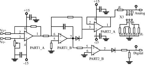
3.4? 信號處理電路 ??? 設計思路是單片機不僅需要識別每節電池的電壓,還需識別每節電池的極性,因此,把采樣總線VC+和VC-上的信號處理成單片機所需的模擬信號和數字信號。 ??? 如圖5所示,VC+和VC-經PART1_A(差分比例運算放大器)處理后的模擬信號,作為PART1_B的輸入信號。PART1_B是絕對值電路和比較器的合成電路,從PART1_B的比較器輸出的正負信號經PART2_B(由比較器、二極管和電阻構成的電平轉換電路)處理后得到每節電池的極性數字信號(高電平:正極性,零電平:負極性);從絕對值電路輸出的正值信號Vco(0~12V)經PART2_A(跟隨器)輸出到由R1~R6和X3跳線構成的電阻網絡。此電阻網絡經X3跳線來對不同型號的蓄電池采樣電壓進行調整,比如:如果R1~R6阻值為10kΩ,X3不跳線時,適合采樣2V電池;X3的1-4跳線,模擬信號的幅值則為Vco的1/2,適合采樣4V電池;X3的2-5或3-6跳線,模擬信號的幅值則為Vco的1/3,適合采樣6V電池;X3的全部跳線,模擬信號的幅值則為Vco的1/6,適合采樣12V電池。
圖 5? 信 號 處 理 電 路 ??? 在巡檢120節、容量200Ah、單節2V蓄電池的情況下,圖6和圖7分別是模擬信號測試點和數字信號測試點波形。
圖6? Analog測試點波形圖
圖7? Digital測試點波形圖 4? 軟件設計 ??? 電源監控系統的軟件包括鍵盤處理、液晶顯示、交流監測、直流監測、電池巡檢、絕緣監測、環境監測、電氣控制、集中監控、整流模塊通信和控制、告警回報等軟件。電池巡檢主要匯編程序清單如下: ????????? DATA;外部RAM CellV?? DS5? 12 ;每節蓄電池電壓采樣數據區首址 CellPol:? DS2? 56 ;每節蓄電池極性采樣數據區首址 AuxFP:??? EQU???? 0EC00H ;74HC574的入口地址 ????????? RSECT;內部RAM ax:????? DS?????? 2 ;暫存寄存器定義 bx:?????? DS?????? 2 cx:?????? DS?????? 2 al:?????? EQU????? ax ah:?????? EQU????? (ax+1) bl:?????? EQU????? bx bh:?????? EQU????? (bx+1) cl:?????? EQU????? cx ch:?????? EQU????? (cx+1) Pointer?? DS??? 2 ;蓄電池地址指針 Px??????? DS??? 1 ;蓄電池組數(用戶設置) Py??????? DS??? 1 ;每組蓄電池節數(用戶設置) Pz??????? DS??? 1 ;每節蓄電池額定電壓(用戶設置) BatEn???? DS??? 1;電池巡檢功能使能(用戶設置) Bat1En??? DS??? 1;電池巡檢板1使能(用戶設置) Bat2En??? DS??? 1;電池巡檢板2使能(用戶設置) Num?????? DS??? 2;整個電源系統蓄電池的總節數 i???????? DS??? 2 ????????? CODE;程序代碼部分 ld??????? Pointer,#0;相關變量初始化 ld??????? i,#1 ld??????? ax,#CellVo Init1:??? st??? #0,[ax]+;蓄電池電壓采樣數據區初始化 ????????? inc?? i ????????? cmp?? i,#256 ????????? jlt?? Init1 ????????? ld??? i,#1 ????????? ld???? bx,#CellPol Init2:??? st??? #0,[bx]+;蓄電池極性采樣數據區初始化 ????????? inc??? i ????????? cmp??? i,#128 ????????? jlt??? Init2 ????????? ld???? ax,#CellVo ????????? ld???? bx,#CellPol;電池巡檢中斷服務程序 Patrol:cmpb??? BatEn,#1;電池巡檢功能是否使能 ?????? jne???? Endptl ?????? mulb??? Num,Px,Py ?????? cmpb??? Num,#128 ?????? jle???? Check1 ?????? cmpb??? Bat2En,#1;電池巡檢板2是否使能 ?????? je????? Check1 ?????? ld????? Num,#128 Check1:cmp?????? Bat1En,#1;電池巡檢板1是否使能 ?????? jne?????? Endptl ?????? ld??????? AuxFP,Pointer;電池巡檢入口地址 ?????? lcall???? ADC;12位A/D轉換 ?????? stb?????? Ioport0,cl;轉換結果處理 ?????? stb?????? Ioport2,ch ?????? shrb????? ch,4;高四位移位 ?????? st??????? cx,[ax]+;保存當前該節電池電壓 ?????? stb?????? Ioport2,cl ?????? shrb????? cl,3;開關量移至低位 ?????? andb????? cl,#01 ?????? stb?????? cl,[bx]+;保存當前該節電池極性 ?????? inc?????? Pointer;指針下移 ?????? cmp??????? Pointer,Num;一遍巡檢結束否 ?????? jlt?????? Endptl ?????? ld???????? Pointer,#0;指針復位 ?????? ld???????? ax,#CellVo;數據區復位 ?????? ld???????? bx,#CellPol Endptl:ret;一次中斷結束 ??? 電池巡檢中斷服務程序Patrol的流程如圖8所示,Patrol在中斷響應后把當前選定的那節蓄電池的電壓和極性存入相應數據區,為單片機顯示、告警、通信等功能提供電池巡檢的原始數據。根據用戶設置蓄電池組數、每組蓄電池節數和額定電壓值,把電池巡檢的原始數據作相應修正后,在電源監控器上即可顯示每組蓄電池的每節電池電壓,以及每節電池電壓偏離平均電池電壓的百分比,在動力環境集中監控系統上可以非常方便地根據每節蓄電池電壓的柱狀圖或曲線圖來分析蓄電池組的性能。
圖8電 池 巡 檢 中 斷 服 務 程 序 流 程 圖 5? 結語 ??? 這種電池巡檢技術非常適合對各種通信電源、電力電源、UPS配套的蓄電池進行大規模監測。實踐證明我們研制的電池巡檢產品具有研發周期較短、生產成本較低、調試方便、用戶返修率很小的優點,并且巡檢分辨率高,響應速度快。其不足之處是在同一塊巡檢板中,使用較多的同一類元器件(如:MAX4524、MAX397)之間的精度相差太大,會影響巡檢信號的穩定性。 參考文獻 [1]? Maxim Integrated Products, Inc. Low-Voltage,Single? Supply Multiplexer and Switch MAX4524 MAX4525.(c)2000 Maxim Integrated Products, 6.0 edition, 2002; [2] Maxim Integrated Products, Inc. Precision,16-Channel/Dual 8-channel,Low-Voltage,CMOS Analog Multiplexer MAX396 MAX397.(c)2000 Maxim Integrated Products, 6.0 edition, 2002; [3]? 孫涵芳.Intel16位單片機[M].北京航空航天大學出版社,1995. | ||||||||||||||||||||||||||||||||||||||||||||||||||||||||||||||||||||||||||||||||||||||||||||||||||||||||||||||||||||||||||||||||||||||||||||||||||||||||||||||||||||||||||||||||||||||||||||||||||||||||||||||||||||||||||||||||||||||||||||||||||||||||||||||||||||||
電池巡檢技術的應用設計
- 應用設計(8625)
相關推薦
熱點推薦
電池與用戶之間的紐帶--電池管理系統技術解讀
電池與用戶之間的紐帶--電池管理系統技術解讀電池管理系統,簡稱BMS。BMS一般是一個整體系統中的一個子系統,它直接檢測及管理儲能電池工作的全過程,包括電池充放電過程管理、電池溫度檢測、電池電壓
2014-06-12 10:03:17
電池管理技術介紹
生活在科技完善的今日,我們很容易忘記我們幾年前那種“原始”的生活狀態。那時候我們還會使用電話薄、紙質車票和DVD播放器等過氣的產品。如果說電子產品的出現改變了我們的生活方式,那么電池技術的發展則改變
2022-11-21 06:22:43
電池管理技術的發展
生活在科技完善的今日,我們很容易忘記我們幾年前那種“原始”的生活狀態。那時候我們還會使用電話薄、紙質車票和DVD播放器等過氣的產品。如果說電子產品的出現改變了我們的生活方式,那么電池技術的發展則改變
2018-09-10 14:48:17
電池管理系統技術解讀-電池與用戶之間的紐帶
故障診斷等幾個方面。而電池管理的難點和關鍵技術在于:(1)如何根據采集的每塊電池的電壓、溫度和充放電電流的歷史數據,建立確定每塊電池剩余能量的較精確的數學模型,即儲能電池的SOC狀態計量技術。(2)儲能電池
2014-12-13 15:37:02
HZD-HX型微機智能自動巡檢控制設備
HZD-HX型微機智能自動巡檢控制設備技術參數 1、對于消防水泵來說,普遍存在一個問題:那就是在建筑物發生火災時,有相當多的消防泵在接到啟動信號后不能啟動,沒有水無法滅火,延誤了滅火時機,給國家財產
2017-05-26 14:06:21
UPS電源每一節電池的數據怎么去查看呢
?都知道UPS電源的電流、電壓以及運行狀態的數據需要做到心里有數,那么對于每節電池的電壓和狀態又怎去查看和管理呢?這個問題,可以通過竣達技術的24路電池巡檢單元,每個電池巡檢單元支持24節串聯電池...
2021-12-28 07:26:22
UWB定位系統應用方案:智能巡檢、智能考勤、訪客管理
傳統的巡檢管理方法難以有效監督巡檢人員。 UWB定位系統智能巡檢EHIGH恒高智能巡檢方案以現代技術預設巡檢路線,采用通信、UWB實時定位、視頻監控等技術來確保巡檢人員的真實到位。智能巡檢方案可幫助
2020-03-31 10:19:50
?RFID電力設備智能巡檢管理解決方案
1.行業應用對于電力巡檢人員,如何有效提高巡檢工作質量?如何有效地將巡檢數據信息化?如何消除巡檢工作過程中的安全隱患?這是巡檢部門很多年的困擾。隨著物聯網技術的發展,資深從業人員用RFID技術
2020-09-22 14:49:38
【MDP-XP數字電源申請】四輪差速巡檢機器人應急/調試供電
項目名稱:四輪差速巡檢機器人應急/調試供電試用計劃:申請理由:本人在硬件電路設計領域有7年的學習、開發經驗,主要硬件平臺涉及DSP(TI C6000系列)、FPGA(Microsemi 公司產品
2019-08-27 15:38:53
【mBot申請】基于STM32的多危險氣體巡檢系統
申請理由:我想借助于咱們的這個機器人用于我們的這個小項目中,這樣既可以節省我們項目的開發時間和開發成本,又可以為咱們的這個品牌起到一定的宣傳作用。項目描述:系統研究一種可檢測多種危害氣體的智能巡檢
2015-11-30 15:19:09
傳統巡檢與GPS巡檢系統對比
傳統巡檢系統:目前市場上的傳統巡檢系統,分為接觸式和感應式(非接觸式)兩種,這兩種巡檢系統,都需要在指定地點安裝巡檢點;巡檢人員到達指定地點后,接觸一下巡檢點,讀取相應該的地點信息。巡檢工作結束后
2013-03-27 10:16:44
變電站巡檢管理系統
一、隨著我國經濟的高速發展,對電力輸電網電廠設備等基礎設施的安全運行也提出了更高的要求,各大電力公司均在線路、設備的巡檢和維護上投入了大量的人力、物力。但是,由于技術條件的限制,使得電力巡檢環節上
2015-11-21 11:10:54
基于RFID進行變電設備巡檢有什么優點?
。識別工作無須人工干預,可工作于各種惡劣環境。RFID技術可識別高速運動物體并可同時識別多個標簽,操作快捷方便。通過RFID 自動巡檢系統,大大提高了電力行業的安全巡檢能力,使這項工作達到了一個新的層次。運用RFID技術進行變電設備巡檢主要有以下幾方面優點:
2019-10-08 10:35:57
基于無線通信傳輸的頭盔式單兵3G無線視頻巡檢系統
的網絡傳輸糾錯技術,在有限帶寬下保障視頻數據的流暢傳輸。前端實現雙碼流編碼,分別用于傳輸和前端高質量的存儲。頭盔式單兵3G無線視頻巡檢系統是一個集視頻采集、實時壓縮、網絡傳輸(有線或無線)等功能為一體
2012-09-12 13:55:18
多路巡檢儀的作用是什么?
多路巡檢儀采用先進的微電腦技術及芯片,性能可靠,抗干擾能力強,與各類傳感器、變送器配合使用,可對多路溫度、壓力、液位、流量、重量等工業過程參數進行巡回檢測、報警控制、變送輸出、數據采集及通訊。
2019-09-27 09:10:33
如何使用近場通信技術實現了無電池鍵盤?
此解決方案使用近場通信 (NFC) 技術實現了無電池鍵盤。此解決方案的核心部分是可以由主機微控制器讀寫的TI動態NFC標簽。支持NFC的手機可以快速發現并識別該鍵盤,然后在鍵盤和應用程序之間建立連接
2020-11-24 07:23:03
如何利用嵌入式系統設計巡檢器?
在現代化生產中,為了確保機械設備能夠安全可靠的運行,可以利用故障診斷技術來及時發現故障,并采取合理的維修或保護措施來排除故障,從而預防和避免事故的發生。根據故障診斷儀器出現的先后順序,可以將其分為
2019-08-01 07:13:36
如何實現擁有強悍功能智能巡檢機器人
新一輪的科技和產業變革的加速演進,5G和人工智能與機器人技術深度融合,這讓特種機器人的應用場景不斷拓寬,在各行各業中發揮著的作用也愈加關鍵。?編輯切換為居中01智能巡檢機器人在城市快速發展的過程中
2023-04-12 15:49:23
廣電網絡實時巡檢管理系統淺談
日常巡檢管理制度不落實造成的。因此,加強線路巡檢工作的管理是避免發生阻斷的關鍵。【關鍵詞】:線路巡檢;;實時管理【DOI】:CNKI:SUN:GBXX.0.2010-03-023【正文快照】:隨著網絡
2010-04-23 11:39:14
智能消防巡檢柜應用的幾大要求
FX-XF消防泵自動巡檢控制設備與消防聯動控制中心相連接 全天候聯動監控,突發事故及時預警。火警廣播系統與火災 逃生應急系統及時響應,做到火災防范與火災事故處理24小 時協調工作,更佳保證用戶
2020-11-03 16:59:31
智能消防巡檢柜的功能特點分析,重慶祥泰電氣
FX-XF消防泵自動巡檢控制設備與消防聯動控制中心相連接 全天候聯動監控,突發事故及時預警。火警廣播系統與火災 逃生應急系統及時響應,做到火災防范與火災事故處理24小 時協調工作,更佳保證用戶
2020-10-28 17:37:17
消防巡檢控制柜專用電氣元件:消防泵自動巡檢控制器
消防智能數字巡檢裝置,又稱消防自動巡檢控制柜。巡檢為低頻巡檢,巡檢時電機轉速為300轉/分,水系統不增壓、無啟動電流、極大地延長了設備的使用壽命。巡檢方式安全性高、低電流、低功耗,是唯一符合標準要求
2019-11-08 17:19:53
溫度巡檢儀和LabVIEW的連接測試
這是別人寫的溫度巡檢儀和LabVIEW的連接,不明白這部分的程序的意思,求指點。。。。。還有就是要在這部分的基礎上在前面板上顯示溫度巡檢儀上選擇的溫度傳感器數@ElecFans王岑
2017-09-22 11:11:43
電力指紋安全巡檢系統
電力行業保質保量的設備巡檢可以保障供電系統的安全運行,科學技術在日新月異的向前發展,運用一項科學、規范的巡檢模式是解決目前在整個巡檢工作的有效辦法,使用射頻技術和指紋識別技術對電力行業的設備進行安全
2008-11-25 10:50:02
離線指紋巡檢器
; 可設置關機模式,設定巡檢一個點后自動關機或等待一段時間無操作后自動關機; 技術指標 &
2008-11-05 11:59:15
蓄電池測試儀在在線系統的應用案例
福祿克公司最新的蓄電池測試儀KUNLUN產品提供試用活動,他們當即決定帶福祿克工程師及測試儀器到現場進行巡檢。 此次巡檢的災備機房配有超過4千節電池,并全部配有某品牌的在線蓄電池監控系統。Emerson
2017-08-10 15:43:39
超寬帶(UWB)定位技術機房巡檢管理應用
可能好多人對UWB還不是很了解,現在SKYLAB也有在做(UWB)超寬帶這一定位技術,下面小編通過下文來帶大家深入了解這一項定位技術和應用。 超寬帶:英文翻譯(Ultra Wideband, UWB
2016-09-12 10:27:58
配電室巡檢內容及注意事項
配電室是電力設備的重要部門,負責供電、配電或輸出電能,因此配電室的巡檢是必不可少的工作。下面列出配電室巡檢內容和注意事項。 一、配電室巡檢內容: 1. 檢查進出門的開關和鎖,檢查門縫是否緊密
2023-04-10 10:17:58
采用NBiot的新型電子巡更巡檢解決方案
校園、工業園、機場、寫字樓以及高檔小區均對安保人員的巡邏、巡視工作有更高要求,利用室內外定位技術實時獲得安保人員的當前位置和行動路線,是對安保人員部署和調度優化的重要支撐,也是未來電子巡更、巡檢
2020-06-30 09:50:03
維諦EBU02電池巡檢儀
1.EBU02檢測19節電池單體電壓。2.能根據電池單體電壓自動分成2V、6V、12V三檔測量以提高測量精度。 維諦EBU02電池巡檢儀參數:1、輸入電壓范圍:80~320Vdc2
2022-12-01 15:56:59
燃料電池單片電壓巡檢顯示模塊設計
為了能夠準確實時的監測燃料電池單片電壓, 設計了單片電壓巡檢系統顯示模塊。該模塊主要由單片機PIC18f258、液晶顯示器CA12864F 及鍵盤組成。單片機對采集的各單片燃料電池
2009-08-04 14:35:04
28
28基于單片機微控器的蓄電池巡檢儀數據采集的研制
本文結合目前的發展狀況,提出了一種對應急電源系統中蓄電池巡檢的實現方式。文中著重介紹了基于單片機微控器的蓄電池巡檢系統數據采集軟硬件的設計。此設計方案的實現,
2009-10-16 09:30:41
30
30智能型溫濕度巡檢儀,無線溫濕度巡檢儀
TH-485智能型溫濕度巡檢儀,無線溫濕度巡檢儀智能型溫濕度巡檢儀是一種用于監測和記錄、校準環境溫度和濕度的設備,它能夠實時獲取數據并提供報告,為各行各業的溫濕度管理提供了便利和準確性。隨著
2023-07-26 16:29:04
基于MSP430F149的智能電池巡檢系統的設計
介紹了電力操作電源與智能電池巡檢系統的特點,給出了一種基于超低功耗單片機MSP430 F149針對中小型變電站自動化運行的專用設備的基本設計原理及實現方法,最后給出了詳細硬件
2010-12-09 15:51:22
32
32RFID技術在設備巡檢的應用,利用RFID技術與無線局域網進行設備巡檢
設備的巡檢工作是保障設備順利運行的一項重要措施,巡檢是一項時效性較強的工作,要求值班人員必須周期性地巡檢每一個巡檢點。
2017-04-21 16:09:19
1480
1480基于RFID的消防器材巡檢系統
根據目前消防器材巡檢仍以傳統的手工記錄,紙質存檔為主,以及對于巡檢人員的監管效率低下的現象,設計了一種基于RFID的消防器材巡檢系統。該系統設計利用RFID技術對巡檢結果進行采集,通過GPRS網絡將
2017-12-07 14:18:46
3
3解析無人機在電網企業中的巡檢技術應用及前景展望
無人機巡檢作為一種使用可見光及紅外熱像儀等巡檢設備對輸電線路進行巡視檢查的全新巡檢技術,與人工巡檢相比具有許多優點。
2018-01-17 10:13:05
9961
9961如何使用GPS和GIS技術進行智能巡檢系統的設計
電力系統中運行的各種電氣設備, 如果巡檢不到位,就不能完全發現設備存在的缺陷。如何保證人員巡視到位,提高巡檢質量,及時發現異常和缺陷,是供電企業管理者必須思考的問題。基于 GPS(全球衛星定位系統)和 GIS(地理信息系統)技術的智能巡檢系統的出現,很好地解決了這個問題。
2019-04-29 08:00:00
1
1基于MIS和RFID技術的巡檢有什么不一樣
將生產MIS和RFID技術引入到變電站巡檢工作中,有效避免了以往漏巡、責任混淆等問題,促進了巡檢工作質量和效率的提升以及變電站規范化和信息化水平的提高。
2019-12-12 11:48:47
1024
1024
如何使用北斗衛星技術實現天然氣管線智能巡檢系統
傳統的天然氣管線巡檢系統比較落后,且效果差、成本高,無法滿足現代化天然氣企業的發展。“北斗”衛星技術是一種定位技術,將其應用在巡檢系統的改良中,能有效彌補傳統巡檢系統的不足。文章就此展開了討論,詳細分析了天然氣管道巡檢系統的現狀,然后提出了一種采用“北斗”衛星技術的智能巡檢系統解決方案。
2020-01-17 08:00:00
2
2RFID技術在設備巡檢上可以如何應用
利用RFID技術與無線局域網進行設備與管道巡檢,通常應用于電力、制造型企業設備巡檢、石油化工管道巡檢等。在廠區內沿巡檢路線覆蓋無縫無線網絡,在每個巡檢監測點安裝一個RIFD標簽,標簽記錄巡檢監測點的基本信息。
2020-03-29 19:58:00
949
949使用RFID技術實現自動巡檢的典型案例
怎么使用RFID技術實現自動巡檢?隨著科技的發展,機器人自動巡檢逐漸取代人工,完成一些比較危險的任務,并可提高工作效率。
2020-06-10 11:33:24
1713
1713使用RFID技術實現機器人自動巡檢案例介紹
當今,隨著我國經濟水平的快速提升和科學技術的不斷進步,我國在機器人自動巡檢方面取得了很大的進步。當前,機器人自動巡檢大大地提高了我們的工作效率。除此之外,它還能代替人工完成一些危險的任務。
2020-06-21 10:28:00
4434
4434多功能新技術解決管道無人機巡檢關鍵技術難題
傳統人工巡檢存在巡檢效率低、特殊地段巡檢困難、安全隱患排查困難和不及時等問題。近年來,無人機因其方便、快捷、高效等特點,在油氣管道巡檢方面嶄露頭角,但仍存在技術參差不齊、標準規范缺失、專用裝備缺乏
2020-07-10 15:58:35
1393
1393電力巡檢機器人的兩大巡檢方向是什么
環境的復雜性,給巡檢人工帶來了一定的挑戰,而為了解決這一矛盾,根據電力的實際情況,結合了傳統檢驗方法的同時考慮到變電站工作模式和機器人技術應用的發展,電力巡檢機器人也開始成為主要應用的對象。但是你知道電力巡
2020-11-05 16:37:42
1474
1474機房巡檢機器人采用視覺識別技術,可自主完成巡檢任務
隨著業務量的不斷增大,公司自動化、信息化程度不斷的提高,數據中心需要管理對象的數量、規模及復雜度都在不斷的增長,配電室機房是所有行業生產的重要部門,大型規模的機房每天都需要進行人工巡檢,每次巡檢都
2021-05-21 14:55:56
1343
1343電力智能巡檢機器人有哪些功能
高效的巡檢對于電力企業的安全生產至關重要。而傳統的巡檢工作多采用手工記錄的方式進行,該種巡檢模式受到人員技術水平以及責任心的制約,缺乏巡檢過程的管控與約束,且工作量巨大,巡檢效率較低,紙質的巡檢記錄
2021-05-24 16:36:46
2372
2372機房巡檢機器人有什么作用
機房巡檢通常采用人工巡檢的方式,確保生產的安全性和穩定性。巡檢工作量繁雜,人工巡檢存在頻率有限、精準度低、速度慢等問題。機房巡檢機器人通過測溫熱成像儀,采用視覺識別技術,可以幫助巡檢人員到機房中定期
2021-07-06 10:29:01
2131
2131巡檢機器人實現機房無人化巡檢
高密度、重復性、熬夜巡檢,是運維巡檢工作人員繞不過的一個坎。在大數據和云計算高速發展的今天,雖然很多工作可以借助各類管理運維工具,但是底層的物力資源運維工作難以做到完全自動化,運維人員需要實地
2021-08-04 09:27:11
1050
1050化工智能巡檢機器人的應用優勢是什么
加強巡檢、及時消除安全隱患、防患于未然是必不可少的! 相比較于傳統的人工巡檢,國辰機器人智能巡檢系統主要是以現代技術預設巡檢路線,自動傳輸設備檢測數值,發現異常自動上報,采用通絡通信、射頻識別等技術
2021-08-28 16:54:06
1547
1547防爆巡檢機器人怎么助力石化行業巡檢
對于石化行業來說,高溫高壓、易燃易爆等是作業環境的特點。為加強對這些高危場所的巡檢工作,一般都有專門的巡檢工人,定時對設備、高危場所進行巡檢。由于受巡檢工個人工作能力的限制,巡檢質量參差不齊。同時
2022-12-05 16:50:44
1618
1618
智能安防巡檢機器人用的是什么電池?
智能安防巡檢機器人是一種在為了提高安防效率的一種智能機器設備。機器人廠家普遍采用的電池是鉛酸電池和鋰離子電池,安防巡邏機器人使用的電池也普遍是這兩種。 鉛酸電池具有電動勢能高、充放電可逆性好
2022-12-17 11:21:56
1063
1063
易云維?工廠園區智能巡檢管理系統解決人工巡檢存在安全隱患問題
油氣泄漏等安全隱患。 智能巡檢技術 智能巡檢技術的關鍵是對重要設備重要部分和表計的準確定位,常用的定位方式可以采用GPS定位系統其定位準確度大約在3米左右。但3米對于非大型生產設備來說定位誤差已經很大,可能存在誤判
2023-05-11 15:00:40
1408
1408
5G巡檢機器人上崗作業,智能巡檢改變不止“億”點點
聳立在荒漠高山上的鐵塔,遍布城市的電纜線路,遠離城郊的港口油田……隨著各類技術不斷發展,這些大型重工業對智能巡檢提出了新的要求。此時,5G正改變工業巡檢的固化模樣:5G智能巡檢機器人24小時,360
2021-08-19 10:17:52
1952
1952
巡檢機器人替代傳統人工巡檢,智能巡檢機器人5G工業路由器應用
在5G無線通信、人工智能、物聯網、云計算、大數據、電力等前沿技術的高度融合下,以替代人工巡檢為目的的電力智能巡檢機器人應運而生。隨著智能化時代的迅速發展,人工智能技術、自動識別技術以及機器人
2023-06-01 09:41:45
1843
1843
無人巡檢方案5G物聯網網關應用,巡檢無人機遠程控制
隨著5G技術物聯網發展,相信大家對無人巡檢并不陌生,推翻過去的人為巡檢模式,采用無人機或巡檢機器人的巡檢方式,不僅節省人力成本,同時還降低了事故幾率,尤其是在惡劣天氣的情況下,人為巡檢就直接威脅到了
2023-07-20 10:21:01
1710
1710
蓄電池在線監測系統(蓄電池巡檢系統)技術方案
金澤電氣蓄電池在線監測系統(蓄電池巡檢系統)主要應用于通信電源、后備電源、直流操作電源、高壓直流電源等后備應急電源蓄電池的在線實時監測和智能管理。及時了解蓄電池組的實際運行狀態和健康狀況,掌控安全
2023-09-06 09:33:16
3472
3472
藍牙信標巡檢應用
隨著國家基建的大力發展,各類基建工程也積極響應國家號召,做數字化管理,各類基建設施在巡檢過程中后臺也需要實時獲取到巡檢的情況,下面介紹目前主流的藍牙信標藍牙信標Ibeacon的巡檢應用。一、應用場
2023-12-21 15:24:16
1140
1140
新型設備巡檢方案-手機云巡檢
隨著科技的不斷發展,設備巡檢工作也在逐步向智能化、高效化方向轉變。傳統的巡檢方式往往需要人工逐個設備檢查,耗時耗力,效率低下,同時還容易漏檢和誤檢。而新型設備巡檢應用—手機藍牙云巡檢的出現,則為設備巡檢工作帶來了全新的變革。
2024-03-07 17:29:56
812
812
鐵路巡檢作業終端的優勢是什么
鐵路巡檢作業終端的應用,為鐵路巡檢工作帶來了前所未有的優勢。這一創新技術的應用不僅顯著提升了巡檢的效率和準確性,還大幅增強了巡檢作業的安全性,為鐵路運營的平穩、高效提供了堅實的技術保障。鐵路巡檢作業
2024-04-19 11:54:54
837
837
鐵路巡檢作業終端應用方案
隨著科技的飛速發展,鐵路巡檢作業終端應用方案應運而生,為鐵路安全運營注入了新的活力。這一方案以智能化、高效化為導向,通過集成先進的信息技術和通信技術,實現了鐵路巡檢工作的全面升級。鐵路巡檢作業終端
2024-04-20 11:12:23
969
969
手持巡檢智能終端應用方案
的特性,為巡檢工作帶來了革命性的變革。工業防爆巡檢終端手持巡檢智能終端應用方案,不僅集成了先進的移動通訊技術、數據處理技術和物聯網技術,更通過智能巡檢APP與后臺
2024-04-26 11:48:53
1095
1095
防爆巡檢手持終端在燃氣巡檢作業中的應用
在燃氣巡檢作業中,安全始終是首要考慮的因素。面對易燃易爆的燃氣環境,傳統的巡檢方式已經難以滿足現代安全管理的需求。隨著科技的不斷進步,防爆巡檢手持終端應運而生,成為燃氣巡檢作業的得力助手。這些終端
2024-05-13 14:08:20
859
859
無人機智能巡檢系統現代巡檢的革新
?????? 無人機智能巡檢系統現代巡檢的革新 ?????? 無人機智能巡檢系統是利用無人機技術結合先進的傳感器、數據傳輸、分析和處理技術,對各種設施和環境進行高效、精準、安全的巡檢和監測的綜合系統
2024-06-14 17:18:30
1543
1543無人機光伏巡檢較傳統人工巡檢的優勢
?????? 無人機光伏巡檢較傳統人工巡檢的優勢 ?????? 近年來我國各項技術發展較快,在光伏生產過程中無人機應用規模在逐步擴大。無人機光伏巡檢系統搭載多種光學信息采集設備,結合無人機厘米級精確
2024-07-25 17:03:32
962
962無人機巡檢系統光伏巡檢方案與作用
無人機巡檢系統光伏巡檢方案與作用 隨著科技的不斷發展,無人機技術在各個領域得到了廣泛的應用。在新能源領域,尤其是在光伏電站巡檢管理中,無人機巡檢已經成為了一種高效、安全、環保的新型巡檢方式。 無人機
2024-08-08 16:32:58
1385
1385如何讓設備巡檢維護更高效——智能巡檢系統
智能巡檢系統通過衛星定位、自動規劃、定點定量巡檢等技術,大幅提升了設備巡檢效率,減少了疏漏。同時,智能巡檢系統可追溯性強,能生成報告,為企業決策提供了重要依據。
2024-11-18 11:35:20
1587
1587
無人機巡檢技術的背景及多重優勢
無人機巡檢技術的背景及多重優勢 近年來,隨著無人機技術的不斷革新和普及,無人機巡檢系統應運而生并迅速發展。傳統的巡檢手段,如人工巡查或靜態監控設備,已難以滿足現代社會對于高效、智能巡檢的需求。無人機
2024-11-27 17:21:10
2188
2188谷東科技AR技術在煤礦安全巡檢中的應用
,而且因為井下環境的臟亂差以及昏暗,也容易讓巡檢人員存在一定的疏漏,導致安全隱患的產生。為了解決這一問題,AR技術應運而生,為煤礦安全巡檢帶來了新的解決方案。
2024-12-19 14:40:52
1049
1049無人機自動巡檢系統的巡檢流程與人工巡檢效率對比
無人機自動巡檢系統的巡檢流程與人工巡檢效率對比 隨著可再生能源的快速發展,光伏發電已成為重要的綠色能源之一。山地光伏發電因地形復雜、維護難度大等特點而導致傳統的巡檢方式效率低下、成本高昂。為此,陜西
2024-12-26 16:56:40
1098
1098
無人機光伏巡檢系統的巡檢作用
?????? 無人機光伏巡檢系統的巡檢作用 ?????? 近年來,隨著清潔能源的快速發展,光伏發電作為實現碳中和的重要手段,受到了廣泛關注。然而,光伏電站的運維管理一直是一個復雜且耗時的任務。傳統
2024-12-30 16:36:39
940
940無人機自動巡檢系統技術革新與應用前景
無人機自動巡檢系統技術革新與應用前景 隨著科技的進步,無人機技術已經從軍事領域逐步擴展到民用市場,并在眾多行業中找到了新的應用場景。其中,無人機自動巡檢系統是近年來發展迅速的一個重要分支,它結合了
2025-01-21 17:36:32
1032
1032無人機電力巡檢系統革新電力巡檢作業模式
人機電力巡檢系統憑借其技術優勢,已成為電力行業智能化運維的關鍵工具。 ? ? ? ?一、革新巡檢作業模式 ? ? ? ?無人機電力巡檢系統通過搭載高精度傳感器與智能控制模塊,重構傳統電力設備的檢查流程。其核心功能包括: ? ? ? ?1、自主航線
2025-02-27 17:53:43
1000
1000光伏電站巡檢系統巡檢的內容
光伏電站巡檢系統是一款綜合性系統,可對光伏電站設備進行全面、高效、精準巡檢與管理。其主要是利用現代信息技術、自動化技術和智能裝備,通過這些智能化手段,對光伏電站設備進行實時監測、故障預警、數據
2025-04-11 16:28:57
1168
1168
云翎智能高精度執法巡檢記錄儀助力電網鐵路巡檢排查應用優勢
云翎智能高精度執法巡檢記錄儀在電網巡檢排查中展現出六大核心優勢,通過技術融合與場景創新,重構了傳統巡檢模式,顯著提升了作業效率與安全管控能力。以下從技術特性、應用效果、數據安全及管理升級四個維度展開
2025-04-25 09:52:49
481
481
云翎智能巡檢終端:以“北斗+”破解森林巡檢“最后一公里”難題
終端通過集成單北斗高精度定位、多模態感知融合、自主可控通信等技術,構建起“空天地一體化”巡檢體系,為破解這一難題提供了智能化解決方案。云翎智能單北斗巡檢終端一、技術
2025-05-27 10:21:22
549
549
光伏電站無人機巡檢系統與普通巡檢的不同
光伏電站無人機巡檢系統是一種通過集成無人機、傳感器、AI及數據分析技術,實現對光伏電站的高效、精準、安全巡檢的智能化巡檢技術手段。也是當下推動光伏運維領域“少人化、智能化”模式轉型的有效工具,具有
2025-07-30 09:26:01
810
810
無人機自動巡檢系統:從手動操作到智能化的技術變革
? ? ? ?無人機自動巡檢系統:從手動操作到智能化的技術變革 ? ? ? ?在無人機技術發展過程中,其操控方式經歷了從完全依賴飛手手動操作到逐步實現自動化、智能化巡檢的重大飛躍。早期手動飛行模式
2025-09-11 13:16:23
572
572無人機智能巡檢系統的技術特點與應用實踐
? ? ? ?無人機智能巡檢系統的技術特點與應用實踐 ? ? ? ?在現代化運維管理領域,面對大型場所和復雜環境帶來的挑戰,傳統巡檢模式在效率與安全性方面存在提升空間。無人機巡檢系統通過技術創新,為
2025-10-21 19:24:46
259
259無人機智能巡檢系統的技術特點與應用優勢
? ? ? ?無人機智能巡檢系統的技術特點與應用優勢 ? ? ? ?近年來,隨著無人機技術的持續發展,其在電力、港口、礦山等領域的應用范圍不斷擴大。在電力行業實踐中,無人機巡檢系統通過與工單管理系統
2025-10-29 17:07:21
577
577無人機光伏智能巡檢系統中的無人機巡檢技術分析
無人機巡檢是光伏智能巡檢系統中的核心,通過集成高精度傳感器、智能算法與自動化控制技術,成為光伏電站智能化運維的核心工具。不僅實現巡檢效率躍升、缺陷識別率提升,還促進了電站安全風險降低。通過數字化管理
2025-11-05 13:40:00
316
316
云翎智能國網電力單北斗高精度定位巡檢記錄儀如何重塑電力巡檢安全標準
云翎智能國網電力巡檢單北斗高精度執法記錄儀通過厘米級定位精度、全場景智能感知、多模態數據融合與區塊鏈存證四大核心技術,重構了電力巡檢從“被動響應”到“主動預防”的安全管控范式,其技術突破與行業
2025-12-23 23:22:57
164
164
新能源場站智能巡檢系統的應用實踐
新能源場站智能巡檢系統是物聯網、人工智能、機器人技術、無人機技術及大數據分析深度融合的產物,其核心目標是通過自動化、智能化手段替代傳統人工巡檢,實現設備狀態實時監測、缺陷精準識別及運維決策優化。技術
2026-01-05 15:32:24
17
17
電子發燒友App



評論