逆變級驅動電路
- 驅動電路(111349)
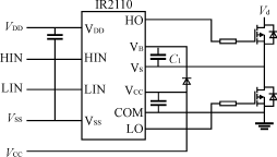
- IR211(5832)
相關推薦
熱點推薦
用SG3525A和IR2110構成的高頻逆變主電路圖
用SG3525A和IR2110構成的高頻逆變主電路圖 高頻逆變主電路如圖4所示,逆變高壓電路由全橋驅動組成。功率開關Q1~Q4采用IGBT模塊。逆變主電
2010-01-04 13:10:10
10306
10306
【嵌入式】STM32輸出SPWM實現逆變 精選資料分享
參照【單相全橋逆變電路工作過程】。SPWM逆變的精髓就是【沖量等效原理】——將一周期正弦波等分為N段,每段的長度為T,可以算出任意一段的積分面積S(即正弦波在T時間段內與橫軸圍成的面積),如果在每一段T
2021-07-12 06:27:42
主要講述無源逆變
■逆變的概念 ◆與整流相對應,直流電變成交流電。 ◆交流側接電網,為有源逆變。 ◆交流側接負載,為無源逆變,本章主要講述無源逆變。■逆變與變頻 ◆變頻電路:分為交交變頻和交直交變頻兩種。 ◆交直交
2021-11-15 07:58:22
全橋逆變電路又是什么原理呢
首先來看單相逆變不間斷電源設計電路中的全橋逆變電路部分。它是由兩個IR2101驅動和4個MOS管構成的全橋逆變電路。有人會說了,IR2101不是半橋驅動芯片嗎?沒錯,的確是半橋驅動芯片
2021-11-15 06:31:11
單相光伏發電逆變系統控制系統的設計遇到的問題
發電逆變系統控制系統的設計課題要求:一、設計內容光伏發電系統中,逆變系統是極其重要的環節,其可靠性直接影響光伏發電系統的正常運行。進行逆變系統控制方式的選擇,設計SPWM產生電路,IGBT驅動電路
2018-03-15 19:49:45
變頻器逆變單元的工作
;MOSFET 具有驅動功率很小,開關速度快的優點,但是導通壓降大,載流密度小。而 IGBT 綜合了以上兩種器件的優點,驅動功率小且飽和壓降低。正因為具有以上優點,IGBT 模塊被用作變頻器逆變電路的開關器件
2018-10-26 11:51:17
有源逆變和無源逆變的區別是什么?
1、逆變器的概念:有源逆變和無源逆變的區別是什么?當交流側接在點網上,即交流側接有電源時,稱為有源逆變;當交流側直接和負載連接時,成為無源逆變。2、電池變流器(或電池逆變器)的功能,應用領域
2021-11-17 07:44:19
說一下逆變驅動電路
廢話不多說,直接上電路!三相逆變系統的框架如下::那么,降壓電路不用多說,網上多得是1、下面說一下逆變驅動電路,也是通篇一律,這里貼上電路圖,2、LC濾波器很多人會問我,LC如何選取,還有人在問
2021-11-11 07:50:41
高壓逆變降壓穩壓器,功能更多占用空間更少
NCP4060用于Buck-Boost配置將Buck IC重新配置為buck-boost逆變電路以從正輸入產生負電壓的實施步驟相對簡單,但有一些設計訣竅值得注意和遵循,以強調Buck穩壓器和Buck-Boost逆變之間的根本區別。更多信息請點擊高壓逆變降壓拓撲降低復雜性和占板空間應用注釋。
2018-10-31 09:25:40
單相有源逆變蓄電池放電裝置主電路元器件參數設計
單相有源逆變蓄電池放電裝置主電路元器件參數設計:摘要:提出了采用雙級變換電路的方法,研制出一種新型的單相有源逆變蓄電池回饋放電裝置。主要介紹了直流變換電路主電
2009-06-20 21:29:41
23
23電子鎮流器半橋逆變輸入電路分析與設計
電子鎮流器半橋逆變輸入電路決定整機工作頻率,是影響開關功率管逆變的重要因素。通過對脈沖變壓器及理想激勵電流波形的分析,如何提高轉換速率,阻尼振蕩予以討論,指出
2009-10-09 09:14:20
64
64逆變橋不對稱保護電路的研究
摘要:介紹了一種新的逆變電源逆變橋的不對稱保護電路。該電路利用了電路拓撲的分析方法.對逆變橋的工作狀態實行瞬時式采樣監控:能準確無誤地檢測出逆變橋的運行狀態是
2010-05-25 08:29:46
35
35有源逆變和變頻
無源逆變的概念及應用逆變是把直流電能變換成交流電能,實現這種功能的裝置叫做逆變器。無源逆變是指逆變器輸出的交流電能直接供給負載而不松往交流電網。其工作原理可
2010-08-08 14:51:51
42
42單相正弦波逆變蓄電池回饋放電裝置IGBT驅動電路的設計
提出采用雙級變換電路的方法,研制出一種新型的單相有源逆變蓄電池回饋放電裝置,主要介紹了本放電裝置中IGBT器件的驅動電路的設計,對從事電力電子技術特別是對從蓄電池放電
2010-10-13 15:52:23
41
41什么是逆變,逆變電路,有源逆變電路
什么是逆變
逆變(invertion)——把直流電轉變成交流電,整流的逆過程。如電力機車下坡行駛,機車的位能轉變為電能,反送到交流
2009-06-24 23:02:55
9783
9783
逆變直流弧焊機工作原理
用ZX7 逆變直流弧焊機工作原理為例子來說明: 主電路主要由輸入整流器、逆變電路和輸出整流器所組成,現以逆變 電路為半橋式串聯逆變電路為例,如圖1 所示。
2011-04-25 15:04:38
1368
1368Undeland緩沖電路在IGBT逆變橋中的應用
將Undeland緩沖電路用于IGBT逆變橋中,通過合理的歸并元器件,提出了一種簡單、實用的多橋臂逆變電路緩沖拓撲結構。并通過一個400 Hz逆變電路的仿真和實驗波形得到驗證。
2011-09-23 16:12:10
52
52逆變焊機uc3846控制圖(逆變焊機原理與用途_UC3846控制芯片工作原理)
本文開始介紹了逆變焊機原理與逆變焊機用途,其次介紹了UC3846電流控制芯片的工作原理與斜坡補償電路設計,最后介紹了峰值電流限制電路設計與快速關斷電路設計詳情。
2018-01-25 09:05:20
106971
106971晶閘管是如何實現逆變的?
一般使用NMOS管來實現逆變電路,如下圖所示是三相逆變常用的逆變電路,由六個NMOS管構成的橋式電路。在逆變時,上下橋臂的兩個NMOS不同時導通,上管和相鄰的下管輪換導通。六個MOS管需要六個輸入信號來控制,輸入信號有兩種方案,:1)輸入為PWM方波,輸出梯形波;2)輸入為SPWM,輸出為正弦波。
2019-10-03 09:50:00
10709
10709
無源逆變和變頻電路的學習課件資料概述
本文檔的主要內容詳細介紹的是無源逆變和變頻電路的學習課件資料概述包括了:第一節 概述,第二節 負載換流逆變電路 ,第三節 強迫換流電壓型逆變電路,第四節 強迫換流電流型逆變電路,第五節逆變器的諧波、調壓方法和多重逆變電路,第六節 脈寬調制PWM逆變電路,第七章 PWM控制技術
2020-07-17 17:25:17
33
33逆變焊機原理_逆變焊機和直流焊機有什么區別
“逆變”與“整流”是兩個相反的概念。整流是把交流電變換為直流電的過程,而逆變則是把直流電改變為交流電的過程,采用逆變技術的弧焊電源稱為“逆變焊機”。
2021-03-02 14:57:41
38545
38545【嵌入式】STM32輸出SPWM實現逆變
參照【單相全橋逆變電路工作過程】。SPWM逆變的精髓就是【沖量等效原理】——將一周期正弦波等分為N段,每段的長度為T,可以算出任意一段的積分面積S(即正弦波在T時間段內與橫軸圍成的面積),如果在每一段T
2021-11-08 13:51:02
41
41逆變電路
■逆變的概念 ◆與整流相對應,直流電變成交流電。 ◆交流側接電網,為有源逆變。 ◆交流側接負載,為無源逆變,本章主要講述無源逆變。■逆變與變頻 ◆變頻電路:分為交交變頻和交直交變頻兩種。 ◆交直交
2021-11-08 14:06:01
17
17三相橋整流電路的有源逆變工作狀態
三相橋式整流電路工作于有源逆變狀態時的電壓波形 ■逆變角 ◆通常把a>p/2時的控制角用p-a=b表示,b稱為逆變角。 ◆ b的大小自b=0的起始點向左方計量。 ◆三相橋式電路工作于有源逆變
2021-11-08 15:21:02
24
24學習逆變(DC-AC)電路和LLC的基本工作原理。
四、學習逆變(DC-AC)電路和LLC的基本工作原理。全橋逆變電路包括單相全橋逆變電路和三相全橋逆變電路,逆變的主要功能是把直流電逆變成某一頻率或可變頻率的交流電供給負載。單相半橋逆變電路
2021-11-08 15:51:02
44
44戶外儲能電源逆變模塊的全橋逆變電路方案
戶外儲能電源逆變模塊的全橋逆變電路具體的應用方案:使用在300W戶外儲能電源-AC110V正玄波輸出的逆變模塊的全橋逆變電路上(由4個FHP740W組成一個全橋逆變電路)。
2022-11-25 16:37:48
3571
3571全橋逆變電路的拓撲結構、逆變原理及控制方法
通常把直流電變成交流電的過程叫做逆變,完成逆變功能的電路稱為逆變電路。本文主要介紹全橋逆變電路的拓撲結構、逆變原理及控制方法、單相逆變的軟件實現思路,并結合simulink、proteus仿真軟件進行仿真驗證。
2023-08-24 09:17:06
53801
53801
新品 | 雙通道交錯PFC級和三相逆變橋Easy模塊
新品雙通道交錯PFC級和三相逆變橋Easy模塊EasyPIM2B集成PIM模塊,帶雙通道交錯PFC級和三相逆變橋,適用于熱泵/暖通空調應用。產品型號
2024-07-24 08:14:52
1355
1355
實現無源逆變的滿足條件是什么
無源逆變是一種將直流電能轉換為交流電能的技術,廣泛應用于電力電子領域。 無源逆變概述 1.1 無源逆變定義 無源逆變是一種將直流電能轉換為交流電能的技術,其特點是不需要外部電源提供能量,而是利用電路
2024-08-02 17:14:11
2513
2513無源逆變的基本類型包括哪些
程中,不需要外部電源提供能量,而是通過電路內部的能量轉換實現直流電能向交流電能的轉換。與傳統的有源逆變相比,無源逆變具有結構簡單、成本低廉、可靠性高等優點。 1.2 無源逆變原理 無源逆變的基本工作原理是利用電感、電容等無源元件的特性,通過控制開
2024-08-02 17:15:52
2763
2763有源逆變的工作原理是什么
有源逆變(Active Inversion)是一種將直流電能轉換為交流電能的技術,廣泛應用于電力電子領域。 一、有源逆變概述 1.1 有源逆變定義 有源逆變是一種將直流電能轉換為交流電能的過程,其
2024-08-02 17:57:51
5380
5380有源逆變的實現條件是什么
有源逆變是一種將直流電能轉換為交流電能的技術,廣泛應用于電力電子領域。 一、有源逆變基本原理 1.1 有源逆變的概念 有源逆變是一種將直流電能轉換為交流電能的技術,其核心是利用電力電子器件對直流電源
2024-08-05 09:12:37
2931
2931三相可控橋式整流電路可以逆變嗎
三相可控橋式整流電路是一種廣泛應用于工業領域的電力電子設備,其主要功能是將交流電轉換為直流電。然而,除了整流功能外,三相可控橋式整流電路還可以實現逆變功能,即將直流電轉換為交流電。 一、逆變原理 逆
2024-08-12 16:35:27
2373
2373
電子發燒友App







評論