30kVA逆變電源中IGBT的驅動與保護
摘要:系統介紹30kVA逆變電源中IGBT的驅動與保護技術。提出IGBT對驅動電路的要求,介紹三菱的IGBT驅動電路M57962L和逆變電源中IGBT的過壓、柵極過壓、過流、過熱保護措施。
關鍵詞:IGBT驅動保護
Problems on Anti? Jamming of Switching Power Supply
Abstract: On the basis of definition and experimental method of electromagnetic compatibility,general way and problem of anti? jamming were introduced.At the same time,the characteristices of some new type anti? jamming devices,FTS series of pulse antagonismers and LSA series of lightning surge absorbers,were presented.
Keywords: Electromagnetic jamming, Electromagnetic compatibility, Electromagnetic compatibility test, New type anti? jamming devices
中圖法分類號:TM92文獻標識碼:A文章編號:0219?2713(2000)08?396?03
1引言
在我們研制的30kVA逆變電源中,最容易損壞的部件是組成逆變橋的IGBT,和其它電力電子器件相比,IGBT雖然具有電流容量大、驅動功率小、開關頻率高等優點,但要用好IGBT,使其不受損壞并不容易。IGBT的驅動與保護問題是逆變電源能否可靠工作的基礎和關鍵。本文就30kVA逆變電源裝置中IGBT的驅動與保護技術進行敘述。
2IGBT的驅動
2.1IGBT對柵極驅動電路的要求
(1)柵極驅動電壓
驅動電路提供的正偏壓+UGE使IGBT導通。增大正偏壓對減小開通損耗和導通損耗有利,但也會使IGBT承受短路電流的時間變短,續流二極管反向恢復過電壓增大。因此正偏壓要適當,通常為+15V。為了保證IGBT在C-E間出現dv/dt噪聲時可靠關斷,關斷時必須在柵極施加負偏壓,采用負偏壓還可以減小關斷損耗,負偏壓取-9V左右為宜。
(2)柵極串聯電阻Rg
IGBT的開通和關斷是通過柵極電路的充放電來實現的,因此柵極電阻對IGBT的動態特性影響極大,減小Rg使開關時間和開關損耗減小,減小關斷時dv/dt噪聲帶來誤導通的可能性,提高IGBT的短路耐量,但會增加續流二極管反向恢復過電壓,使EMI也增大。對于1200V/400A的IGBT,Rg取2Ω比較合適。
(3)驅動電路的電源
驅動電路的電源應穩定,能提供足夠高的正負柵壓,電源應有足夠的功率,以滿足柵極對驅動功率的要求。在大電流應用場合,每個柵極驅動電路最好都采用獨立的分立絕緣電源。驅動電路的電源和控制電路的電源應獨立,以減小相互間的干擾,推薦使用帶多路輸出的開關電源作為驅動電路電源。
2.2三菱驅動模塊M57962L簡介
在我們的逆變電源裝置中,使用了日本三菱公司的驅動模塊M57962L。M57962L是N溝道大功率IGBT模塊的驅動電路,能驅動600V/400A和1200V/400A的IGBT,M57962L的原理方框圖如圖1所示,它有以下幾個特點:
(1)采用光耦實現電氣隔離,光耦是快速型的,適合20kHz左右的高頻開關運行,光耦的原邊已串聯限流電阻(約185Ω),可將5V的電壓直接加到輸入側;

圖1M579621L的原理框圖
(2)如果采用雙電源驅動技術,使輸出負柵壓比較高。電源電壓的極限值為+18V/-15V,一般?。?5V/-10V;
(3)信號傳輸延遲時間短,低電平-高電平的傳輸延遲時間以及高電平-低電平的傳輸延遲時間都在1.5μs以下;
(4)具有過流保護功能。M57962L通過檢測IGBT的飽和壓降來判斷IGBT是否過流,一旦過流,M57962L將對IGBT實施軟關斷,并輸出過流故障信號。
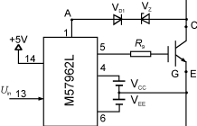
M57962L的典型應用實例如圖2所示。
3IGBT的保護

圖2M579621L的典型應用實例
IGBT損壞的原因可以歸結為以下3個方面:
?過熱損壞,它又分為由于集電極電流過大引起的瞬時過熱損壞和其它原因引起的持續過熱損壞;
?集電極發射極間過壓損壞;
?柵極過壓損壞。
因此IGBT的保護要從以下4個方面著手:
?集電極發射極間過電壓保護;
?柵極過電壓保護;
?過流保護;
?過熱保護。
3.1集電極、發射極間過電壓保護
IGBT的集電極發射極間產生過電壓的類型有兩類,即IGBT關斷過電壓和續流二極管反向恢復過電壓。安裝緩沖電路是抑制集電極、發射極間過電壓的有效措施。緩沖電路之所以能減小IGBT集電極發射極間的過電壓,是因為它給回路電感提供了泄能回路,降低了回路電感上電流的變化率。30kVA逆變電源中所采用的緩沖電路如圖3所示。
圖3所示電路中采用以下3種器件及電路:

圖3緩沖電路
(1)金屬氧化物壓敏電阻(Rrl~Rr5)
金屬氧化物壓敏電阻是一種良好的電壓尖峰抑制器件,它的響應時間為ns級,能抑制寬度很窄的尖峰電壓,金屬氧化物壓敏電阻具有通流容量大(500A~5000A),平均漏電流?。◣爪藺),使用電壓范圍廣(30V~1500V),體積小、可靠性高且價格便宜等特點。但它能抑制的尖峰電壓寬度不能過大,否則壓敏電阻將會因功耗過大而燒壞。
(2)并在直流母線上的無感電容。
(3)由R,C,VD組成的放電阻止型緩沖電路,在放電阻止型緩沖電路中,要選擇高頻特性好的無感電容器作為緩沖電容,要選擇過渡正向電壓低,反向恢復時間短,反向恢復特性軟的二極管作為緩沖二極管,緩沖二極管的反向耐壓及峰值正向電流要與IGBT的額定電壓及額定電流相當。

圖4柵極過壓保護電路
3.2柵極過電壓保護
IGBT的柵極出現過電壓的原因有兩個:
(1)靜電聚積在柵極電容上引起過壓;
(2)密勒效應引起的柵極過壓,柵極過壓保護電路如圖4所示。
3.3過電流保護

圖5集中過電流保護框圖
在逆變電源的負載過大或輸出短路的情況下,會造成IGBT因過流而損壞。在30kVA逆變電源中,采用集中過電流保護與分散過電流保護相結合的過流保護策略,所謂集中過電流保護,就是通過檢測逆變橋輸入直流母線上的電流,當該電流值超過設定的閾值時,封鎖所有橋臂IGBT的驅動信號;分散過電流保護是通過檢測逆變橋各個橋臂上的電流,當該電流超過設定的閾值時,封鎖該橋臂IGBT的驅動信號,采取雙重過電流保護使裝置的可靠性大大提高。
(1)集中過電流保護

圖6分散過電流保護電路原理圖
圖5所示為集中過電流保護的原理圖
電流檢測點放在直流側,檢測元件采用日本HINODE公司的直測式霍爾效應電流傳感器HAP8-200/4,用以檢測直流側電壓的瞬時值。HAP8-200/4需要±15V的供電電源,額定電流為±200A,飽和電流在450A以上,額定輸出電壓為±4V,di/dt響應時間在10μs以下。在正常情況下,集中過電流保護電路的輸出OC為高電平,一旦直流母線電流超過設定的閾值,比較器LM311的輸出狀態將由高電平變為低電平,經過R2,C2的延遲,OC將由高電平變為低電平,這個低電平的信號將使封鎖電路動作,封鎖逆變橋所有IGBT的驅動信號。R2C2組成的延遲電路是為防止封鎖電路誤動作而采取的抗干擾措施。
(2)分散過電流保護
圖6所示為分散過電流保護的原理圖。我們知道,當柵極驅動電壓不變時,IGBT的飽和壓降UCE(sat),將隨著集電極電流Ic的增大而增大,通過查閱三菱1200VIGBT的產品手冊可知,UCE(sat)與Ic的關系可由如下經驗公式表示出來:其中Iced為IGBT的額定電流。
因此通過監測UCE(sat),就可以判斷IGBT是否過流。在圖6中,M57962L通過快恢復二級管VD1及穩壓管VZ來監測UCE(sat),當M57962L輸入側光耦導通后,并且當UAE=UCE(sat)+UVD1+UVZ超過閾值UAE*后,將開始軟關斷,M57962L的輸出電壓將從正柵壓逐漸下降到負柵壓。經測試發現,當VEE=10V,VCC=15V時,閾值UAE*=9.5V,并且當VEE不變時,VCC每增加1V,UAE*也將加1V。可以看出,改變穩壓管VZ的穩壓值可以改變分散過流閾值。在實際裝置中,VCC=15V,VEE=10V,VD為ERA34-10,其管壓降為0.5V,UVZ=5V,這樣分散過流保護的電流閾值為3倍的額定電流。
3.4過熱保護
IGBT過熱的原因可能是驅動波形不好或電流過大或開關頻率太高,也可能由于散熱狀況不良??梢岳?a href="http://www.3532n.com/tags/溫度傳感器/" target="_blank">溫度傳感器檢測IGBT的散熱器溫度,當超過允許溫度時使主電路停止工作。
4結語
本文介紹IGBT的驅動電路M57962L和逆變電源中IGBT的過壓,柵極過壓,過流、過熱保護措施,所介紹的驅動與保護技術及其實現電路,已成功地應用于我們所研制的30kVA正弦波逆變電源裝置中,由于該電源具有良好的驅動和可靠的保護措施,即使在輸出直接短路的情況下,仍能保證IGBT不損壞,從而確保電源整機工作的可靠性。
參考文獻
1 Chokhawala Rahuls, Catt Jamie and Pelly Brain R. Gate Drive Considerations for IGBT Modules. IEEE Transactions on Industry Applications.1995;31(3):603- 611
2 Mitsdbsai Semiconductors Power Module Mos Data Book First Edition .1995.
電子發燒友App

















評論