|
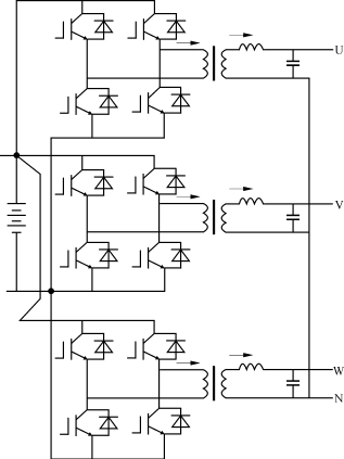
一種獨特的性能優越的UPS逆變技術 1引言 UPS主要由整流器、電池組、靜態旁路、逆變器、控制系統等幾大部分組成。因為逆變器是在線式UPS的功率最終輸出環節,因此逆變器性能的好壞對UPS總體性能起著決定性的作用。目前UPS中逆變器幾乎都是采用正弦波脈寬調制(SPWM)控制技術,所采用的功率驅動器件多為IGBT模塊。在小型UPS中,其IGBT的SPWM控制頻率在20kHz~40kHz,隨著額定功率的不斷增加,即在大中型(例如:10kVA~300kVA)UPS中,用于逆變器的功率器件IGBT的額定電流也越來越大,因此IGBT的開通時間tr和下降時間tf也就越來越長,開關損耗也相應增加,為保證UPS逆變器的運行安全可靠及高效率,就迫使大中型UPS中IGBT的SPWM控制頻率逐漸下降到2kHz~10kHz。逆變頻率對于UPS逆變器性能存在著如下的影響:逆變頻率的提高使作為濾波器的慣性元件,如電感、電容的尺寸大大減少,使得UPS的噪聲抑制,動態響應速度和電壓精度等指標均得以大幅度提高;然而,隨著逆變頻率的提高,開關損耗亦隨之增大,從而降低了UPS逆變器的效率。于是解決上述矛盾,就成了UPS制造商改變UPS性能的有效途徑。另外,在三進三出UPS中,使用者最頭痛的是三相負載不平衡所產生的問題,因此人們就希望有一種UPS能帶100%不平衡負載。 2倍頻逆變技術 倍頻逆變電路如圖1所示。其中變壓器原邊的正弦脈寬信號的頻率是IGBT觸發信號的2倍。S1,S2,S3,S4的柵極G1,G2,G3,G4的正弦脈寬觸發信號及VP逆變頻率波形如圖2所示。圖2中VG1與VG2,VG3與VG4相位相反,其工作過程如下: 在ta~tb期間,VG1>0,VG4>0,VG2=0,VG3=0,S1、S4導通,S2、S3截止。變壓器初級電流IP沿著E+→S1→變壓器初級“1”→“2”→S4→E-路徑流動,由于S1、S4導通,故VP=Ldi/dt。變壓器初級PWM波形VP和變壓器次級波形Vout如圖2所示。 在tb~tc期間,VG1>0,VG3>0,VG2=0,VG4=0,S2、S4截止,IP除沿著“2”→V7→S1→1路徑流動外還沿著“2”→V7→E+→E-→V6→“1”路徑流動,變壓器中的能量一部分消耗在回路電阻上,另一部分反饋給直流電源。由于V7,S1導通,VP=0、Vout=0,變壓器中能量釋放完后,S1自動截止。
圖1塞里克魯DL系列三進三出UPS其中一相逆變器原理圖
圖2倍頻逆變器波形圖 在tc~td期間,VG1>0,VG4>0,VG2=0,VG3=0,S1、S4導通,S2、S3截止。情況同ta~tb。 在td~te期間,VG2>0,VG4>0,VG1=0,VG3=0,S1、S3截止。IP除沿著“2”→S4→V6→“1”路徑流動外還沿著2→V7→E+→E-→V6→1路徑流動,使變壓器中的能量一部分消耗在回路電阻上,另一部分反饋給直流電源。由于V6、S4導通,VP=0、Vout=0,變壓器中能量釋放完后,S4自動截止。 以后便重復上述過程,經過上述變換后,輸出電壓VP的頻率,是IGBT驅動信號脈沖頻率的兩倍,因此稱之為倍頻逆變技術。如果IGBT的控制頻率是10kHz,則在變壓器初級就能得到頻率為20kHz的PWM脈沖源VP,經隔離變壓器及LC濾波后,輸出50Hz的交流電源Vout,VP和Vout波形如圖2所示。 提高逆變頻率要解決的問題之一是減少LC濾波器的體積,輸出LC濾波器的參數與開關頻率的關系為: ωn2=1/L·C(1) 通常取ωn=K×2π×2fp(fp為開關頻率,fp=10kHz;fV=2fp=20kHz;K為電氣常數。) L·C=1/(K×2π×2fp)2= 1/(K×2π×fV)2= 1/(4π2K2fV2)(2) 從式(2)可以看出濾波器LC的取值和fV的平方成反比,因而采用了倍頻逆變技術后,與具有同樣的開關損耗(影響UPS的逆變器效率)的10kHz的同頻逆變電路相比,其濾波器的參數減少了4倍,因而其濾波器的體積大大減少;20kHz的逆變頻率與10kHz的逆變頻率相比動態響應速度更快,因此對急劇變動的負載(階躍性負載)的響應速度更快,輸出穩定度,及輸出精度更高。 常規的UPS逆變器輸出LC濾波器的設計方法是采用輸出變壓器(有隔離變壓器的UPS)自身的漏感與外加電容進行濾波的,這樣就使其濾波性能無形中受到了變壓器變比、輸出功率、控制頻率等諸多因素的牽制,而塞里克魯UPS的輸出變壓器和輸出濾波電感是完全獨立的,如圖3所示,這樣就能使濾波器的設計更加盡善盡美,使輸出電壓波形更好。 3三相獨立調節逆變器 在使用三進三出UPS時,最擔心的是三相負載的不平衡問題。經銷商在宣傳樣本中往往都說自己的UPS可帶100%不平衡負載,那么究竟什么樣的三相電路結構的UPS才能真正帶100%不平衡負載呢? 常規的三進三出UPS電路中,大多采用的是三相橋式逆變器,如圖4所示。 當S5,S6,S1導通時,首先電流ic沿著E+→S5→變壓器初級繞組cb→S6→E-流通,則ucb= 然后S5與S1換相,換相結束后電流iA沿著E+→S1→變壓器初級繞組ab→S6→E-流通,則uab=
圖3塞里克魯UPS原理框圖
圖4傳統的UPS三相橋式逆變器
圖5西班牙塞里克魯DL系列UPS三相輸出逆變器原理 由圖4可知: iB=icb+iab(3) 同理: iC=iac+ibc(4) iA=iba+ica(5) 從式(3)~式(5)可知,每一相的電流變化都會涉及到其它兩相,若三相負載不平衡,極端的情況是其中一相空載或兩相空載。對于這種電路結構的中、大功率三相UPS,如果輸出U相空載,即iU=0,則iac=ica=0,由式(3)~式(5)可知這將造成三相逆變橋各橋臂工作電流的嚴重不平衡,將使B橋臂因嚴重過流而燒毀開關器件,因此這種結構的逆變器最大不平衡負載程度為50%,根本不能帶100%不平衡負載。 為了適應三相負載不平的需要,西班牙塞里克魯公司設計生產的DL系列UPS給出了可帶100%不平衡負載的解決途徑,如圖5所示。三相獨立調節逆變技術是利用三個單相橋分別進行變換,然后再把輸出按120°相位差組合起來,三個單相的逆變器是獨立工作的,因而三相輸出互不影響,也就是說相當于三個輸出相位相差120°的單相UPS,各帶各的負載,哪個(相)空載,哪個(相)滿載都無所謂。這就是基于三相獨立調節的可帶100%不平衡負載的UPS。從圖4和圖5可以看出,廠家為解決這一問題,付出了比常規三相橋式逆變電路多出1倍的IGBT(12個單體IGBT),因而大大增加了產品的制造成本。 因此,塞里克魯公司生產的DL系列三進三出UPS因其所采用的獨特的性能優越的逆變技術,使UPS的輸出電壓精度、輸出波形、動態響應速度、帶載能力等指標非常優越,在廠礦、油田、廣播電視等苛刻型負載與用電環境中運行穩定,為用戶提供了極為可靠的電力保證。 4結語 中、大功率三相UPS負載的不平衡問題直接影響著UPS的穩定運行。常規的采用三相逆變器的UPS,由于自身電路結構的局限,使得其所能承受的最大不平衡負載程度僅為50%,從而極大地限制了其應用領域。 采用三個獨立控制的單相逆變器,將其輸出按相位差120°組合成三相逆變器(UPS),各帶各的負載,互不影響,使得最大不平衡負載程度可達100%,從而拓寬了其應用領域。 |
UPS
相關推薦
熱點推薦
UPS電源系統防雷
現在不少UPS增加了避雷功能,其原理是在UPS的輸入端增加一個MOV避雷模塊,有些部分進口名牌UPS及幾家國內著名UPS生產廠家在其UPS內部
2011-11-25 00:40:00
2366
2366UPS主要有哪些應用
答:UPS( Uninterruptible Power System ),即不間斷電源,是一種含有儲能裝置,以逆變器為主要組成部分的恒壓恒頻的不間斷電源。主要用于給單臺計算機、計算機網絡系統或其它
2021-09-10 08:30:57
UPS噪聲處理對策
(1)對于UPS設備,雖然能吸收輸入電源系統的浪涌電壓等噪聲,但是,UPS輸出線與輸入線在靠近其他電力線或高壓線時,由于電磁感應便UPS設備輸出線上混入噪聲,而帶來不良影響,這時,UPS設備輸出
2011-05-30 09:51:00
UPS工程的安裝
l)UPS的運輸與安裝。UPS應站立搬運時,要確定底部的最小尺寸。貨運時要確定荷重限制、體積是否合適等。橫倒搬運時,要取出裝置內部部件,現場再進行組裝,但組裝時有可能降低裝置的可靠性。 2
2011-05-30 09:50:33
UPS測試方法和步驟
《【最新】UPS測試方法和步驟》由會員分享,可在線閱讀,更多相關《【最新】UPS測試方法和步驟(2頁珍藏版)》請在人人文庫網上搜索。1、UPS測試方法和步驟為保證用電系統的安全性,供電的連續性
2021-11-15 07:52:15
UPS用戶關心的22個問題
長期以來,多數UPS廠商的研發部門把精力放在提高轉換效率、提高功率密度、提高輸出電壓穩定度(調整率)以及傳輸失真度等UPS指標上,很少從研發實驗室的儀器堆中“走出來”到UPS用戶使用的現場去辦公
2011-03-19 14:41:36
UPS電源你了解多少?
一、為什么要用UPS 有一個常見的錯誤概念,認為我們使用的市電,除了偶爾發生的斷電事故,是連續而且恒定的,其實不然。市電系統作為公共電網,上面連接了成千上萬各種各樣的負載,其中一些較大的感性、容性
2018-10-12 16:39:48
UPS電源工作原理,提高UPS可靠性的方法
一、UPS電源工作原理 UPS電源按輸出波形可分為方波輸出和正弦波輸出兩大類。按其操作方式可分為后備式和在線式。其中后備式UPS電源,在市電正常供電時,由市電直接向負載提供電源。當市電供電中斷
2021-02-20 14:56:27
UPS電源性能測試與檢修
1) 試驗電路接入示波器;2) 確認熱工自備UPS電源電池充電燈滅,調節調壓器的輸出電壓等于切換電壓時,熱工自備UPS電源應迅速切至電池供電,測量熱工自備UPS電源輸出電壓應在220VAC±5%;3
2021-12-28 08:06:00
UPS電源有哪些優點呢
UPS電源憑借其自身穩定、不間斷供電能力、成本低等優勢被廣泛應用到交通、銀行、電力電網、UPS數據中心等多種領域。UPS電源含有蓄電池,在市電正常時,UPS把交流電整流成直流電,然后再把直流電逆變成
2021-12-28 07:04:36
UPS電源的使用方法
UPS電源的使用方法: 將UPS電源的機身帶的三孔插頭插到市電電源的插排上,打開UPS電源開關,讓UPS電源正常工作后,再將電腦主機和顯示器等的電源線插頭插到UPS電源機身后面的插孔內 ,逐一
2021-11-15 09:09:35
UPS電源的基本維護知識
UPS一般在什么情況下使用? UPS電源不但直接用于計算機上,凡配有計算機的設備(如醫學上的CT、供應站的儀表等)、雷達站、軍事通訊系統、程控電話系統、外科手術室等,均使用UPS代替發電機作后備供電
2017-11-22 14:28:44
UPS電源的相關資料推薦
我們都知道UPS是一種含有儲能裝置,以逆變器為主要組成部分的恒壓恒頻不間斷電源。它為了機房斷電而導致的服務器數據等系統故障提供了保障,在各個行業的機房建設中都是必不可少的。當然,UPS電源也需要我們
2021-11-16 07:35:28
UPS電源的種類和運行特點
UPS電源的工作原理及維護【摘要】本文闡述了UPS電源的種類和運行特點,以及日常應用中的維護和維修方法。【關鍵詞】UPS;逆變器;智能化;蓄電池;維護UPS電源也稱不間斷電源,能夠提供持續、穩定
2021-11-16 07:51:21
UPS電源相關資料推薦
一、簡介UPS,即不間斷電源,是將蓄電池(多為鉛酸免維護蓄電池)與主機相連接,通過主機逆變器等模塊電路將直流電轉換成市電的系統設備。主要用于給單臺計算機、計算機網絡系統或其它電力電子設備如電磁閥
2021-11-16 07:02:38
UPS電源誤區
誤區一:誠穩UPS能夠防雷對于一個數據中心來說,它的供電系統首先是交流電,從電網進來后有兩種情況,如果是非常重要的數據中心要配有發電機。從交流電進入數據中心首先要解決的是防雷問題。交流電進來后,在
2017-12-27 14:02:17
UPS電源問題
本帖最后由 shaorc 于 2017-12-12 09:11 編輯
【不懂就問】圖中的左上角Vcc1和右上角的Vcc2都是從變壓器二次側的輸出在這個boost電路中是形成了24V的ups但是這和普通的升壓電路有什么不一樣呢?為什么會形成ups了呢?
2017-12-12 08:53:32
UPS電腦電源為什么自動關閉輸出
請問各位高手,我這里停電了,把電腦用的UPS電源的電池拆下,然后把車上的電池線接入UPS電源,車打著火,為什么UPS二三分鐘就自動關閉輸出了?
2020-04-28 13:57:34
UPS的EMC要求
本帖最后由 hqdoc 于 2015-8-9 10:47 編輯
GB7260.2-2003不間斷電源設備(UPS)第2部分:電磁兼容性(EMC)要求
2015-08-09 10:33:16
UPS的基本結構
1.概論1.1逆變電路的基本原理1.1.1UPS概述UPS:不間斷電源,是一種內含儲能裝置,以逆變器為主要組成部分的恒壓恒頻的逆變電源。用途:為電壓過大電壓過低的設備提供保護。UPS的采用技術:目前
2021-11-15 06:20:31
UPS的工作模式有哪些
最近一周陸續接到幾個終端客戶的售后電話。或是因為機房發生了停電事故,或是突然發現UPS電源紅燈故障。因為大部分客戶對UPS的工作模式很不了解,導致一次故障后UPS一直處于旁路工作模式,所以本人寫來
2021-11-16 07:19:04
UPS的工作環境
本帖最后由 dianzijie5 于 2011-7-12 16:52 編輯
l)UPS設置的場所。UPS應設置在不易燃性室內,要盡量靠近有線電視網絡設備負載。蓄電池要遵照消防法規設在不易
2011-05-30 09:47:51
UPS的秘密
UPS的秘密導語:UPS的秘密,就是UPS是不間斷電源【Uninterruptible power supply】!這里的UPS講的是不間斷電源而不是UPS快遞(聯合包裹速遞服務公司)。UPS電源
2017-12-01 10:38:44
UPS的設計
UPS主要由:整流濾波電器、充電器、逆變器、輸出變壓器及濾波器、靜態開關、蓄電池組和控制、監測、顯示警告及保護電路組成市電正常時,輸入電壓經過整流濾波電路,一路給逆變器提供電壓,一路送入充電器
2014-06-17 16:03:49
UPS的配電設計
根據有線電視網絡設備的配置設計UPS系統和確定配線回路。有線電視網絡UPS系統的配線一般采用暗槽方式,但是也有采用活地板槽方式的。配電導線的線徑應根據UPS負載連續工作的電流選擇,但要與主斷路器
2011-05-30 09:48:51
UPS輸出是交流還是直流?都說UPS輸出是直流逆變成交流對嗎?
UPS輸出是交流還是直流?都說UPS輸出是直流逆變成交流對嗎?用萬用表測量是打交流擋還是打直流擋呢?
2023-03-10 10:10:41
ups電源工作原理
UPS電源分三種, 在線式 在線式UPS(On-Line UPS)的運作模式為“市電和用電設備是隔離的,市電不會直接供電給用電設備”,而是到了UPS就被轉換成直流電,再兵分兩路,一路為電池充電,另一
2013-03-24 20:16:02
ups電源技術介紹
ups電源是不間斷電源的意思,是一種含有儲能裝置,以逆變器為主要組成部分的恒壓、恒頻的不間斷電源,主要用于給服務器、計算機網絡系統或其它電力電子設備提供不間斷的電力供應。不間斷電源從計算機
2010-06-30 09:27:01
ups的主板檢查
成都電力電源維修一般來說,ups的主板是需要檢查一下,或是現場檢查的,我建議ups主板的參數可以自己做模擬調整,沒有問題的。很多電氣工程師在測試ups時,無意中的直接發現電氣技術圖紙中提供的參數
2021-09-17 06:31:48
為什么用UPS?UPS的作用是什么
正文:一、首先介紹一下UPS的一些基礎知識1、為什么用UPS?UPS的作用是什么?至于為什么用UPS?就是為了不停電。UPS的三大基本功能:穩壓,濾波,不可間斷。在市電供電時,它是穩壓器和濾波器
2021-11-16 06:53:23
什么是UPS?為什么要用UPS
原標題:什么是UPS?為什么要用UPS?六星電源 2018-07-1201什么是UPS?UPS(Uninterruptible Power Supply),即不間斷電源,是將蓄電池(多為鉛酸免維護
2021-09-10 08:12:28
使用ups電源的注意事項
現貨UPS不間斷電源報價性價比超高一.使用ups電源的注意事項1.負載與ups電源連接時,ups電源須先關閉負載,不要帶載啟動ups電源再接線,然后逐個打開負載。2.所有電源插座應連接保護地線。3.
2021-11-15 07:49:01
關于UPS電源的介紹
什么是UPS 不間斷電源(Uninterruptible Power Supply)。其功能為保護貴重的儀器設備,延長緊急安全逃生設備之電力,避免電力中斷或電力不穩的現象減短設備的壽命,防止
2018-10-23 15:59:02
分析UPS電源分類
1 UPS分類方法 UPS的分類方法很多,按儲能方式大致可分為動態UPS和靜態UPS,動態UPS和靜態UPS又可以細分為后備式、在線互動式、在線雙轉換式等;從技術上又有工頻和高頻之分,高頻機中
2018-01-10 15:41:23
在線式UPS特點
在線式UPS:在線式UPS電源是指不管電網電壓是否正常,負載所用的交流電壓都要經過逆變電路,逆變器一直處于工作狀態。所以當停電時,UPS能馬上將其存儲的電能通過逆變器轉化為交流電對負載進行供電,從而
2021-11-16 07:36:49
如何實現UPS電源及UPS單體電池集中監控
UPS電源作為一種儲能裝備,隨著科技的發展,UPS電源廣泛應用于交通、消費、電子自動化等各個行業中。在機房建設當中,UPS電源更是必不可少的,對UPS電源的監控也記極其重要的。為了更好的監測UPS
2021-12-28 07:56:59
如何構建綠色UPS系統
怎樣才能做到UPS電源在數據中心的綠色無污染1構建綠色山特UPS電源系統綠色UPS電源山特ups電源系統應具備高效率、高功率因數、低諧波污染等特點。如何構建綠色UPS系統,小編認為可以從以下三個方面
2021-12-28 06:09:10
如何正確使用和維護ups電源
在正確使用和維護ups電源有以下幾點: 1、根據保護的對象選擇最合適的UPS電源。如果是為了保護存放有重要信息的普通計算機,那么必須確保UPS能提供小于300V的保護電壓,這樣在市電出現停電
2010-06-30 09:28:26
對UPS電源的突發事件的解決
一、方案概述:UPS電源作為一種穩定電力供應設備,隨著網絡技術和電子信息技術的普及和深化,UPS電源的作用越來越重要。為使UPS電源及周環境溫濕度的運行安全,提高用戶對UPS電源的突發事件的解決效率
2021-12-28 07:09:05
小功率UPS如何使用
原標題:你真知道小功率UPS如何使用?小功率UPS電源只能在標稱的輸出功率范圍內正常運作。其適合接容性負載,如個人PC、噴墨打印機、掃描儀等。供電狀態選型UPS電源前,需先了解UPS電源運用
2021-09-15 07:58:10
引起UPS電源電池起火的原因
UPS電源是機房不可缺少的供電設備。一般的機房都配有UPS,有條件的大型數據機房,常常會單獨用一間房子來放UPS。你們知道機房里最容易出現的安全隱患是哪個設備嗎?對!那就是UPS電源電池。從目前報道
2021-12-28 06:07:02
怎樣正確選擇UPS電源
一,首先要知道UPS電源有何作用?答:UPS是不間斷電源(uninterruptible power system)的英文簡稱,是能夠提供持續、穩定、不間斷的電源供應的重要外部設備。 從原理上
2015-07-30 10:10:49
教大家怎樣維護UPS電源,延長UPS使用壽命
隨著電腦的日益普及,電腦的保護神【UPS電源】也得到了廣泛的應用。UPS電源是使用簡單但又容易損壞的設備。科學的使用和維護將會延長UPS電源的壽命。 1)盡量不接電感性負載。因為電感性負載的啟動
2013-11-25 11:48:17
服務器采用在線式UPS電源還是后備式UPS電源?
服務器采用在線式UPS電源還是后備式UPS電源?服務器用的話,UPS電源廠家建議買在線式UPS電源的,停電轉換時間為0秒。服務器配置合適的UPS電源,建議先了解清楚以下方面,因為不同的服務器數量其
2021-11-16 06:14:03
直流UPS電源的使用規程是什么
直流UPS電源的使用須有一套嚴格科學的作規程:(1)直流UPS電源的場所擺放應避免陽光直射,并留有足夠的通風空間,同時,禁止在直流ups電源輸出端口接帶有感性的負載。(2)使用直流UPS電源時,應
2021-11-16 08:43:47
車載UPS的具體用途
車載UPS具體用途有哪些?在科技發展的現在,各種特種車輛及船舶游艇業蓬勃發展,越來越多的通信設備、日常電器、精密儀器被應用在這些移動乘用設施中。而如何保證這些通信設備,精密儀器等在移動過程中能
2018-09-28 15:45:06
選取基于UPS設備智能接口的UPS網絡監控
UPS電源作為一種儲能裝備,隨著科技的發展,UPS電源廣泛應用于交通、消費、電子自動化等各個行業中。在機房建設當中,UPS電源更是必不可少的,對UPS電源的監控也記極其重要的。為了更好的監測UPS
2021-12-28 06:43:54
高效UPS的設計挑戰
電池供電的不間斷電源(UPS)在保護數據中心、醫療設施、工廠、電信樞紐甚至家庭中的敏感設備免受短期電網尖峰和停電影響方面非常重要。在停電時間較長的情況下,它們能夠提供必要的短期電力,以實現有準備
2022-09-10 12:10:00
瑞士GUTORUPS工業級電力UPS與普通UPS的區別
瑞士GUTORUPS工業級UPS與普通商業級UPS的區別工業級UPS與普通商業級UPS的區別固特UPS電源-瑞士GUTORUPS-瑞士固特電子有限公司瑞士GUTORUPS,固特UPS電源
2024-03-26 18:09:40
在線式UPS的原理分析
在線式UPS的原理分析
On- line UPS Principle Analysis
(UPS技術講座三)
1在線式UPS工作原理
電路結構如圖3-1所
2009-07-25 10:24:43
4668
4668
如何正確選購UPS?
如何正確選購UPS?
① 購買UPS時應考慮那些因素 一臺UPS至少可以使用3年以上。擁護在挑選UPS電源時,根據自己的要求來確定挑選標準,選擇最適合使用的UPS,而
2009-10-29 16:51:15
595
595UPS,UPS的分類,UPS的功能
UPS,UPS的分類,UPS的功能 UPS( Uninterruptible Power System ),即不間斷電源,是一種含有儲能裝置,以逆變器為主要組成部分,恒壓恒頻輸出的電源保護設備。它
2010-03-18 17:51:26
2278
2278為什么要用UPS?不用UPS會對計算機造成什么傷害?
為什么要用UPS?不用UPS會對計算機造成什么傷害?
為什么要用UPS? 有一個常見的錯誤概念,認為我們使用的市電,除了
2010-03-18 17:53:50
3671
3671如何正確選購UPS?如何比較UPS的好壞?
如何正確選購UPS?如何比較UPS的好壞?
如何正確選購UPS? ① 購買UPS時應考慮那些因素 一臺UPS至少可以使用3
2010-03-18 17:55:41
1476
1476UPS電源輸入輸出如何進行UPS選型
在現今的行業運用中,UPS的選型工作,遠沒有這么簡單。它要考慮到UPS的輸入和輸出介面兩方面的影響。即UPS對電網(或備份發電機)的影響,所帶負載對UPS的影響。
2012-06-25 16:10:12
6210
6210
模塊化UPS和傳統UPS的區別
模塊化UPS相對于傳統UPS在外部結構上就有所不同,它能夠將所有模塊安裝在標準機柜中,節省占地面積和空間,便于安裝使用與維護,從設計原理方面來講,模塊UPS本身就是一臺UPS,包括整流器、靜態旁路開關及附屬的控制電路等。
2020-06-12 11:04:07
7669
7669UPS電源怎么用
UPS電源的使用方法: 將UPS電源的機身帶的三孔插頭插到市電電源的插排上,打開UPS電源開關,讓UPS電源正常工作后,再將電腦主機和顯示器等的電源線插頭插到UPS電源機身后面的插孔內 ,逐一
2021-11-08 13:21:01
15
15ups電源測試軟件,【最新】UPS測試方法和步驟
《【最新】UPS測試方法和步驟》由會員分享,可在線閱讀,更多相關《【最新】UPS測試方法和步驟(2頁珍藏版)》請在人人文庫網上搜索。1、UPS測試方法和步驟為保證用電系統的安全性,供電的連續性
2021-11-08 15:36:02
14
14計算機中ups的作用,UPS電源是什么?UPS電源有什么作用?
可能很多朋友不知道UPS電源是什么?因為在我們的日常生活中比較少見,其實UPS電源也就是不間斷電源,功能類似于一個蓄電池。如果我們的電腦連接上了UPS電源,當遇到突然停電的情況,電腦就會自動切換
2021-11-09 10:06:09
17
17計算機什么ups又稱在線式ups,UPS電源的工作原理及維護
UPS電源的工作原理及維護【摘要】本文闡述了UPS電源的種類和運行特點,以及日常應用中的維護和維修方法。【關鍵詞】UPS;逆變器;智能化;蓄電池;維護UPS電源也稱不間斷電源,能夠提供持續、穩定
2021-11-09 11:06:04
8
8ups計算軟件_UPS電源及UPS單體電池集中監控及異常發送告警方案
UPS電源作為一種儲能裝備,隨著科技的發展,UPS電源廣泛應用于交通、消費、電子自動化等各個行業中。在機房建設當中,UPS電源更是必不可少的,對UPS電源的監控也記極其重要的。為了更好的監測UPS
2022-01-06 13:36:48
6
6UPS智能設備調試
UPS監控系統是動環監控平臺管理的一個子系統,能夠實時,全面監控UPS的各項參數,并直觀地顯示UPS的輸入、輸出、電池等實時數據,以及UPS整流、逆變、旁路等部件的運行狀態。那么如何獲取UPS的這些
2022-01-10 14:00:01
1073
1073UPS監測系統(ups電源監控系統)的介紹
UPS監測系統介紹(ups電源監控系統),很多小伙伴還不太清楚,現在ups監測系統對機房供電的正常運行是非常重要的,所以現在很多機房都離不開ups監測系統,下面小編就來為大家講解下UPS監測系統介紹
2022-06-07 11:08:40
5647
5647
UPS電路的原理與應用
UPS電路的原理與應用 UPS(不間斷電源)電路是一個能夠在電源斷電的情況下,為設備提供穩定電力的電路。UPS電路的應用范圍非常廣泛,包括服務器、計算機、網絡設備、安全設備、醫療設備等等。在本文
2023-10-27 10:26:17
2682
2682工頻UPS電源作用 工頻UPS電源和高頻UPS電源區別
工頻UPS電源作用 工頻UPS電源和高頻UPS電源區別? 工頻UPS電源作用 工頻UPS電源是一種供電設備,它的主要作用是在電網停電或電壓波動時提供穩定的電力供應。工頻UPS電源充電時將電能轉化
2024-01-11 13:59:41
2159
2159固特UPS商業UPS/工業UPS解決方案
固特UPS商業UPS/工業UPS解決方案
通常,我們最常見到的是商業應用中的UPS,發展到目前,UPS在工業領域的應用也越來越廣泛。然而,兩種不同的環境下,用戶對UPS的設計需求也不盡相同。
2024-05-08 15:36:07
1192
1192
工業UPS和商用UPS不同方面,增強的冷卻機制
工業UPS和商用UPS的區別工業UPS(不間斷電源)和商用UPS的主要區別在于它們的設計和預期應用。雖然兩者都是為了在停電時提供備用電源,但它們可以滿足不同的要求和環境。容量和功率低頻UPS系統將比
2024-08-12 10:41:01
1074
1074
UPS電源—特殊UPS電源類型全知曉
在電力保障領域,除了常見的后備式UPS電源、互動式UPS電源和在線式UPS電源之外,還存在一些特殊類型的UPS電源,以滿足特定場景下的電力需求。
2025-06-30 16:57:17
726
726
電子發燒友App






評論