鉛酸蓄電池充放電工作原理
通過以前的介紹我們知道一個基本的鉛酸蓄電池是由正、負極板浸潤在它們之間的電解
2009-11-17 10:17:38
18058 UPS系統原理、蓄電池充放電試驗及維護手冊
2024-02-25 15:39:35
2470 
蓄電池是將化學能直接轉化成電能的一種裝置,是按可再充電設計的電池,通過可逆的化學反應實現再充電,通常是指鉛酸蓄電池,它是電池中的一種,屬于二次電池。
2019-09-12 09:11:50
高的蓄電池放電測試儀。而蓄電池放電測試儀也需要日常的維護與保養,在儀器發生故障的時候我們應該如何排查呢?接下來華天電力為大家分享蓄電池放電測試儀常見故障及該如何排查故障。1、某個模塊單體電壓全部為
2018-12-26 10:39:25
蓄電池充放電電路原理圖誰有,謝謝
2021-04-07 21:38:24
蓄電池放電裝置為負載型恒流放電裝置,在放電的過程中產生的熱量 較大,設備應放置在通風良好,無結露,無腐蝕的環境下運行.裝置兩側的通風孔不得 阻塞,無異物,保證通風良好,風機運行正常.
2019-09-23 09:00:43
蓄電池的內阻減小,但可能會加速電池老化,縮短使用壽命。
蓄電池放電原理是通過內部化學反應將化學能轉化為電能,并輸出給外部設備。不同類型的蓄電池具有不同的放電特性和應用場景。在使用蓄電池時,需要根據實際需求選擇合適的電池類型和容量,并注意維護和保養以延長使用壽命。
2025-02-10 16:11:02
有沒有人做過蓄電池充放電檢測的,怎樣檢測蓄電池的實際值,充放電時會虛高虛低,測的不準啊,求助
2016-07-21 09:14:57
蓄電池是將化學能直接轉化成電能的一種裝置,是按可再充電設計的電池,通過可逆的化學反應實現再充電,通常是指鉛酸蓄電池,它是電池中的一種,屬于二次電池。它的工作原理:充電時利用外部的電能使內部活性物質再生,把電能儲存為化學能,需要放電時再次把化學能轉換為電能輸出,比如生活中常用的手機電池等。
2019-10-10 09:11:02
我們常用的車用蓄電池主要分為三類 , 分別為普通蓄電池、干荷蓄電池和免維護蓄電池三種。
2019-10-12 10:42:11
蓄電池是將化學能直接轉化成電能的一種裝置,是按可再充電設計的電池,通過可逆的化學反應實現再充電,通常是指鉛酸蓄電池,它是電池中的一種,屬于二次電池。它的工作原理:充電時利用外部的電能使內部活性物質再生,把電能儲存為化學能,需要放電時再次把化學能轉換為電能輸出,比如生活中常用的手機電池等。
2019-10-30 09:10:58
蓄電池電壓的下限值為放電終止電壓.如果低于這一電壓而繼續放電,輕則性能下降,重則引起火災。 這款過放電保護電路,不需男接電源.而由被保護的蓄電池供電。一旦達到放電終止電壓,蓄電池的負荷及保護電路
2021-05-11 08:00:57
1、長時間的小電流放電。大家都知道,蓄電池所使用的容量與放電電流的大小關系密切,放電電流越小,實際放掉的容量就越多。一般來說,蓄電池的放電容量,必須控制在80%的額定容量以內。也就是說,當蓄電池
2020-12-07 15:21:05
時的供電能力。這種現象會最終導致在硫酸濃度較高的區域出現極板腐蝕。但是采取這種計劃性的維護,由于兩次維護間隔時間太長而并不能連續監測蓄電池的狀態;同時用戶在進行過放電測試后的第二天就不敢說蓄電池組是否將會
2011-03-10 10:22:03
、放電、活化、內阻測試、容量試驗等。本活化儀有過壓、過流、過熱保護電路,在線活化時可自動啟動旁路裝置,保證在市電掉電后電池組正常工作,是真正的在線活化儀。 活化儀隨機配備管理軟件,可對蓄電池各種維護操作數
2017-05-28 17:50:03
一、方案背景:UPS電源是將蓄電池與主機相連接,通過主機逆變器等模塊電路將直流電轉換成市電的系統設備。蓄電池作為UPS系統的組成部分,能否加強蓄電池的維護管理,將直接關系到系統的運行質量。而對
2021-11-16 06:59:03
; IDCE-4830CT蓄電池放電容量測試儀——每年例行深度容量放電試驗必備工具,簡單的連接,人性化的設計,最大程度上方面了維護人員的測試 
2010-11-26 19:27:14
變頻由交直變換(整流)和直交變換兩部分組成,后一部分就是逆變。■逆變電路的主要應用 ◆各種直流電源,如蓄電池、干電池、太陽能電池等。...
2021-11-15 07:58:22
蓄電池的容量都可等到一定程度的恢復。一、常見問題及處理1、 免維護蓄電池(以下簡稱電瓶)在充電時基本不產生氣泡,可以在密封狀態下,省去了加酸等維護工作。但電瓶在充放電過程中要完全不產生氣體是不可能
2021-05-14 07:59:49
剩余容量是指蓄電池等儲能裝置在經過一定時間的使用后剩余的容量大小。一般蓄電池的建模方法可以分為兩大類:一類是物理建模方法;另一類是系統的辨識與參數估計建模方法。中文名剩余容量外文名residual
2021-08-31 08:37:43
是變電站的。開展充放電試驗主要是為了檢查蓄電池容量、及時發現老化電池而進行的。1.放電前,應提前對電池組做均充,以使電池組達到滿充電狀態,一般以2.35V/單體充電12小時,靜置12-24h;2. 記錄
2020-09-14 20:49:56
基本不需要補充蒸餾水。它還具有耐震、耐高溫、體積小、自放電小的特點。使用壽命一般為普通蓄電池的兩倍。市場上的免維護蓄電池也有兩種:第一種在購買時一次性加電解液以后使用中不需要維護(添加補充液);另一種
2013-12-09 15:37:03
,期望壽命1-3年。充放電時會產生氫氣,安置地點需設置排風管以免造成危險,電解液呈酸性,會腐蝕金屬,需經常加水維護,價格低廉。 免維護蓄電池新型蓄電池,無需加水,期望壽命一般為5-7年密封式充電不會產生
2016-01-06 16:31:08
汽車蓄電池的分類1、濕荷電蓄電池2、干荷電蓄電池3、少維護蓄電池4、免維護蓄電池
2019-09-27 09:11:03
市場接受的只能是鉛酸蓄電池。鉛酸蓄電池歷史悠久,在電動車需求的刺激下,也取得了很大進展,達到了較好的性能指標。目前主要需解決電池一致性、能量密度低以及壽命短等問題,同時還應該發展密封、免維護的電池
2011-03-10 17:06:57
出現下列情況之一者應及時進行均衡充電:被確定為大充的蓄電池組。交流電源中斷或充電裝置發生故障使蓄電池組長放電。運行中因故停運時間長達兩個月及以上的蓄電池組。單體電池端電壓偏差超過允許值的電池數量達總電池
2021-01-18 17:22:14
`產品名稱:藍肯蓄電池型號:np100-12聯系人:馬澤凱聯系電話:***蓄電池密封免維護:采用貧液式設計,氣體復合效率高,大于98%,因此無酸霧逸出。可靠穩定安全閥,保證電池的密封性,高氧復合效率
2015-04-09 11:54:06
一、通信基站蓄電池日常維護難題作為通信電源維護人員,通信基站蓄電池的維護一直是令人操心的事情。由于通信基站的環境無法與中心機房相比,蓄電池在失去空調恒溫保護,過放電,充電不足等惡劣環境下很容易出現
2010-10-29 08:39:01
放電試驗必備工具,簡單的連接,人性化的設計,最大程度上方面了維護人員的測試 2008年某省知名冶金企業引入福光電子“備用蓄電池維護方案”,在福光技術人員的指導下建立起了一套長短期結合
2010-11-26 16:21:56
放電試驗必備工具,簡單的連接,人性化的設計,最大程度上方面了維護人員的測試 2008年某省知名冶金企業引入福光電子“備用蓄電池維護方案”,在福光技術人員的指導下建立起了一套長短期結合
2010-11-26 16:24:40
左右,鋰電池的循環壽命大約是蓄電池的五六倍。 質量比能量(WH/kg):鋰電池是100-150,蓄電池是30-50。 體積比質量(Wh/L):鋰電池是200-250,蓄電池是60-90。 充放電
2019-06-25 04:20:09
)、劣化狀況(SOH),以便于處理極扳活性物質凝結、測試電池性能、防止極板鈍化,保證電池質量。根據中國郵電電信總局頒發的《電信電源維護規程》的要求,所有閥控式鉛酸(VRLA)蓄電池出廠前都要進行進行2~3次充放電試驗,考驗和檢測各相技術指標。
2019-08-30 07:58:47
一、裝置簡介QY-FL01風力發電整流逆變實訓裝置分為被控對象和控制單元兩部分組成,被控對象單元 模擬風力發電裝置、液壓站和蓄電池組組成。控制單元由可編程控制器、變頻器、指針表、充電控制器、逆變器
2021-07-12 06:28:23
一、裝置簡介QY-FL02風力發電整流逆變實訓裝置分為被控對象和控制單元兩部分組成,被控對象單元由鼓風機、發電機、和蓄電池組組成。控制單元由可編程控制器、變頻器、指針表、充電控制器、終端負載等組成
2021-07-12 06:15:17
一產品綜述
HD4830蓄電池全在線放電分析儀集離線或在線充電、放電、在線監測功能為一體,一機多用。減少企業成本,降低維護人員勞動強度,為電池和UPS電源維護提供全面科學的檢測手段
2021-11-23 14:14:15
均衡度、剩余容量和放電可持續時間等監測和告警功能。能對蓄電池組進行自動均衡電壓維護。用于對2V、6V、12V蓄電池進行在線監測。 一、產品應用:在電力二次
2021-11-23 14:22:49
一產品綜述HD4830蓄電池全在線放電分析儀集離線或在線充電、放電、在線監測功能為一體,一機多用。減少企業成本,降低維護人員勞動強度,為電池和UPS電源維護提供全面科學的檢測手段。HD4830蓄電池
2021-11-29 15:21:15
環境溫度、電池電壓均衡度、剩余容量和放電可持續時間等監測和告警功能。能對蓄電池組進行自動均衡電壓維護。用于對2V、6V、12V蓄電池進行在線監測。 一、產品應
2021-11-29 15:37:51
北京昊瑞昌科技有限公司生產的蓄電池充放電機、充放電機、充放電一體機、智能充放電機、充放電設備主要用于各種鉛酸電池、鋰電池、超級電容器的檢測老化以及預充電使用;還可作為蓄電池的放電負載,把蓄電池恒流放電
2022-04-27 16:10:33
本產品是根據國家DL∕T 1397.2-2014 電力直流電源系統用測試設備通用技術條件 第2部分:蓄電池容量放電測試儀 有關測試與維護規程要求所設計,對蓄電池
2022-06-06 10:05:20
VO2750系列蓄電池放電測試儀專門針對蓄電池組進行核對性放電實驗、容量測試、電池組日常維護、工程驗收以及其它直流電源帶載能力的測試而設
2022-06-06 14:37:54
VO2750系列蓄電池放電測試儀專門針對蓄電池組進行核對性放電實驗、容量測試、電池組日常維護、工程驗收以及其它直流電源帶載能力的測試而設
2022-06-06 14:49:48
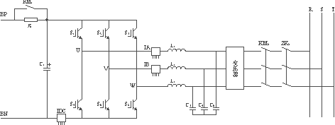
單相有源逆變蓄電池放電裝置主電路元器件參數設計:摘要:提出了采用雙級變換電路的方法,研制出一種新型的單相有源逆變蓄電池回饋放電裝置。主要介紹了直流變換電路主電
2009-06-20 21:29:41
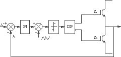
23 基于68HC08 MCU 設計了蓄電池的充放電電路,并結合芯片UC3845 設計了可實現蓄電池分階段充電的充電電路,提出了基于單片機和PWM 芯片的充放電控制策略。實驗結果表明,該系統很
2009-12-19 13:42:08
27 一、產品用途UPS機房中使用的蓄電池組不論是免維護或其它類型的蓄電池都需要按照電池的使用規程,定期實施放電,保證電池組在斷開市電的情況下能連續帶載10小時,保證設備的正常運行。我司智能
2023-08-04 11:09:04
一、產品用途蓄電池充放電綜合監測儀集蓄電池恒流放電、智能充電、活化、單體監測于一體。一機多用,減少企業成本,降低維護人員勞動強度,為電池和UPS電源維護提供全面科學的檢測手段。用于電信
2023-08-04 11:15:17
摘要:介紹了單相正弦波逆變蓄電池并網放電裝置的工作原理和主電路結構,并對其控制方法和控制電路進行了研究.在此基礎上,研制了一臺實驗樣機.實驗結果表明,該裝置具
2010-05-31 11:39:04
32 提出采用雙級變換電路的方法,研制出一種新型的單相有源逆變蓄電池回饋放電裝置,主要介紹了本放電裝置中IGBT器件的驅動電路的設計,對從事電力電子技術特別是對從蓄電池放電
2010-10-13 15:52:23
41 蓄電池自動充放電設備根據《鐵路客車電氣裝置檢修規則》(TG/CL209-2022)規定的各型號蓄電池充放電循環試驗需求,能從根本上提高對蓄電池健康維護的效率和質量。蓄電池自動充放電設備采用立柜式結構
2024-09-09 12:09:52
蓄電池充放電測試儀設備用途BTS-M系列電池測試儀,可滿足電動汽車電池、電動自行車電池、儲能電池等單體電池和電池模組的充放電測試、脈沖充放電測試、DCIR(直流內阻)測試、循環壽命測試、倍率充放電
2025-01-22 08:44:10
蓄電池充電方法的研究
摘要:針對蓄電池的特點,研究了蓄電池充放電過程中的極化現象,提出和分析了幾種充電方式,并展望了其
2009-07-11 13:58:35
1554 
閥控式蓄電池的使用和維護
摘要:介紹了閥控式蓄電池的原理,分析了影響蓄電池使用壽命的主要因素,提出了正確
2009-07-15 08:58:35
1110 
蓄電池如何使用和維護?免維護蓄電池也可以進行補充充電,充電方式與普通蓄電池的充電方法基本一樣。充電時每單格電壓應限制在2.3-2.4V間。注意使
2009-10-24 13:44:50
3729 閥控蓄電池有哪些缺點? 1)會變老,也叫老化,隨著使用年限和放電次數的增加,放電能力在下降;2)吃飯很挑剔,即對充放電的條件要求很嚴格
2009-10-31 08:37:30
1391
蓄電池維護器 鉛酸蓄電池延壽再生維護器是采用自動掃頻共振(Scan-To-Resonate TM)和同步干擾抑
2009-11-09 09:12:20
707 免維護蓄電池的特點
免維護蓄電池與普通鉛蓄電池的最大區別是極
2009-11-11 14:21:59
881 車用蓄電池的種類與正確的使用和維護
目前,我們常用的車用蓄電池主要分為三類,分別為普通蓄電池、干荷蓄電池和免維護蓄電
2009-11-17 10:04:12
541 蓄電池充放電迎來科技曙光
近日,新型節能回饋放電儀和蓄電池組在線監測終端,經過五天的緊張安裝、調試,順利完成各項測試,
2010-01-26 08:44:47
831 本文以12V,100A·h鉛酸蓄電池為例,介紹了全數字控制蓄電池充放電電路和控制方法
2011-04-14 18:35:41
4456 
對蓄電池的荷電狀態(state of charge, SOC)進行預測是蓄電池能量管理的前提。考慮蓄電池充放電電流、內部工作溫度和充放電循環次數等因素的影響, 結合卡爾曼濾波, 提出了蓄電池SOC 預測
2011-06-21 17:54:28
46 本文研究了一種基于PWM逆變整流的新型蓄電池充放電裝置,能耗低,功率因數大,能實現恒流或恒壓充放電以及實現負載大小靈活調節,并能將試驗過程中的能量反饋回電網,實現了能
2011-08-19 11:27:35
7628 
隨著電力電子技術和計算機技術的發展,采用SPWM雙向整流逆變技術可以實現蓄電池的充放電控制。
2012-03-13 18:51:19
4009 
通信后備蓄電池質量是通信網絡供電不間斷的重要保障,是整個通信電源設備供電保障,保證通信網絡正常運行的最后一道防線。根據蓄電池特性和維護要求,蓄電池放電容量測試工作
2012-07-10 10:58:23
1427 
本例介紹的蓄電池放電保護器,能在蓄電池電壓降至9v時,將蓄電池與負載電路之間斷開,防止蓄電池過放電;同時還能發出蓄電池欠電壓指示。
2012-10-10 14:40:58
3919 
敘述了雙同步旋轉坐標變換原理,提出了一種基于此變換的新型鎖相環(SPLL)設計方法,闡述了新型SPLL在蓄電池充放電裝置中的具體應用方案,該方案能夠在電網電壓發生畸變及不平衡條
2013-09-26 17:15:44
41 蓄電池測試系統中SVPWM與SPWM的比較研究
2016-03-30 14:59:59
15 基于PWM技術蓄電池充放電與檢測系統設計
2017-01-17 19:54:24
14 蓄電池充放電控制系統設計論文
2017-03-22 10:58:40
29 蓄電池充放電控制系統設計
2017-03-22 10:57:13
14 一種基于STM32的鉛酸蓄電池智能充放電系統的設計
2017-09-28 10:18:55
60 、功率因數低,諧波污染也比較大,易造成對電網的污染。 本文研究了一種基于 PWM 逆變整流的新型蓄電池充放電裝置,能耗低,功率因數大,能實現恒流或恒壓充放電以及實現負載大小靈活調節,并能將試驗過程中的能量反饋回電網,實現
2017-11-08 14:29:58
7 本文介紹了以DSP為核心的基于SPWM雙向逆變技術的蓄電池充放電控制系統設計方案:給出了3種可行的控制方法及其結果。實驗結果證明了該系統精確、穩定并具有節能效果。
2018-04-09 09:33:53
3 鉛酸蓄電池的運用壽數是以其容量來確認的。當其經過屢次充放電運用后,容量逐漸下降,最終不能運用。鉛酸蓄電池在實際運用過程中,往往會存在著過充過放、溫度補償不當、長期浮充、不均衡性充放以及失水等現象
2021-03-17 17:34:58
3363 蓄電池的放電特性是指在恒流放電過程中,鉛蓄電池的端電壓和電解液密度隨放電時間而變化的規律。電解液密度隨放電時間的延長按直線規律減小。
2019-11-27 09:31:55
16596 本文首先闡述了免維護蓄電池的設計壽命,另外還介紹了免維護蓄電池的優點。
2020-01-10 11:14:42
4326 本文主要闡述了膠體蓄電池的優勢及膠體蓄電池維護。
2020-01-10 14:13:01
3413 手段。因此,為保證蓄電池組的運用質量和延長使用壽命,蓄電池必需在受控的狀態下運行。 隨著蓄電池技術的不斷發展和人類對環境和能源戰略的考量,工作方式為充放電制運行的蓄電池系統應用越來越多,如物流系統的自動導引
2020-09-08 15:25:00
2230 免維護鉛酸蓄電池,顧名思義最大的特點就是“免維護”。和鉛酸蓄電池比它的電解液的消耗量非常小,在使用壽命內基本不需要補充蒸餾水。它還具有耐震、耐高溫、體積小、自放電小的特點。當然相對的,它的售價也會比鉛酸蓄電池更貴。至于使用壽命,正常情況下免維護蓄電池的建議更換周期為3年左右,與鉛酸蓄電池相當。
2020-12-29 15:38:23
13979 蓄電池放電測試儀 型號:TKXFD 名稱:蓄電池放電測試儀、蓄電池放電儀、蓄電池充放電綜合測試儀、蓄電池充放電檢測儀、蓄電池組充放電容量測試儀、電池充放電測試系統、蓄電池測試儀 TKXFD蓄電池放電
2021-02-26 16:07:27
2711 智能蓄電池充放電儀 型號:TKXJC 名稱:蓄電池綜合測試儀、蓄電池充放電測試儀、蓄電池充放電測試儀、蓄電池充放電儀、蓄電池充電測試儀、蓄電池放電測試儀、直流蓄電池放電儀、蓄電池智能放電儀、蓄電池
2021-02-26 16:08:54
1893 充電、活化于一體。一機多用,減少企業成本,降低維護人員勞動強度,為電池和UPS電源維護提供全面科學的檢測手段。 寬電壓(10-600V)蓄電池充放電綜合監測儀集蓄電池恒流放電、智能充電、活化、單體監測于一體。一機多用,減少企業成本,
2021-03-02 15:42:41
1452 (鐵路、高鐵、地鐵、輕軌)等行業蓄電池自動充放電檢測。該產品集蓄電池恒流恒功率放電,單體監測(選配),智能充電于一體;一機多用,減少企業成本,降低維護人員勞動強度,為蓄電池維護提供全面的檢測手段,是蓄電池維護工作的
2021-03-02 15:44:10
2155 蓄電池放電測試儀 TKXFD蓄電池放電測試儀又稱蓄電池放電儀、蓄電池放電測試儀是針對蓄電池組進行核對性放電實驗、容量測試、電池組日常維護、工程驗收以及其它直流電源帶載能力的測試而設計。 TKXFD
2021-03-12 15:21:18
3198 蓄電池定期核對性充放電作業指導書(電源技術與應用)-蓄電池定期核對性充放電作業指導書? ? ? ? ? ? ? ? ??
2021-09-23 15:52:20
12 一、方案背景:UPS電源是將蓄電池與主機相連接,通過主機逆變器等模塊電路將直流電轉換成市電的系統設備。蓄電池作為UPS系統的組成部分,能否加強蓄電池的維護管理,將直接關系到系統的運行質量。而對
2021-11-09 10:36:05
20 智能蓄電池充放電一體機
2022-07-27 15:39:36
2 一、產品概況 KDZD886C(800V60A)蓄電池智能充放電一體機是集蓄電池恒流放電、智能充電和充放電循環于一體的測試設備,用于定期的電池組檢測及落后電池再生活化。用于電信、基站和電力等部門,也
2022-11-21 11:02:32
1095 
正確掌握放電深度,是保蓄電池良好的工作性能、延長其使用壽命的一個關鍵。因此,對蓄電池組(如固定型蓄電池組)的放電過程,應定時檢查和記錄它的放電電壓、電流、電解液密度和液溫等,分析和確定其放電深度,及時進行充電工作。
2023-07-04 15:06:48
2078 蓄電池放電監測儀是專門針對蓄電池組進行蓄電池容量核對性放電實驗、電池組定期維護、工程驗收以及其它直流電源帶載能力的測試而設計的專業測試儀器。
2023-10-24 15:17:13
1465 在電力行業,很多時候我們都會同蓄電池打交道,那么我們常常會說對蓄電池進行充放電、活化,是為了什么呢?
2023-12-13 15:12:34
3007 蓄電池組定期的充放電活化也是非常必要的。為此蓄電池充放電測試儀則是現場常用的蓄電池活化設備,他能根據蓄電池組的電壓和電流來制定對應的電壓電流,設定好放電時長,可以長時間可靠的進行充放電試驗,一般時間10小時左右,下面來介
2024-08-21 10:51:03
1710 隨著科技的不斷進步和電力、通信行業的迅猛發展,蓄電池作為儲能設備在這些領域的應用愈發廣泛。而為了確保蓄電池的性能穩定、可靠,一款高效的蓄電池充放電測試儀顯得尤為重要。本文比斯特自動化小編將詳細介紹蓄電池充放電測試儀的原理、功能、技術參數以及應用場景,以期為讀者提供全面的了解和參考。
2024-06-06 10:14:38
1162 
真實狀態?答案就在于蓄電池的“體檢中心”——充放電測試設備。一、什么是蓄電池充放電測試設備?蓄電池充放電測試設備是一種集充電、放電、監測、數據采集與分析于一體的精
2025-10-24 13:39:24
1236 
評論