高壓鈉燈電子鎮流器的研制
0??? 引言
??? 高壓鈉燈(HPSL)[1]是高強度放電燈(HIDL——High Intensity Discharge Lamp)中的一種,因其具有極好的光效(80~140lm/W)和合適的光波長,而被廣泛用于戶外照明,如廣場、道路、碼頭等。但是,傳統的電感式的鎮流器存在功率因數低和自身損耗大的缺點。大量低功率因數電器的使用,對電網造成諧波污染,不但增加了供發電設備的負荷,使供發電設施得不到充分利用,而且嚴重影響其它用電設備的正常運行。
??? 綠色照明事業在世界范圍的蓬勃發展,推進了電子鎮流器的廣泛使用。電子鎮流器不但可以做到很高的功率因數(接近1),而具有顯著的節能效果,而且還能在很寬的電壓范圍內點燈工作,很好地解決了電感式鎮流器的缺點。因為,HPSL的功率相對于熒光燈大得多,用量也極大,所以,HPSL電子鎮流器的開發應用,具有更加深遠的意義。
1??? 對高壓鈉燈電子鎮流器的要求
??? HPSL電子鎮流器因使用場所和其本身的特性,要求較為嚴格。它的基本要求是:
??? 1)較高的功率因數(≥0.99);
??? 2)適應溫度范圍-20~50℃,且防雨雪;
??? 3)輸出到燈的功率必須恒定;
??? 4)為防電極極化,燈的電流必須是交流,而且須防聲共振;
??? 5)必須有2.5~4kV的點燈觸發電壓,燈點亮后高壓須消除,不影響燈的正常工作;
??? 6)較高的功率(一般人行道為75W,道路為250W,廣場為400W,最高達1000W);
??? 7)對各種故障(燈短路、燈開路或無燈、弧光不正常、燈過壓、燈過流以及電路本身的故障)的識別及保護功能完善。
2??? 方案的選擇
??? 能夠實現上述基本功能的方法有好多種,雖然許多廠商競相研制生產,但能做到實用較為困難,因為,簡單的電路難以滿足要求,復雜的電路成本昂貴。通過對HPSL電子鎮流器的大量研究,本文介紹采用美國UNITROD公司專門為HIDL控制器設計的專用芯片——UCC2305[2]制作的250W鎮流器,其基本的框圖如圖1所示。
圖1??? HPS電子鎮流器框圖
??? 它主要由功率因數校正(PFC)電路、UCC2305控制電路、觸發電路和輔助電源4部分組成,電路較為簡單。
2.1??? 功率因數校正
??? 實現功率因數校正的方法很多[1][2][3][4][5],本案選擇UC3854B作為控制芯片,建立了固定頻率平均電流型有源功率因數校正電路,如圖2所示。在圖2中,整流橋B1、儲能電感L1、功率開關器件S1、升壓二極管D1、輸出濾波電容C1和電流取樣電阻R1組成了PFC主電路。
圖2??? 功率因數校正示意圖
??? 跟UC3854一樣,UC3854B提供了有源功率因數校正的全部功能,這些功能包括電壓放大器、模擬乘法/除法器、電流放大器和固定頻率PWM,另外,還含有功率MOSFET柵極驅動器、7.5V基準電壓、總線預測器、加載賦能比較器、低電壓檢測器和過流比較器等。平均電流模式的控制使正弦化線電流穩定、低失真而不象峰值電流控制需要斜率補償。
??? 交流176~264V輸入電壓經B1整流成為100Hz的正弦半波電壓,為了迫使線電流跟隨電壓變化,UC3854B的腳6經R5引入這個正弦半波線電壓取樣,內部乘法器將此信號(設為B)與輸出電壓放大器的輸出(設為A)相乘,產生電流控制環的基準信號。同時正弦半波電壓又經由R2,R3,C3,R4和C4組成的分壓電路產生與線電壓的均方根值成正比的電壓值,這個電壓送到UC3854B的腳8,在其乘法器中平方(此值設為C)。乘法器將實際線電流與電壓放大器輸出的乘積除以線電壓的均方根值的平方,即乘法器的輸出IM=AB/C。腳8的輸入可對線電壓的變化作出補償,使PFC能夠在85~255V的輸入電壓范圍內工作。R1是線電流取樣電阻,它的負端與乘法器的輸出一起接到電流放大器的正向端,正端接到電流放大器的反向端。該電流放大器有較高的低頻增益,但控制環路的帶寬很大,使線電流跟隨線電壓變化成為可能。
??? UC3854B相比于UC3854,提供了一個寬的帶寬、低偏置的電流放大器、具有快速響應的“能使”比較器、判斷基準好壞的比較器以及一個改進的乘法器/除法器,低電壓保護改為10V,啟動電壓為10.5V,而不再是UC3854的16V,啟動電流更低。
??? 由于這方面的資料和文獻極多,本文不再作更詳細的敘述和計算表達。電路中主要元器件B1為4A/600V整流橋,L1=1.2mH,S1為IRFP840,D1為MUR086。
2.2??? UCC2305控制器
??? UCC2305集成了控制和驅動HIDL所有的功能需要,它適用于金屬鹵素燈(如汽車大燈、放映機燈等)、高壓汞燈和高壓鈉燈等高強度放電燈控制器的驅動和控制。它包含一個完全的電流模式脈寬調制器、一個燈功率調節器、燈溫補償器和所有故障保護。
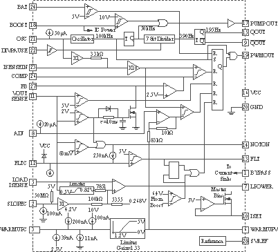
??? UCC2305的內部結構和功能如圖3所示。其單端驅動腳19(PWMOUT)可驅動正激式、反激式、升壓式、降壓式等不同類型的電路。主輸出腳9(QOUT)和腳15(QOUT)采用大電流推拉電路,可以驅動半橋和全橋電路。橋路輸出采用低頻交流,UCC2305內置分頻器將單端驅動的頻率(一般取100kHz)除以512,得到195Hz的低頻,因此消除了聲共振。聲共振是HIDL在高頻電源供電時出現的放電電弧不穩的現象,其機理是燈管內壓力波的脈動從管內壁反射回來,如果與高頻電流的脈動成分相位相同,則形成駐波,產生聲共振,輕則燈光抖動,重則燒毀燈管和鎮流器。
圖3??? UCC2305的內部功能圖
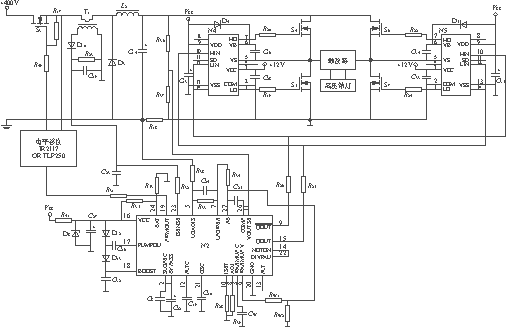
??? 圖4給出了采用UCC2305作為控制芯片的250WHPSL電子鎮流器的原理圖。由于HIDL的阻抗非線性(其阻抗特性見圖5),在燈未點亮之前處于高阻,一旦外加高壓觸發點亮以后燈就導通,其兩端電壓迅速降低,燈電流增大,呈現負阻特性。如果還以平常的電壓加于燈上,燈將燒毀。而HIDL在剛啟動的冷態和長時間工作的熱態的阻抗又有很大差別,因此,HIDL控制器必須是一個電流模式控制下的恒功率輸出。在本方案中,單端采用了降壓式Buck電路,將PFC輸出的400V電壓,在恒電流下降至HPSL所需的工作電壓。由于是高端驅動,所以需將PWM信號電平移位,采用IR2117或者TLP250等IC均能實現。電流取樣采用電流互感器T1,因為開關頻率較高,因此只需很小的磁芯,初次級匝比為1:100。電流信號經D10整流后送到UCC2305的腳23(ISENSE端)。在UCC2305中HIDL功率的調節是計算燈電流和電壓,指令適當的輸入電流保持燈功率的恒定。而燈的電壓由分壓比為120:1的分壓電阻R36與R37得到,送到芯片的腳11(VOUT-SENSE);燈的電流由取樣電阻R18得到,這個信號送到芯片的腳5(LOADISENSE)。UCC2305的電流模式PWM類似于工業標準的UC3842和UCC3802電路,使用高增益開環放大器,LOADISENSE信號直接送入該放大器,放大器放大了預期燈電流和實際燈電流之差,并在反饋誤差放大器腳LPOWER產生一個粗略地比例于燈功率的輸出信號。開環放大器驅動一個高速PWM比較器,這個比較器將控制器的輸入電流,即腳23的ISENSE信號跟開環放大器的輸出電流比較,用這個信號設置占空比。因此,控制器的輸出調節在恒定的功率,以使燈光的強度相對恒定。

圖4??? 采用UCC2305作為控制芯片的HPS電子鎮流器原理圖
圖5??? HIDL阻抗特性
??? S3、L2和C14的確定在文獻[3]有詳細的計算,對于一個250W的HPSL,S3采用IRFP840、L2選用EE30鐵氧體磁芯,電感量1.5mH,C14為100μF、400V的電解電容。
??? 控制器的輸出采用全橋逆變器。逆變器工作在195Hz的低頻,燈的平均電壓為零。橋路的驅動由腳QOUT和QOUT輸出,它們均以50%的占空比工作,相差180°。采用IR2110驅動高端和低端的MOSFET管。這樣的方法成本較貴,也可以低端直接驅動,高端采用一個高壓晶體管、一個上拉電阻以及正確的相位。燈在正常點燃時,需要變換燈的極性,但當燈還未點亮時交流電壓將干擾啟動。UCC2305有一個“NOTON”的邏輯輸出,當燈還未點亮時為高電平,點亮后為低電平。將該輸出連到腳DIVPAUSE,點燈時使低頻逆變停止,直至燈徹底點亮。
??? UCC2305的供電來自于一只6.8V的穩壓管D8,它可以防止供電過電壓及有可能出現的反向供電。6.8V電壓接到VCC端,但器件工作的許多功能供電須來自于連接到腳BOOST的近似于10V的電壓。將腳PUMPOUT當作一個交流信號和將外部的二極管當作開關器件,通過電壓倍壓器,在腳BOOST可得到這個10V供電,滿足包括MOSFET驅動等在內的其它所有功能需要。用阻抗大于10kΩ的分壓器從腳VCC接到腳BAT,對芯片具有可靠的保護。
??? UCC2305控制器PWM振蕩器由腳ISET和腳OSC接地的電阻和電容決定振蕩頻率fOSC=2/R28C20。對于100kHz,R28應為100kΩ、C20應為200pF。UCC2305中所有電路均工作在R28所設置的偏置電流下,最佳工作狀態時應在75~150kΩ之間。
??? UCC2305內部含有復雜的電路來預測燈溫、補償燈溫,當燈處于冷態時,給燈較高的功率,當燈溫升高時減少功率到一般的水平。這樣可以滿足象汽車大燈等需要開啟時就很快達到滿亮度的要求。這個功能的實現是在開燈時,通過檢測連接于腳SLOPEC和腳WARMUPC上的電容CS和CW上的充電電壓,預測燈溫,關燈時,這兩個電容以一個可控制的速度放電,放電電流通過UCC2305內的電流源所設定。控制這些電容放電的能量來自于連接到BYPASS的一個電容C22存儲的能量。所需電容的值可以假定一個最大5μA的BYPASS電流、60s的放電時間以及5V最大可允許的下跌電壓,估算,即C=IΔt/ΔV=5μA60s/5V=60μF。CS及CW必須是精密薄膜電容,與燈的“時間-溫度”關系相匹配。
??? 從冷燈峰值電流到熱燈峰值電流的額定值,通過腳ADJ的電壓控制,從腳ADJ到地連接一個電阻來設置這個電壓。冷燈的短路電流到熱燈的短路電流的值,也被這個電阻設置。
??? 腳VOUTSENSE的電壓比例于燈的電壓,UCC2305檢測腳VOUTSENSE的電壓,將它與內部83mV的低門檻電壓和2V的高門檻電壓進行比較,如果電壓不在這個范圍,說明燈還未點燃或者開路或者短路,IC將用接近250nA的電流拉升接在腳FLTC和地之間的電容C19的電壓。如果故障的時間足夠長,使C19的電壓超過5V,表明有災害性故障,并關斷IC,直至從腳BOOST撤除供電。如果故障在C19達到5V之前查明,電容即被放電直至0V,進入正常工作狀態。放電電流50nA,放電時間比充電時間長5倍。正常工作的燈電壓在60~110V之間,短路時在10V,啟動時最高限制在600V。
2.3??? 啟動電路
??? 普通熒光燈電子鎮流器的LC諧振電路雖然也能使HIDL啟動,但并不滿足HIDL的需要。HPSL的啟動需要3~4kV的觸發電壓,使電弧管擊穿,并提供足夠的能量,使輝光放電盡快轉化為弧光放電。對于HPSL啟動器,有很多電路都有專利保護,雖然電路不算復雜,但在電路設計和元器件的選取上,都有一些技巧。一般的啟動電路,在文獻[4]中有詳述。
3??? 結語
??? 通過對高壓鈉燈電子鎮流器多種電路的研究,發現使用UCC2305作為HIDL控制器具有電路可靠、結構簡單、性價比較好等優點。UCC2305控制器不但能完成從觸發點燈到燈穩定的電流模式恒功率調節,還具有完善的短路、開路、弧光失常、燈點不亮等全部保護功能,還能對燈溫進行預測和補償、輸出功率可調、可以直接驅動MOSFET功率管,并且能夠工作在-40~105℃寬溫度范圍,適合惡劣環境。采用UCC2305制作的高壓鈉燈電子鎮流器,具有真正進入實際應用的價值。用電子鎮流器替代傳統電感式鎮流器,不但可以節省大量的電能,還能實現高功率因數,減少電網污染,實現綠色照明。
電子發燒友App





























評論