的一個熱門課題。生成SPWM波的方法有多種,但其目標只有一個,盡量減少逆變器的輸出諧波分量和計算機的工作量,使計算機能更好地完成實時控制任務。在模擬電子電路中,SPWM波的實現方法采用正弦波發生器
2013-10-21 11:16:01
《SPWM變頻調速系統的MATLAB仿真》由會員分享,可在線閱讀,更多相關《SPWM變頻調速系統的MATLAB仿真(15頁珍藏版)》請在人人文庫網上搜索。1、SPWM變頻調速系統的MATLA仿真
2021-07-06 07:45:21
spwm三相雙極性電路的matlab仿真 中pwm發生器的原理
2019-03-30 22:55:16
兩大類。本文所研究的變頻電源采用間接變頻結構即交-直-交變換過程。首先通過單相全橋整流電路完成交-直變換,然后在DSP控制下把直流電源轉換成三相SPWM波形供給后級濾波電路,形成標準的正弦波。變頻系統控制器
2018-09-29 17:00:02
的對稱性,完成了三相數據只需一個1/4周期的ROM即可查詢。在分時復用和利用正弦波對稱性2個相對獨立的模塊連接的過程中必須考慮到時序的問題。如果只是把2個模塊簡單的連接到一塊,只能產生一相的SPWM,如果
2019-04-12 06:30:00
SPWM控制方式對逆變橋進行調制,最后經電容、電感過濾實現正弦波逆變的目的。內容概述本文主要從系統分析、硬件設計、程序設計和實驗測試四個方面闡述“三相SPWM逆變電路的設計”。開始概述逆變器基本概...
2021-11-16 06:20:05
三相SPWM逆變電路,逆變出來三相交流電幅值正確,但是沒有相位差,三相波形是重合的,這是什么原因???
2016-07-16 18:00:09
三相交流電機調速有哪些方法1 變極調速.2變頻調速.3變轉差率調速... 三相交流電機有很多種。1.普通三相鼠籠式。這種電機只能通過變頻器改變電源頻率和電壓調速(F/U)。2.三相繞線式電機,可以通過改變串接在轉子線圈上的電阻改變
2021-09-09 08:53:46
基本原理輸入的三相交流電源經不可控整流器UR變成單方向脈動電壓,再經電容濾波(附加小電感限流)后形成恒定幅值的直流電壓,加在逆變器 UI上??刂颇孀兤?b class="flag-6" style="color: red">中的功率開關器件的通斷,即可在UI的輸出端獲得
2021-07-05 06:47:51
三相無刷電機驅動,三相無刷調速電機,三相無刷落地扇電機,三相無刷落地扇電機,三相無刷吊扇電機,三相無刷水泵電機,概述BP6308A 是一款高性能低成本的三相無刷直流電機正弦波控制芯片,芯片集成了霍爾
2017-11-24 22:26:51
摘要:對三相橋式逆變電路原理及其 SPWM 控制原理進行簡單的分析,針對開環 SPWM 電壓的不穩定提出一種電壓閉環 SPWM 控制模型。在 Matlab/Simulink 軟件環境中分別建立了三相
2021-11-15 09:07:38
DSP產生三相spwm控制三相逆變器,可以通過查spwm正弦表產生spwm控制信號嗎?
2015-07-27 21:24:15
三相變頻電源備件更換的方法三相大功率變頻電源配件三相大功率變頻電源內部配件的保養具體分解步驟我拿中港揚盛變頻電源ZGYS-83150備件的更換方法詳解:我們知道變頻電源是由多種部件組成,在經過
2021-12-29 06:22:30
眾所周知,三相變頻電源采用FPGA數字化控制、瞬時波形控制及高頻脈寬調制(SPWM)等技術,用主動元件IGBT模塊設計使單機容量最高達240KVA,以隔離變壓器輸入及輸出,來增加整機穩定性,特別適應
2018-10-12 10:22:56
三相異步電動機變頻調速時,定子側電壓和頻率間應該保持什么關系呢?
2023-03-28 16:39:02
變頻調速系統的控制方式有變壓變頻(U/f)控制、矢量控制、直接轉矩控制等。根據異步電動機的轉速公式,異步電動機的轉速有下列三種調節方式。 ①調頻調速。改變三相交流電的頻率廠,可調節異步電動機的同步...
2021-08-27 07:40:03
變換、柵極驅動和保護電路集于一體,具有驅動欠電壓、過流、橋臂短路及過熱等系統保護功能??刂齐娐肥钦麄€變頻系統的核心,整個控制電路只需采用一片三相SPWM波形發生器芯片即可實現SPWM信號輸出、系統保護等功...
2021-11-16 07:14:33
基于DSP的三相SPWM變頻電源的設計變頻電源作為電源系統的重要組成部分,其性能的優劣直接關系到整個系統的安全和可靠性指標?,F代變頻電源以低功耗、高效率、電路簡潔等顯著優點而備受青睞。變頻電源的整個
2020-08-31 18:32:26
SPMC75F2413A和IPM(PS21865A)實現高性能三相變頻電源的開發。2 芯片特性簡介 SPMC752413A是μ’nSP?系列產品的一個新成員,是凌陽科技新推出的專用于變頻驅動的16位微控制器。其擁有
2008-08-04 06:17:08
380V輸入三相380V輸出經過AC-DC-AC變換的雙逆變電源稱為三相變頻電源。它有別于用于電機調速用的變頻調速控制器,也有別于普通交流穩壓電源。變頻電源的主要功用是將現有的交流電網電流變換成所需頻率
2010-06-12 16:29:43
專用SPWM芯片EG8030在三相逆變中的使用引腳說明引腳定義各部分電路原理圖和pcb圖這一學期依然需要做科研訓練。因為上學期做了單相逆變,這學期導師建議做一做三相的。本人單片機這方面屬實沒整明白
2021-07-09 07:41:42
一、實驗目的1、了解三相異步電動機的變頻調速方法2、了解三相異步電動機的減壓調速方法3、了解三相異步電動機改變轉子繞組電阻調速方法二、實驗內容1、三相異步電動機的變頻調速仿真1.1仿真電路接線圖
2021-09-03 09:23:20
變頻器控制電路中電機用三角形接法還是用星型接法?單相變頻器和三相有何區別?單相變頻器和三相變頻器就電機接線方法上有何區別?為什么?
2023-03-28 16:46:02
基于CPLD的三相多波形函數發生器資料
2012-08-20 11:39:31
TMS320F2812事件管理器EV單元,采用正弦脈寬調制(SPWM)技術,通過對SPWM程序進行設計和改進算法,可以有效的調節三相變頻電源輸出的頻率和有效值,實時陛好,精度高。3)變頻電源系統
2021-05-20 09:26:18
電源等部分構成。其中,基于DSP技術的數字控制器主要為功率電路中給開關管提供門極驅動數字信號。 在整個三相逆變電源系統中,特定的驅動信號是根據控制指令的比較綜合,通過某種調節規律及調節方式獲得
2018-11-20 17:01:35
什么是SPWM呢?如何去生成一個開環的三相SPWM呢?
2021-11-17 07:29:37
SA8281型三相PWM波形發生器的主要特點及引腳功能有哪些?SA8281的內部結構及工作原理是什么? 如何實現SA8281在變頻器中的應用?
2021-04-21 06:52:14
三相異步電機SPWM的基本原理是什么?怎樣去搭建一種三相異步電機SPWM變頻調速系統模型?如何對三相異步電機SPWM變頻調速系統模型進行Simulink仿真?
2021-08-02 06:12:08
賽】【三項逆變電源】【EG8030】用到的工具有: Altium Designer 16.0實現的功能有:①實現三相SPWM②實現三相交流電一、相關介紹SPWM:脈沖寬度按正...
2021-11-15 08:14:59
基于CPLD的三相五電平變頻器PWM脈沖發生器的原理是什么基于CPLD的級聯型多電平變頻器脈沖發生器的設計
2021-05-08 06:18:39
有一臺400kw10000v的三相異步電機。由于工藝改造。需要增加變頻器調速控制。但原有電機為普通三相異步電機。如果增加變頻器的話、是否需要更換電機(成本太高了)
2023-11-13 07:06:17
三相正弦波發生器電路結構和工作原理是什么?怎樣去設計高精度鏡像電流源電路?怎樣去設計高增益運算放大器單元電路?
2021-04-22 06:54:40
三相正弦波發生器是應用非常廣泛的信號源之一,通??梢杂赡M以及數字模擬兩者相結合的方法產生。那么該怎么設計一種數模結合的三相正弦波發生器?
2021-04-12 06:12:40
誰有含SA4828,HEF4752,SLE452這些元件的proteus庫文件???
2013-03-28 23:23:49
摘要:為了深人研究多相變頻調速系統,需要建立逆變器供電雙三相異步電機系統的仿真模型。在雙三相異步電機的動態數學模型摘基礎上,利用 MATLAB 中的 Simulink 模塊庫
2025-06-11 14:40:11
頻率和輸出電壓可調等優點。其良好的性能,在傳感、儀器儀表、工業控制等領域有廣泛應用。本文主要介紹利用SPMC75F2413A和IPM(PS21865A)實現高性能三相變頻電源的開發。 
2010-06-09 00:20:25
在由AC/AC變頻器作勵磁電源的雙饋調速系統中,需要一套三相低頻(幾HZ——幾十HZ)的“期望正弦波”,并要求能變頻、變壓、變相序。文中介紹了采用三相SPWM專
2008-12-02 08:03:47
53 SCR2SPWM 變頻調速系統:介紹一種以SCR 作主開關器件的SPWM 控制方式的變頻調速系統,并通過實驗對提出的方案進行了驗證。Abstract :The paper presents a SPWM frequency2variable and velocity2variable
2009-08-27 18:40:57
13 針對三相逆變器采用的不同結構,介紹了采用TMS320LF2407 芯片、通過查表法產生三相SPWM 波的兩種方法,并給出了部分程序源代碼
2009-09-21 10:11:23
71 三相正弦波脈寬調制(SPWM)信號發生器SM2001:介紹一種可自動產生三相正弦波脈寬調制波形的專用芯片的結構、原理及使用方法。它可廣泛用于三相電機的變頻控制,三相UPS的驅動等領
2010-01-10 12:19:40
194 低頻三相函數信號發生器的制作
設計并制作一臺低頻三相函數信號發生器.
2010-04-12 15:00:32
64 介紹了基于可編程邏輯器件CPLD 和直接數字頻率合成技術(DDS)的三相多波形函數發生器的基本原理,并在此基礎上給出了基于CPLD 的各模塊設計方法及其VHDL 源程序。
2010-07-19 16:55:18
21 依據沖量效果不變理論,本文提出了采用直接面積等效法計算三相SPWM波的方法,并基于FPGA設計了SPWM發生器。電路簡單可靠,編程方便。仿真結果表明用該方法所產生的PWM波形精度
2010-08-06 16:12:57
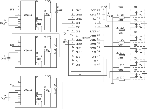
66 三相SPWM波形發生器實驗
三相SPWM波形發生器實驗由微處理器來實現SPWM控制,根據軟件化方法的不同,有表格法(又稱ROM法)、隨時計算法(又稱RAM
2008-10-17 22:40:15
4066
三相SPWM逆變電路1、電路結構
2009-04-10 09:22:39
14338 
三相脈沖發生器電路圖
2009-04-13 08:56:28
1785 
基于DSP的三相SPWM變頻電源的設計
變頻電源作為電源系統的重要組成部分,其性能的優劣直接關系到整個系統的安全和可靠性指標?,F代變頻電源以低功耗、高效率、電
2009-04-24 12:34:37
2043 
摘要: 介紹了基于可編程邏輯器件CPLD和直接數字頻率合成技術(DDS)的三相多波形函數發生器的基本原理,并在此基礎上給出了基于CPLD的各模塊設計方法及其VHDL
2009-06-20 15:28:52
828 
三相正弦波脈寬調制(SPWM)信號發生器SM2001
摘要:介紹一種可自動產生三相正弦波脈寬調制波形的專用芯片的結構、原理及使
2009-07-08 14:22:04
5937 
三相SPWM產生器SA8282在靜止逆變器中的應用
1引言
隨著電力電子技術的不斷發展和電力電子產品的不斷更新,脈寬調制技
2009-07-10 09:59:21
1853 
三相T/6正弦波形發生器
圖 三相T/6正弦波形發
2009-07-17 11:24:56
2606 
一種數模結合三相正弦波發生器設計
三相正弦波發生器是應用非常廣泛的信號源之一,
2009-10-22 18:03:01
2370 
三相異步電機的交流變頻調速實驗系統設計
0 引 言
可編程邏輯控制器(PLC)以其編程簡單方便、控制穩定可靠、功能強大等優點通常作為
2009-11-18 10:49:21
5759 三相SPWM的產生一般可以通過三相相位上互差120°的正弦波與三角波比較來實現。三相正弦表可以由三個獨立的相位互差120°的正弦表組成,這在設計思路上是簡單的,但實際中
2010-08-30 10:36:54
1812 
YZP、YZPF 系列起重專用變頻調速三相異步電動機是本公司總結變頻調速三相異步電動機的 成功經驗而開發的起重機專用變頻調速三相異步電動機。充分吸改了近年來國內外變頻調速方面的 先進技術,特別適用于起重機高起動轉矩和頻繁起動的要求。能與國內外各種變
2011-02-21 10:31:19
93 隨著現代工業的要求和微電子技術的進步,交流傳動已經迅速地從模擬控制轉向數據控制,其中PWM技術與方法是其核心內容。但數字化PWM電路一直是設計中的難點,除了集成三相PWM發生器的80C196MC、TMS320F240等微處理器外,均采用中小規格集成電路設計感想PWM,
2011-03-15 17:02:52
133 入分析8位單片機內部資源和SPWM脈寬調制原理的基礎下,提出了一種基于8位單片機的等面積三相SPWM算法,并將其應用到三相交流異步電動機的變頻調速控制中。實驗結果表明,該方法行
2011-09-16 16:25:10
93 電子發燒友為大家提供了三相方波發生器電路圖,本站還有其他相關資源,希望對您有所幫助。
2011-09-27 18:13:18
4144 
SPWM波形發生器設計與應用
2012-07-24 16:11:52
6692 
SPWM變頻調速系統設計論文感謝大家的支持
2015-12-07 14:06:12
43 基于DSP的三相SPWM變頻電源的設計三相SPWM變頻電源
2015-12-07 14:04:55
59 SPWM與SVPWM在感應電動機變頻調速系統中的比較研究
2016-04-13 16:12:11
9 基于ADMC401的三相交流感應電機SVPWM變頻調速
2016-04-15 18:29:16
11 三相四線系統中SPWM與SVPWM的歸一化研究
2016-03-30 14:59:59
20 三相異步電動機變頻調速的原理及發展,下來看看
2016-03-30 14:59:59
27 基于CPLD的三相多波形函數發生器資料,有興趣的同學可以下載學習
2016-04-28 14:29:56
0 深井水泵用三相變頻調速電動機_瞿海英
2017-01-01 15:30:35
1 本文利用MATLAB/Simulink為SPWM逆變電路建立系統仿真模型,并對其輸出特性進行仿真分析。首先介紹的是三相電壓型橋式逆變電路原理,其次闡述了SPWM逆變器的工作原理及特點,最后詳細介紹了三相電壓源SPWM逆變器的建模與仿真結構,具體的跟隨小編一起了解一下。
2018-05-15 09:40:05
58638 
基于對三相 鼠籠式異步 電動 機變頻轉速控制 的 目的,在闡述 SPWM輸 出原 理基礎上 進行軟件設計 。采用規則采樣法數學模 型 ,通過查表法及相 序延遲 120。完成 三相擬 合 ,獲 得三
2019-06-20 08:00:00
14 根據一種新型PWM 波形調制方法, 設計了基于FPGA 的新型PWM 三相波形發生器集成電路, 該IC 適用于三相異步電機的變頻驅動, 具有較普通的SPWM 諧波小, 電壓利用率高的特點, 并進行了仿真實驗, 符合設計要求.
2019-11-05 14:48:20
23 ? ? ? ? ? ? ? ? ? ? ? ? ? 1 變頻電動機由于需要承受高頻磁場,所以絕緣等級要比普通三相異步電機高,原則上普通三相異步電動機是不能用變頻器進行變頻調速的 2 但在實際中很多
2021-01-06 17:25:05
7911 和低通濾波輸出三相近似正弦交流電。根據三相異步電動機的調速特性,系統由控制器改變內部調制波的幅值和頻率,進而調節三相正弦脈沖寬度調制(Sinusoidal Pulse Width Modulaton
2021-03-02 18:14:10
11 和低通濾波輸出三相近似正弦交流電。根據三相異步電動機的調速特性,系統由控制器改變內部調制波的幅值和頻率,進而調節三相正弦脈沖寬度調制(Sinusoidal Pulse Width Modulaton
2021-03-03 15:03:00
12 三相交流電動機變頻調速系統的設計與仿真文獻綜述(通信電源技術2020年16期)-該文檔為三相交流電動機變頻調速系統的設計與仿真文獻綜述總結文檔,是一份很不錯的參考資料,具有較高參考價值,感興趣的可以下載看看………………
2021-08-31 16:29:29
19 基于DSP的三相SPWM變頻電源的設計總結(通信電源技術怎么投稿)-該文檔為基于DSP的三相SPWM變頻電源的設計總結文檔,是一份不錯的參考資料,感興趣的可以下載看看,,,,,,,,,,,,,,,,,
2021-09-22 15:35:43
26 基于FPGA的三相變頻電源系統設計(電源技術期刊給錢就發嗎)-該文檔為基于FPGA的三相變頻電源系統設計講解文檔,是一份不錯的參考資料,感興趣的可以下載看看,,,,,,,,,,,,,,,,,
2021-09-24 13:34:35
11 基于DSP的三相SPWM變頻電源的設計(深圳優智聯電源技術有限公司)-基于DSP的三相SPWM變頻電源的設計,三相SPWM變頻電源!
2021-09-29 11:52:50
81 基本原理輸入的三相交流電源經不可控整流器UR變成單方向脈動電壓,再經電容濾波(附加小電感限流)后形成恒定幅值的直流電壓,加在逆變器 UI上??刂颇孀兤?b class="flag-6" style="color: red">中的功率開關器件的通斷,即可在UI的輸出端獲得
2021-11-09 13:06:04
27 ZGYS變頻調速電機能夠分為三相交流同步或異步電動機,根據變頻器的輸出電源有三相380V或三相220V,所以電機電源也有三相380V或三相220V的不同區別,一般4kW以下的變頻器才有三相220V
2022-01-07 13:51:02
0 電力電子技術 三相SPWM逆變器Simulink仿真 一、拓撲結構 二、逆變電路分析 三、Simulink仿真分析 1.問題提出 2.分析問題 3.Simulink元件選取 4.PWM信號發生電路圖
2023-02-28 14:18:43
8 三相異步電動機的調速方法有以下幾種:
變頻調速:利用變頻器改變電源的頻率和電壓,調整電動機的轉速。這種方法具有調速范圍廣、調速平穩、精度高等優點,廣泛應用于各種工業控制系統中。
2023-03-14 15:14:34
7652 三相交流電輸入變頻器的電壓、電流波形是什么? 三相交流電輸入變頻器是現代工業中廣泛使用的一種電力設備,它可以將交流電轉化為可調速的交流電,廣泛應用于各種電機的控制和調節中。為了更好地了解三相
2023-10-22 11:33:53
4823 變頻器三相輸入端接電動機,三相輸出端接三相電源線會出現什么影響? 在工業設備中,交流電機是最常見的負載,而變頻器是用來控制電機的速度和轉矩的重要電子設備。在這個過程中,如果三相輸入端接電動機,三相
2023-10-22 11:33:59
3580 電源(50Hz或60Hz)變換成各種頻率的電能控制裝置。它通過改變電機輸入電壓的頻率,實現對電機轉速的調節。 三相變頻器的特點 三相變頻器主要用于三相交流電機的調速,具有以下特點: (1)調速范圍寬:可以實現0-400Hz的調速范圍。
2024-06-17 15:31:58
4452 變頻器是一種廣泛應用于工業自動化領域的電力電子設備,其主要功能是將輸入的交流電轉換為可調節頻率的交流電,以實現對電動機的調速控制。在實際應用中,變頻器的輸入電壓通常有三相220V和三相380V兩種
2024-06-18 09:12:11
4182 變頻器(Variable Frequency Drive,VFD)是一種用于控制電動機轉速的電子設備。它通過改變電動機供電的頻率和電壓,實現對電動機的調速。在實際應用中,變頻器的輸出電壓通常為三相
2024-06-18 09:50:30
12535 單相轉三相變頻器是一種將單相交流電轉換為三相交流電的電力轉換設備,廣泛應用于工業自動化、電力系統、家用電器等領域。以下是單相轉三相變頻器的缺點介紹: 效率問題 單相轉三相變頻器在轉換過程中,由于電能
2024-06-18 10:05:36
3240 單相變頻器輸出三相220V接三相電機的方法如下: 確定變頻器的輸入電源和輸出電壓 首先,需要確認變頻器的輸入電源是單相220V,輸出電壓是三相220V。這是實現單相變頻器輸出三相220V接三相電機
2024-06-18 10:24:42
8769 ? ? ? 變頻器是一種廣泛應用于工業自動化領域的電力電子設備,其主要功能是將輸入的交流電轉換為可調節頻率的交流電,以實現對電動機的調速控制。在實際應用中,變頻器的輸入電壓通常有三相220V和三相
2024-06-23 08:38:06
7253 
在工業自動化和電力傳動領域,三相電機和變頻器是兩個至關重要的設備。三相電機作為電能轉換為機械能的核心部件,廣泛應用于各種機械系統;而變頻器則作為電力控制設備,通過改變電機工作電源頻率來控制交流電
2024-06-26 15:24:05
2120 電抗器在變頻調速系統中的配置 ? ? ??由于變頻器是通過6組脈寬可調的SPWM波控制三相6組功率元件導通、關斷,從而形成電壓、頻率可調的三相輸出電壓,其輸出電壓和輸出電流是由SPWM波和三角載波的交點產生的,不是標準的正弦波,包含較強的高次
2024-07-21 15:41:49
3063 
調速的要求和實際應用場景,變頻器調速可分為以下幾種調速方法:? ? ? 1、恒定轉矩調速:通過保持電機的負載恒定,調節電機的轉速。在變頻器調速系統中,通過調節電機供電頻率和電壓實現恒定轉矩調速
2024-10-23 15:52:16
3717
評論