開關電源的可靠性直接影響到電子產品系統的可靠性。文中從相關數控系統 開關電源 的各種保護電路著手,分析設計了數控開關電源的軟啟動電路, 過壓保護、過流保護、欠壓保護等
2011-09-20 10:18:15
10534 
關于開關電源EMI(Electro-Magnetic Interference)的研究,有些從EMI產生的機理出發,有些從EMI 產生的影響出發,都提出了許多實用有價值的方案。這里分析與比較了幾種有效的方案,并
2012-04-06 11:29:42
7056 電壓,才能保護功率MOSFET和輸出側設備等不被燒毀,否則可能引起電子產品的進一步損壞,甚至引起操作人員的觸電及火災等現象,因此,開關電源的過流保護功能一定要完善。##555限流電路
2014-07-02 11:10:58
16755 電壓,才能保護功率MOSFET和輸出側設備等不被燒毀,否則可能引起電子產品的進一步損壞,甚至引起操作人員的觸電及火災等現象,因此,開關電源的過流保護功能一定要完善。
2023-02-10 14:40:44
6977 創新,這為直流開關電源提供了廣泛的發展空間。但是由于開關電源中控制電路比較復雜,晶體管和集成器件耐受電、熱沖擊的能力較差,在使用過程中給用戶帶來很大不便。為了保護開關電源自身和負載的安全,根據了直流開關電源的原理和特點,設計了過熱保護、過電流保護、過電壓保護以及軟啟動保護電路。
2023-03-29 10:23:03
3238 的軟啟動,防過壓、欠壓、過熱、過流、短路、缺相等保護電路。同時,在同一開關電源電路中,設計多種保護電路的相互關聯和應注意的問題也要引起足夠的重視。
2024-01-16 09:28:49
1892 
幾種常用的開關電源保護電路在電氣技術指標滿足正常使用要求的條件下,為使電源在惡劣環境及突發故障情況下安全可靠地工作,必須設計多種保護電路,比如防浪涌的軟啟動,防過壓、欠壓、過熱、過流、短路、缺相等
2009-12-01 17:28:16
開關電源中幾種過流保護方式
2012-08-04 09:44:01
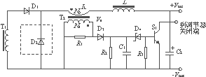
:用555做限流保護電路圖6電路,可以用在單端反激式或單端正激式變換器中,也可用在半橋式、全橋式或推挽式電路中,只要IC1有反饋控制端及基準電壓端即可,當發生過流現象時,用555電路的單穩態特性使電路工作在“打嗝”狀態下。(6)幾種過流保護方式的比較幾種過流保護方式的比較如下表所示。
2022-11-13 08:00:00
為使開關電源在惡劣環境及突發故障狀況下安全可靠,提出了幾種實用的保護電路,并對電路的工作原理進行了詳盡分析。
2013-07-13 13:03:13
摘要:為使開關電源在惡劣環境及突發故障狀況下安全可靠,提出了幾種實用的保護電路,并對電路的工作原理進行了詳盡分析。
關鍵詞:開關電源;保護電路;可靠性
1 引言
評價開關電源的質量指標應該是
2025-03-10 17:11:29
開關電源保護電路
2021-03-16 12:12:11
在做開關電源的時候 ,母線電壓在90v左右都能正常工作,增加到100v左右的時候就出現驅動保護,檢查了開關變壓器,輸出整流都是好的,單獨檢查驅動波形也是正常的,請問有哪位大俠遇到過這類問題
2015-11-13 22:24:52
工廠使用的電控柜使用的MW開關電源,很少壞,過流了也只會出現自保護的現象,電壓降到額定輸出的三分之一左右,斷電再開仍能正常使用,但是中頻電源內使用的開關電源是廠家自制,經常壞,而且不能自恢復,需要更換,拆開發現燒保險的較多,能不能換成PTC的自恢復保險啊 !MW的是不是用的PTC保險啊?
2012-11-13 15:34:44
工作在“打嗝”狀態下。1.5 幾種過流保護方式的比較幾種過流保護方式的比較如表1所列。 表1 幾種過流保護方式的比較2 結語作者經過長期的研發與生產,比較了開關電源中所使用的各種過流保護方法,可以說
2015-10-12 16:39:29
開關電源從控制方式上可分為電壓控制型和電流控制型,從隔離變壓器的驅動方式上可分為單端型和雙端型。在這些電路形式中,許多形式的開關電源需要使用電流傳感器檢測電流,或者用于脈沖占空比的控制,或者用于電路
2021-12-30 08:28:43
,應采取接地和屏蔽措施,因此開關電源一般應帶有EMC電磁兼容濾波器。所以大家不用擔心開關電源會造成干擾。 3. 保護電路 開關電源在設計中必須具有過流、過熱、短路,http://www.廣告刪.com
2012-11-06 15:04:13
減輕浪涌電流的破壞, 設置抑制浪涌電流或將浪涌電流轉移到地線等方式來保護開關電源避免浪涌電流的損害。 1. 1啟動限流保護 開關電源的初級整流電路有大容量濾波電容,開機瞬間整流管向這些大電容充電
2018-10-12 17:03:36
電源電容器充電引起的涌入初始電流 1. 1 啟動限流保護開關電源的初級整流電路有大容量濾波電容,開機瞬間整流管向這些大電容充電, 使整流管瞬時電流超過額定值. 為減小開機啟動限流( 浪涌電流
2025-05-20 14:19:28
開關電源常用保護電路-過熱、過流、過壓以及軟啟動保護電路
2016-06-22 08:31:16
開關電源的過流保護電路探討
2019-03-19 06:27:22
模塊電源電壓變換;后兩種工作方式多用于開關穩壓電源。 根據開關器件在電路中連接的方式,目前比較廣泛使用的開關電源,大體上可分為:串聯式開關電源、并聯式開關電源、變壓器式開關電源等三大類。其中
2013-04-24 17:50:03
量系數K,一般取1.5到1.8。1.4.2接地開關電源有許多干擾,屏蔽和接地措施可以有效地對付共模干擾的電氣設備。1.4.3 保護電路開關電源設計有短路保護電路,過流保護電路,過熱保護電路防止電氣設備
2018-05-14 10:18:04
開關電源的激勵方式
2021-03-11 07:12:26
開關電源的過流保護電路設計方案(2)
2019-03-25 16:03:32
開關電源過流保護-打嗝模式是什么
2021-09-29 09:22:47
作用。2、但是如果直接將輸出負載短路后,直接燒了輸入端的保險管,并沒有達到過流保護作用。3、本電路原計劃是用于開關電源多路輸出時,輸出級過流保護的。請各位朋友來幫我分析一下:為什么均勻緩慢增大電流能保護,但是直接短路輸出時卻不能保護呢?需要怎么修改?
2016-10-25 21:51:40
保護電路----1.引言----開關電源發展趨勢是工作頻率越來越高,實用頻率已接近或超過1MHz,且超大功率器件的驅動也比較困難,隨著使用頻率的進一步提高,高速開關與大功率M0SFET的轉換(過渡)過程
2009-08-23 13:17:36
小編帶大家一起來了解led電源比較常見的集中保護電路。led開關電源過電流保護電路在直流LED開關電源電路中,為能保護調整管在電路短路、電流增大時不被燒毀。它的大概方法是,當輸出電流超過某一值時,調整
2016-05-20 09:23:17
led開關電源的保護模式如下:1、過流電路:通常要先知道當出現負載短路、過載或者控制電路失效等意外情況時,會引起流過開關管的電流過大,使管子功耗增大、發熱,假如沒有過流保護裝置,大功率開關管就有幾率
2016-04-27 10:26:37
壓降值變化而改變電壓的恒定電流源即恒流驅動 。根據LED的伏安特性,電壓的微小變化可導致電流的很大變化,有可能損壞LED, 且開關電源中控制電路比較復雜,晶體管和集成器件耐受電、熱沖擊的能力較差。因此
2019-11-08 07:31:30
開關電源,其工作原理如下圖圖1所示。可以看到,在圖1所展示的電路系統中,電源輸出電壓Vo與參考電壓Vref比較、放大后得到誤差電壓信號Ve,再與斜坡電壓比較后,PWM比較器輸出一定占空比的系列脈沖。圖1
2016-01-29 16:10:04
為何使用開關模式電源?最常用的開關電源有哪幾種?
2021-03-11 08:02:38
如何去實現多種過壓與過流保護器件的電路保護設計?
2021-06-04 06:58:08
開關電源的工作過程是怎么樣的?直流開關電源內部結構如何?開關電源主要有什么工作方式?
2021-03-11 06:06:05
6種開關電源輸入保護電路
2021-02-25 06:19:29
的保護方案和電路結構。在實際應用中,通常選用幾種保護方式加以組合的方式構成完善的保護系統,確保直流開關電源的正常工作。
2011-11-12 15:24:19
電源裝置而言,應選擇合理的保護方案和電路結構。在實際應用中,通常選用幾種保護方式加以組合的方式構成完善的保護系統,確保直流開關電源的正常工作。
2019-12-25 18:07:40
幾種實用的直流開關電源保護電路(2)
2019-03-06 10:19:03
處理不當,開關電源本身就會變成一個干擾源。LDO有較高的電源抑制比,且LDO是低噪聲器件,因此應用LDO可以有效地濾除開關電源EMI,減小紋波輸出。 4.為開關電源提供過流保護 盡管許多PWM控制芯片本身具有過流保護功能,但LDO的過流保護功能可以提升開關電源的安全系數。`
2019-03-07 11:25:13
請問開關電源中開關管為什么要加入延時保護電路?
2023-03-07 17:51:10
濾波電路、功率變換電路、PWM控制器電路、輸出整流濾波電路組成。輔助電路有輸入過欠壓保護電路、輸出過欠壓保護電路、輸出過流保護電路、輸出短路保護電路等。開關電源數字控制器設計方法的比較從帶寬帶和相角裕
2019-02-18 14:33:13
摘要:為使開關電源在惡劣環境及突發故障狀況下安全可靠,提出了幾種實用的保護電路,并對電路的工作原理進行了詳盡分析。關鍵詞:開關電源;保護電路;可靠性
2009-01-21 12:50:43
96 介紹lem 電流傳感器的工作原理、特性以及在開關電源電流檢測及過流保護中的應用,給出了由lem電流傳感器組成的幾種檢測與保護電路結構。【關鍵詞】電流傳感器;檢測;保
2009-06-22 14:18:01
78 本文先分析了開關電源產生電磁干擾的機理, ,就目前幾種有效的開關電源電磁干擾措施進行了分析比較,并為開關電源電磁干擾的進一步研究提出參考建議。關鍵詞 開關電源 電
2009-08-07 16:22:24
41 開關電源的特殊輸出方式開關電源一般為恒壓輸出方式,是通過對輸出電壓取樣,經過反饋控制,達到保持輸出電壓穩定的目的。但在一些特殊應用場合,還需
2010-03-12 15:14:11
46 介紹了高壓開關電源的特點和幾種適用的軟開關電路形式,并簡單分析其工作原理和給出部分波形。
2010-07-01 15:12:16
57 摘要:為使開關電源在惡劣環境及突發故障狀況下安全可靠,提出了幾種實用的保護電路,并對電路的工作原理進行了詳盡分析。
關鍵詞:開關電源;保護電路;可靠性
2010-12-14 13:30:10
197 幾種過零控制開關電路圖
2007-12-15 14:43:37
2490 
開關電源保護電路
摘要:為使開關電源在惡劣環境及突發故障狀況下安全可靠,提出了幾種實用的保護電路,并對
2009-07-07 13:24:37
2719 
恒壓/恒流輸出式單片開關電源的設計原理
(單片開關電源技術講座之五)
摘要:單片開關電源是國際
2009-07-10 11:37:52
4824 
高頻開關電源的并聯均流系統
摘要:介紹了高頻開關電源的控制電路和并聯均流系統。控制電路采用TL494脈寬調制控制器來產生PWM脈
2009-07-14 08:16:34
1225 
開關電源并聯系統的數字均流技術
摘要:分布式電源系統應用中,并聯開關變換器模塊間需要采用均流措施,
2009-07-15 09:14:43
3016 
開關電源并聯均流技術
Technique of Parallel Balanced Current in SMPS
摘要:討論幾種常用的開關電源并聯均流技術,闡述其主要工作原理及特點。
2009-07-24 12:07:14
3295 
開關電源作為現代電子產品的供電設備,不僅其性能要滿足供電設備的需求,自身保護措施也很關鍵。為了提高開關電源的可靠性,使其能夠在惡劣環境以及突發故障情況下安全可靠地
2012-10-30 15:28:12
6347 
開關電源常用的控制方法、主電路結構形式及其相關技術已經非常成熟,因此本文僅對大容量開關電源設計中的幾種新技術進行介紹:PFC技術、工作穩定性、多電源并聯均流。
2012-12-27 11:16:57
3011 本文介紹通信開關電源冷卻技術的設計對通信機房環境和溫度變化的適應性要求,并給出目前整流器常用的幾種冷卻方式及其分析比較。
2013-01-04 15:12:46
1261 ,希望大家有需要的下載查看,大學整理的資料。
2015-11-03 17:01:43
13 開關電源保護電路的工作原理開關電源保護電路的工作原理
2016-01-15 16:39:02
85 開關電源保護電路的工作原理開關電源保護電路的工作原理開關電源保護電路的工作原理
2016-02-18 18:12:21
32 本文介紹了一種基于集成開關穩壓器SG3525A做脈寬調制器的開關電源保護電路,解決過壓、過流保護問題。
2016-05-11 15:26:21
19 幾種常見的開關電源工作原理,感興趣的小伙伴們可以瞧一瞧。
2016-09-18 17:15:05
0 開關電源的相關知識學習教材資料——開關電源紋波的幾種抑制方法
2016-09-20 16:10:29
0 關于開關電源EMI的研究,有些從EMI產生的機理出發,有些從EMI產生的影響出發,都提出了許多實用有價值的方案。這里分析與比較了幾種有效的方案,并為開關電源EMI 的抑制措施提出新的參考建議
2016-12-19 10:07:11
2004 開關電源中光耦隔離的幾種典型接法對比
2017-01-14 11:11:28
22 開關電源并聯均流技術
2017-02-07 15:27:34
47 摘要:本文先分析了開關電源產生電磁干擾的機理, ,就目前幾種有效的開關電源電磁干擾措施進行了分析比較,并為開關電源電磁干擾的進一步研究提出參考建議。
2017-02-10 17:21:13
20921 
對目前出現的幾種典型的開關電源技術作了歸納總結和分析比較,在此基礎上指出了開關電源技術的發展狀況和開關電源產品的發展趨勢。并且對開關電源的發展史、應用范圍、主電路的選擇作了簡要的介紹。
2017-02-20 10:25:05
5958 
當電路處于正常狀態時,通過過流保護用PTC熱敏電阻的電流小于額定電流,過流保護用PTC熱敏電阻處于常態,阻值很小,不會影響被保護電路的正常工作。當電路出現故障,電流大大超過額定電流時,過流保護用PTC熱敏電阻陡然發熱,呈高阻態,使電路處于相對“斷開”狀態,從而保護電路不受破壞。
2017-05-11 08:52:36
15861 
開關電源保護電路設計
2017-06-19 15:10:44
18 系統中的開關電源電路為蓄電池的充電提供穩定的電壓采用的是反激式的開關電源電路。反激式開關電源的電路比較簡單,比正激式開關電源少用了一個大的儲能濾波電感,以及一個續流二極管,因此,反激式開關電源的體積
2017-10-15 10:39:33
40 本文主要介紹了開關電源使用說明及使用注意事項。開關電源在設計中必須具有過流、過熱、短路等保護功能,故在設計時應首選保護功能齊備的開關電源模塊,并且其保護電路的技術參數應與用電設備的工作特性相匹配,以避免損壞用電設備或開關電源。
2018-01-24 16:52:14
15778 
對于開關電源,輸入保護電路很重要,開關輸入保護電路具有過流保護、過壓保護以及浪涌抑制等功能,對于電網的電壓沖擊以及EMC等具有至關重要的作用。
2018-09-04 17:50:47
42361 為使開關電源在惡劣環境及突發故障狀況下安全可靠,提出了幾種實用的保護電路,并對電路的工作原理進行了詳盡分析。
2019-03-07 17:12:00
56 研究了幾種相對較新的開關電源檢測與保護電路,包括過電流、過電壓、過熱、短路故障。 這些檢測與保護電路為開關電源的設計和保障開關電源安全可靠工作提供了經驗,可直接用于開關電源的設計和實現,使用效果良好。
2019-03-29 08:00:00
29 以上。在電源接通瞬間如此大的浪涌電流,重者往往會導致輸入熔斷器燒斷或合閘開關的觸點燒壞,整流橋過流損壞;輕者也會使空氣開關合不上閘。上述現象均會造成開關電源無法正常工作,為此幾乎所有的開關電源都設置了防止流涌電
2021-05-07 11:15:44
52 怎樣區分LED開關電源是恒流和恒壓?這可以看其電壓電流的標注方式或通過檢測來區分。
2021-06-11 18:11:05
12638 
主要討論幾種常見的開關電源均流技術原理和方法。?關鍵詞:開關電源; 均流控制0 引言?在大量電子設備的實際應用過程中,往往因為
使用單臺直流電源的輸出參數(如電壓、電流、功
率)不能滿足要求或發生故障
2021-09-27 09:21:28
45
用電壓或電流的幅值、平均值、有效值、一次諧波等參數
進行相互比較。在開關電源的這些參數中,電壓或電流的
幅值和平均值最為直觀,因此,人們常用電壓或電流的幅
值與平均值之比——被稱為脈動系數 S ;也有人用電壓或電
流的有效值與其平均值之比——被稱為波形系數 K 來判別
波形好壞。所以,電壓的脈沖...
2021-09-27 10:56:19
14 開關電源過流保護方法的比較和分析(電源技術研討會)-開關電源過流保護方法的比較和分析,很不錯的論文!
2021-09-27 11:08:12
45 開關電源保護電路(實用電源技術手冊pdf)-這是開關電源保護電路,里頭有詳細的解說幫助你畫原理圖
2021-09-28 09:53:31
163 淺談開關電源的過流保護電路(電源技術發展的新趨勢新技術)-淺談開關電源的過流保護電路下載,需要的自行下載!
2021-09-29 15:12:32
79 實用有價值的方案。這里分析與比較了幾種有效的方案,并為開關電源EMI 的抑制措施提出新的參考建議。
開關電源電磁干擾的產生機理
開關電源產生的干擾,按噪聲干擾源種類來分,可分為尖峰干擾和諧波干擾兩種,...
2022-02-11 15:00:24
12 為了給運算放大器和電路供電,使用了LM7809 線性穩壓器。這是一款具有寬輸入電壓額定值的 9V 1A 線性穩壓器。
2023-01-03 11:52:49
5128 開關電源過流保護測試方法 開關電源是一種可變直流電源,是現代電子設備最常用的電源。然而在使用開關電源的時候,可能會遇到過流的情況,過流會導致開關電源損壞,甚至損壞與其相連的設備。因此如何測試開關電源
2023-08-22 16:46:23
7333 開關電源輸出過流保護電路原理? 開關電源是電子器件中極為重要的組件之一,其可將交流電變成穩定的直流電,以滿足電子產品的供電需求。但是,開關電源在使用中存在著過電流風險,如過大的電流會燒毀電路,嚴重
2023-08-22 16:46:26
4027 開關電源過流保護測試是為了測試S.M.P.S. 輸出電流過高時是否正常保護, 保護點是否在規格要求內, 以及是否會對S.M.P.S. 造成損傷。開關電源測試軟件采取無編程模式,已對過流保護測試的程序
2023-10-11 14:26:22
3577 設計一個恒流開關電源
2023-10-20 10:07:56
3084 
開關電源低頻紋波抑制的幾種常用的方法? 開關電源是當今電子設備中應用最廣泛的一種電源類型。由于其高效率、小體積、重量輕等特點,在電子領域中有著非常重要的地位。但是,由于電源電容、電感等元件的存在
2023-10-26 11:38:25
2421 電子發燒友網站提供《線性電源和開關電源在門禁應用中的比較 .pdf》資料免費下載
2023-10-27 11:18:41
0 開關電源過流保護測試的原理和目的 怎么測試開關電源過流保護?? 開關電源過流保護是一種保護電路,用于保護電源和負載免受過電流損害。其原理是通過監測電流的大小和時間來判斷是否存在過流情況,并采取相應
2023-11-10 15:33:33
4201 開關電源常用的幾種保護 開關電源是一種將交流電轉換為直流電的電子設備,廣泛應用于各種電子設備和系統中。由于開關電源在工作過程中會受到各種電氣和環境參數的影響,因此需要有一系列的保護措施來確保其
2023-12-15 14:14:25
5202 開關電源是一種高效的電源轉換技術,它通過開關元件(如晶體管或MOSFET)的快速開關來轉換電能。
2024-05-21 17:33:33
3377 結構有以下幾種: 降壓型(Buck)拓撲結構 降壓型拓撲結構的主要功能是將輸入電壓降至一個較低的電壓水平,使得輸出電壓低于輸入電壓。 在所有的開關電源拓撲中,降壓型可能是最簡單的一種。它的電路組成較為基礎,便于理解和實施。 電感和電容在電路中起到關鍵
2024-06-09 16:47:00
3062 
開關電源過流保護原理是電源設計中非常重要的一部分,它能夠確保電源在異常情況下能夠及時切斷電源,避免對設備造成損害。 一、引言 開關電源是一種將交流電源轉換為直流電源的電子設備,廣泛應用于各種電子設備
2024-08-08 10:01:04
2598 開關電源作為電子產品的重要供電設備,其穩定性和安全性至關重要。在電子設備運行過程中,可能會出現過流(即電流超過額定值)的情況,這可能導致設備損壞、性能下降甚至引發火災等嚴重后果。因此,開關電源中常采用多種過流保護方式以確保電路的安全運行。以下是對開關電源常用過流保護方式的詳細闡述。
2024-08-19 18:14:17
3206 開關電源在輸出端短路時可能面臨一些風險,但許多開關電源在設計時已經考慮到了這種情況,并采取了相應的保護措施。 1. 過流保護功能 開關電源通常具備過流保護功能。當輸出端發生短路時,電流會迅速增大,而
2024-09-17 09:51:00
4230 開關電源在LED驅動中的應用 開關電源在LED驅動中扮演著至關重要的角色。LED驅動電源通常可以分為開關恒流源、線性IC電源和阻容降壓電源三大類,而開關電源技術成熟,性能穩定,是目前LED照明的主流電源
2024-11-29 16:24:29
2236
評論