采用MSP430F2274超低功耗單片機作為無線傳能充電器的監測控制核心,通過開關選擇充電的速度,實現快速充電和常態充電功能,電能充滿后給出充滿提示且自動停止充電。
2014-09-11 09:16:49
2301 
基于MSP430F149單片機,設計一種發控時序檢測系統。
2014-10-17 13:55:13
2336 
隨著人們對汽車輔助駕駛系統智能化要求的提高和汽車電子系統的網絡化發展,新型的倒車雷達應能夠連續測距并顯示障礙物距離,并具有通信功能,能夠把數據發送到汽車總線上去。以往的倒車雷達設計使用的元器件較多,功能也較簡單。
2014-12-30 10:54:48
11284 
晶振。就是不知道能不能用在430與時鐘芯片上,如果可以的話,引腳怎么接?(注:msp430F2274單片機和時鐘BQ32000)``
2014-04-10 10:54:40
用的MSP430F2274的芯片,CCS5.5版本,仿真器是MSP-FET430UIF型號,在進行仿真debug時,test connection按鈕總是灰色的,如下圖,無論有無接入JTAG,都是灰色的,請問是什么問題?
2016-07-20 17:10:17
`描述TIDM-TIA 采用 MSP430F2274 微控制器,利用集成運算放大器將由光電二極管生成的電流轉換為電壓。它可用于感應光,適用于各種不同的應用。直接連接至 MSP430F2274 ADC
2015-04-02 13:50:11
描述 TIDM-TIA 采用 MSP430F2274 微控制器,利用集成運算放大器將由光電二極管生成的電流轉換為電壓。它可用于感應光,適用于各種不同的應用。直接連接至 MSP430F2274 ADC
2018-11-30 16:10:08
汽車總線上去。以往的倒車雷達設計使用的元器件較多,功能也較簡單。本文介紹的基于新型高性能超低功耗單片MSP430F2274的倒車雷達可以彌補以往產品的不足。TI 公司的16位單片機MSP430F2274
2020-06-11 15:43:35
采用以MSP430F2274為核心的單片機系統來控制片內自帶的10位AD轉換模塊的數據的輸入并將其轉換成模擬量輸出同時單片機把輸入的預值電流送數碼管顯示,再根據輸出的電壓量來控制電流的變化,此方案
2015-01-19 15:35:58
哪位用過MSP430各型號之間的區別是什么最近在用MSP430單片機,他們型號很多,知不知道他們之間的區別是什么比如MSP430F149與MSP430F2274之間的區別
2019-04-16 06:35:35
The Texas Instruments MSP430 family of ultralow power microcontrollers consists of several devices
2008-09-23 10:50:39
33 MSP430F449在超低功耗高精度雷達液位儀中的應用
MSP430F449系列是TI公司的超低功耗單片機系列產品。
2010-03-22 11:33:13
41 基于MSP430F149單片機的光電編碼器位置檢測系統設計
Abstract:Aiming at requirement of the position detection in iron and steel industry,a photoelectrical encoder position dete
2009-10-30 08:30:06
3177 
TI MSP430的倒車 雷達 系統能準確測出障礙物距離以及連續測距和通信功能,是一種優勢化產品:
2011-06-22 16:16:48
74 本文詳細介紹了基于 MSP430F471XX 的單片機三相電能表設計:
2011-06-28 17:16:32
104 本書介紹了MSP430單片機的特點和選型,詳細講述了MSP430單片機的結構和指令系統,對MSP430全系列單片機(包括最新的F15X、F16X)所涉及的片內外圍模塊的功能、原理、應用作了詳盡的描
2011-11-09 14:01:24
0 為降低汽車倒車時的碰撞事故,提出了一種基于單片機的超聲波測距倒車雷達的設計方案。該設計根據超聲波測距原理,采用AT89S52單片機為控制核心,設計了超聲波測距倒車雷達,并對
2012-02-01 14:56:21
362 介紹一種基于MSP430F2274單片機為核心的智能小車。小車采用超聲波測距技術實現自動避障,同時通過語音模塊來播報出小車與障礙物的距離。為了使測距不受溫度影響,用溫度傳感器實
2012-03-31 11:08:10
799 利用單片機MSP430F449設計寬帶直流放大器。采用單片機MSP430F449作為寬帶直流放大器的控制芯片,利用三級放大器級聯的形式實現對輸入小信號的放大。其中MSP430F449 單片機來控制雙路數模
2013-07-24 15:26:40
62 MSP430單片機入門例程 需要學習這款單片機的看看
2015-11-02 10:52:55
81 介紹MSP430低功耗單片機的 開發和應用,TI的低功耗主打芯片
2015-12-25 10:18:48
11 基于MSP430F149單片機的恒流電子負載系統設計
2016-01-04 18:11:31
28 MSP430 C語言基本結構 基礎知識有助于我的學習單片機MSP430
2016-01-11 14:10:47
28 基于MSP430F149單片機的語音無線傳輸系統
2016-02-17 09:49:12
21 基于MSP430F449單片機的USB通用串行總線設計。
2016-02-17 09:56:31
6 基于MSP430F449單片機的超溫報警系統
2016-02-17 09:56:20
10 基于MSP430F449單片機的數據采集實驗設計
2016-02-17 09:56:10
8 基于單片機MSP430的智能監控終端的研究
2016-02-17 10:32:18
9 基于單片機的超聲波測距倒車雷達系統設計,很好的學習資料,快來下載吧。
2016-03-23 17:36:41
128 MSP430F149超低功耗單片機,英文原版數據手冊。
2016-04-29 17:57:09
26 基于MSP430的單片機的一些設計實例,可以看一下。
2016-05-09 15:06:12
5 本章首先介紹MSP430單片機的發展歷史及應用,然后敘述MSP430單片機具有的特點及優勢,最后簡要介紹MSP430單片機的應用選型。
2016-07-15 15:27:00
0 本章介紹MSP430單片機軟件工程的開發基礎,主要講解MSP430單片機C語言編程基礎、MSP430單片機的軟件編程方法及軟件集成開發環境的基本操作。通過本章的講解,旨在使讀者對MSP430單片機的編程思想有一定的了解。
2016-07-15 15:27:00
0 MSP430單片機原理與應用實例詳解.pdf
2016-12-16 15:43:56
15 MSP430單片機
2016-12-17 17:01:46
0 基于MSP430單片機的倒車雷達設計
2017-01-24 16:00:51
20 基于MSP430單片機的測速系統設計_金華
2017-03-17 17:02:14
15 基于MSP430單芯片的倒車雷達模塊設計_環翾
2017-03-17 08:00:00
7 實現MSP430F149單片機的串口通訊
2017-03-15 16:12:57
1 MSP430教程14:MSP430單片機ADC12模塊
2017-10-12 09:03:35
55 基于MSP430_單片機的紅外遙控器設計
2017-10-12 09:39:07
12 MSP430系列單片機的指令系統
2017-10-12 17:19:32
10 基于MSP430單片機的GPS定位系統設計
2017-10-13 08:43:50
22 基于MSP430單片機的紅外遙控器設計
2017-10-13 08:46:22
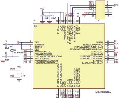
27 該設計是以MSP430F2274單片機為控制的核心部件。MSP430是一款16位的超低功耗單片機,采用了精簡指令集(RISC)結構,具有豐富的尋址方式,片內資源豐富,處理能力強大、系統工作穩定,主要是它具有多路PWM輸出,以作為該設計電機控制的有利資源,系統主控設計圖如圖2所示。
2018-07-23 08:05:00
2996 
本文主要以MSP430單片機的端口為中心,先后主要介紹了端口的定義、分類以及端口的作用,最后則詳細的介紹了MSP430單片機的端口以及它的功能等。
2017-12-27 14:39:15
5920 文中介紹了基于MSP430單片機的同步串行SPI的多通道溫度測試系統的設計方案。該系統主要由TI公司的MSP430F1611單片機等芯片構成。
2018-04-24 16:20:07
10 介紹了一種用 T I 公司新一代 16位單片機 MSP430 系列的 MSP430F1101設計的數據采集系統。
2018-04-25 17:07:38
8 MSP430單片機中斷編程;ADC(模數轉換)的實現;MSP430單片機低功耗控制(休眠)。
2018-04-28 10:46:07
44 TI 公司生產的 MSP430 系列單片機帶有 flash 存儲器, 使得在線訪問和改寫數據變得很方便, 具有其他單片機無可比擬的優點。
2018-04-28 17:14:59
9 隨著人們對汽車輔助駕駛系統智能化要求的提高和汽車電子系統的網絡化發展,新型的倒車雷達應能夠連續測距并顯示障礙物距離,并具有通信功能,能夠把數據發送到汽車總線上去。
2018-05-02 10:13:43
10 TI 公司生產的 MSP430 系列單片機帶有 flash 存儲器, 使得在線訪問和改寫數據變得很方便, 具有其他單片機無可比擬的優點。
2018-05-03 17:55:20
11 學習要點:MSP430單片機中斷編程;ADC(模數轉換)的實現;MSP430單片機低功耗控制(休眠)。
2018-05-08 08:43:50
48 下面以MSP430系列單片機為例,解釋一下學習單片機的過程。
2018-05-08 10:39:06
24 隨著人們對汽車輔助駕駛系統智能化要求的提高和汽車電子系統的網絡化發展,新型的倒車雷達應能夠連續測距并顯示障礙物距離,并具有通信功能,能夠把數據發送到汽車總線上去。
2018-05-28 09:47:07
9 MSP430 單片機外圍模塊 - LCD [利爾達]
2018-06-12 04:24:00
6855 
電子發燒友網為你提供TI(ti)MSP430F2274-EP相關產品參數、數據手冊,更有MSP430F2274-EP的引腳圖、接線圖、封裝手冊、中文資料、英文資料,MSP430F2274-EP真值表,MSP430F2274-EP管腳等資料,希望可以幫助到廣大的電子工程師們。
2018-11-02 18:49:05

該系統主要由MSP430控制器,超聲波避障模塊,電機驅動,測速,語音模塊,溫度模塊,小車的機械運動部分采用四輪差速轉向式結構,前2個輪是驅動輪,分別由電機控制其運動,后兩輪為隨動輪。
2018-10-23 15:43:34
1912 
本文檔的主要內容詳細介紹的是使用MSP430F149單片機控制步進電機的C語言程序免費下載。
2019-08-26 17:30:00
6 msp430系列單片機是一種新型的16位單片機,主要特點就是功耗小,速度快,主要開發語言是c。開發環境有iar集成開發環境。 msp430單片機有不同系列,有f系列,c系列。比如f系列
2019-07-22 15:43:56
36897 本文檔的主要內容詳細介紹的是使用MSP430F5529單片機控制LED同時閃爍的庫函數免費下載。
2019-07-24 08:00:00
10 MSP430F2274單片機作為主控制單元,小車裝有超聲波模塊來負責探測障礙物,做出避障決策。在小車的驅動輪上裝有光電編碼器對小車進行測速。為消除溫度對測距的影響,使用溫度傳感器模塊時刻檢測小車周圍的溫度情況并修正。
2019-10-04 17:15:00
6933 
本文檔的主要內容詳細介紹的是MSP430F5529單片機的C語言例程合集免費下載。
2019-11-21 08:00:00
32 本文檔的主要內容詳細介紹的是MSP430F5529單片機展館燈光設計的程序和工程文件免費下載。
2019-11-28 08:00:00
34 本文檔的主要內容詳細介紹的是MSP430F5438A單片機的程序和工程文件免費下載
2020-09-01 08:00:00
40 本文檔的主要內容詳細介紹的是MSP430F149單片機的例程源代碼合集免費下載。
2020-10-09 08:00:00
45 MSP430f249單片機文檔資料+軟件DEMO程序50例程合集 MSP430f249 用戶手冊.(單片機程序開發)-MSP430f249單片機文檔資料+軟件DEMO程序50例程合集
2021-07-22 12:53:29
54 單片機MSP430系列的CCS基礎知識
2021-08-23 10:39:28
48 基于單片機MSP430F247穩壓開關電源供電管理系統(現代電源技術杜少武)-基于單片機MSP430F247穩壓開關電源供電管理系統 ? ? ? ? ? ??
2021-08-31 17:25:54
10 MSP430單片機F54系列的單片機內部的ADC轉換實例(深圳核達中遠通電源技術開發有限公司招聘)-?這是MSP430單片機F54系列的單片機內部的ADC轉換實例~! 注釋非常完整!我也是菜鳥,對你們一定會有幫助,是我自己的血汗! 頂!
2021-09-22 18:47:55
9 基于MSP430F149單片機的智能玩具車設計
2021-10-25 18:03:50
2 MSP430F5529 單片機 倒車雷達 倒車警報系統 超聲波
2021-11-15 15:06:03
19 MSP430單片機網址推薦
2021-11-16 20:06:04
16 電子發燒友網站提供《MSP430F5529 單片機 最小系統 Altium.pdf》資料免費下載
2021-11-17 13:21:12
21 【MSP430單片機】IIC 篇
2021-11-19 15:51:08
11 460【畢設課設】基于MSP430單片機超聲波測距儀倒車防撞報警器系統
2021-11-19 15:51:10
16 【MSP430單片機】模數轉換篇
2021-11-19 16:06:07
8 【MSP430單片機】GPIO篇
2021-11-19 16:06:10
14 【MSP430單片機】定時器篇
2021-11-19 16:21:21
8 文章目錄MSP430F149單片機-IAP升級序言功能設計地址分配Flash擦寫App跳轉中斷向量表的偏移MSP430F149單片機-IAP升級序言系統設計的總體構想是,通過無線的方式,將需要升級
2021-11-19 16:21:22
8 【MSP430單片機】UART串口篇
2021-11-19 16:21:22
16 MSP430 F5529 單片機 OLED 貪吃蛇 游戲
2021-11-19 16:36:03
25 MSP430系列單片機(1)——基本知識1.單片機2.初識MSP4301.單片機2.初識MSP430
2021-11-19 17:36:05
32 MSP430 F5529 單片機 串口 測試 調試
2021-11-19 18:21:08
15 MSP430 F5529 單片機 時鐘 鬧鐘 倒計時 OLED
2021-11-19 19:06:03
38 MSP430 f5529 硬件IIC OLED 單片機
2021-11-19 19:06:03
16 MSP430 F5529 單片機 OLED 大炮 發射 拋物線
2021-11-19 19:21:03
6 MSP430 F5529 單片機 OLED 俄羅斯方塊
2021-11-19 19:21:04
35 MSP430 F5529 單片機 OLED 密碼鎖 矩陣鍵盤
2021-11-19 21:06:06
39 在種類和數量繁多的單片機中,MSP430單片機頗具特色,并具有優良的性能。MPS430單片機是美國德州儀器公司(以下簡稱TI公司)于1996年開始推向市場的一種16位超低功耗的混合信號處理器。它將
2022-08-01 15:17:30
0 電子發燒友網站提供《基于MSP430F2274的倒車雷達設計.pdf》資料免費下載
2023-10-10 10:58:17
0 電子發燒友網站提供《基于單片機MSP430F147的自動尋邊器下位機設計.pdf》資料免費下載
2023-10-20 10:52:03
0 電子發燒友網站提供《基于雙MSP430F149單片機的車輛監控系統車載移動終端設計.pdf》資料免費下載
2023-11-17 11:53:36
1 電子發燒友網站提供《基于MSP430F413單片機的智能水表的設計.doc》資料免費下載
2023-11-17 14:42:11
3 電子發燒友網站提供《基于單片機MSP430F2274的倒車雷達設計.pdf》資料免費下載
2023-11-17 16:08:24
0 電子發燒友網站提供《基于51單片機的倒車雷達的設計.rar》資料免費下載
2024-01-03 10:24:35
45 電子發燒友網站提供《基于51單片機的倒車雷達的設計.rar》資料免費下載
2024-01-12 09:54:24
14 電子發燒友網站提供《MSP430F2274-EP混合信號微控制器數據表.pdf》資料免費下載
2024-08-09 11:10:29
0
評論