ST公司的ALED1642GW是16路LED驅動器,具有誤差檢測,電流增益控制和12/16位PWM亮度控制,輸出電壓20V,16個電流源提供3mA到40m A恒流LED驅動電流,滿足AECQ100資格認證,電源電壓3V-5.5V,高達30MHz 4線接口,具有熱關斷和超溫警報,主要用在全色/單色顯示器,儀表盤和汽車內部照明.本文介紹了ALED1642GW主要特性,功能框圖和簡化應用電路,以及基于ALED1642GW和STM8A汽車照明評估板STEVAL-ILL073V1主要特性,電路圖和材料清單.
The ALED1642GW is a monolithic, low voltage,low current power 16-bit shift register designed forLED panel displays. The ALED1642GWguarantees 20 V output driving capability allowingthe user to connect several LEDs in series. In theoutput stage, sixteen regulated current sourcesprovide from 3 mA to 40 mA constant current todrive the LEDs. The current is programmedthrough an external resistor and can be adjustedby a 7-bit current gain register in two subranges.
The brightness can be adjusted separately foreach channel through 12/16-bit grayscale control.Programmable turn-on and turn-off time (fourdifferent values available) improves the low noisegeneration performance of the system.
Open/short error detection mode is available inthe ALED1642GW. The auto power-shutdownand auto power-on features (selectable) allow thedevice to save power without externalintervention.
Thermal management includes anovertemperature data alert and output thermalshutdown (170 °C). The high clock frequency isup to 30 MHz and it makes the device suitable forhigh data rate transmission. A selectable gradualoutput delay reduces the inrush current, whereasthe selectable SDO synchronization feature workswhen the device is used in daisy-chainconfiguration. The supply voltage range isbetween 3 V and 5.5 V.
ALED1642GW主要特性:
? AECQ100 qualification
? 16 constant current output channels
? Output current: from 3 mA to 40 mA
? Current programmable through externalresistor
? 7-bit global current gain adjustment in tworanges
? 12/16-bit PWM grayscale brightness control
? Programmable output turn-on/off time
? Error detection mode (both open and shorted-LED)
? Programmable shorted-LED detectionthresholds
? Auto power saving/auto-wakeup
? Selectable SDO synchronization on the CLKfalling edge
? Gradual output delay (selectable)
? Supply voltage: 3 V to 5.5 V
? Thermal shutdown and overtemperature alert
? Up to 30 MHz 4-wires interface
? 20 V current generator rated voltage
ALED1642GW應用:
? Full color/monochrome displays
? Dashboard (backlighting led indicators)
? Automotive Interior lighting

圖1. ALED1642GW簡化框圖

圖2. ALED1642GW典型應用電路圖
基于ALED1642GW和STM8A汽車照明評估板STEVAL-ILL073V1
The STEVAL-ILL073V1 is a high brightness, RGB LED array driver system evaluation board with local dimming and diagnostics based on the ALED1642GW independent PWM LED driver controlled through an STM8A microcontroller SPI interface.A 16 RGB LED matrix is driven by three ALED1642GW LED drivers, one for each channel; i.e., Red, Green and Blue.
The on-board A7986A DC-DC converter, accepting standard adapter input voltages, provides the voltages and power for the overall operation of the board. The STEVAL-ILL073V1 includes a USB-UART daughterboard bridge for communication with a PC.
The evaluation board is also equipped with jumpers to simulate LED open circuit and LED short circuit faults, and a 4-pin SWIM connector to debug and to develop the STM8 microcontroller firmware.
The STEVAL-ILL073V1 has two modes of operation: in standalone mode, the evaluation board is controlled via on-board buttons and a potentiometer; in GUI mode, a Graphical User Interface is provided to represent the drivers. When connected to PC, the evaluation board enters GUI mode and the GUI has control of the board.
評估板STEVAL-ILL073V1主要特性:
High brightness 4 x 4 RGB LED matrix
Complete hardware and software package
Various preconfigured and programmable patterns
Open / short error simulation and real-time detection
6 to 28 V DC polarity-independent power supply
GUI for advanced driver configuration
USB-UART bridge for PC connection
RoHS compliant

圖3.評估板STEVAL-ILL073V1外形圖(正面)

圖4.評估板STEVAL-ILL073V1外形圖(背面)
評估板STEVAL-ILL073V1包括以下部分:
1. 6-28 V DC power supply with polarity and overvoltage protection, standard DC jack input
2. Diode bridge
3. A7986A: High efficiency switching regulator
4. LF33: 3.3 Volts linear voltage regulator
5. ALED1642GW (TSSOP24 - exposed pad) LED driver
6. SWIM connector to program microcontroller
7. Potentiometer/knob
8. Back/Reset switches
9. STM8AF52xx microcontroller
10. Menu buttons
11. USB-UART bridge
12. 16 RGB (PLCC - 4) LEDs
13. 4 jumpers to simulate open-circuit errors
14. 4 jumpers to simulate short-circuit errors

圖5.評估板STEVAL-ILL073V1框圖

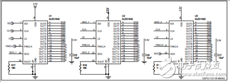
圖6.評估板STEVAL-ILL073V1電路圖(1)

圖7.評估板STEVAL-ILL073V1電路圖(2)

圖8.評估板STEVAL-ILL073V1電路圖(3)

圖9.評估板STEVAL-ILL073V1電路圖(4)

圖10.評估板STEVAL-ILL073V1電路圖(5)

圖11.評估板STEVAL-ILL073V1電路圖(6)

圖12.評估板STEVAL-ILL073V1電路圖(7)

圖13.評估板STEVAL-ILL073V1電路圖(8)

圖14.評估板STEVAL-ILL073V1電路圖(9)
汽車照明評估板STEVAL-ILL073V1材料清單:



詳情請見:
/3f/bc/28/a8/7b/1a/4f/04/DM00103416.pdf/files/DM00103416.pdf/jcr:content/translations/en.DM00103416.pdf
和
/group0/69/5d/6f/9d/2b/6c/49/52/DM00265259/files/DM00265259.pdf/jcr:content/translations/en.DM00265259.pdf
以及:content/translations/en.steval-ill073v1_schematic.pdf
與
/4b/c5/b4/25/4d/dc/DM00261247.pdf/files/DM00261247.pdf/jcr:content/translations/en.DM00261247.pdf
電子發燒友App





























評論